1-10 (514332), страница 5
Текст из файла (страница 5)
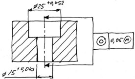
Рис. 3.13
Пример 2
На чертеже детали заданы Ø
, допуск радиального биения ТР = 9 мкм и отклонение от цилиндричности ТF = 4 мкм. Определить параметр шероховатости
.
Решение
Допуск размера IT = 13 мкм, поэтому параметр
= 0.5 ТF = 0.5∙4 = 2 мкм. Параметр
= 0.2∙
= 0.2∙2 = 0.4 мкм. Для нанесения на чертеже детали принимаем
= 0.4 мкм.
-
Нормирование точности зубчатых колес и передач. Принцип комбинирования норм точности.
Примеры обозначения точности зубчатых колес.
Нормирование точности зубчатых колес
Установлено 12 степеней точности. Самая точная - 1, самая грубая - 12. Для 1 и 2 степеней точности допуски не установлены (в перспективе), 12 - не применяется.
Используются с 3 по 11.
3 - 5 - измерительные колеса;
6 - 9 - редукторы общего назначения;
3 - 8 - металлорежущие станки;
6 - 10 - прокатные станы;
8 - 11 - с /х машины.
В каждой степени точности нормируются (установлены допуски):
3 нормы точности
1. Кинематическая точность
2. Плавность работы
3. Контактная точность
Нормы кинематической точности определяют допустимую величину погрешности угла поворота колеса за один оборот колеса.
Нормы плавности работы ограничивают погрешность угла поворота колеса при повороте на один зуб (один угловой шаг).
Нормы контакта ограничивают неполноту контакта сопряжения зубъев.
В каждой норме точности установлены комплексные и дифференцированные показатели.
Кинематическая погрешность передачи - разность между действительным и номинальным углами поворота ведомого зубчатого колеса передачи.
П
огрешность передаточного отношения Fior = ( 2 действ - 2 ном) * r [мкм] ;
2 ном = 1 * (Z1 / Z2)
Обозначение точности зубчатого колеса.
-
8–7–6 Ba
8 – степень кинематической точности
7 – плавность
6 – пятно контакта
Ba – норма бокового зазора
B – вид сопряжения
a – вид допуска на боковой зазор
-
Если степени точности по всем трем нормам одинаковы, то
7 – Ва, т.е. 7 по всем нормам точности.
Принцип комбинирования норм точности.
Заключается в том, что для зубчатого колеса можно назначать различные нормы из разных степеней.
Отличительной особенностью ГОСТа на зубчатые колеса является принцип комбинирования норм точности, т.е. можно назначать различные степени точности по разным нормам.
Это целесообразно, когда необходимо выделить показатели одной нормы относительно других, например:
-
для силовой передачи – показатели нормы контакта делают точнее, чем показатели по норме плавности или кинематической точности.
Это целесообразно и с технологической точки зрения, так как финишная отделочная операция улучшает показатели лишь одной нормы, а не всех трех, например:
шлифование – улучшает показатели кинематической нормы точности;
шевингование – показатели нормы плавности;
притирка – показатели нормы контакта.
Из-за взаимосвязи между параметрами добиться значительного разрыва по точности между параметрами не удается, поэтому установлены ограничения на разницу по степеням точности.
-
Норма плавности может быть точнее кинематической нормы не более, чем на две степени и грубее не более, чем на 1. 8-6-6; 7-8-7.
Норма контакта обычно не бывает грубее нормы плавности, так как при плохом контакте нельзя добиться высокой плавности работы. Допускается норма контакта точнее нормы плавности на 2-3 степени. 6-6-4.
Билет №7
1.Посадки с зазором. Схемы расположения полей допусков в системе отверстия и системе вала.
Применение посадок с зазором и примеры обозначения на чертежах.
Посадки с зазором.
Посадка с зазором – посадка, при которой обеспечивается зазоры в соединениях.
Smax = Dmax – dmin = ES – ei
Smin = Dmin – dmax = EI - es
Ts = Smax – Smin = TD + Td
К посадкам с зазором относятся тек же посадки, в которых нижняя граница поля допуска отверстия совпадает с верхней границей поля допуска вала, т.е. Smin = 0.
-
П
ринципы нормирования отклонений формы и обозначение допусков формы на чертежах.
Отклонения формы поверхностей, основные определения.
Отклонения формы и расположения пов-тей.
Точность – степень соответствия своему геометрич. прототипу.
Точность детали характеризуют 4 показателя:
1. Точность размера
2. Точность относительного поворота поверхностей.
3. Точность формы (в продольном и поперечном сечении).
4. Шероховатость поверхностей.
- идеальный цилиндр и получающаяся деталь
f(φ)=R-RH
С0 – это среднее значение диаметра в течении одного оборота.
φ – текущий угол; k – номер гармоники; φk – начальный угол поворота k-той гармоники.
С1 (первая гармоника) – эксцентриситет центра тяжести этой фигуры относительно оси вращения.
С2 –хар-ет овальность детали; С2 –хар-ет огранку (треугольность);
С1 – хар-ет конусность детали; С2 –хар-ет бочкообразность; С2 –хар-ет седлообразность;
За отклонение формы попереч. сечения принимают наиб. расст. от прилегающей ок-ти до реального профиля.
За прилегающую ок-ть для валов принимают ок-ть наименьшего диаметра, для отверстий – наибольшего диаметра.
Отклонение от цилиндричности: наиб. расст. от прилегающего цилиндра до реальной пов-ти.
Числовые значения допусков формы и расположения пов-тей: ГОСТ 24643-81. Им установлено 16 степеней точности.
Условные обозначения отклонений формы:
Отклонение от прямолинейности:
Отклонение от профиля продольного сечения:
Условные обозначения отклонений расположения пов-тей:
Отклонение от перпендикулярности:
Отклонение от заданного угла наклона:
Отклонение оси от заданного положения:
Совместное проявление отклонений формы и расположения:
Радиальное или торцевое биение -
Полное радиальное или торцевое биение -
l – расстояние, радиальное биение на котором не должно превышать заданного;
А – ось (база);
0,02 – биение в мм (допуск)
В
качестве базы надо выбирать основную базу детали (которая определяет положение детали и в пространстве)
Зависимый допуск – допуск, который зависит от допусков на отверстие (зазор между валом и отверстием).
0,05 – минимальный допуск.
Данная конструкция не является технологичной и не рекомендуется к применению, т.к. проявляется неопределенность базирования (неорганизованная смена баз).
-
Случайные погрешности измерения и их оценка.
Оценка случайных погрешностей
Случайные погрешности трудно устранить. Они проявляются в рассеивании результатов многократных измерений одной и той же величины.
Оценку случайных погрешностей производят с помощью теории вероятности и математической статистики.
Законы распределения случайных величин.
Закон равной вероятности.
Если погрешность измерения может принимать любые значения, не выходящие за некоторые границы n с одинаковой вероятностью, то такая погрешность описывается равномерным законом распределения.
С таким законом распределения хорошо согласуются погрешности от трения опорах электромеханических приборов, погрешности размеров в пределах одной группы сортировки при селективной сборке.
Закон треугольного распределения (Закон Симпсона)
По такому закону распределены погрешность суммы (разности) двух равномерно распределенных величин. Например: если отклонения размеров отверстия распределены в пределах наших допусков равномерно, то зазоры или натяги в пределах допуска будут распределены по закону треугольника.
Нормальный закон распределения (закон Гаусса)
Этот закон является одним из наиболее распространенных законов распределения погрешностей, что объясняется центральной предельной теоремой теории вероятностей.
Центральная предельная теорема ТВ - распределение случайных погрешностей будет близко к нормальному всякий раз, когда результаты наблюдения формируются под влиянием большого числа неравномерно действующих факторов, каждый из которых оказывает лишь незначительное действие по сравнению с суммарным действием всех остальных.
Пример:
1. равноценные (50х50)
2. неравноценные (если событий >5)
3. незначительные по сравнению с сумарным действием.
Закон Гаусса имеет следующее выражения:
MX - математическое ожидание, оно является центром группирования результатов наблюдения.
G - среднеквадратичное отклонение характеризует величину рассеивания результатов наблюдений, т.е. точность измерения.
















