Для студентов МГТУ им. Н.Э.Баумана по предмету Детали машин (ДМ)ДМ 1371 - Привод цепного транспортера с двухступенчатым цилиндрическим мотор-редуктором с косозубыми передачами внешнего зацепления и полым валомДМ 1371 - Привод цепного транспортера с двухступенчатым цилиндрическим мотор-редуктором с косозубыми передачами внешнего зацепления и полым валом
4,90547201
2021-04-302024-09-03СтудИзба
ДМ 1371 - Привод цепного транспортера с двухступенчатым цилиндрическим мотор-редуктором с косозубыми передачами внешнего зацепления и полым валом
-64%
Описание
Чертеж PDF в формате A1, Нет РПЗ
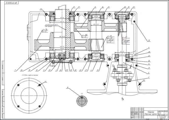
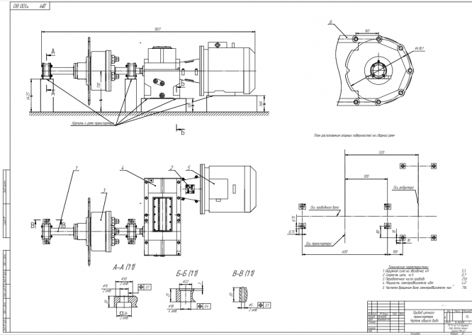
ВведениеВ рамках курсового проекта по дисциплине «Детали машин » получено задание спроектировать привод цепного транспортера с двухступенчатым цилиндрическим мотор-редуктором с косозубыми передачами внешнего зацепления и полым валом. Цепной конвейер — это средство транспортировки, перемещение грузов в котором осуществляется за счет обращения одной или двух бесконечных закольцованных цепей. Как и у ленточного транспортера, принцип работы основан на обращении закольцованной цепи вокруг ведущего и натяжного барабана. За счет натяжения цепи с ведущего колеса на ведомое передается крутящий момент. В ходе линейного перемещения цепи. Цепной транспортер отличается высокой прочностью, износостойкостью и производительностью, он приспосабливается к транспортировке самых разных грузов. Цилиндрический мотор редуктор - это механизм, главной задачей которого является уменьшение угловой скорости вращения и увеличение крутящего момента. Используют данные устройства в основном на обрабатывающих, транспортных, грузоподъемных механизмах, горнодобывающем оборудовании. В этих механизмах необходима перемена скорости вращения валов.





Файлы условия, демо
Характеристики курсовой работы
Предмет
Учебное заведение
Семестр
Номер задания
Вариант
Просмотров
264
Размер
2,27 Mb
Список файлов
привод цепного транспортера с двухступенчатым цилиндрическим мотор-редуктором с косозубыми передачами внешнего зацепления и полым валом
Лист 1 - редуктор.pdf
Лист 1.PNG
Лист 2.pdf
Лист 3.pdf
Лист 4 - приводный вал.pdf
Лист 5 - общий вид.pdf
Лист 5.PNG
РПЗ.pdf

Друзья, спасибо за доверие! Если вам понравилась работа – поставьте 5⭐ и напишите отзыв. Это поможет другим студентам, а мне даст силы делать ещё больше качественных материалов для вас 🔥