Для студентов ТУСУР по предмету ЭлектроникаИсследование трехфазных выпрямителейИсследование трехфазных выпрямителей
5,0053233
2025-03-262025-03-26СтудИзба
Лабораторная работа: Исследование трехфазных выпрямителей
Описание
Лабораторная работа № 2 «Исследование трехфазных выпрямителей»
Цель работы: исследование трехфазных выпрямителей мостового и с выводом средней точки с индуктивным фильтром при учете индуктивностей рассеяния трансформатора.
Ход работы
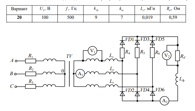
Собирается схема трехфазного мостового выпрямителя с дросселем фильтра Lф , как показано на рис. 1. Необходимые параметры взяты из табл. 1 согласно номеру варианта.
![]()
Цель работы: исследование трехфазных выпрямителей мостового и с выводом средней точки с индуктивным фильтром при учете индуктивностей рассеяния трансформатора.
Ход работы
Собирается схема трехфазного мостового выпрямителя с дросселем фильтра Lф , как показано на рис. 1. Необходимые параметры взяты из табл. 1 согласно номеру варианта.

Характеристики лабораторной работы
Предмет
Учебное заведение
Просмотров
2
Качество
Идеальное компьютерное
Размер
222,44 Kb
Список файлов
Лабораторная работа №2.docx

Если нужен другой вариант работы или отдельная задача из любой работы, пишите в комментарии