Лабораторная работа_9 (1273857)
Текст из файла
МОСКОВСКИЙ ЭНЕРГЕТИЧЕСКИЙ ИНСТИТУТ
(ТЕХНИЧЕСКИЙ УНИВЕРСИТЕТ)
кафедра Общей Физики и Ядерного Синтеза
Лаборатория Механики и Молекулярной физики
Лабораторная работа №9
Определение удельной теплоёмкости воздуха при постоянном давлении
Группа: ТФ-07-10
Студент: Шинарев Р.А.
Преподаватель:________________
К работе допущен:_____________
Работу выполнил:______________
Дата выполнения работы:________
Работу сдал:___________________
Москва
2011
Цель работы — экспериментальное определение удельной теплоемкости воздуха методом протока.
1. Теоретические основы работы
Теплоемкостью тела (или массовой теплоемкостью) называется отношение бесконечно малого количества теплоты
, полученного телом, к соответствующему приращению
его температуры:
Теплоемкость численно равна количеству теплоты, которое необходимо подвести к данной массе вещества, чтобы изменить его температуру на один кельвин.
Теплоемкость, отнесенная к единице массы вещества, называется удельной теплоемкостью:
В термодинамике удобно пользоваться теплоемкостью одного моля вещества
(молярная теплоемкость). Удельная и молярная теплоемкости связаны соотношением
где
— масса одного моля вещества (эффективная молярная масса).
Теплоемкость не является функцией состояния вещества. Она зависит от вида термодинамического процесса, совершаемого газом. Если процесс происходит при постоянном объеме, то говорят о теплоемкости при постоянном объеме
. Если процесс происходит при постоянном давлении, то соответствующую теплоемкость называют теплоемкостью при постоянном давлении
.
Рассчитаем молярную теплоемкость идеального газа в процессе при постоянном давлении.
Согласно первому началу термодинамики
где
— количество теплоты, подведенное к системе;
— изменение внутренней энергии системы;
— работа, совершенная системой над внешними телами.
Для одного моля вещества (газа) в изобарном процессе
Изменение внутренней энергии для любого процесса связано с изменением температуры газа
и для одного моля определяется выражением
где
— число степеней свободы молекулы газа;
— универсальная газовая постоянная.
Работа в изобарном процессе также выражается через изменение температуры и для одного моля газа равна
Подставляя (5), (6) и (7) в уравнение (4), получаем
Тогда молярная теплоемкость газа в процессе при постоянном Давлении оказывается равной
Используя соотношение (3) можно рассчитать удельную теплоемкость газа при постоянном давлении
Воздух, который является исследуемым веществом, представляет собой смесь газов. Поэтому в данном случае мы говорим об эффективной молярной массе, которая для воздуха равна
. Считая, что основными компонентами смеси являются двухатомные газы кислород и азот, можем положить
. Тогда теоретическое значение молярной теплоемкости воздуха при постоянном давлении
а соответствующая удельная теплоемкость
Постановка задачи. Метод измерений и расчетные соотношения
Экспериментально определить удельную теплоемкость воздуха при постоянном давлении методом протока.
Пусть через трубку 1 (рис. 1) течет газ (или жидкость), и при этом через стенки трубки к системе подводится тепло
. Тогда газ при течении через трубку будет нагреваться и его температура на выходе
окажется больше, чем на входе
. Так как канал имеет небольшую длину и достаточно большое сечение, то течение обеспечивается малым перепадом давления газа между входом в трубку и выходом из нее
. Этот перепад давления намного меньше абсолютного значения давления в системе и поэтому можно считать, что течение и нагрев газа происходят при постоянном давлении.
Рис. 1. Схема метода
Тогда для массы
газа, прошедшей через поперечное сечение канала за время
, можно записать:
где
— удельная теплоемкость исследуемого газа при постоянном давлении.
Разделив левую и правую часть этого соотношения на время х, получаем:
где
— тепловая мощность, поступающая к газу через стенки трубки;
— массовый расход газа (масса газа, проходящая через поперечное сечение канала за одну секунду);
— разность температур газа на выходе из трубки и входе в нее.
В данной работе нагрев газа осуществляется электрическим током, проходящим по нихромовой проволоке 2 (рис. 1), намотанной на трубку 1. Если систему поместить в теплонепроницаемую (адиабатную) оболочку 3, то электрическая мощность, выделяемая в проволоке, пойдет только на нагрев газа. Тогда удельная теплоемкость газа может быть рассчитана по формуле
здесь значения
,
и
определяются экспериментально.
Для повышения точности измерений необходимо один и тот же режим повторить несколько раз. Однако в подобных экспериментах, когда одновременно строго устанавливаются и поддерживаются несколько режимных параметров, такое повторение оказывается затруднительным. Поэтому будем проводить опыты при существенно различных подводимых к системе мощностях
, выдерживая постоянным расход
, что не представляет сложностей. Тогда при различных
газ будет нагреваться на разные
.
Рис. 2. Линейная аппроксимация зависимости
Поскольку теплоемкость
идеального газа не зависит от температуры, а расход
поддерживается постоянным, то в соответствии с (11)
и
прямо пропорциональны. Следовательно, построив график зависимости
, мы вправе использовать линейную аппроксимацию этой зависимости (рис. 2), проводя усредняющую прямую по экспериментальным точкам. При этом коэффициент пропорциональности
между
и
есть произведение
. Коэффициент
этой аппроксимации можно легко определить графически по соотношению
Тогда удельная теплоемкость газа рассчитывается по формуле
2. Описание экспериментальной установки
Экспериментальный стенд выполнен в виде стандартного модуля, внутри которого смонтирована установка с линиями коммуникаций, а на лицевой панели — измерительные приборы, элементы системы включения и управления.
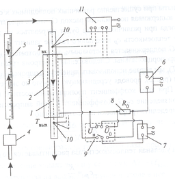
Схема установки представлена на рис. 3. Рабочий участок в виде трубки 1 цилиндрического сечения с намотанным на него нагревателем 2 из нихромовой проволоки, помещен в адиабатную оболочку 3. Наличие адиабатной оболочки позволяет считать, что практически вся мощность, выделяемая в нагревателе, идет на нагрев прокачиваемого через трубку газа. Газ (воздух) прокачивается с помощью компрессора 4. Расход газа измеряется поплавковым расходомером (ротаметром) 5, измерения с которого снимаются в делениях, а затем пересчитываются на массовый расход с помощью формул, представленных на установке в соответствии с паспортными данными прибора.
Включение нагревателя и регулировка мощности осуществляется источником питания постоянного тока 6, установленного на лицевой панели модуля. При этом электрическая мощность равна
где
— напряжение, подводимое к нагревателю;
— сила тока через нихромовую проволоку нагревателя.
Рис. 3. Схема установки
Напряжение
измеряется с помощью вольтметра 7, который вынесен за пределы модуля и подключается к схеме с помощью внешних проводов через клеммы, расположенные на лицевой панели. Последовательно с нагревателем включен резистор 8 (образцовое сопротивление) с малым сопротивлением
. В этом случае сила тока через нагреватель измеряется по падению напряжения на этом сопротивлении и рассчитывается по формуле
где
— падение напряжения на образцовом сопротивлении
.
Напряжение
также измеряется вольтметром 7 при переключении тумблера 9, установленного на лицевой панели в положение
.
Температуры воздуха на входе
и выходе
из трубки измеряются с помощью термоэлектрических датчиков 10 (хромель-копелевые термопары), электрический сигнал от которых преобразуется и высвечивается на дисплее измерителя температуры 11 в градусах Цельсия. Измеритель 11 также установлен на лицевой панели модуля.
В предположении, что вся электрическая мощность идет на нагрев газа, и исходя из соотношений (11) и (13), можно записать
Здесь
,
,
,
— измеряемые в опытах величины.
3. Порядок выполнения работы
-
Заполните таблицу спецификации измерительных приборов. Запишите в протокол данные установки, а также необходимые параметры и соотношения для расчета массового расхода воздуха.
-
Подключите вольтметр с помощью внешних проводов к разъемам, расположенным на лицевой панели модуля.
-
Поверните ручки регулятора напряжения источника питания против часовой стрелки до упора. Установите переключатель режима измерения в положение
. -
Включите питание установки, нажав клавишу СЕТЬ. Включите измеритель температуры (ИТ) тумблером ВКЛ.
-
Включите компрессор, обеспечив расход воздуха через трубку.
-
Включите источник питания. С помощью ручки ГРУБО установите напряжение на нагревателе
. Значение напряжения
контролируйте с помощью выносного вольтметра. -
При достижении стационарного режима (не менее 10 мин после включения нагревателя и задания
) запишите в табл. 2 показания вольтметра
и
, а также показания расходомера в делениях. Во всех опытах расход не изменяется. -
Запишите показания температуры
(на панели ИТ горит светодиод I) и
(горит светодиод II). Для переключения режимов измерения температуры нужно последовательно нажимать кнопку
-
Повторите пункты 7 и 8, устанавливая последовательно значения
, близкие к 4, 5, 6 и 7 В. Результаты измерений запишите в табл. 2. -
Поверните ручку ГРУБО на источнике питания против часовой стрелки до упора и отключите источник.
-
Не менее чем через 20 мин после окончания измерений отключите компрессор и измеритель температуры.
-
Отключите установку, нажав клавишу СЕТЬ на лицевой панели модуля.
Таблица 1
Характеристики
Тип файла документ
Документы такого типа открываются такими программами, как Microsoft Office Word на компьютерах Windows, Apple Pages на компьютерах Mac, Open Office - бесплатная альтернатива на различных платформах, в том числе Linux. Наиболее простым и современным решением будут Google документы, так как открываются онлайн без скачивания прямо в браузере на любой платформе. Существуют российские качественные аналоги, например от Яндекса.
Будьте внимательны на мобильных устройствах, так как там используются упрощённый функционал даже в официальном приложении от Microsoft, поэтому для просмотра скачивайте PDF-версию. А если нужно редактировать файл, то используйте оригинальный файл.
Файлы такого типа обычно разбиты на страницы, а текст может быть форматированным (жирный, курсив, выбор шрифта, таблицы и т.п.), а также в него можно добавлять изображения. Формат идеально подходит для рефератов, докладов и РПЗ курсовых проектов, которые необходимо распечатать. Кстати перед печатью также сохраняйте файл в PDF, так как принтер может начудить со шрифтами.
















