В.В. Дуркин - Аналоговые электронные устройства - Конспект лекций (1267369), страница 7
Текст из файла (страница 7)
Рис.2.14. Схемы генераторов стабильного тока: а – с диодным смещением; б – с диодным смещением на трех транзисторах; в – с резисторным смещением
аиболее распространенными функциональными элементами, служащими для задания и стабилизации режима в аналоговых ИМС, являются генераторы стабильного тока (ГСТ). ГСТ должен обеспечивать стабильный ток, независящий от параметров цепи (температуры, изменения напряжения питания и нагрузки), т.е. в идеале он должен обладать бесконечно большим динамическим (по переменному току) выходным сопротивлением. Для реализации ГСТ в микросхемах обычно используют два и более транзисторов, параметры которых идентичны. На рис. 2.14, а приведена схема ГСТ, которая нашла большое применение в аналоговых ИМС.
Так как транзистор VT1 включен как диод, то напряжения база-эмиттер транзисторов VT1 и VT2 будут совпадать. Поскольку эти транзисторы – интегральные (имеющие
и незначительный разброс параметров), то отношение их эмиттерных, а значит, и коллекторных токов будет равно отношению площадей их эмиттерных областей:
Пренебрегая токами баз и вводя обозначение
, получим
. На практике k выбирают в диапазоне 1…5. Таким образом, ток
следит за током
и точно отображает любое его изменение. Поэтому данная схема получила название токовое зеркало.
Поскольку VT1 используются в диодном включении, то ток I1 можно застабилизировать с требуемой точностью путем задания его с помощью внешних элементов: источника питания
и резистора
. Из схемы на рис. 2.14 следует, что
При изменении температуры
Таким образом, подбирая нужное значение
, можно обеспечить требуемую стабильность
, значит и
. Данная схема позволяет достичь температурной стабильности порядка 5 %.
Если транзисторы VT1 и VT2 имеют идентичную геометрию (т.е. k=1), то учет базовых токов
и
приводит к соотношению
или
Значит, даже при полной стабильности опорного тока
, ток ГСТ
будет меняться за счет изменения базовых токов.
Температурную стабильность ГСТ можно повысить, если вместо двух транзисторов использовать три (рис. 2.14, б).
В этой схеме ток базы VT2 вначале вычитается из опорного тока
, а затем возвращается в базу опорного транзистора VT1, тем самым поддерживая на постоянном уровне токи
и
при изменениях базового тока. Напряжение база-эмиттер VT3 фиксирует смещение опорного транзистора VT1, который в свою очередь стабилизирует уровень тока VT2. Как показывает анализ схемы:
При
и разбросе параметров не более 20% отличие
от
не превышает 0,5%. Кроме того, данная схема имеет более высокое выходное сопротивление, чем схема на рис. 2.14, а.
Недостатком схем с диодным смещением является ограниченность отношения площадей эмиттеров транзисторов (
). Поэтому при k>5 желательно применять схему с резисторным смещением (рис. 2.13, в), в которой для фиксации токов используется отношение сопротивлений, а не площадей эмиттеров.
Пренебрегая током базы VT2, получим
или
Из (2.44) следует
Из (2.46) следует, что отношение токов можно варьировать в широких пределах (до двух порядков) независимо от температуры с ошибкой до 10%.
Схема имеет более высокое выходное сопротивление, чем схема на рис. 2.13, а, так как за счет резистора
в транзисторе VT2 возникает ООС по току.
Если требуется получить низкое значение тока ГСТ
при больших значениях опорного тока, то надо в схеме с резисторным смещением исключить резистор
(
=0). В этом случае
и если геометрии VT1 и VT2 идентичны, то VT2 работает при более низком токе, чем VT1, т.е.
<
.
3. Каскады предварительного усиления
3.1. Особенности каскадов предварительного усиления
Назначение каскадов предварительного усиления (КПУ) – повышение уровня входного сигнала до значения, при котором обеспечивается нормальное возбуждение мощного выходного каскада. Поэтому основным параметром КПУ является коэффициент усиления, а такие параметры как КПД, выходная мощность и нелинейные искажения не являются определяющими.
Основной режим работы КПУ – режим А.
Так как КПУ работают с низкими уровнями сигналов, то их можно считать линейными устройствами и для их анализа использовать соответствующие методы (разд. 3 в [1]): узловых потенциалов; четырехполюсника; операторный и др.
Усилители гармонических сигналов (разд. 1 в [1]) работают в установившемся (стационарном) режиме. Целью анализа этих усилителей является нахождение уравнений АЧХ и ФЧХ, которые позволяют предъявить требования к элементам КПУ, исходя из допустимого уровня частотных и фазовых искажений и необходимого коэффициента усиления.
В импульсных усилителях основным методом анализа является операторный метод (разд. 3.3 в [1]). Его цель – получение уравнения переходной характеристики и на основании этого уравнения – предъявление требований к элементам усилителя, исходя из допустимого уровня переходных искажений.
В усилителях на БТ в основном используется схема включения ОЭ, так как она обеспечивает усиление как по току, так и по напряжению. От нее можно получить максимальное усиление мощности. Схема ОК применяется либо в выходных каскадах, работающих на низкоомную нагрузку (кабель, громкоговоритель, большая емкость) или на входе усилительного устройства, при работе от высокоомного источника сигнала. Если же источник сигнала имеет низкое сопротивление, то в качестве входного каскада имеет смысл применить схему с ОБ. Аналогичные замечания можно сделать и об областях применения ПТ, заменяя ОЭ на ОИ, ОК на ОС и ОБ на ОЗ.
В КПУ используются как усилители постоянного (УПТ), так и переменного тока. УПТ более универсальны, и имеют лучшую форму АЧХ и ФЧХ в области низких частот и ПХ в области больших времен. Однако отсутствие гальванической (по постоянному току) развязок между каскадами усложняет настройку такого усилителя и может привести к появлению значительного дрейфа (разд. 2.8 в [1]) выходного напряжения (тока).
3.2. Резисторный каскад на биполярном транзисторе
3.2.1. Принципиальная и эквивалентная схемы
Достоинством резисторного каскада кроме простоты и малых размеров, является способность создавать равномерное усиление в широкой полосе частот и нечувствительность к воздействию переменных магнитных помех.
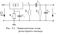
На рис. 3.1 приведена схема резисторного каскада для самого распространенного варианта: схема включения с ОЭ и эмиттерная стабилизация рабочей точки. Штриховыми линиями изображены эквивалентные схемы источника сигнала и нагрузки.
Н
азначение элементов задания и стабилизации режима работы RБ1, RБ2, RЭ и CЭ рассматривалось в разд. 2.6. Конденсаторы CР1 и CР2 осуществляют развязку каскадов по постоянному току, они исключают передачу от одного каскада к другому медленных изменений напряжений, обусловленных нестабильностью режима. Наличие развязки позволяет осуществить питание каскадов от одного источника с предельно низким напряжением.
Д
ля определения качественных показателей каскада, т.е. для нахождения коэффициента усиления, уравнений АЧХ, ФЧХ и ПХ необходимо составить его эквивалентную схему для малого переменного сигнала (рис. 3.2). При составлении этой схемы было сделано допущение о малости сопротивления источника питания переменному току. УЭ заменен линейным активным трехполюсником, свойства которого описываются у- матрицей (разд. 4.1.3 в [1]).
Э
лементы RН, СН имитируют входное сопротивление следующего каскада. Качественные показатели каскада оцениваются передаточной функцией:
, поэтому в эквивалентную схему не вошли элементы RБ1, RБ2, СР1, RГ, которые не влияют на эту функцию (напряжение U1 приложено непосредственно к базовому выводу УЭ). Анализ схемы на рис. 3.2 вызывает серьезные затруднения в виду её сложности. Поэтому, как правило, работают с частными эквивалентными схемами, которые справедливы для определенных областей частот (рис. 3.3).
Естественно, что анализ таких частотных схем, позволяет получить расчетные соотношения, которые справедливы только для конкретного диапазона частот.
В области средних частот выходное напряжение, а значит и коэффициент передачи не зависит от частоты, т.е. эквивалентная схема не должна содержать реактивные элементы (рис. 3.3, а). С понижением частоты возрастают сопротивления конденсаторов СР и СЭ и (
и
).
Возрастания сопротивления
вызывает увеличение глубины ООС (последовательной по току) за счет конечного сопротивления переменному току в цепи эмиттера и уменьшение выходного напряжения.
К уменьшению этого напряжения приводит и возрастание сопротивления
, т.к. все большая часть полезного сигнала будет выделяться на этом сопротивлении.
Эквивалентная схема для нижних частот (больших времен) приведена на рис.3.3,б.
В
U1
области верхних частот (малых времен) на форму АЧХ и ПХ оказывают влияние частотные (инерционные) свойства УЭ и ёмкость нагрузки СН (рис.3.3, в).
U1
3.2.2. Область средних частот
Для любого линейного четырёхполюсника коэффициент передачи по напряжению (табл. 4.1 в [1])
где y2 и
– проводимость и сопротивление нагрузки.
Если БТ включен по схеме с ОЭ, то (выражения (4.9)...(4.11) в [1])
















