Отчет по ЛР №14 - Исследование переходных процессов в цепя с одним реактивным элементом (1267063)
Текст из файла
Новосибирский государственный технический университет
Кафедра Общей электроники
Отчёт по лабораторной работе № 14
по ОТЦ
"Исследование переходных процессов в цепях
с одним реактивным элементом"
Факультет: РЭФ
Группа: РТ5-24
Студенты: Доценко С.А.
Воронин К.Е.
Каминский И.В.
Преподаватель: Богданов
Новосибирск – 2004
Цель работы
Научиться экспериментально определять постоянную времени электрических цепей и изучить влияние параметров цепей на характер переходного процесса. Приобрести навыки применения электронного осциллографа для исследования быстропротекающих процессов.
Рабочее задание
-
Исследовать ненагруженные интегрирующую и дифференцирующую цепи.
Определить постоянную времени исследуемой цепи, переходный ток и напряжение.
-
Исследовать нагруженные интегрирующую и дифференцирующую цепи.
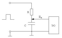
1. Исследование ненагруженной цепи.
Выходные параметры генератора Параметры цепи
| E1 = E2 | tи1 = tи2 | ƒ |
| В | мкс | Гц |
| 2 | 333,3 | 1500 |
| R | C |
| кОм | нФ |
| 2 | 30 |
а) интегрирующая цепь
Осциллограммы
Входной импульс
| Масштаб | |
| мкс/дел | В/дел |
| 100 | 1 |
Переходный процесс
| Масштаб | |
| мкс/дел | В/дел |
| 100 | 1 |
б) дифференцирующая цепь
Осциллограммы
Переходный процесс
| Масштаб | |
| мкс/дел | В/дел |
| 100 | 2 |
Исследование цепи
| Umвх | UR (0) | URпр | UC (0) | UCпр | Rн | ||||||
| мм | В | мм | В | мм | В | мм | В | мм | В | кОм | |
| 1 | 20 | 2 | 20 | 4 | 0 | 0 | -20 | -2 | 20 | 2 | ∞ |
| 2 | 20 | 2 | 13 | 2.5 | 7 | 1.5 | -13 | -1.3 | 13 | 1.3 | 4 |
Расчёты: Определение постоянной времени
по осциллограмме
по известным параметрам цепи
Полученные значения практически совпадают
Выражения для переходного тока в цепи напряжения на конденсаторе
Заряд конденсатора (от –Е2 к +Е1):
А
В
Разряд конденсатора (от +Е1 к –Е2):
А
В
Расчёт переходного тока по известным R и C
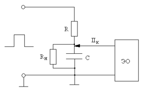
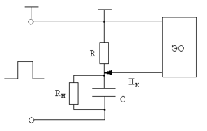
2. Исследование нагруженной цепи.
а) интегрирующая цепь
Переходный процесс uC (t)
| Масштаб | |
| мкс/дел | В/дел |
| 100 | 1 |
б) дифференцирующая цепь
Переходный процесс uR (t)
| Масштаб | |
| мкс/дел | В/дел |
| 100 | 2 |
Расчёты:
Выражения для переходного тока в цепи напряжения на конденсаторе
Заряд конденсатора (от –Е2 к +Е1):
А
Разряд конденсатора (от +Е1 к –Е2):
А
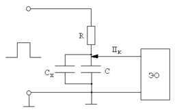
в) ёмкостная нагрузка интегрирующей цепи
Переходный процесс uC (t)
| Масштаб | |
| мкс/дел | В/дел |
| 100 | 1 |
Расчёты:
Определение постоянной времени (по осциллограмме)
Определение ёмкости нагрузки СX
Номинал нагрузочного конденсатора 20пФ
Заключение: выходной импульс ненагруженной интегрирующей цепи имеет амплитуду, равную амплитуде входного импульса цепи (выходного импульса генератора); при подключении нагрузки интегрирующей цепи амплитуда выходного импульса уменьшается пропорционально уменьшению сопротивления нагрузки. Ёмкостная нагрузка позволяет добиться формы выходного импульса интегрирующей цепи близкой к идеальной, т.е. чем больше ёмкость нагрузки, тем больше цепь приближается к идеально интегрирующей.
Характеристики
Тип файла документ
Документы такого типа открываются такими программами, как Microsoft Office Word на компьютерах Windows, Apple Pages на компьютерах Mac, Open Office - бесплатная альтернатива на различных платформах, в том числе Linux. Наиболее простым и современным решением будут Google документы, так как открываются онлайн без скачивания прямо в браузере на любой платформе. Существуют российские качественные аналоги, например от Яндекса.
Будьте внимательны на мобильных устройствах, так как там используются упрощённый функционал даже в официальном приложении от Microsoft, поэтому для просмотра скачивайте PDF-версию. А если нужно редактировать файл, то используйте оригинальный файл.
Файлы такого типа обычно разбиты на страницы, а текст может быть форматированным (жирный, курсив, выбор шрифта, таблицы и т.п.), а также в него можно добавлять изображения. Формат идеально подходит для рефератов, докладов и РПЗ курсовых проектов, которые необходимо распечатать. Кстати перед печатью также сохраняйте файл в PDF, так как принтер может начудить со шрифтами.
















