Отчет по ЛР №14 - Исследование переходных процессов в цепя с одним реактивным элементом (1267060)
Текст из файла
Министерство образования и науки Российской Федерации
Новосибирский Государственный Технический Университет
Отчет к лабораторной работе № 14
по ОТЦ
«Исследование переходных процессов в цепях
с одним реактивным элементом »
Факультет: РЭФ
Группа: РТС9-32
Студенты: Бутич Р.
Ганичева И.
Калашникова В.
Проверил: Афанасьев В.В.
Новосибирск
2005
Цель работы
Научиться экспериментально определять постоянную времени электрических цепей и изучить влияние параметров цепей на характер переходного процесса. Приобрести навыки применения электронного осциллографа для исследования быстропротекающих процессов.
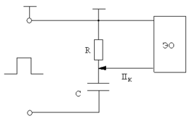
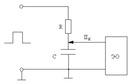
1. Исследование ненагруженной цепи.
Выходные параметры генератора Параметры цепи
| E1 | tи | ƒ |
| В | мс | Гц |
| 2 | 0,275 | 1000 |
| R | C |
| кОм | мкФ |
| 5 | 0,015 |
а) интегрирующая цепь
Осциллограммы
Входной импульс
| Масштаб | |
| мс/дел | В/дел |
| 0,2 | 1 |
Переходный процесс
| Масштаб | |
| мс/дел | В/дел |
| 0,2 | 1 |
б) дифференцирующая цепь
Осциллограммы
Переходный процесс
| Масштаб | |
| мс/дел | В/дел |
| 0,2 | 1 |
Исследование цепи
| Umвх | UR (0) | URпр | UC (0) | UCпр | Rн | ||||||
| мм | В | мм | В | мм | В | мм | В | мм | В | кОм | |
| 1 | 20 | 2 | 19 | 3,5 | 0 | 0 | -20 | -1,9 | 20 | 2 | ∞ |
| 2 | 20 | 2 | 13 | 2.5 | 8 | 1,3 | -13 | -1.4 | 13 | 1.3 | 10 |
Расчёты: Определение постоянной времени
по осциллограмме
по известным параметрам цепи
Полученные значения практически совпадают
Выражения для переходного тока в цепи напряжения на конденсаторе
Заряд конденсатора (от –Е2 к +Е1):
А
В
Разряд конденсатора (от +Е1 к –Е2):
А
В
Расчёт переходного тока по известным R и C
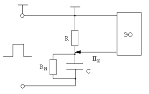
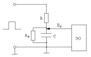
2. Исследование нагруженной цепи.
а) интегрирующая цепь
Переходный процесс uC (t)
| Масштаб | |
| мс/дел | В/дел |
| 0,2 | 1 |
б) дифференцирующая цепь
Переходный процесс uR (t)
| Масштаб | |
| мс/дел | В/дел |
| 0,2 | 1 |
Расчёты:
Выражения для переходного тока в цепи напряжения на конденсаторе
Заряд конденсатора (от –Е2 к +Е1):
А
Разряд конденсатора (от +Е1 к –Е2):
А
Вывод: выходной импульс ненагруженной интегрирующей цепи имеет амплитуду, равную амплитуде входного импульса цепи (выходного импульса генератора); при подключении нагрузки интегрирующей цепи амплитуда выходного импульса уменьшается пропорционально уменьшению сопротивления нагрузки.
Характеристики
Тип файла документ
Документы такого типа открываются такими программами, как Microsoft Office Word на компьютерах Windows, Apple Pages на компьютерах Mac, Open Office - бесплатная альтернатива на различных платформах, в том числе Linux. Наиболее простым и современным решением будут Google документы, так как открываются онлайн без скачивания прямо в браузере на любой платформе. Существуют российские качественные аналоги, например от Яндекса.
Будьте внимательны на мобильных устройствах, так как там используются упрощённый функционал даже в официальном приложении от Microsoft, поэтому для просмотра скачивайте PDF-версию. А если нужно редактировать файл, то используйте оригинальный файл.
Файлы такого типа обычно разбиты на страницы, а текст может быть форматированным (жирный, курсив, выбор шрифта, таблицы и т.п.), а также в него можно добавлять изображения. Формат идеально подходит для рефератов, докладов и РПЗ курсовых проектов, которые необходимо распечатать. Кстати перед печатью также сохраняйте файл в PDF, так как принтер может начудить со шрифтами.
















