Отчет по ЛР №7 - Согласование нагрузки с источником (1267043)
Текст из файла
Новосибирский государственный технический университет
Кафедра Общей электротехники
Отчёт по лабораторной работе № 7
по ОТЦ
"Согласование нагрузки с источником"
Факультет: РЭФ
Группа: РТ 5-44
Студенты: Пургин Д.В.
Кокарев В.А.
Преподаватель: Давыденко О.Б.
Новосибирск – 2006
Цель работы
Исследовать вопрос передачи энергии от активного двухполюсника к пассивному (от источника к нагрузке) при согласованном и несогласованном режимах работы цепи. Уяснить вопрос согласования нагрузки с внутренним сопротивлением источника.
Рабочее задание
-
Собрать цепь, настроить цепь на резонанс. Исследовать цепь, настроенную на резонанс.
-
Нарушить условие согласования, изменив частоту генератора. Повторить опыты по исследованию цепи.
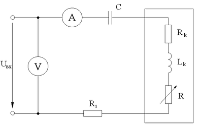
1. Исследование цепи, настроенной на резонанс.
Исходные данные
| Uвх | C | Ri | Rk | Lk | ƒ0 |
| В | мкФ | Ом | Ом | Гн | kГц |
| 0.1 |
Таблица измерений
| Измерено | Вычислено | ||||||
| R | Rн = R + Rk | Ui | I | Pн | Pi | P | η |
| Ом | Ом | B | мА | мВт | мВт | мВт | - |
| 0 | |||||||
| 100 | |||||||
| 200 | |||||||
| 300 | |||||||
| 400 | |||||||
| 465 | |||||||
| 500 | |||||||
| 600 | |||||||
| 700 | |||||||
| 800 | |||||||
| 900 | |||||||
| 1000 | |||||||
2. Исследование несогласованной цепи.
Исходные данные
| Uвх | C | Ri | Rk | Lk | ƒ0 |
| В | мкФ | Ом | Ом | Гн | kГц |
| 0.1 | 500 |
Таблица измерений
| Измерено | Вычислено | ||||||
| R | Rн = R + Rk | Ui | I | Pн | Pi | P | η |
| Ом | Ом | B | мА | мВт | мВт | мВт | - |
| 0 | |||||||
| 100 | |||||||
| 200 | |||||||
| 300 | |||||||
| 400 | |||||||
| 465 | |||||||
| 500 | |||||||
| 600 | |||||||
| 700 | |||||||
| 800 | |||||||
| 900 | |||||||
| 1000 | |||||||
Характеристики
Тип файла документ
Документы такого типа открываются такими программами, как Microsoft Office Word на компьютерах Windows, Apple Pages на компьютерах Mac, Open Office - бесплатная альтернатива на различных платформах, в том числе Linux. Наиболее простым и современным решением будут Google документы, так как открываются онлайн без скачивания прямо в браузере на любой платформе. Существуют российские качественные аналоги, например от Яндекса.
Будьте внимательны на мобильных устройствах, так как там используются упрощённый функционал даже в официальном приложении от Microsoft, поэтому для просмотра скачивайте PDF-версию. А если нужно редактировать файл, то используйте оригинальный файл.
Файлы такого типа обычно разбиты на страницы, а текст может быть форматированным (жирный, курсив, выбор шрифта, таблицы и т.п.), а также в него можно добавлять изображения. Формат идеально подходит для рефератов, докладов и РПЗ курсовых проектов, которые необходимо распечатать. Кстати перед печатью также сохраняйте файл в PDF, так как принтер может начудить со шрифтами.
















