Отчет по ЛР №7 - Согласование нагрузки с источником (1267041)
Текст из файла
Новосибирский государственный технический университет
Кафедра Общей электротехники
Отчёт по лабораторной работе № 7
по ОТЦ
"Согласование нагрузки с источником"
Факультет: РЭФ
Группа: РТ 5-44
Студенты: Пургин Д.В.
Кокарев В.А.
Мошкин К.А.
Преподаватель: Давыденко О.Б.
Новосибирск – 2006
Цель работы
Исследовать вопрос передачи энергии от активного двухполюсника к пассивному (от источника к нагрузке) при согласованном и несогласованном режимах работы цепи. Уяснить вопрос согласования нагрузки с внутренним сопротивлением источника.
Рабочее задание
-
Собрать цепь, настроить цепь на резонанс. Исследовать цепь, настроенную на резонанс.
-
Нарушить условие согласования, изменив частоту генератора. Повторить опыты по исследованию цепи.
1. Исследование цепи, настроенной на резонанс.
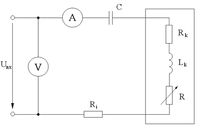
Исходные данные:
| Uвх | C | Ri | Rk | Lk | ƒ0 |
| В | мкФ | Ом | Ом | Гн | kГц |
| 5 | 0.1 | 500 | 35.4 | 10.2 | 5 |
Таблицы измерений и результаты вычислений:
Таблица 1: значения тока даны при частоте 5 кГц
| Измерено | Вычислено | |||||
| R | RH=R+RK | I | PH | Pi | P | η |
| Ом | Ом | мА | мВт | мВт | мВт | % |
| 0 | 35.4 | 9,81 | 3,09 | 48,12 | 51,21 | 6,03 |
| 100 | 135.4 | 8,42 | 8,38 | 35,45 | 43,83 | 19,13 |
| 200 | 235.4 | 7,51 | 10,88 | 28,20 | 39,08 | 27,84 |
| 300 | 335.4 | 6,69 | 12,01 | 22,38 | 34,39 | 34,93 |
| 400 | 435.4 | 5,65 | 12,44 | 15,96 | 28,40 | 43,80 |
| 465 | 500 | 5,01 | 12,50 | 12,55 | 25,05 | 49,90 |
| 500 | 535.4 | 4,82 | 12,49 | 11,62 | 24,10 | 51,80 |
| 600 | 635.4 | 4,56 | 12,32 | 10,40 | 22,72 | 54,24 |
| 700 | 735.4 | 4,29 | 12,05 | 9,20 | 21,25 | 56,69 |
| 800 | 835.4 | 4,01 | 11,71 | 8,04 | 19,75 | 59,29 |
| 900 | 935.4 | 3,75 | 11,35 | 7,03 | 18,38 | 61,75 |
| 1000 | 1035.4 | 3,54 | 10,98 | 6,27 | 17,25 | 63,67 |
Расчёты с использованием математического пакета MathCAD 13:
Графики полученных зависимостей:
Зависимость PH(I):
Зависимость P(I):
Зависимость Pi(I):
Зависимость η(I):
Вывод: при резонансной частоте максимальная мощность выделяется на согласованной нагрузке (Rk + R = Ri).
2. Исследование несогласованной цепи.
Исходные данные:
| Uвх | C | Ri | Rk | Lk | ƒ0 |
| В | мкФ | Ом | Ом | Гн | kГц |
| 5 | 0.1 | 500 | 35.4 | 10.2 | 3 |
Таблица 2: значения тока даны при частоте 3 кГц
| Измерено | Вычислено | |||||
| R | RH=R+RK | I | PH | Pi | P | η |
| Ом | Ом | мА | мВт | мВт | мВт | % |
| 0 | 35,4 | 9,29 | 3,09 | 43,15 | 46,24 | 6,68 |
| 100 | 135,4 | 7,92 | 8,38 | 31,36 | 39,75 | 21,09 |
| 200 | 235,4 | 6,78 | 10,88 | 22,98 | 33,87 | 32,13 |
| 300 | 335,4 | 5,81 | 12,01 | 16,88 | 28,89 | 41,58 |
| 400 | 435,4 | 5,24 | 12,44 | 13,73 | 26,17 | 47,54 |
| 465 | 500 | 4,99 | 12,50 | 12,45 | 24,95 | 50,10 |
| 500 | 535,4 | 4,79 | 12,49 | 11,47 | 23,96 | 52,11 |
| 600 | 635,4 | 4,46 | 12,32 | 9,95 | 22,27 | 55,34 |
| 700 | 735,4 | 4,11 | 12,05 | 8,45 | 20,49 | 58,78 |
| 800 | 835,4 | 3,82 | 11,71 | 7,30 | 19,01 | 61,61 |
| 900 | 935,4 | 3,51 | 11,35 | 6,16 | 17,51 | 64,82 |
| 1000 | 1035,4 | 3,26 | 10,98 | 5,31 | 16,29 | 67,39 |
Расчёты с использованием математического пакета MathCAD 13:
Графики полученных зависимостей:
Зависимость PH(I):
Зависимость P(I):
Зависимость Pi(I):
Зависимость η(I):
Вывод: при частоте меньшей, чем резонансная, максимальная мощность смещается в сторону увеличения сопротивления нагрузки, при этом КПД передачи уменьшается.
Заключение: для получения наибольшей мощности, выделяющейся на нагрузке, и наибольшего КПД передачи, необходимо выполнить два условия:
1) частота генератора должна совпадать с резонансной частотой цепи (XL = XC);
2) нагрузка должна быть согласованной (Rk + R = Ri).
Характеристики
Тип файла документ
Документы такого типа открываются такими программами, как Microsoft Office Word на компьютерах Windows, Apple Pages на компьютерах Mac, Open Office - бесплатная альтернатива на различных платформах, в том числе Linux. Наиболее простым и современным решением будут Google документы, так как открываются онлайн без скачивания прямо в браузере на любой платформе. Существуют российские качественные аналоги, например от Яндекса.
Будьте внимательны на мобильных устройствах, так как там используются упрощённый функционал даже в официальном приложении от Microsoft, поэтому для просмотра скачивайте PDF-версию. А если нужно редактировать файл, то используйте оригинальный файл.
Файлы такого типа обычно разбиты на страницы, а текст может быть форматированным (жирный, курсив, выбор шрифта, таблицы и т.п.), а также в него можно добавлять изображения. Формат идеально подходит для рефератов, докладов и РПЗ курсовых проектов, которые необходимо распечатать. Кстати перед печатью также сохраняйте файл в PDF, так как принтер может начудить со шрифтами.
















