Задание на КП (1266963)
Текст из файла
ЗАДАНИЕ НА КУРСОВУЮ РАБОТУ
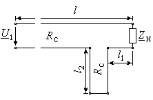
Высокочастотный генератор мощностью Рг с внутренним сопротивлением Rг, работающий на частоте fг, связан с приемником энергии отрезком радиочастотного кабеля длиной l. Приемник энергии представлен сосредоточенным пассивным двухполюсником с комплексным сопротивлением
. В соответствии с вариантом задания (табл. 1), определяемым номером фамилии студента в групповом журнале и номером n группы (без первой цифры), требуется:
-
Выбрать марку радиочастотного кабеля, исходя из заданных значений параметров генератора. Критерий выбора – минимальное значение расчётной массы 1 км кабеля. Привести эскиз конструкции выбранного кабеля с указанием размеров его элементов, а также параметры и частотные характеристики.
-
Подобрать модели генератора, отрезка кабеля и приёмника энергии (нагрузка кабеля) и определить значения их параметров.
-
Рассчитать распределения действующих значений или огибающих напряжения и тока вдоль нагруженного отрезка кабеля и построить их графики на интервале [0, l].
-
Рассчитать распределения составляющих комплексного сопротивления или проводимости (в зависимости от способа последующего согласования) вдоль нагруженного отрезка кабеля и построить их графики на интервале [0, l].
-
Рассчитать распределения активной и реактивной мощностей вдоль отрезка кабеля на интервале [0, l] и построить их графики. Сравнить значения активной мощности, отдаваемой генератором, и активной мощности, потребляемой нагрузкой кабеля. Сопоставьте их со значением мощности генератора Рг.
-
Рассчитать значения параметров элементов согласующего устройства (рис. 1 – 9, на которых комплексная проводимость
). -
Найти значения параметров элементов согласующего устройства по диаграмме полных сопротивлений (проводимостей) и описать порядок их определения с соответствующими графическими построениями.
-
Рассчитать распределения действующих значений напряжения и тока вдоль согласованного участка отрезка кабеля и элементов согласующего устройства и построить их графики.
-
Рассчитать распределения вещественной и мнимой составляющих сопротивления (проводимости) вдоль согласованного участка отрезка кабеля и элементов согласующего устройства и построить графики.
-
Рассчитать распределения активной и реактивной мощностей вдоль согласованного участка отрезка кабеля и элементов согласующего устройства и построить их графики. Сравнить значения активной мощности, отдаваемой генератором, и активной мощности, потребляемой нагрузкой кабеля. Сопоставьте их со значением мощности генератора Рг.
Таблица 1.
Варианты задания на курсовую работу
| №№ п/п | Рг | Rг | fг | l/ | Zн | Номер рисунка согласующего устройства |
| Вт | Ом | МГц | отн. ед. | Ом | ||
| | 50 | 50 | 950/n | 0.60 | 30 – j40 | |
| | 55 | 75 | 900/n | 0.70 | 30 + j40 | |
| | 60 | 50 | 850/n | 0.80 | 45 – j45 | |
| | 10 | 75 | 800/n | 0.90 | 45 + j45 | |
| | 15 | 50 | 1000/n | 0.65 | 40 + j30 | |
| | 20 | 75 | 1050/n | 0.75 | 40 – j30 | |
| | 25 | 50 | 1100/n | 0.80 | 60 – j30 | |
| | 30 | 75 | 1150/n | 0.95 | 60 + j30 | |
| | 35 | 50 | 1200/n | 1.05 | 70 – j50 | |
| | 40 | 75 | 1250/n | 1.15 | 70 + j50 | 1 |
| | 45 | 50 | 1300/n | 1.25 | 80 + j60 | 2 |
| | 50 | 75 | 1350/n | 1.35 | 80 – j60 | 3 |
| | 55 | 50 | 1400/n | 1.30 | 30 – j40 | 4 |
| | 60 | 75 | 1450/n | 1.20 | 30 + j40 | 5 |
| | 10 | 50 | 1500/n | 1.10 | 45 – j45 | 6 |
| | 15 | 75 | 1550/n | 0.60 | 45 + j45 | 7 |
| | 20 | 50 | 1600/n | 0.70 | 40 + j30 | 8 |
| | 25 | 75 | 1650/n | 0.80 | 40 – j30 | 9 |
| | 30 | 50 | 1700/n | 0.90 | 60 – j30 | 1 |
| | 35 | 75 | 1750/n | 0.65 | 60 + j30 | 2 |
| | 40 | 50 | 1800/n | 0.75 | 70 – j50 | 3 |
| | 45 | 75 | 1850/n | 0.80 | 70 + j50 | 4 |
| | 50 | 50 | 1900/n | 0.95 | 80 + j60 | 5 |
| | 55 | 75 | 1950/n | 1.05 | 80 – j60 | 6 |
| | 60 | 50 | 2000/n | 1.15 | 45 + j45 | 7 |
| | 10 | 75 | 2050/n | 1.25 | 40 + j30 | 8 |
| | 15 | 50 | 2100/n | 1.35 | 40 – j30 | 9 |
| | 20 | 75 | 2150/n | 1.30 | 60 – j30 | 1 |
| | 25 | 50 | 2200/n | 1.20 | 60 + j30 | 2 |
| | 30 | 75 | 2250/n | 1.10 | 70 – j50 | 3 |
Схемы согласования нагрузки с отрезком радиочастотного кабеля
| | |
| Рис. 1. Согласование четвертьволновым трансформатором | |
| | |
| Рис. 2. Согласование четвертьволновым трансформатором и последовательным короткозамкнутым шлейфом. | Рис. 3. Согласование четвертьволновым трансформатором и последовательным разомкнутым шлейфом. |
| | |
| Рис. 4. Согласование четвертьволновым трансформатором и параллельным разомкнутым шлейфом. | Рис. 5. Согласование четвертьволновым трансформатором и параллельным замкнутым шлейфом. |
| | |
| Рис. 6. Согласование последовательным короткозамкнутым шлейфом. | Рис. 7. Согласование последовательным разомкнутым шлейфом. |
| | |
| Рис. 8. Согласование параллельным разомкнутым шлейфом. | Рис. 9. Согласование параллельным короткозамкнутым шлейфом. |
МЕТОДИЧЕСКИЕ УКАЗАНИЯ
Существует, казалось бы, заколдованный круг, из которого нет выхода: нельзя сделать никакую работу без ясного понимания, но ясное понимание возникает только в конце работы и то не всегда. Стремление сначала понять всё, а потом уж работать – очень частая причина неудач.
Акад. А.Б.Мигдал
1. Выбор марки радиочастотного кабеля
Марку радиочастотного кабеля выбирают по сборнику государственных стандартов ГОСТ 11326.1 - 79 – ГОСТ 11326.92 - 79 "Кабели радиочастотные", исходя из заданных значений параметров генератора: мощности Рг, частоты fг и сопротивления Rг. Для справки: Волновое сопротивление типичного коаксиального кабеля лежит в пределах 50 – 100 Ом, в то время как, например, для линии с параллельными проводниками его значения находятся в диапазоне 300 – 1000 Ом.
Для уменьшения трудоёмкости данной курсовой работы ограничимся здесь согласованием отрезка кабеля только с его нагрузкой (), в результате которого отрезок кабеля окажется согласованным и с генератором и с нагрузкой. Это, очевидно, возможно лишь в тех случаях, когда значения волнового сопротивления кабеля и сопротивления генератора (в зависимости от варианта – 50 либо 75 Ом) одинаковы.
Выбранный кабель (соответственно, РК - 50 или РК - 75) на частоте fг должен пропускать заданное значение мощности генератора. Забегая несколько вперёд отметим, что в этой работе отрезок кабеля моделируется отрезком однородной линии той же длины, характеристическое сопротивление Rc которой равно волновому сопротивлению кабеля.
Характеристики
Тип файла документ
Документы такого типа открываются такими программами, как Microsoft Office Word на компьютерах Windows, Apple Pages на компьютерах Mac, Open Office - бесплатная альтернатива на различных платформах, в том числе Linux. Наиболее простым и современным решением будут Google документы, так как открываются онлайн без скачивания прямо в браузере на любой платформе. Существуют российские качественные аналоги, например от Яндекса.
Будьте внимательны на мобильных устройствах, так как там используются упрощённый функционал даже в официальном приложении от Microsoft, поэтому для просмотра скачивайте PDF-версию. А если нужно редактировать файл, то используйте оригинальный файл.
Файлы такого типа обычно разбиты на страницы, а текст может быть форматированным (жирный, курсив, выбор шрифта, таблицы и т.п.), а также в него можно добавлять изображения. Формат идеально подходит для рефератов, докладов и РПЗ курсовых проектов, которые необходимо распечатать. Кстати перед печатью также сохраняйте файл в PDF, так как принтер может начудить со шрифтами.
















