Шпоры (1266773), страница 7
Текст из файла (страница 7)
Так как входное сопротивление контура при резонансе
активное, то в энергетическом смысле генератор поставляет активную мощность, расходуемую активном сопротивлении R.
Если бы контур не имел потерь (R = 0), то генератор в стационарном режиме оказался бы ненужным, колебания происходили бы в контуре за счет первоначально внесенной энергии.
Выше было введено понятие добротности контура
Таким образом, добротность контура определяется отношением максимальной энергии, запасаемой в реактивных элементах к энергии
, расходуемой в сопротивлении R за период
.
Частотные характеристики последовательного колебательного контура
При неизменных E, L, C, R зависимость тока от частоты
Безразмерное отношение
выражает закон изменения амплитуды тока в контуре при изменении частоты (АЧХ) для всех возможных соотношений между X и R и называется предельной нормированной частотной характеристикой контура.
а б
1.1.1.Рис. 53
фазочастотная характеристика контура.
Графики функций
и
приведены на рис.53.
Часто при построении частотных характеристик пользуются нормированными аргументами, например относительной частотой o. Тогда, для различных соотношений между R и получим два семейства кривых (рис.54):
а б
Рис.54
-
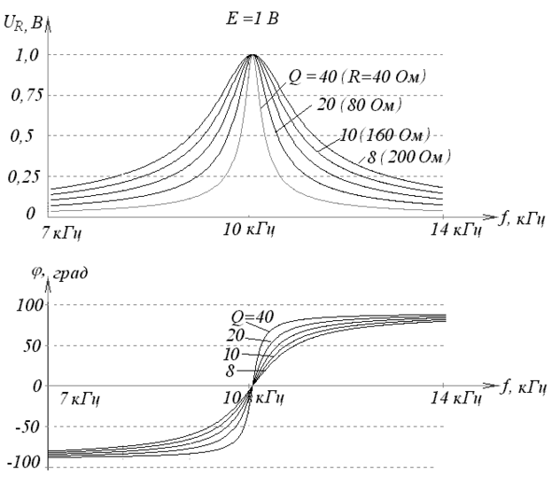
На рис.55 представлены кривые частотной зависимости напряжения на сопротивлении контура и фазочастотная характеристика при неизменном характеристическом сопротивлении (L=20 мГн, С=10 нФ, Е=1 В).
Рис.55
-
Напряжения на реактивных элементах:
Графики частотной зависимости напряжений
и
для контура с параметрами L=20 мГн, С=10 нФ, Е=1 В при различных активных сопротивлениях приведены на рис.56.
Рис.56
Из приведенных графиков следует, что при малых добротностях (больших сопротивлениях потерь) максимумы напряжений на индуктивности и емкости сдвинуты по отношению к резонансной частоте (частоте, на которой
=
= QE) на некоторую величину, определяемую резонансной частотой и добротностью контура. Исследуя выражения напряжений на индуктивности и емкости на экстремум, получим следующие формулы для частот:
При больших добротностях можно считать, что максимумы напряжений на индуктивности и емкости совпадают с резонансной частотой.
Рис.57
На рис.57 приведены графики зависимости тока, напряжений на индуктивности и емкости, а также индуктивного и емкостного сопротивлений от частоты для контура с параметрами L=20 мГн, С=10 нФ, R=800 Ом.
Из графиков следует, что при отходе от резонансной частоты влево ток вблизи резонанса изменяется медленно, а сопротивление емкости растет значительно быстрее, следовательно, напряжение на емкости, равное произведению тока на сопротивление становится больше чем
.
При дальнейшем уменьшении частоты ток уменьшается быстрее, чем увеличивается сопротивление конденсатора, и напряжение на емкости начинает уменьшаться, стремясь к напряжению источника э. д. с.
При отходе от резонансной частоты вправо сопротивление индуктивности растет быстрее, чем уменьшается ток, и напряжение на индуктивности сначала увеличивается, становясь больше
, а затем уменьшается до величины напряжения источника э .д. с.
Очевидно, что чем меньше добротность контура, тем дальше отстоят максимумы напряжений на L и C от резонансной частоты.
В радиотехнике часто приходится иметь дело с малыми расстройками сигнала от резонансной частоты контура
. Тогда
Действительно,
Графики этих функций с большой точностью совпадают с графиками
и
в полосе частот около резонансной частоты.
Входные частотные характеристики последовательного контура
Комплексное входное сопротивление контура
Зависимость модуля комплексного входного сопротивления от частоты называется входной амплитудно-частотной характеристикой, а зависимость фазы от частоты входной фазочастотной характеристикой контура.
Входная ФЧХ
. В области малых расстроек
1.1.2.Рис.58
Полоса пропускания последовательного контура
Полосой пропускания контура называют интервал частот, на границах которого амплитуда тока снижается до уровня
от резонансного значения (рис.59).
Рис.59
На границах полосы пропускания
и
, т.е. в пределах полосы пропускания ФЧХ изменяется от
на
до
на
.
-
Передаточные функции последовательного контура
Комплексная передаточная функция по напряжению при выходном напряжении на ёмкости (рис.60, а)
а б
Рис.60
Аналогично, комплексная передаточная функция по напряжению при выходном напряжении на индуктивности (рис.60, б)
Графики передаточных АЧХ и ФЧХ приведены на рис.61.
Из последних соотношений следует, что максимумы
и
не совпадают с резонансной частотой, а сдвинуты по оси частот.
а б
Рис. 61
Влияние сопротивления генератора и нагрузки на избирательность
последовательного колебательного контура
Избирательностьспособность контура разделять колебания близких частот определяется крутизной резонансной кривой контура.
При подключении контура к реальному источнику э. д. с. (рис.62) эквивалентная добротность
следовательно, увеличение внутреннего сопротивления генератора ведет к расширению полосы пропускания контура (рис.63).
Рис. 62
Если к выходным зажимам контура подключить резистор Rн, то в этом резисторе будет рассеиваться энергия, вследствие чего добротность цепи окажется меньше добротности ненагруженного контура.
Для определения
нагруженного контура заменим параллельное соединение Rн и С эквивалентным последовательным на частоте
(рис.64).
Рис. 63
а б
1.1.3.Рис. 64
Условие эквивалентности цепей (рис.64, а, б).
Добротность нагруженного контура
а полоса пропускания нагруженного контура становится шире полосы ненагруженного контура и его избирательность ухудшается.
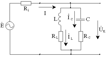
Параллельный колебательный контур
Параллельным колебательным контуром называется цепь (рис.65), составленная из катушки индуктивности и конденсатора, подключенных параллельно выходным зажимам источника.
Если на входных зажимах действует источник с
На практике контуры составлены из индуктивностей и конденсаторов имеющих большие добротности, т. е.
и
.
В зависимости от соотношения
и
можно наблюдать три режима работы контура.
2. Этот ток отстает от напряжения на контуре на угол
2.1. Ток в емкостной ветви
Ток
опережает напряжение на контуре на угол
Очевидно, что ток
. Ток
в неразветвленной части цепи опережает напряжение на контуре на угол
, т. е. реактивная составляющая входного сопротивления имеет емкостный характер.
Векторная диаграмма токов и напряжения на контуре для этого режима приведена на рис.66, а.
а б в
Рис.66
При
,
. Ток
в неразветвленной части цепи (рис.66, б) отстает от напряжения на контуре на угол
, т. е. реактивная составляющая входного сопротивления имеет индуктивный характер.
При
,
. Ток
в неразветвленной части цепи (рис.66, в) совпадает по фазе с напряжением на контуре, т. е. реактивная составляющая входного сопротивления равна нулю. Режим цепи, при котором реактивная составляющая входной проводимости равна нулю, называется резонансом токов.
Резонансная частота с учетом
и
находится из условия равенства нулю реактивной составляющей входной проводимости
откуда
При равенстве активных сопротивлений ветвей
или при
,
, что выполняется практически во всем интересующем нас диапазоне частот,
, т.е. условия резонанса токов совпадают с условиями резонанса напряжений в последовательном контуре, составленном из тех же элементов L и C.
2.2. На резонансной частоте
В случае идеального контура (
) токи
в ветвях равны по величине и противоположны по фазе, следовательно, ток в неразветвленной цепи равен нулю. Контур не потребляет энергию от генератора и происходит периодическое колебание энергии между электрическим и магнитным полями конденсатора и индуктивности за счет первоначально внесенной энергии при подключении генератора.
2.2.1.Входные частотные характеристики параллельного
колебательного контура
















