Otlichie_i_preimuschestva_stankov_s_ChPU (1261619)
Текст из файла
Преимущества станков с ЧПУ (см. [1], [2])
-
Более высокий уровень автоматизации производства. Случаи вмешательства наладчика токарного станка с ЧПУ в процесс изготовления детали сведены к минимуму, достаточно визуального контроля оператора. Токарные станки с ЧПУ могут работать практически автономно, день за днем, неделю за неделей, выпуская продукцию с неизменно высоким качеством. При этом главной заботой станочника оператора станков с ЧПУ являются в основном подготовительно-заключительные операции: установка и снятие детали, наладка инструмента и т.д. В результате один работник может обслуживать сразу несколько токарных станков с ЧПУ.
-
Производственная гибкость. Это значит, что для ЧПУ обработки разных деталей нужно всего лишь заменить программу. А уже проверенная и отработанная программа для станков с ЧПУ может быть использована в любой момент и любое число раз.
-
Увеличение точности и скорости обработки. Наличие в токарных станках с ЧПУ противошпинделя (станок с двумя шпинделями) позволяет вести обработку детали с обоих сторон, что увеличивает точность и скорость обработки детали. Также ЧПУ позволяет запрограммировать станок на изготовление детали любой сложности, даже такой, которую трудно было бы сделать человеку. К тому же у числового оборудования редко выходит брак, так как оно работает по одной и той же программе, без случайного фактора в виде невнимательности или небрежности. Даже если ему предстоит выпускать неделю за неделей одну и ту же деталь, она всегда будет выходить с той же точностью и качеством.
-
Более продолжительный срок работы станка за счет введения в устройство системы централизованной смазки направляющих, а также за счет наличия шарико винтовых передач (ШВП). Автоматическая подача СОЖ в зону резания продлевает срок службы металлорежущего инструмента.
-
Легкое ведение контроля и статистики. Подсчитать, сколько продукции и за какое время выпускает токарный станок с ЧПУ, не составляет труда. Благодаря этому, можно более полно контролировать его работу и регулировать ее в зависимости от текущих потребностей производства.
Конструктивные особенности станков с ЧПУ (см. [1], [3], [4])
-
Станки с ЧПУ имеют расширенные технологические возможности при сохранении высокой надежности работы. Конструкция станков с ЧПУ должна, как правило, обеспечить совмещение различных видов обработки (точение - фрезерование, фрезерование - шлифование), удобство загрузки заготовок, выгрузки деталей (что особенно важно при использовании промышленных роботов), автоматическое или дистанционное управление сменой инструмента и т.д.
Например, конструктивная схема токарно-фрезерного обрабатывающего центра модели 1730, предназначенного для комплексной обработки деталей тел вращения, приведена ниже.
-
Повышение точности обработки достигается высокой точностью изготовления и жесткостью станка, превышающей жесткость обычного станка того же назначения, для чего производят сокращение длины его кинематических цепей: применяют автономные приводы, по возможности сокращают число механических передач. Приводы станков с ЧПУ должны также обеспечивать высокое быстродействие.
| Кинематические схемы зубофрезерных станков |
| Станок с ЧПУ имеет короткую кинематическую цепь |
|
|
| Станок без ЧПУ имеет длинную кинематическую цепь |
-
Повышению точности способствует и устранение зазоров в передаточных механизмах приводов подач, снижение потерь на трение в направляющих и других механизмах, повышение виброустойчивости, снижение тепловых деформаций, применение в станках датчиков обратной связи. Для уменьшения тепловых деформаций необходимо обеспечить равномерный температурный режим в механизмах станка, чему, например, способствует предварительный разогрев станка и его гидросистемы. Температурную погрешность станка можно также уменьшить, вводя коррекцию в привод подач от сигналов датчиков температур.
Датчики обратной связи
Система обратной связи призвана обеспечить систему управления информацией о реальной позиции исполнительного органа станка и о скорости двигателей. Такая система в станках без ЧПУ отсутствует.
Обратная связь может быть открытого или замкнутого типа.
Системы открытого типа регистрируют наличие или отсутствие сигнала из подсистемы управления. Но они не дают информации о реальной позиции исполнительного органа и скорости двигателей, поэтому в современных станках с ЧПУ практически не используется. Разомкнутыми системами управления являются системы управления с распределительным валом (РВ), механические копировальные системы, системы ЧПУ с приводами подач, в которых используются шаговые электродвигатели.
1 - программа
2 – объект регулирования
3 (УУ) – устройство управления
J - сигнал
Системы замкнутого типа используют внешние датчики для проверки необходимых параметров.
4 – Измерительный преобразователь
5 – Исполнительный механизм
Адаптивная. Имеется обратная связь по параметром процесса обработки (силе резания, крутящего момента, температуре в зоне резания, амплитуде вибраций), которая позволяет учитывать и компенсировать влияние на точность обработки колебаний припуска на заготовке, твердости обрабатываемого материала, износа режущего инструмента и других факторов, которые носят случайный характер и их невозможно заранее предусмотреть.
Виды датчиков:
а) Вращающийся датчик положения. Крепится на валу двигателя и позволяет определять его угловое положения. Этот датчик состоит из источника света, оптического датчика (приемника) и диска с маленькими радиальными прорезями (растрами). Растровый диск укреплен на валу, источник света и оптический датчик находятся с разных сторон от диска. Когда диск вращается, то лучи проходят сквозь его прорези и падают на оптический датчик. Оптический датчик работает как переключатель, который включается или выключается при попадании на него лучей света. Это дает возможность определить относительное или абсолютное положение и направление вращения двигателя.
Недостаток – устанавливаются непосредственно на валу двигателя и не могут напрямую измерить линейное положение исполнительного органа станка. Они дают рассчитанное положение, основанное на данных о шаге ходового винта и в высокоточных станках для определения линейного положения не применяются.
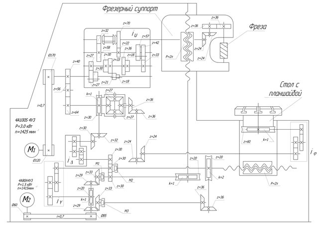
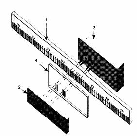
б) Линейные датчики положения используются почти во всех современных станках с ЧПУ для точного определения абсолютной или относительной позиции исполнительных органов. Датчики содержат два взаимосвязанных узла: растровую шкалу и считывающую головку. Растровая шкала, расположенная вдоль направляющих, представляет собой линейку с маленькими прямоугольными прорезями (растрами). Считывающая головка, перемещающаяся вместе с исполнительным органом станка состоит из осветителей (2), фотоприемников (3) и индикаторной пластины (4). Причем осветители и индикаторная пластина находятся с одной стороны от растровой шкалы, а фотоприемники с другой.
На индикаторной пластине так же присутствует два растровых участка со смещенным шагом для формирования двух сигналов. Когда считывающая головка перемещается вдоль растровой шкалы, то световые сигналы от осветителей проходят через индикаторную пластину, затем через шкалу и регистрируются фотоприемниками. Полученные сигналы дают возможность определить величину и направление перемещения. На растровой шкале может находиться дополнительная дорожка референтных меток для задания собственного начала отсчета.
в) Температурные датчики (термопары) применяют для определения температуры исполнительных органов, расчета температурного линейного расширения компонентов станка и для контроля над температурной масла и воздуха.
г) Инфракрасные датчики используются в станочных системах автоматического измерения.
-
Базовые детали (станины, колонны, основания) выполняют более жесткими за счет введения дополнительных ребер жесткости. Повышенную жесткость имеют и подвижные несущие элементы (суппорты, столы, салазки). Столы, например, конструируют коробчатой формы с продольными и поперечными ребрами. Базовые детали изготовляют литыми или сварными. Наметилась тенденция выполнять такие детали из полимерного бетона или синтетического гранита, что в еще большей степени повышает жесткость и виброустойчивость станка.
Направляющие станков с ЧПУ имеют высокую износостойкость и малую силу трения, что позволяет снизить мощность следящего привода, увеличить точность перемещений, уменьшить рассогласование в следящей системе.
Направляющие скольжения станины и суппорта для уменьшения коэффициента трения создают в виде пары скольжения «сталь (или высококачественный чугун) - пластиковое покрытие (фторопласт и др.)».
Направляющие качения имеют высокую долговечность, характеризуются небольшим трением, причем коэффициент трения практически не зависит от скорости движения. В качестве тел качения используют ролики. Предварительный натяг повышает жесткость направляющих в 2…3 раза, для создания натяга используют регулирующие устройства.
-
Вспомогательные механизмы станков с ЧПУ включают в себя устройства смены инструмента, уборки стружки, систему смазывания, зажимные приспособления, загрузочные устройства и т.д. Эта группа механизмов в станках с ЧПУ значительно отличается от аналогичных механизмов, используемых в обычных универсальных станках. Например, в результате повышения производительности станков с ЧПУ произошло резкое увеличение количества сходящей стружки в единицу времени, а отсюда возникла необходимость создания специальных устройств для отвода стружки. Для сокращения потерь времени при загрузке применяют приспособления, позволяющие одновременно устанавливать заготовку и снимать деталь во время обработки другой заготовки.
Устройства автоматической смены инструмента (магазины, автооператоры, револьверные головки) должны обеспечивать минимальные затраты времени на смену инструмента, высокую надежность в работе, стабильность положения инструмента, т.е. постоянство размера вылета и положения оси при повторных сменах инструмента, иметь необходимую вместимость магазина или револьверной головки.
Револьверная головка - это наиболее простое устройство смены инструмента: установку и зажим инструмента осуществляют вручную. В рабочей позиции один из шпинделей приводится во вращение от главного привода станка. Револьверные головки устанавливают на токарные, сверлильные, фрезерные, многоцелевые станки с ЧПУ; в головке закрепляют от 4 до 12 инструментов.
Список использованной литературы
[1] Современный станок с ЧПУ. Ловыгин А.А., Васильев А.В., Кривцов С.Ю. ООО «Центр ЧПУ», 2006
[2] http://www.uralremstroy.ru/
[3] http://www.stankocenter.ru/
[4] Проектирование металлорежущих станков и станочных систем. Справочник-учебник в 3х томах. Том 1. Проников А.С. Издательство МГТУ им. Баумана, 1994
Характеристики
Тип файла документ
Документы такого типа открываются такими программами, как Microsoft Office Word на компьютерах Windows, Apple Pages на компьютерах Mac, Open Office - бесплатная альтернатива на различных платформах, в том числе Linux. Наиболее простым и современным решением будут Google документы, так как открываются онлайн без скачивания прямо в браузере на любой платформе. Существуют российские качественные аналоги, например от Яндекса.
Будьте внимательны на мобильных устройствах, так как там используются упрощённый функционал даже в официальном приложении от Microsoft, поэтому для просмотра скачивайте PDF-версию. А если нужно редактировать файл, то используйте оригинальный файл.
Файлы такого типа обычно разбиты на страницы, а текст может быть форматированным (жирный, курсив, выбор шрифта, таблицы и т.п.), а также в него можно добавлять изображения. Формат идеально подходит для рефератов, докладов и РПЗ курсовых проектов, которые необходимо распечатать. Кстати перед печатью также сохраняйте файл в PDF, так как принтер может начудить со шрифтами.
















