Методичка к ДЗ (1246547), страница 3
Текст из файла (страница 3)
Горячую объемную штамповку чаще используют для изготовления сложных по конфигурации заготовок: рычагов, крышек, валиков с фланцами, валов с большим перепадом диаметров. Рассматриваемый же ведомый вал имеет диаметры наружных цилиндрических поверхностей с небольшим перепадом от 46 до 56 мм. Такие валы можно изготовлять из проката: прутка круглого сечения. При этом расход металла будет небольшой (в стружку уйдет металла немного), а заготовку получить будет сравнительно просто: от стандартного прутка отрезать часть с необходимыми припусками для подрезки торцов.
Вывод: в качестве исходной заготовки для вала целесообразно выбрать прокат круглого сечения [3, 17].
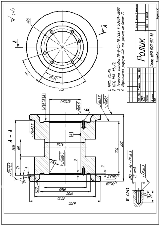
Рис. 8 Ролик
ПРИМЕР 4: Выбрать заготовку для ролика (рис. 8) из стали 40ГЛ; для условий серийного производства.
1. Материал – легированная сталь с улучшенными литейными свойствами 40ГЛ [8]. Следовательно, предпочтительно получать заготовку методами литья.
2. Размер и масса средние, форма несложная. Форма заготовки определяется исходя из того, какие поверхности в дальнейшем будут обрабатываться, а какие – нет.
У рассматриваемой детали обрабатывается наружная поверхность Ø230 мм, коническая поверхность под углом 12° поскольку на них указана отдельная шероховатость и на переходах между этими поверхностями и соседними отсутствуют скругления.
Кольцевая канавка шириной 66 мм не обрабатывается, так как на нее не указана отдельная шероховатость, следовательно, согласно знаку
в правом верхнем углу чертежа, она получается без снятия слоя материала.
Поверхность радиусом R = 20 мм также не обрабатывают механически.
Центральное отверстие является конструкторской и измерительной базой с высокими требованиями точности, следовательно, оно обрабатывается. Кроме того, размер отверстия более 30 мм, поэтому чтобы много металла не уходило в стружку, его целесообразно получить в заготовке, оставляя припуск на механическую обработку.
Торцовые поверхности, ограниченные Ø160 мм и Ø120 мм обрабатывают: на них назначены требования шероховатости и требования торцового биения.
Торцы с Ra = 50 мкм могут не обрабатываться механически, если возможности метода получения заготовки позволяют получить их сразу.
Чертеж получаемой заготовки ролика представлен на рис. 9.
Рис. 9 Заготовка ролика
3. Из основных методов литья выберем подходящий для рассматриваемой заготовки:
- несмотря на то, что заготовка осесимметричная, центробежное литье не подходит, так как имеется большой перепад диаметров от 270 до 152 мм;
- литье под давлением, литье в кокиль, при которых используют металлические формы, не подходит, так как затраты на изготовление формы большие, а при литье стальной заготовки стойкость формы будет низкая;
- литье в оболочковые формы и литье по выплавляемым моделям используют для получения отливок сложной формы, а рассматриваемая заготовка несложная;
- универсальным методом получения отливок является литье в песчано-глинистые формы, которое подходит и в данном случае.
На основе выбранного способа получения заготовки и конфигурации детали (чертежа) разрабатывают рациональный вид заготовки и оформляют эскиз с указанием размеров, допусков размеров и шероховатости поверхностей заготовки.
Размеры заготовки с учетом припусков на последующую механическую обработку следует приближенно рассчитать с использованием Таблицы минимальных припусков (для заготовок с размерами до 500 мм) и уточнить после выполнения пункта 4 домашнего задания, учитывая маршруты обработки основных поверхностей.
Таблица минимальных припусков (для заготовок с размерами до 500 мм)
| Вид обработки | Величина припуска (на сторону*), мм | Ориентировочно получаемый квалитет |
| Обдирка** | 1,5…4,0 | IT 12 – 14 |
| Черновая | 0,5…1,5 | IT 10 – 12 |
| Получистовая | 0,25…0,5 | IT 8 – 10 |
| Чистовая | 0,1…0,25 | IT 7 – 9 |
| Отделочная | 0,03…0,05 | IT 6 – 7 |
| * «Припуск на сторону» означает, что при расчете линейных размеров прибавляют однократную величину припуска, а при расчете диаметров поверхностей вращения величина припуска удваивается (т.е. на диаметр дают удвоенный припуск). ** Обдиркой называют первоначальную грубую механическую обработку заготовки со снятием большого объема металла | ||
Для свободного извлечения заготовок из литейной формы или штампа необходимо предусмотреть соответствующие технологические уклоны и радиусы скругления [14, 15]. Также предпочтительными являются симметричная формы заготовки, простой внешний контур, плавные переходы между поверхностями и сечениями разной толщины, минимальное число внутренних полостей, диаметры отверстий, выполняемые в заготовках (в серийном типе производства не менее 20…30 мм. Более подробные рекомендации по проектированию заготовок зависят от способа их получения [16].
4. Разработка маршрутов обработки отдельных поверхностей (для 2 – 3 поверхностей)
Прежде, чем разрабатывать маршрутный технологический процесс изготовления детали в целом, следует наметить возможные последовательности обработки основных поверхностей (отмеченных в анализе технических требований как наиболее точные либо имеющие наименьшую шероховатость) и обоснованно выбрать целесообразные варианты последовательностей их обработки.
При разработке маршрута следует учитывать, что каждый технологический метод обеспечивает определенный диапазон значений показателей качества (см. справочную литературу [2 – 4, 7], кроме того, получаемые значения зависят от исходного качества заготовки (полученного на предыдущем этапе). В среднем обобщенно считают, что точность размеров за один технологический переход изменяется на 2 – 3 квалитета на этапе черновой обработки, на 1 – 2 квалитета после чистовой обработки; величина высотных показателей шероховатости Ra, Rz уменьшается приблизительно в два раза10.
Разрабатывая маршрут обработки для каждой поверхности выполняют следующее:
1) по таблицам 4 – 5 в главе 1 и таблице 2 в главе 2 тома 1 «Справочника технолога-машиностротеля» [3], таблицам 3.12 – 3.18 в справочнике «Качество машин» [2] или таблице 2.3 тома 1 учебника «Технология машиностроения» [7] выбирают подходящие методы обработки, определяют возможные варианты последовательностей выполнения технологических переходов11 (кратко информация о возможностях методов обработки представлена в Приложении 4). При этом для каждого перехода указывают возможные диапазоны точности размеров (квалитеты) и шероховатости;
2) из полученных последовательностей выбирают наиболее целесообразный маршрут, из диапазонов квалитетов и значений параметров шероховатости выбирают определенные значения, которые будут впоследствии указаны на эскизах маршрутного технологического процесса.
Выбор варианта маршрута зависит от таких факторов, как:
-
необходимость или возможность обработки заготовки на оборудовании одной группы (например, только на токарных или фрезерных станках, без применения шлифовальных станков);
-
жесткость заготовки, твердость ее материала (например, после термической обработки) и возможность воздействия на заготовку силами резания, силами закрепления и пр.;
-
возможность обработки рассматриваемой поверхности совместно с другими поверхностями данной заготовки или обработки нескольких заготовок одновременно («пакетом»);
-
производительность12 технологического метода;
-
стабильность показателей качества заготовки (точности, шероховатости и пр.), получаемых после применения конкретного метода обработки (например, точность размера отверстия зависит от жесткости инструмента, т.е. после развертывания (обработки жестким осевым инструментом) точность выше, чем после растачивания (обработки инструментом, закрепленным консольно и имеющим вероятность отжатия при обработке), стабильность обеспечения точности при внутреннем шлифовании ниже, чем при растачивании, поэтому основные размеры и формы поверхностей получают, как правило, до шлифования, оставляя совсем небольшой припуск, а шлифование применяют, чтобы обеспечить требуемую шероховатость.
ПРИМЕР 5. Наружную цилиндрическую поверхность вала 25 нужно выполнить с точностью размера по k7 и шероховатостью Ra = 1,25 мкм.
Заготовка получена из некалиброванного горячекатаного проката круглого профиля с точностью размеров приблизительно по IT 14 - 16 и шероховатостью Rz = 40…160 мкм [3, 17].
Требуемую точность готовой поверхности можно получить тонким точением либо окончательным (чистовым – см. сноску 11) или предварительным шлифованием [2, 3]. Выбор вида шлифовального перехода зависит от точности заготовки на предшествующем переходе обработки.
Перед тонким точением следует выполнить чистовое точение, перед чистовым – получистовое, до получистового – черновое.
До окончательного шлифования выполняют предварительное, а до него выполняют лезвийную обработку – черновое, получистовое и/или чистовое точение.
Рассмотрев диапазоны квалитетов точности размеров и величин параметров шероховатости, получаем три возможных варианта маршрута обработки поверхности:
Вариант I
заготовка IT 14 - 17 Rz = 40...160
черновое точение IT 12 - 14 Ra = 12,5...40 мкм
получистовое точение IT 10 - 12 Ra = 3,2...12,5 мкм
чистовое точение IT 8 - 9 Ra = 1,6...5 мкм
тонкое точение IT 6 -7 Ra = 0,32...1,0 мкм
Вариант II
заготовка IT 14 - 17 Rz = 40 - 160
черновое точение IT 12 - 14 Ra = 12,5...40 мкм
получистовое точение IT 10 - 12 Ra = 3,2...12,5 мкм
чистовое точение IT 8 - 9 Ra = 1,6...5 мкм
шлифование IT 7 - 9 Ra = 1,0...2,0 мкм
Вариант III
заготовка IT 14 - 17 Rz = 40 – 160
черновое точение IT 12 - 14 Ra = 12,5...40 мкм
получистовое точение IT 10 - 12 Ra = 3,2...12,5 мкм
предварительное шлифование IT 7 - 9 Ra = 1,0...2,0 мкм
окончательное шлифование IT 6 - 7 Ra = 0,5...1,25 мкм
Сравнивая полученные варианты маршрута, следует учесть;
- для выполнения тонкого точения необходим токарный станок повышенной точности, который может стоить значительно дороже шлифовального станка
- шлифование – менее производительный метод и время обработки поверхности шлифованием будет больше, чем точением, следовательно, вариант III более трудоемкий;
После сравнения выбираем второй вариант и конкретизируем значения показателей качества на каждом переходе (для шероховатости целесообразно выбирать предпочтительные значения по ГОСТ 2789-73 [18]):
Вариант II
заготовка IT 14 Rz = 80 мкм
черновое точение IT 12 Rz = 40 мкм















