Семинар 7-8 (1244825)
Текст из файла
Семинар 7
Основные рекомендации по выбору плоскости разъема штампа.
1. Желательно, чтобы штамп имел один разъем.
2. Плоскость разъема штампа должна быть такой, чтобы поковка легко вынималась из штампа.
3. Наметки отверстия в поковке можно получить только в том случае, если их оси будут перпендикулярны плоскости разъема штампа (рис. 4).
|
а | При штамповке в торец ось симметрии цилиндрической поковки перпендикулярна плоскости разъема штампа. В этом случае возможно выполнение наметок отверстия в поковке. При штамповке поковок с наметками в наиболее тяжелых условиях работают выступы штампов, называемые знаками. |
| б | При штамповке плашмя ось симметрии цилиндрической поковки параллельна плоскости разъема штампа. В этом случае наметки отверстия выполнить невозможно. |
| Рис. 4 Выбор плоскости разъема штампа а – штамповка в торец; б – штамповка плашмя 1 – поковка; 2 – наметки отверстия в поковке; 3 – выступы штампов (знаки) | |
4. Желательно, чтобы плоскость разъема штампа совпадала с плоскостью двух наибольших габаритных размеров поковки (при этом полости штампа будут иметь наименьшую глубину) (рис. 5, а)
|
а б |
| Рис. 5 Выбор плоскости разъема штампа 1 – верхний штамп; 2 – нижний штамп; 3 – поковка; 4 – плоскость разъема штампа; D и В – наибольшие габаритные размеры поковки; h и H глубины полости штампа при различных положениях поковки. а – технологично, т.к. плоскость разъема штампа совпадает с плоскостью двух наибольших габаритных размеров штампованной поковки; б – нетехнологично, т.к. плоскость разъема штампа не совпадает с плоскостью двух наибольших габаритных размеров штампованной поковки и полость штампа имеет большую глубину по сравнению с вариантом «а» (H ˃ h). |
5. С целью исключения сдвига одной половины штампа относительно другой, плоскость разъема штампа должна пересекать большую по сечению или объему поверхность поковки, что увеличивает сопротивление сдвигу (рис. 6).
|
Рис. 6 Выбор плоскости разъема штампа | 1 – плоскость разъема штампа: В – верхняя половина штампа Н – нижняя половина штампа. а – нетехнологично; б – технологично. |
Порядок выполнения домашнего задания.
1. Выбрать расположение поковки в штампе
В зависимости от конструкции детали штамповка может выполняться в торец или плашмя (рис. 4, а и б соответственно).
1.1. Детали, имеющие внутренние полости и конфигурацию наружной поверхности, не мешающую извлечению поковки из штампа без назначения напусков.
При штамповке в торец (рис. 4, а) формируется как внутренняя, так и наружная поверхность поковки. Поэтому изделия данного типа штампуются в торец.
1.2. Детали, не имеющие внутренних полостей.
При штамповке плашмя формируется конфигурация наружной поверхности. Внутренние полости поковки не выполняются (рис. 4, б). Поэтому для изделий, у которых отсутствуют внутренние полости, назначается штамповка плашмя.
1.3. Детали, имеющие внутренние полости и конфигурацию наружной поверхности, мешающую извлечению поковки из штампа.
При выборе расположения поковки в штампе (плашмя или в торец) руководствуются принципом уменьшения объема последующей механической обработки. Для этого рассчитывается объем напусков при штамповке плашмя или в торец.
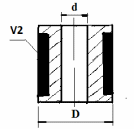
Например, деталь, представленная на рис. 7, имеет отверстие и наружную конфигурацию, мешающую извлечению поковки из штампа при штамповке в торец. В этом случае, для выбора расположения поковки в штампах, рассчитываются объемы напусков при штамповке плашмя и штамповке в торец. Если V1 ˂ V2, назначается штамповка плашмя. При V1 ˃ V2 – штамповка в торец. Если V1 = V2, назначается штамповка плашмя, т.к. при равных объемах последующей механической обработки после штамповки в торец необходима дополнительная операция по пробивке перемычки-пленки, что увеличивает себестоимость изделия..
|
Рис. 7. Конструкция детали. Один из фланцев мешает извлечению поковки из штампа при штамповке в торец | |
|
Рис. 8. Расположение изделия при штамповке плашмя. V1 – объем напуска при штамповке плашмя. |
Рис. 9. Расположение изделия при штамповке в торец. V2 – объем напуска при штамповке в торец. |
2. Выбрать плоскость разъема штампа (см. Основные рекомендации по выбору плоскости разъема штампа)
3. Назначить напуски (если это необходимо) .
Напуски назначаются на тех участках поковки, где невозможно или нетехнологично изготавливать их по контуру.
Например:
а - отверстия диаметром менее 30 мм на поковках не выполняются; на них назначаются напуски, а отверстия высверливаются при последующей механической обработке поковки;
б – если наружная или внутренняя поверхность изделия имеет выступающие части, мешающие извлечению поковки из штампа.
4. Выбрать оборудование для штамповки.
С целью повышения производительности процесса штамповки и снижения себестоимости поковки вследствие малых значений припусков на механическую обработку и штамповочных уклонов в качестве оборудования принимаются кривошипные горячештамповочные прессы (КГШП).
5. Назначить припуск на механическую обработку Пм.
Припуск — слой металла, который удаляется с поверхности поковки для обеспечения требуемой размерной точности и шероховатости поверхности детали.
Если качество поверхностного слоя изделия не удовлетворяет требованиям, предъявляемым к готовой детали, предусматривается припуск на механическую обработку. Минимальная величина припуска определяется глубиной дефектного поверхностного слоя, а также технологией последующей механической обработки.
Припуски назначаются отдельно с каждой стороны размера, а величина каждого из них не зависит от наличия и величины припуска с противоположной стороны.
Припуски на механическую обработку назначаются на поверхности, имеющие на чертеже детали знак √
Величина припуска определяется в следующей последовательности.
5.1. Определить расчетную массу штампованной поковки Мп
Величину расчетной массы поковки Мп вычисляется по формуле
Мп = Мд × Кр, где: где Мп - расчетная масса поковки, кг; Мд - масса детали, кг; Кр - расчетный коэффициент. Расчет массы детали Мд предполагает условное разбиение детали на части, объём V которых рассчитывается по стандартным формулам.
Например:
- для цилиндра V = π×D²× H / 4,
- для усечённого конуса V = (D² + d² + D × d)×π ×H / 12,
- для параллелепипеда: V = В×H×L,
- для шара: V = π×D³ / 6
(где D, d - наибольший и наименьший диаметры усеченного конуса, см; D – диаметр цилиндра и шара, см; Н – высота, см; В – ширина, см; L – длина, см).
Масса детали рассчитывается по зависимости Мд = (Vд×γ)/1000, где Мд масса детали, кг; Vд – объем детали (Vд = ∑V), см3; γ - плотность стали, г/см3 (γ=7,8 г/см3).
Кр устанавливается в зависимости от конфигурации поковки по Приложению 1.
5.2. Определить степень сложности поковки «С»
Степень сложности стальной поковки С1, С2, С3 или С4 определяется по результатам вычисления отношения массы (объема) поковки Мп (Vп) к массе (объему) Мф (Vф) простого тела, в которое вписывается поковка. Объем поковки рассчитывается по зависимости Vп = Мп/γ, см3. Геометрическая фигура, в которую вписывается поковка, может быть шаром, параллелепипедом, цилиндром или прямой правильной призмой.Материалы, необходимые для определения степени сложности поковки приведены в Приложении 2.
5.3. Определить группы стали М
Группа стали М поковок определяется по содержанию углерода и легирующих элементов (см. Приложение 3).
5.4. Определить класса точности поковки Т
По точности изготовления поковки могут быть пяти классов (от наибольшего первого класса точности Т1 до пятого Т5). Класс точности поковки устанавливается в зависимости от технологического процесса и оборудования для ее изготовления (см. Приложение 3).
5.5. Определить исходный индекс поковки
Исходный индекс поковки – условный показатель, учитывающий сумму характеристик поковки (масса поковки, группа стали, степень сложности и класс точности) который устанавливается в соответствии с Приложением 4.
5.6. Определить припуск на механическую обработку Пм
Припуски на механическую обработку Пм определяются в зависимости от исходного индекса поковки, размеров поковки и шероховатости поверхности (см. Приложение 5).
6. Выбрать штамповочные уклоны.
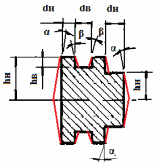
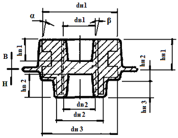
Штамповочные уклоны облегчают извлечение поковки из штампа. По расположению поверхности различают наружные и внутренние уклоны (рис. 10, рис. 11). Уклон α на наружной поверхности поковки назначается меньшим, чем уклон β на внутренней. Это связано с тем, что внешние поверхности поковки при остывании отходят от стенок штампа, уменьшая вероятность застревания поковки в штампе. Внутренние, охватывающие выступы штампа, прижимаются к его стенкам, что препятствует извлечению поковки из штампа. Штамповочные уклоны имеют стандартные значения, так как при изготовлении штампов полости фрезеруют стандартным набором инструмента. Ориентировочно уклоны выбираются по табл. 2 в зависимости от отношения глубины штампа к его ширине h/d (рис. 10, рис. 11)..
|
Рис. 10 Наружные и внутренние уклоны при штамповке плашмя | hн и dн – соответственно глубина и ширина полости штампа, формирующей наружную поверхность поковки; hв и dв - соответственно глубина и ширина полости штампа, формирующей внутреннюю поверхность поковки; α - уклон на наружной поверхности поковки; β - уклона на внутренней поверхности поковки. |
| Рис. 11 Наружные и внутренние уклоны при штамповке в торец | hн и dн – соответственно глубина и ширина полости штампа, формирующей наружную поверхность поковки; hв и dв - соответственно глубина и ширина полости штампа, формирующей внутреннюю поверхность поковки; α - уклон на наружной поверхности поковки; β - уклона на внутренней поверхности поковки. |
Табл. 2
| Относительная глубина полости штампа hн/dн или hв/dв | Штамп для КГШП | |
| αº | βº | |
| До 1 | 1 | 1,5 |
| Св. 1 до 3 | 2 | 3 |
| Св. 3 | 3 | 5 |
КГШП – кривошипные горячештамповочные прессы
7. Назначить радиусы закруглений углов поковки.
Радиусы закруглений углов поковки облегчают ее извлечение из полости штампа, снижают вероятность появления в острых участках поковки трещин при ее изготовлении, а также увеличивают стойкость штампов.
Характеристики
Тип файла документ
Документы такого типа открываются такими программами, как Microsoft Office Word на компьютерах Windows, Apple Pages на компьютерах Mac, Open Office - бесплатная альтернатива на различных платформах, в том числе Linux. Наиболее простым и современным решением будут Google документы, так как открываются онлайн без скачивания прямо в браузере на любой платформе. Существуют российские качественные аналоги, например от Яндекса.
Будьте внимательны на мобильных устройствах, так как там используются упрощённый функционал даже в официальном приложении от Microsoft, поэтому для просмотра скачивайте PDF-версию. А если нужно редактировать файл, то используйте оригинальный файл.
Файлы такого типа обычно разбиты на страницы, а текст может быть форматированным (жирный, курсив, выбор шрифта, таблицы и т.п.), а также в него можно добавлять изображения. Формат идеально подходит для рефератов, докладов и РПЗ курсовых проектов, которые необходимо распечатать. Кстати перед печатью также сохраняйте файл в PDF, так как принтер может начудить со шрифтами.
















