ПЗ Электропривод универсальной многофункциональной насосной ст (1236117), страница 2
Текст из файла (страница 2)
Рассмотренные способы относятся к способам изменения характеристики системы. Помимо этого регулировать работу насоса можно изменяя частоту вращения рабочего колеса насоса.
Изменяя частоту вращения рабочего колеса можно влиять на величину напора и подачи насоса. Такой способ наиболее выгоден, потому что при регулировании в широких пределах, КПД снижается незначительно. Осуществить изменение частоты можно с помощью: гидромуфт, электромагнитных муфт, многоскоростных двигателей. Также влиять на частоту вращения рабочего колеса можно изменяя частоту питающей сети. Это достигается использованием преобразователя частоты. Недостатком данной системы является высокая стоимость прибора. Но существует тенденция постепенного снижения стоимости приборов. Это делает данный способ наиболее перспективным. [3]
2 ОБЗОР СУЩЕСТВУЮЩИХ СПОСОБОВ УПРАВЛЕНИЯ ЭЛЕКТРОПРИВОДАМИ НАСОСНЫХ СТАНЦИЙ
Существует большое разнообразие применяемых в промышленности методов и способов управления насосными станциями. Применение того или иного решения зависит от технического процесса и задач решаемых управляемой установкой.
Под управлением электроприводом насосной станции понимаются следующие задачи:
-
включение и отключение электропривода;
-
пуск и торможение двигателя;
-
выбор направления и скорости вращения;
-
управление электроприводными задвижками;
-
защита электропривода от аварийных режимов;
-
сигналы об авариях.
2.1 Релейно-контакторные системы управления
Получили широкое распространение системы управления, построенные на релейно-контакторной элементной базе. Управление в этих системах осуществляется контактными и бесконтактными переключающими электроаппаратами релейного действия (электромагнитные контакторы и статические переключатели); различными реле управления, реле времени (электромагнитными, маятниковыми и др.); электромагнитными реле напряжения и тока; бесконтактными реле (логические аппараты); командоаппаратами (кнопки, командоконтроллеры, ключи управления и др.). [4]
Релейно-контакторные системы управления можно разделить на две части. Силовую цепь — часть цепи, элементы которой участвуют в производстве основной части электроэнергии (двигатель, преобразователь). И цепь управления, создающая управляющий сигнал, которая в свою очередь также делится на две группы:
-
формирующая алгоритм управления (реле);
-
воздействующая на двигатель по этому алгоритму.
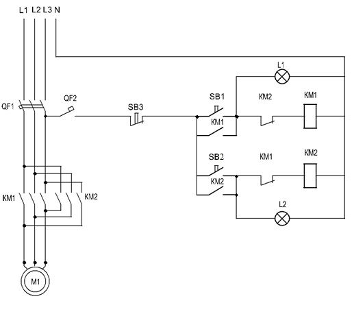
Рисунок 2.1 — Пример схемы управления насосом
На рисунке 2.1 представлена принципиальная схема управления электроприводом насоса. Установка позволяет качать воду в резервуар и откачивать при заполнении резервуара. Включением автоматического выключателя QF1 подается питание в цепь. При нажатии кнопки SB1 получает питание магнитный пускатель КМ1, который своими контактами замыкает цепь двигателя и тем самым включает его в режиме подачи воды. Своим вторым контактом он шунтирует кнопку SB1, что позволяет не держать ее во время работы насоса. Остановка производится кнопкой SB3. Кнопка SB2 включает электропривод в режиме откачки воды. Лампами L1 и L2 осуществляется индикация работы. Присутствующие в схеме автоматические выключатели QF1 и QF2 выполняют защиту двигателя от перегрузок и коротких замыканий.
2.2 Частотно-регулируемый электропривод
Как было сказано ранее, способ регулирования давления изменением частоты вращения рабочего колеса является оптимальным. Наиболее рациональным считается использование частотно-регулируемого электропривода, для достижения этой цели.
Частотно-регулируемый электропривод - это электромеханический преобразователь с синхронным или асинхронным двигателем, регулирование скорости которого происходит за счет изменения частоты питающего напряжения. Эта возможность вытекает из формулы (2.1) [5]
. (2.1)
Однако, изменение частоты влечет за собой изменение амплитуды напряжения, так как изменение магнитного потока обратно пропорционально изменению частоты [4]
. (2.2)
В состав такого электропривода входит электродвигатель (чаще всего асинхронный с короткозамкнутым ротором) и преобразователь частоты.
Из-за того, что нужно регулировать два параметра, значительно усложняются системы управления этими электроприводами. Системы частотного регулирования делятся на скалярные и векторные.
При скалярном управлении изменяют частоту и амплитуду подводимого к двигателю напряжения, потому что изменение частоты вызывает изменение параметров двигателя (момент пусковой, момент максимальный, КПД, коэффициент мощности). К достоинствам этого метода управления можно отнести:
-
простоту реализации как разомкнутых, так и замкнутых систем;
-
возможность одновременного управления группой двигателей.
Скалярное управление используется в случаях необходимости регулирования электропривода в небольших пределах (1:40).
В системах векторного управления воздействуют непосредственно на вращающий момент двигателя путем изменения амплитудных значений тока и потокосцепления, и угловых сдвигов между ними. Векторное управление позволяет существенно увеличить диапазон управления, точность регулирования, повысить быстродействие электропривода. Для осуществления векторного управления требуется измерение вектора потокосцепления и тока магнитного поля статора и угловых сдвигов между ними. Это достигается за счет использования соответствующих датчиков - прямое управление. Или за счет использования математической модели двигателя - косвенное управление.
Системы с косвенным управлением являются более простыми по технической реализации, но уступают системам с прямым векторным управлением по статическим и динамическим показателям [6].
Векторное управление с датчиком обратной скорости обеспечивает диапазон регулирования до 1:1000 и выше. Точность регулирования по скорости – сотые доли процента, точность по моменту – единицы процентов.
Синхронные частотно-регулируемые приводы управляются теме же методами, что и асинхронные. Но при работе двигателей больших мощностей существует вероятность выпадения двигателя из синхронизма. Для двигателей с большой мощностью применяют метод частотного управления с самоиндукцией. Этот метод позволяет исключить эту вероятность. Поэтому в чистом виде частотное регулирование синхронных машин используется только в двигателях малых и средних мощностей.
2.2.1 Преобразователи частоты
Преобразователь частоты - это электромагнитный, электронный или электромеханический прибор, изменяющий частоту электрического тока (напряжения). В его состав входят схемы, построенные на тиристорах и транзисторах, работающих как электронный ключ. Управляет работой ключей микроконтроллер, который помимо этого может выполнять дополнительные функции (диагностика, контроль, защита).
По устройству и принципу действия различают два вида преобразователей частоты:
-
с непосредственной связью;
-
с явно выраженным звеном постоянного тока.
Преобразователи с непосредственной связью, управляя работой ключей подключают двигатель к сети. В результате выходное напряжение состоит из участков входного и не может превышать его или быть равным ему. Поэтому у этих преобразователей низкая глубина регулирования (1:10). Что не позволяет использовать их в электроприводах, где требуется изменять параметры в больших пределах. Не смотря на это, у этих преобразователей есть свои плюсы:
-
высокий КПД;
-
возможность работы с большими токами и напряжениями;
-
низкая стоимость по отношению к другим преобразователям.
Данные преобразователи применяются в старых моделях электроприводов.
Более современными являются преобразователи со звеном постоянного тока. Которые выполняют двойное преобразование частоты. Сначала входное напряжение питающей сети выпрямляется управляемым или не управляемым выпрямителем. Пульсации выпрямленного напряжения сглаживаются емкостным фильтром. Выпрямитель с фильтром образуют явно выраженное звено постоянного тока. Затем с выхода фильтра напряжение поступает на автономный инвертор. Который поочередным открытием ключей преобразует постоянное напряжение в переменное необходимой частоты. В инверторе осуществляется преобразование постоянного напряжения
в трехфазное (или однофазное) импульсное напряжение изменяемой амплитуды и частоты. По сигналам системы управления каждая обмотка электрического двигателя подсоединяется через соответствующие силовые транзисторы инвертора к положительному и отрицательному полюсам звена постоянного тока. Длительность подключения каждой обмотки в пределах периода следования импульсов модулируется по синусоидальному закону. Наибольшая ширина импульсов обеспечивается в середине полупериода, а к началу и концу полупериода уменьшается. Таким образом, система управления обеспечивает широтно-импульсную модуляцию (ШИМ) напряжения, прикладываемого к обмоткам двигателя. Амплитуда и частота напряжения определяются параметрами модулирующей синусоидальной функции. На рисунке 2.1 изображен принцип работы преобразователя частоты.
Рисунок 2.1— Принципиальная схема преобразователя частоты
Инверторы современных преобразователей могут строятся на основе запираемых тиристорах или на основе биполярных транзисторах с изолированным затвором IGBT . Построенные на запираемых тиристора инверторы широко распространены. Их особенностью среди преобразователей со звеном постоянного тока является работа с большими напряжением при длительной нагрузке и высокий КПД (до 98%). Преобразователи построенные на этих инверторах применяются в приводах с диапазоном мощностей от 100 КВт до 10МВт. Инверторы в основе которых лежат IGBT транзисторы отличаются полной управляемостью, что позволяет упростить систему управления и увеличить рабочую частоту инвертора. Хотя цена инверторов построенных на IGBT транзисторах выше чем цена инверторов построеных на запираемых тиристоров, инверторы на транзисторах превосходят по отношению цена качество.
Большинство преобразователей используют метод векторного управления. Цена таких преобразователей выше чем цена преобразователей со скалярным управлением, но они обеспечивают боле точное управление и снижают статическую ошибку. Системы со скалярным управлением поддерживают постоянное соотношение между выходным напряжением и выходной частоты.
Таким образом, использование преобразователя частоты позволяет:
-
снизить электропотребление (≈50%);
-
увеличить точность регулирования скорости;
-
защитить двигатель от аварий (короткие замыкания, перегрузки, пропадания фаз и т.д.);
-
упростить управление;
-
автоматизировать систему водоснабжения;
-
производить диагностику двигателя;
-
добиться стабилизации скорости вращения;
-
обеспечить плавный пуск двигателя;
-
защитить систему от гидроударов.
2.2.2 Выбор преобразователя частоты
Выбор преобразователя частоты основывается на параметрах электропривода. Главным параметром является мощность. Необходимо выбирать преобразователь так чтобы его выходная мощность была больше или равна мощности двигателя. При выборе любого параметра нужно учитывать характер нагрузки электропривода. В случаях использования специальных двигателей, которые могут предъявлять дополнительные требования (большой пусковой момент, минимальное время разгона), рекомендуется в качестве главного параметра использовать номинальный ток. Номинальный ток преобразователя должен быть не ниже номинального тока двигателя.
Применяемым питающим напряжением для преобразователя частоты является напряжение 380В трехфазной сети. Также может использоваться однофазное 220В.
Следует определиться с глубиной регулирования. Если необходимо изменять скорость в пределах 10% от номинальной то может подойти почти любой преобразователь. Но если же необходимо снижать скорость в широких пределах обеспечивая номинальный момент на валу, то следует уделить внимание на, то сможет ли преобразователь обеспечить работу на частотах близких к нулю. При работе на низких скоростях возникает проблема с охлаждением двигателя. Для охлаждения используются вентиляторы устанавливаемые на вал двигателя. При низких скоростях они со своей работой не справляются. В таких случаях применятся вентиляторы с независимым питанием.
Необходимо определиться со способом торможения. Возникающую кинетическую энергию двигателя нужно куда то деть. Преобразователь частоты позволяет решать эту проблему несколькими способами:
-
рекуперативное торможение;
-
с помощью тормозного прерывателя;
-
подачей более низкого напряжения на обмотку статора.
Выбор того или иного способа зависит из соображений экономии электроэнергии и времени торможения. Преобразователи позволяющие использовать рекуперативный способ стоят дороже, но экономят потребление энергии за счет возвращения ее в сеть. Торможение за счет тормозного прерывателя позволит сократить время торможения.
Еще одно различие преобразователей это способы индикации и управления его работой. Некоторые преобразователи оснащаются небольшим экраном, на который можно выводить информацию о работе преобразователя. Это могут быть значения каких- либо параметров, графики их изменения. При отсутствии такого экрана эту информацию можно вывести на пульт дистанционного управления либо на компьютер. Такие панели облегчают работу при наладке и настройке преобразователя.
Управление режимами работы может производиться за счет поворота ручки потенциометра. Либо за счет нажатия кнопок, такой способ носит название «автоматический потенциометр», его плюс в том что невозможно резко изменить скорость двигателя. К тому же кнопки управления намного надежнее переменного резистора.
Для того что бы осуществить управление электроприводом с помощью контроллера необходимо чтобы преобразователь частоты поддерживал управляющий сигнал контроллера. Стандартными являются сигналы: 0-10В и 4-20мА.















