Диплом д (1235544), страница 4
Текст из файла (страница 4)
Все центральные процессоры допускают подключение до трех коммуникационных модулей и установку одной сигнальной платы (SB) ввода-вывода. Дополнительно к CPU 1212C может подключаться до 2, к CPU 1214C – до 8 сигнальных модулей (SM).
Все типы центральных процессоров оснащены двумя аналоговыми входами, набором дискретных входов и выходов, а также блоком питания датчиков с выходным напряжением =24 В. Подключение внешних цепей выполняется через съемные терминальные блоки с контактами под винт.
Все центральные процессоры обладают высокой производительностью и обеспечивают поддержку широкого набора функций:
- программирование на языках LAD и FBD, исчерпывающий набор команд;
- высокое быстродействие, время выполнения логической операции не превышает 0.1 мкс;
- встроенная загружаемая память объемом до 2 Мбайт, расширяемая картой памяти емкостью до 24 Мбайт;
- рабочая память емкостью до 50 Кбайт;
- энергонезависимая память емкостью 2 Кбайт для необслуживаемого сохранения данных при перебоях в питании контроллера;
- встроенные дискретные входы универсального назначения, позволяющие вводить потенциальные или импульсные сигналы;
- встроенные аппаратные часы реального времени с запасом хода при перебоях в питании 240 часов;
- встроенные скоростные счетчики с частотой следования входных сигналов до 100 кГц;
- встроенные импульсные выходы с частотой следования импульсов до 100 кГц (только в CPU с транзисторными выходами);
- поддержка функций ПИД регулирования;
- поддержка функций управления перемещением в соответствии с требованиями стандарта PLCopen;
- поддержка функций обновления операционной системы;
- парольная защита программы пользователя;
- свободно программируемые порты для обмена данными с другими устройствами на коммуникационных модулях CM 1241.
Сигнальные модули SM
Сигнальные модули (модули расширения) позволяют адаптировать контроллер к требованиям решаемой задачи. Они позволяют увеличивать количество входов и выходов, с которыми работает центральный процессор, дополнять систему ввода-вывода дискретными и аналоговыми каналами с требуемыми параметрами входных и выходных сигналов.
Сигнальные модули устанавливаются справа от центрального процессора и могут подключаться только к CPU 1212C и CPU 1214C.
Подключение к внутренней шине контроллера выполняется с помощью выдвижных штекеров, вмонтированных в каждый модуль SM. Подключение внешних цепей производится через съемные терминальные блоки с контактами под винт.
В состав сигнальных модулей входят 8- и 16-канальные модули ввода и модули вывода дискретных сигналов, 16- и 32-канальные модули ввода-вывода дискретных сигналов, 4-канальные модули ввода и 2-канальные модули вывода аналоговых сигналов, а также модуль ввода-вывода аналоговых сигналов с 4 входами и 2 выходами.
Сигнальные платы SB
По своему назначению сигнальные платы аналогичны сигнальным модулям. Они устанавливаются в специальный отсек на фронтальной панели центрального процессора и не изменяют установочных размеров корпуса.
Сигнальные платы могут использоваться со всеми типами центральных процессоров. Одновременно можно использовать одну сигнальную плату.
Коммуникационные модули CM 1241:
Коммуникационные модули CM 1241 позволяют устанавливать PtP соединения между контроллером S7-1200 и контроллерами других производителей, принтерами, сканнерами, модемами и т.д. Модули имеют два исполнения с встроенным последовательным интерфейсом RS 232 или RS 485.
Оба модуля обеспечивают поддержку протоколов ASCII и Modbus RTU (ведущее или ведомое устройство). Дополнительно модуль CM 1241 с интерфейсом RS 485 обеспечивает поддержку протокола USS. Все команды для управления обменом данными встроены в систему команд контроллера.
Коммуникационные модули устанавливаются слева от центрального процессора и подключаются к его внутренней шине через встроенные в каждый модуль соединители. Они могут работать со всеми типами центральных процессоров.
Дополнительные компоненты
Кроме модулей центральных процессоров, сигнальных модулей и плат в составе программируемого контроллера S7-1200 могут использоваться:
- блок питания PM 1207 с входным напряжением ~115/230 В, выходным напряжением =24 В и номинальным током нагрузки 2.5 А;
- неуправляемый коммутатор Industrial Ethernet CSM 1277: 4xRJ45, 10/100 Мбит/с;
- карты памяти SIMATIC Memory Card емкостью 2 или 24 Мбайт для расширения загружаемой памяти контроллера;
- имитаторы с встроенными переключателями для имитации входных дискретных сигналов центрального процессора в процессе отладки программы.
Аппаратура человеко-машинного интерфейса:
Для решения задач оперативного управления и мониторинга в сочетании с программируемыми контроллерами S7-1200 рекомендуется использовать базовые панели операторов SIMATIC, оснащенные встроенным интерфейсом Ethernet.
Программное обеспечение STEP 7 Basic:
STEP 7 Basic является программным продуктом единой среды разработки, позволяющей:
- использовать однородную среду разработки для решения любых задач автоматического управления;
- обеспечивать поддержку всех фаз жизненного цикла систем автоматизации;
- использовать единый набор сервисных служб для поддержки единой концепции оперативного управления и мониторинга, конфигурирования аппаратуры, организации промышленной связи, диагностики и т.д.
STEP 7 Basic содержит широкий спектр инструментальных средств для работы с программируемыми контроллерами SIMATIC S7-1200 и базовыми панелями операторов SIMATIC.
Он позволяет выполнять:
- конфигурирование и настройку параметров аппаратуры;
- конфигурирование систем промышленной связи;
- программирование контроллеров на языках LAD (Ladder Diagram) и FBD (Function Block Diagram);
- конфигурирование базовых панелей операторов SIMATIC;
- тестирование, выполнение пуско-наладочных работ и обслуживание готовой системы.
Пакет обеспечивает оптимальное взаимодействие систем проектирования контроллера и человеко-машинного интерфейса на основе:
- полного слияния в одной программной среде инструментальных средств программирования контроллера и конфигурирования аппаратуры человеко-машинного интерфейса;
- общего управления всеми данными проекта;
- использования встроенной среды WinCC Basic для разработки приложений человеко-машинного интерфейса на основе базовых панелей операторов SIMATIC.
К основным достоинствам пакета можно отнести:
- поддержку всеобъемлющей концепции использования библиотек для многократного использования любых компонентов проекта;
- поддержку интеллектуальных механизмов Drag & Drop для передачи данных между различными редакторами для программируемых контроллеров и приборов человеко-машинного интерфейса;
- наличие единой базы данных проекта с однородным набором символьных имен;
- быстрый доступ к любым задачам автоматизации, включая интерактивную работу с системой автоматизации и ее диагностики;
- простое графическое конфигурирование аппаратуры и сетевых структур в среде одного редактора;
- наличие простого и интуитивно понятного интерфейса пользователя для обеспечения доступа к различным вариантам отображения информации и редакторам;
- наличие высокоэффективного редактора для разработки программ контроллеров.
Таблица 3.5 - Технические характеристики SIMATIC S7-1200
| Центральный процессор | CPU 1214C |
| Встроенная загрузочная память | 4 МБ |
| Расширение | Картой памяти SIMATIC до 2 Гбайт |
| Встроенная рабочая память | 75 КБ |
| Энергозависимая память | 10 КБ для сохранения данных при перебоях в питании контроллера |
| Адресное пространство ввода-вывода | 1024 байт на ввод/ 1024 байт на вывод |
| Типовое время выполнения | Логических операций - 0.08 мкс; операций со словами - 1.7 мкс; математических операций с плавающей запятой - 2.3 мкс |
| ПИД регулирование | есть |
| Встроенные скоростные счетчики | 6x100/30 кГц |
| Импульсные выходы | 4x100 кГц |
| Часы | Встроенные, аппаратные, запас хода 20 суток |
| Интерфейс PROFINET | 1xRJ45, 10/100 Мбит/с |
| Максимальная конфигурация | 1xSB/CB/BB + 3xCM + 8xSM |
| Количество встроенных каналов: | |
| -ввода дискретных сигналов | 14x24VDC |
| -вывода дискретных сигналов | 10 |
| -ввода аналоговых сигналов | 2x 0...10 В, 10 бит |
| -вывода аналоговых сигналов | - |
-
Выбор коммуникационного модуля
SIMATIC CM 1243-5 коммуникационный модуль, рисунок 3.6, для подключения контроллера S7-1200 к сети PROFIBUS DP (RS485) в режиме ведущего устройства DPV1, обслуживание до 32 ведомых DP устройств.
-
Рисунок. 3.6 - Коммуникационный модуль CM 1243-5
Эксплуатация в стандартных промышленных условиях, диапазон рабочих температур от 0 до+55°C.
Особенности CM 1243-5:
- подключение программируемого контроллера S7-1200 к сети PROFIBUS DP в режиме ведущего устройства DPV1 по стандарту IEC 61158;
- работа с центральными процессорами S7-1200 от V2.0;
- установка не более:
а) одного модуля CM 1243-5 в один контроллер S7-1200 с CPU V2.x;
б) трех модулей CM 1243-5 от V1.2 в один контроллер S7-1200 с CPU от V3.0 и выше.
- обслуживание не более:
а) 16 ведомых DP устройств (до 256 модулей ввода-вывода) через один модуль CM 1243-5 в контроллере S7-1200 с CPU V2.x;
б) 32 ведомых DP устройств (до 512 модулей ввода-вывода) через один модуль CM 1243-5 от V1.2 и выше в контроллере S7-1200 с CPU от V3.0 и выше;
в) 32 ведомых DP устройств (до 512 модулей ввода-вывода) через три модуля CM 1243-5 от V1.2 и выше в контроллере S7-1200 с CPU от V3.0 и выше.
- поддержка циклического и асинхронного обмена данными с ведомыми DP устройствами;
- поддержка обмена данными с программатором, приборами и системами человеко-машинного интерфейса;
- параллельное использование CM 1243-5 с другими коммуникационными модулями S7-1200;
- наличие встроенных диагностических светодиодов;
- поддержка всех стандартных скоростей обмена данными через PROFIBUS DP: от 9.6 Кбит/с до 12 Мбит/с;
- подключение к центральному процессору или коммуникационному модулю через внутреннюю коммуникационную шину контроллера;
- подключение цепи питания через 3-полюсный терминальный блок;
- встроенное 9-полюсное гнездо соединителя D-типа (RS 485) для подключения к сети;
- компактный пластиковый корпус для установки на стандартную профильную шину DIN или на вертикальную поверхность с креплением винтами;
- простое и быстрое конфигурирование в среде STEP 7 от V11 и выше;
- поддержка функций обновления встроенного программного обеспечения.
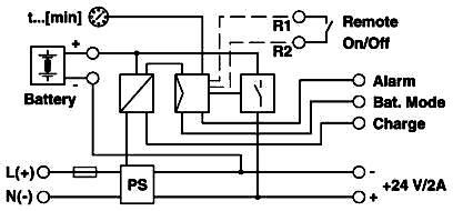
Выбор блока питания с ИБП
Новые исключительно компактное и простое в использовании устройство, рисунок 3.7, MINI-DC-UPS/24DC/2 объединяют в одном стандартном ME-корпусе блок питания и ИБП.
Рисунок. 3.7 - Источники бесперебойного питания со встроенным блоком питания
Питание =24 В надежно подается подключенным потребителям в любых условиях, даже в случае аварии в сети электропитания. Входные, выходные данные и общие сведения приведены в таблицах 3.6, 3.7, 3.8 соответственно.
Комбинированное устройство имеет исключительно плоскую конструкцию с размерами 67,5 x 99 x 107 мм. Приборы поддерживают широкий диапазон входных напряжений от 84 до 264 В переменного тока; выходной ток составляет 2 А при регулируемом настраиваемом выходном напряжением в диапазоне 22,5 - 29,5 В постоянного тока. В буферном режиме работы аккумуляторный модуль обеспечивает выходное напряжение от 27,9 до 19,2 В постоянного тока. В зависимости от требуемой продолжительности автономной работы применяются аккумуляторные модули на 0,8 или 1,3 Ач: аккумуляторные модули емкостью 0,8 Ач обеспечивают подачу тока 2 А в течение 5 минут, а емкостью 1,3 Ач - 2 А в течение 20 минут, что изображено на рисунке 3.9. Продолжительность автономной работы зависит от тока нагрузки.
Благодаря обширным сигнальным функциям (контрольные лампы и активные выходные переключающие контакты) обеспечивается высокая степень готовности оборудования. Отображаются процесс зарядки аккумуляторного модуля, состояние готовности к работе, буферный режим работы, а также предупредительные сообщения, например, о разрядке аккумуляторного модуля. Оптимизированное управление батареей, например, функция компенсируемой зарядки с учетом температуры окружающей среды, позволяет увеличить срок службы аккумуляторного модуля. Встроенная функция отключения через заданные интервалы приводит к значительному снижению расходов на монтаж. Блок схема изображена на рисунке 3.8.
Рисунок. 3.8 - Блок схема MINI-DC-UPS/24DC/2
















