1 Полный текст ВКР (Заболотный В.В. 153) (1235148), страница 7
Текст из файла (страница 7)
Так как коэффициент подобия
равен 17,97, то расчет потери устойчивости для фрагмента стенки хвостовика автосцепки прямоугольного сечения необходимо выполнять под нагрузкой 55,7 кН.
На рисунке 5.3 представлена схема, для расчета потери устойчивости, фрагмента хвостовика автосцепки прямоугольного сечения.
Рисунок 5.3 – Схема фрагмента автосцепки для расчета потери устойчивости
Исходные данные, для расчета потери устойчивости, фрагмента автосцепки прямоугольного сечения размерами 40 на 16 на 200 мм представлены в таблице 5.2.
Таблица 5.2 Исходные данные для расчета потери устойчивости
| Наименование | Значение | Единицы |
| Е – модуль упругости (Юнга) | 20400 | кН/см2 |
| b – ширина | 40 | мм |
| l – длина | 200 | мм |
| h – высота | 16 | мм |
| F – сила | от плюс 55,7 | кН |
| 34,3 | кН/см2 |
Площадь прямоугольного бруска рассчитывается по следующей формуле
Подставив численные значения в формулу (5.3) получим
Для расчета критической силы
необходимо знать гибкость фрагмента автосцепки прямоугольного сечения, которая рассчитывается по формуле
где μ – коэффициент учитывающий влияние опорных закреплений;
i –радиус инерции, см, который рассчитывается по формуле
где Y –момент инерции относительно оси, см4.
Момент инерции Yx относительно оси X рассчитывается по формуле
Момент инерции Yy относительно оси Y рассчитывается по формуле
На рисунке 5.4 представлена эквивалентная схема, которая показывает влияние опорных закреплений на величину критической силы
.
Из рисунка 5.4 видно, что опорные закрепления представлены в виде жесткой заделки, следовательно, коэффициент μ=0,5 [26].
Подставив численные значения в формулы (5.6) и (5.7) получим:
Подставив численные значения в формулу (5.5) получим:
Рисунок 5.4 – Схема влияния опорных закреплений на величину критической силы
Подставив численные значения в формулу (5.4) получим:
По результатам расчетов, полученных по формуле (5.4), можно сделать вывод, что максимальное значение гибкости составляет λmax=λx=216,51, следовательно, потеря устойчивости, при приложении критической нагрузки, произойдет относительно оси Х.
Значение критической силы рассчитывается по формуле Эйлера, однако такой расчет справедлив только в том случае, если гибкость расчетного элемента превышает некоторую константу λmax > λпр значение которой рассчитывается по следующей формуле
где π – математическая константа, π = 3,14;
– предел пропорциональности (максимальное напряжение для которого справедлив закон Гука),
=34,3 кН/см2;
E – коэффициент пропорциональности, который называют модулем упругости (или модуле упругости первого рода, или модулем Юнга),
= 20400 кН/см2.
Подставив численные значения в формулу (5.8) получим
Из расчетов по формуле (5.8) видно, что гибкость стержня λmax = 216,51 превышает предельную гибкость λпр = 76,58, следовательно, рассчитать критическую силу
(величину продольной сжимающей силы, которая выводит стержень из положения равновесия) можно по формуле Эйлера
Подставив численные значения в формулу (5.9) получим
По результатам расчетов можно сделать вывод, что расчетная сила
F = 55,7 кН, прикладываемая к фрагменту хвостовика автосцепки прямоугольного сечения, не превышает критической силы
= 117,64 кН по условию потери устойчивости. Следовательно, расчет продольных деформаций, для фрагмента корпуса автосцепки прямоугольного сечения, размерами 40 на 16 на 200 мм, в диапазоне нагрузок от плюс 55,7 кН до минус 55,7 кН является допустимым и может быть выполнен для верификации деформаций хвостовика корпуса автосцепки.
Так как коэффициент подобия
равен 17,97 то, расчет прогнозируемых деформаций для прямоугольного бруска необходимо выполнять в диапазоне нагрузок от плюс 55,7 кН до минус 55,7 кН .
Расчеты позволят оценить продольные перемещения, которые возникают в прямоугольном фрагменте хвостовика автосцепки в диапазоне рабочих, эксплуатационных нагрузок.
Исходные данные для расчета приведены в таблице 5.3.
Таблица 5.3 Исходные данные для расчета прогнозируемых деформаций
| Наименование | Значение | Единицы |
| Е –модуль упругости (Юнга) | 20400 | кН/см2 |
| b – ширина | 40 | мм |
| l – длина | 200 | мм |
| h – высота | 16 | мм |
| S – площадь | 6,4 | см2 |
| F – сила | ±55,7 | кН |
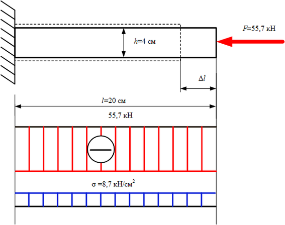
На рисунке 5.5 представлена эквивалентная схема для расчета относительных перемещений (при растяжении) прямоугольного бруска размерами
40 на 16 на 200 мм.
Рисунок 5.5 – Эквивалентная схема для расчета относительных перемещений (растяж.)
Прямоугольный брусок изготовлен из стали 20ГЛ и имеет модуль упругости, равный модулю упругости корпуса автосцепки Е=20400 кН/ см2. В результате приложения к бруску силы F=55,7 кН, по всей длине бруска возникает нормальная реакция, эквивалентная этой силе.
В основе расчета относительных линейных перемещениях лежит закон
Гука, который звучит следующим образом: «Сила упругости, возникающая в теле при его деформации, прямо пропорциональна величине этой деформации» [26].
Математически закон Гука для деформаций растяжения и сжатия можно описать следующей формулой
где σ – напряжение в сечении бруска, кН/см2;
ε – относительное удлинение бруса;
– коэффициент пропорциональности, который называют модулем упругости (или модуле упругости первого рода, или модулем Юнга),
= 20400 кН/см2.
Коэффициент
является справочной (определяемой экспериментально) величиной, характеризующей способность материала противостоять деформации.
Подставив численные значения в формулу (5.10) получим
На рисунке 5.6 представлена эпюра нормальных реакций и напряжений, возникающих в прямоугольном бруске под воздействием растягивающей силы 55,7 кН.
Относительное удлинение ε, то есть увеличение длины образца во время испытаний, выраженное в процентах от истинной зажимной длины образца, можно рассчитать по следующей формуле
где Δl – абсолютное удлинение, мм;
Подставив численные значения в формулу (5.11) получим
Теперь, из формулы (5.11) можно выразить и рассчитать абсолютное удлинение прямоугольного бруска размерами 40 на 16 на 200 мм при приложении растягивающей силы равной 55,7 кН.
Рисунок 5.6 – Эпюра нормальных сил возникающих по длине бруска при растяжении
Абсолютное удлинение рассчитывается по следующей формуле
Подставив численные значения в формулу (5.12) получим
При приложении сжимающей силы 55,7 кН к бруску, в нем возникают деформации и перемещения, идентичные тем, что были получены при расчете на растяжение.
На рисунке 5.7 представлена эпюра нормальных реакций, возникающих в прямоугольном бруске под воздействием сжимающей силы 55,7 кН.
Рисунок 5.7 – Эпюра нормальных сил возникающих по длине бруска при сжатии
Результаты расчета прогнозируемых деформаций корпуса автосцепки, при приложении растягивающих и сжимающих сил, приведены в таблице 5.4.
Таблица 5.4 - Результаты расчета прогнозируемых деформаций корпуса автосцепки
| Наименование | Растяжение | Сжатие | Единицы |
| Δl – Абсолютное удлинение | 0,085 | 0,085 | мм |
| σ – напряжение в сечении бруска | 8,7 | 8,7 | кН/см2 |
| ε – относительное удлинение бруса | 0,0043 | 0,0043 | ‑ |
Из таблицы 5.4 видно, что абсолютное удлинение прямоугольного образца размерами 40 на 16 на 200 мм изменяется в диапазоне от минус 0,085 до плюс 0,085 мм, что дает полный диапазон перемещений величиной 0,17 мм. Длина хвостовика автосцепки СА-3 составляет 450 мм. Следовательно, в диапазоне нагрузок от минус 1МН до плюс 1МН, исходя из расчетов приведенных выше, абсолютное удлинение по всей длине автосцепки составит 0,384 мм.
Для того, что бы убедиться в достоверности результатов, полученных при расчете традиционными методами сопромата, вычислим абсолютные перемещения при помощи программного обеспечения SolidWorks Simulation.
На рисунке 5.8 представлена 3D модель прямоугольно бруска, размерами
40 на 16 на 200 мм. Для корректного выполнения расчета прогнозируемых удлинений в программе SolidWorks Simulation необходимо соблюдать следующий порядок действий [27]:








