ПЗ Барсук (1234388), страница 5
Текст из файла (страница 5)
где γ – коэффициент для определения упругопластичного момента сопротивления сечения по растянутой зоне по приложению IV/12/ для прямоугольного сечения γ = 1,75;
Wred – момент сопротивления приведенного сечения для крайнего растянутого волокна, определяемого по формуле
, (2.10)
Определяем геометрические характеристики приведенного сечения.
Площадь приведенного сечения
А red = А + αАsp (2.11)
где
– коэффициент приведения арматуры к бетону
,
А red = 1000 ∙ 150 + 6,67 · 251 = 1516,74 ∙ 102 мм2,
Статический момент сечения относительно нижней грани расчетного сечения
Sred = (1000 ∙ 150) ∙90 + 251 ∙ 6,67 ∙ 20 =1353,35·104 мм3.
Расстояние от нижней грани до центра тяжести приведенного сечения
y0 = Sred/Аred (2.12)
y0 = 1353,35·104 / (1516,74 ∙ 102 ) = 89 мм.
Момент инерции приведенного сечения
Ired=I + αАspy2 (2.13)
мм4.
Момент сопротивления приведенного сечения относительно грани, растянутой от внешней нагрузки
см3;
Wpl =1,75 ∙325 ∙ 104 = 568,7 ∙104 см3.
Момент образованию трещин
по формуле (2.7):
Н∙мм =90,99 кН м.
Проверяем условие
= 90,99 кН м >
= 8,14 кН м, условие выполняется, следовательно трещины не образуются.
2.1.4 Расчет прогиба плиты
Расчет прогиба плиты выполняем согласно [24] при условии отсутствия трещин в растянутой зоне бетона.
Находим кривизну от действия постоянной и длительной нагрузок (
кН,
) по формуле
мм-1.
Прогиб плиты будет равен
, (2.15)
мм.
см
условие выполняется.
2.2 Проверка несущей способности второстепенной металлической балки
Принимаем второстепенную балку из двутавра № 25 Б1. Сбор нагрузок сведен в таблицу 2.2.
Таблица 2.2 – Сбор нагрузок на второстепенную балку
| Элементы и подсчет нагрузок | Нормативная нагрузка, кН/м2 | Коэффициент надежности по нагрузке, γf | Расчетная нагрузка, кН/м2 |
| Постоянные 1. Собственный вес балки | 0,13 | 1,05 | 0,136 |
| 2. Нагрузка от перекрытия (табл. 2.1) | 4,95 | 1,1 | 5,445 |
| Итого: | 5,08 | 5,58 | |
| Временная: Транспортная (табл.3, /11/) | 5,0 | 1,2 | 6,0 |
| Полная, в том числе длительнодействущая: | gн=10,08 | g=11,58 |
Нормативная нагрузка на второстепенную балку перекрытия:
; (2.16)
где
– шаг балок, м;
– распределенная нагрузка по площади нормативная нагрузка от
перекрытия, кН/м2;
Расчетная равномерно распределенная нагрузка на второстепенную балку перекрытия определяется по формуле
; (2.17)
где
– распределенная по площади расчетная нагрузка от перекрытия, кН/м2;
Максимальный изгибающий момент от действия распределённой нагрузки определяется по формуле
; (2.18)
где q – расчетная равномерно распределенная нагрузка;
l – расчетная длина балки;
Проверка прочности балки осуществляется по формуле
; (2.19)
где
– момент сопротивления по оси x, Wx=285,3см3;
– расчетное сопротивление стали по изгибу, Ry=230МПа;
– коэффициент условий работы конструкции, γс=1,0;
Условие выполнено.
Проверка жесткости балки.
Проверка второго предельного состояния (обеспечение условий для нормальной эксплуатации сооружения) ведётся путём определения прогиба балки от действия нормативных нагрузок при допущении упругой работы материала. Относительный прогиб не должен превышать нормального прогиба, зависящего от назначения балки.
Для главных балок междуэтажных перекрытий относительный прогиб элементов к пролёту
.
Проверка деформативности производится по формуле
где gп – нормативная нагрузка;
Е – модуль упругости;
I – момент инерции балки;
условие выполнено.
Принимаем второстепенную балку из двутавра № 25 Б1 с шагом 3 м.
2.3 Проверка несущей способности главной металлической балки
Принимаем главную балку из двутавра № 50 Б2. Сбор нагрузок сведен в таблицу 2.3.
Таблица 2.3 – Сбор нагрузок на главную балку
| Элементы и подсчет нагрузок | Нормативная нагрузка, кН/м2 | Коэффициент надежности по нагрузке, γf | Расчетная нагрузка, кН/м2 |
| Постоянные Собственный вес балки | 0,16 | 1,05 | 0,168 |
| Второстепенные балки | 0,1 | 1,05 | 1,05 |
| Нагрузка от перекрытия (табл. 2.1) | 4,95 | 1,1 | 5,445 |
| Итого: | 5,21 | 6,66 | |
| Временная: Длительная и кратковременная | 5 | 1,2 | 6,0 |
| Полная, в том числе длительнодействущая: | gн=10,21 | g=12,66 |
Нормативная нагрузка на главную балку перекрытия:
Расчетная равномерно распределенная нагрузка на второстепенную балку перекрытия:
Расчетный изгибающий момент по формуле (2.18) равен:
Проверка прочности балки
-момент сопротивления по оси x,
;
Условие выполнено.
Проверка жесткости балки
Проверка второго предельного состояния (обеспечение условий для нормальной эксплуатации сооружения) ведётся путём определения прогиба балки от действия нормативных нагрузок при допущении упругой работы материала. Относительный прогиб не должен превышать нормального прогиба, зависящего от назначения балки.
Относительный прогиб для главной балки междуэтажных перекрытий
Проверка деформативности производится по формуле (2.21)
условие выполнено.
Принимаем металлические балки из двутавра №50 Б2 с шагом 6 м.
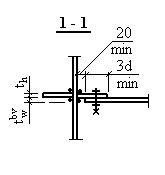
2.4 Расчет и конструирование узла пониженного сопряжения главной и второстепенной балок
При примыкании вспомогательной балки к главной сбоку (Балка Б2 примыкает к балке Б1, лист 2) прикрепление первой ко второй осуществляется на болтах диаметром 20 мм.
Рисунок 2.4 Пониженное сопряжение балок в рабочей площадке
Число болтов (n) из условия прочности их на срез (в нашем случае болты односрезные) в узле прикрепления вспомогательной балки определяется по формуле
(2.22)
где 1,2 – коэффициент, учитывающий дополнительное усилие от частичного защемления конца вспомогательной балки в узле;
расчетное сопротивление болтов срезу, принимаем по табл. 58* [24];
коэффициент условия работы болтов в соединении, принимаемый по [24], в нашем случае он может быть принят равным 0,9;
диаметр болтов.
Число болтов из условия прочности их на смятие определяется по формуле
(2.23)
где
расчетное сопротивление смятию элементов, соединяемых болтами, принимаем по [ 24 ];
толщина более тонкого листа в соединении.
Так как условие
выполняется, то принимаем 2 болта диаметром 20 мм и располагаем их в один ряд.
2.5 Конструирование равнопрочного монтажного (укрупнительного) узла главной балки
При необходимости монтажные стыки выполнять согласно укрупнительному стыку. При этом монтажный стык не рекомендуется устраивать ближе 150 мм от ребер жесткости и совмещать его с местом изменения сечения.
а. б.
Рисунок 2.5 Укрупнительный стык на монтажной сварке
а – разделка кромок и указания последовательности
наложения сварных швов;
б – вид стыка после сварки.
Из-за пониженной прочности ручной стыковой сварки, выполняемой в площадочных условиях, монтажный стык размещаем в сечении, где изгибающий момент составляет
,
.
Так как монтажный стык располагается вблизи середины пролета, его выполняют совмещенным (все элементы стыкуются в одном сечении) таким образом, чтобы сжатый пояс и стенка стыковались прямым швом, а растянутый пояс – косым под углом 60˚. Такой стык при правильном выборе сварочных материалов будет равнопрочным основному сечению балки и может не рассчитываться.
Чтобы уменьшить сварочные напряжения сначала сваривают поперечные стыковые швы стенки – 1 и поясов – 2, имеющие наибольшую поперечную усадку. Оставленные не заваренными на заводе участки поясных швов длиной около 500 мм дают возможность поясным листам несколько вытянуться при усадке швов – 2. Последними заваривают угловые швы – 3, имеющие небольшую продольную усадку.
2.6 Расчет колонны сплошного сечения среднего ряда
2.6.1 Расчетная схема. Усилия















