11 ПЗ Сист. автомат. регулир. общего возд. при работе котла БКЗ 320 140 560 на различ. вид. топл. (1233012), страница 8
Текст из файла (страница 8)
Структурная схема регулятора общего воздуха представлена на чертеже Э22.
Сигнал коррекции оборотов для аналоговых регуляторов формируется следующим образом: на вход кусочно – линейной зависимости поступает сигнал о текущем давлении газа (топлива), где формируется сигнал о требуемом давлении воздуха, этот сигнал суммируется с сигналом корректирующего регулятора содержания кислорода в дымовых газах. Корректирующий регулятор содержания кислорода в топочных газах по результатам прямых измерений содержания кислорода в топочных газах в статике приводит коэффициент избытка воздуха в топке в соответствие с режимными картами котла (уточняет задание по расходу общего воздуха к котлу путем формирования переменного поправочного коэффициента к заданию, тем самым учитывая режимы сжигания топлива и нагрузку). Выходной сигнал корректирующего регулятора должен ограничиваться минимальным значением, при котором αт больше 1,1.
Сигналы о давлении воздуха на котел, полученные с помощью датчиков давления «Метран–150», усредняются и будут являться непосредственно регулируемыми параметрами аналоговых регуляторов дутьевых вентиляторов, представленных в 2.7. На выходах аналоговых регулятора формируется сигнал о требуемых оборотах ДВ–А и ДВ–Б.
Идея и принципы создания такого регулятора были подчеркнуты в работах [21, 22].
3.4 Система автоматического регулирования подачи воздуха при работе котла БКЗ 320140560 на газе
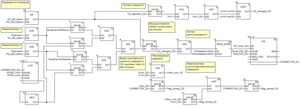
На рисунке 3.1 представлена схема автоматического управления для корректирующего регулятора кислорода в дымовых газах в среде Schneider Electric Unity Pro, языке программирования FBD.
Рисунок 3.1 – Корректирующий регулятор кислорода в дымовых газах
Структурная схема данного блока была описана в пункте 3.2.
Сигнал требуемого значения содержания кислорода в дымовых газах формируется автоматически согласно режимной карте котла, в алгоритме эти значения непосредственно представляют параметры SoderhanieO2sleva и SoderhanieO2sprava. Из данных значений, а также значений текущего содержания кислорода в дымовых газах (функциональный блок LAG), выбирается минимальное значение и поступает на вход аналогового регулятора.
Работа этого регулятора подробно описана в пункте 3.1. Реализовано переключение с автоматического режима на ручной. Выходным значением данного регулятора является reg_correct_O2.
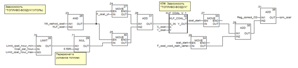
На рисунке 3.2 представлена кусочно линейная функция зависимости «топливо воздух», при работе котлоагрегата БКЗ 320140560 на газе.
Рисунок 3.2 – алгоритм работы кусочно линейной функции зависимости «топливо воздух»
Работу данного алгоритма можно описать следующим образом: входными воздействиями являются текущий расход газа по расходомерам F_gas_1 и расход газа предусмотренный режимной картой котла [23] F_gas_2.
Для соотношения давления воздуха после ВЗП и расходом газа, реализован блок KLF_GV. Координаты точек Xi и Yi во всём дипазоне задаются двумя массивами типа REAL. Учитывая, что количество точек зависит от задачи, в которой будет задействован данный блок, массив должен быть динамическим.
В DFB параметры INPUTS, OUTPUTS и INOUT могут быть определены как ANY_ARRAY_xxx (где xxx тип массива), что позволяет привязывать к ним фактические параметры с любым размером массива.
Таким образом, интерфейс типа DFB с именем KLF_GV имеет следующий вид, представленный на рисунке 3.3
X_IN и Y_OUT соответственно вход и выход функции. Массивы X и Y задают координаты узлов функции. Для работы DFB определены внутренние переменные private i - для задания индекса массива, и AR_LEN для определения длины массива.
Программная секция данного блока написана на языке ST, так как используются массивы, для обработки которых нужны циклы. Вид программной секции представлен на рисунке 3.4.
Рисунок 3.3 – Интерфейс DFB для блока KLF_GV
Рисунок 3.4 – Программная секция блока KLF_GV
Описать работу данной секции можно следующим образом: В начале секции определяется длина массива с помощью функции LENGTH_ARREAL, единственным аргументом которой есть один из массивов. Следует отметить, что:
- массивы X и Y обязательно должны быть одного размера;
- элементы X должны возрастать с возрастанием индекса в массиве
Далее в программе, в зависимости от значения X_IN рассчитывается Y_OUT.
Алгоритмический блок предназначен для изменения текущей характеристики аналогового сигнала с целью ее линеаризации или получения кривой с заданными параметрами.
В данном алгоритмическом блоке значения расхода газа по расходомеру лежат в пределах от 10 до 25 тыс. м3/ч, согласно [23]. Значения давления газа, согласно этому же источнику, лежат в пределах от 100 до 250 кгс/м2.
Так же значение давления воздуха может задаваться согласно режимной карте котла включением параметра P_vozd_resh_carta. Выход данного алгоритмического блока суммируется с выходом корректирующего регулятора кислорода в дымовых газах и направляется на корректирующие входы аналоговых регуляторов оборотов дутьевых вентиляторов А и Б.
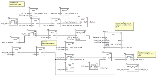
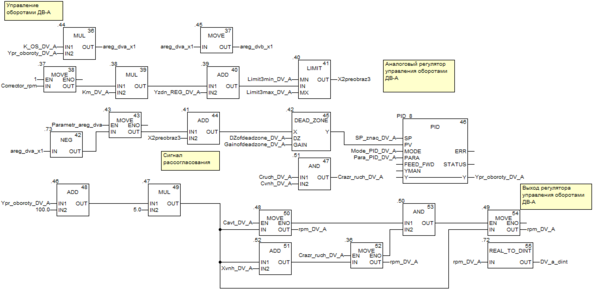
На рисунке 3.5 представлена схема управления оборотами дутьевого вентилятора А.
Рисунок 3.5 – Управление оборотами ДВА
В данном алгоритме реализована обратная связь, представленная коэффициентом K_OS_DV_A, блоком MUL и выходным значением ПИД регулятора Ypr_oboroty_DV_A.
В реальной системе этот алгоритм замкнут. Изменение оборотов дутьевого вентилятора, соответственно, ведет и к изменению показаний датчиков давления. Но в процессе моделирования и отладки при использовании компьютерной техники, к сожалению, задание данных значений для изменения оборотов не ведет за собой ответной реакции параметров представляющих собой эти датчики. Данный блок позволяет замкнуть систему.
На вход аналогового регулятора поступает значение с датчиков areg_dva_x1 и корректирующий сигнал с алгоритма кусочно линейной зависимости «топливо воздух».
Реализована система переключения из автоматического режима в ручной режим управления. Так же для упрощения понимания выходного значения количество оборотов, представленных параметром rpm_DV_A типа данных REAL переводится в блоке REAL_TO_DINT в параметр DV_a_dint типа DINT.
Выходное значение оборотов меняется согласно подобранному в пункте 2.7 оборудованию, от 0 до 1000 об/мин.
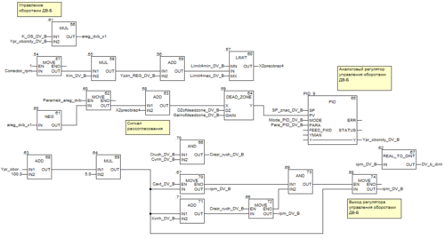
На рисунке 3.6 представлена схема управления дутьевого вентилятора Б.
Рисунок 3.5 – Управление оборотами ДВБ
Функция, реализуемая данным алгоритмом идентична схеме управления оборотами дутьевого вентилятора А.
Задание формируется согласно показаниям датчиков давления, а коррекция выходному значению алгоритма зависимости «топливо воздух».
3.5 Система автоматического регулирования подачи воздуха при работе котла БКЗ 320140560 при сжигании смеси бурых углей Сахалинских месторождений
Корректирующий регулятор содержания кислорода в дымовых газах идентичен представленному на рисунке 3.1.
Кусочно линейная зависимость «топливо воздух» представлена на рисунке 3.6.
Рисунок 3.6 – Кусочно линейная зависимость «топливо воздух» при работе котлоагрегата на угольном топливе
Согласно режимной карте котла [24] расход угля ограничивается значениями от 60 до 90 т/час. Данное ограничение реализовано с помощью функционального блока LIMIT.
Для удобства построения кусочно линейной функции, принято решение о переводе количества топлива данного вида в условное топливо (у.т). Перерасчет производится с помощью коэффициента, равного отношению теплосодержания 1 кг топлива данного вида к теплосодержанию 1 кг условного топлива. Согласно постановлению [25] коэффициент перерасчета угля Сахалинских месторождений имеет значение 0,506. В алгоритме перерасчет реализован с помощью блока MUL и текущего значения расхода угля. Например, расход угля в 60 т/час будет равняться расходу условного топлива в 30,38 т.у.т/час.
Программная секция данного блока написана на языке ST. Вид программной секции представлен на рисунке 3.7.
Рисунок 3.7 – Программная секция блока KLF_coal_V
Работа функционального блока идентична блоку описанному в пункте 3.4.
Выходным значение блока является расход воздуха согласно режимной карте котла от 57,38 до 91,8 кгс/м2. Выходное значение всего алгоритма суммируется с выходным значение корректирующего регулятора кислорода в дымовых газах и поступает на корректирующий вход аналоговых регуляторов оборотов дутьевых вентиляторов А и Б.
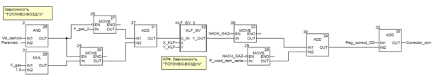
Алгоритм управления оборотами ДВА представлен на рисунке 3.8.
Работа данного алгоритма идентична работе алгоритмов, описанных в пункте 3.5. Коренным образом, данный регулятор отличается от представленных ранее значением констант и переменных. Выходное значение так же лежит в пределах от 0 до 1000 об/мин, и для облегчения понимания переведено из типа данных REAL в DINT.
Рисунок 3.8 Управление оборотами ДВА
3.6 Разработка системы отладки алгоритмов, созданных в среде Schneider Electric Unity Pro
В среде Unity Pro для проверки работы программы пользователя доступны средства отображения и ввода данных, а также средства отладки (Debug).
Средства отображения и ввода данных можно условно разделить на:
-
анимационные средства редакторов программ в онлайн режиме;
-
анимационные таблицы (Animation Tables);
-
операторские экраны (Operator Screens).
С помощью анимированных средств редакторов программ пользователя можно в режиме online наблюдать за значением переменных, прохождения сигнала и т.д.
Анимационные таблицы в табличной форме, а операторские экраны в графическом виде, позволяют наблюдать и изменять значения переменных при выполнении программы пользователя.
Анимационные таблицы позволяют представлять данные в разном формате, а также форсировать значение, изменять группы значений одновременно и т.д. Недостатком таких таблиц можно назвать отсутствие наглядности, а в случае большого количества переменных, трудности быстрого их нахождения и форсирования.
Для создания операторских экранов используется специальный графический редактор. Операторские экраны имеют ряд полезных возможностей: отображение переменных в виде числа, самописца (тренда), столбиковой диаграммы, изменение числовой переменной в виде ползунка и ввода значений, изменение булевой переменной через кнопку. Ряд этих особенной сильно повлиял на выбор данного средства отладки, по причине его наглядности и простоты представления данных.
Важной особенностью Unity Pro является возможность использования имитатора ПЛК (simulator), что позволяет отладить работу программы пользователя без имеющегося аппаратного обеспечения. Имитатор ПЛК работает как обычный контроллер, использую ресурсы компьютера и операционной системы Windows [26].
Для системы автоматического регулирования общего воздуха котлоагрегата на различных видах топлива было создано несколько операторских экранов, представленных в приложении А и приложении Б.
















