ПЗ (Кукуренчук Д. А.) (1231325), страница 8
Текст из файла (страница 8)
Для запитывания тринадцати пирометров Кельвин ИКС необходим блок питания с диапазоном напряжения 9…12 В. В качестве доступного блока питания был выбран блок ТДМ SQ0331-0053 и представлен на рисунке 4.4, а характеристики сведены в таблицу 4.3
Рисунок 4.4 – Внешний вид блока питания ТДМ SQ0331-0053
Таблица 4.3 – Характеристики блока питания ТДМ SQ0331-0053
| Наименование показателя | Значение |
| Входное напряжение AC, В | 220 |
| Выходная мощность W, Вт | 36 |
| Выходное напряжение DC, В | 12 |
| Выходной ток I, А | 3 |
| Габариты, мм | 85 x 58 x 33 |
| Температура эксплуатации, °C | от -20 до +60 |
4.1.4 Остальные компоненты
Для обработки данных приходящих с аналого-цифрового преобразователя необходим персональный компьютер с программным обеспечением, которое будет описано далее. Характеристики компьютера не так важны, так как мы будем использовать программное обеспечение на основе среды разработки LabVIEW, которое не требует больших ресурсов от ПК.
В электрической схеме, соединения между компонентами будут осуществляться с помощью простой витой пары, а присоединение контроллера к персональному компьютеру с помощью USB-кабеля входящего в комплект контроллера. Для соединения пирометров с аналоговыми входами контроллера требуются резисторы номиналом 200 Ом в количестве 13 штук, так как контроллер будет измерять падение напряжения на этих резисторах. Для этого подойдут металлооксидные резисторы марки MO-200 (С2-23) с номинальным сопротивлением 200 Ом.
4.2 Компоновка устройства
Данная система является многомерной, так как имеется тринадцать датчиков-пирометров, из-за необходимости контролировать наиболее важные элементы ТЭД, которые склонны к перегреву.
Такими элементами ТЭД являются обмотки главных и дополнительных полюсов, а так же места контакта между концами проводников обмотки якоря и прорезями петушков коллектора, нарушения которых из-за перегрева вызывает значительное увеличение переходных сопротивлений.
Крепление одного датчика, направленного на крайние участки петушков коллектора, в местах соединения с обмоткой якоря, будет производится на крышке коллекторного люка болтовыми соединениями на специальным металлическом уголке, который будет обеспечивать направление датчика под углом, а для выводов проводов витой пары будет проделано дополнительное технологическое отверстие, как показано на рисунке 4.5 и рисунке 4.6. Для соединения общих проводов витой пары с выводами пирометра будет иметься клеммная колодка, что позволит при демонтаже пирометра не разрывать соединение.
Рисунок 4.5 – Крепление датчика направленного на крайние участки петушков коллектора
Рисунок 4.6 – Расположение датчика направленного на крайние участки петушков коллектора
Двенадцать остальных датчиков будут направленны на лобовые части обмоток главных и дополнительных полюсов и установлены на остове с противоположной стороны коллектору, а выводы электрических проводов будут проходить в подшипниковом щите в местах где нет болтовых отверстий крепления подшипникового щита.
Датчик направленные на обмотку главного полюса будет крепиться в технологическом отверстии с резьбой и вкручиваться в него, так как у самого датчика имеется корпусная резьба, как показано на рисунке 4.7.
Датчик направленный на обмотку дополнительных полюсов будет крепиться болтовыми соединениями на специальном металлическом уголке, под наклоном, так как обмотка дополнительного полюса располагается на другом уровне от обмотки главного полюса. Технологической отверстие для вывода витой пары будет проходить через подшипниковый щит, в месте где нет болтового отверстия крепления, как показано на рисунке 4.8.
Так же для этих пирометров будет применена клеммная колодка с винтовыми зажимами, которая позволит при снятии подшипникового щита не разрывать общие вывода витой пары и выводов пирометров.
Рисунок 4.7 – Крепление датчика направленного обмотку главного полюса
Рисунок 4.8 – Крепление датчика направленного обмотку дополнительного полюса
Рисунок 4.9 – Точки расположения датчиков направленных на обмотки полюсов
4.3 Электрическая схема устройства контроля температуры
Миниатюрные инфракрасные датчики получают питание по витой паре, модулируя потребляемый ток аналоговыми данными о температуре видимой поверхности.
Пирометр испускает линейный токовый сигнал в диапазоне 4–20 мА, поэтому его можно непосредственно подключать к обычным регуляторам, дисплеям или контроллерам.
Применяемый диапазон 4–20 мА, означает, что наименьшее значение сигнала (например, 0) соответствует току 4 мА, а наибольшее 20 мА. Таким образом весь диапазон допустимых значений занимает 16 мА. Нулевое значение тока в цепи означает обрыв линии и позволяет легко диагностировать такую ситуацию. При изменении тока в петле напряжение на нём меняется пропорционально току.
Основное преимущество токовой петли – то, что точность не зависит от длины и сопротивления линии передачи, поскольку источник тока будет поддерживать требуемый ток в линии. Несколько датчиков можно соединять последовательно, источник тока будет поддерживать требуемый ток во всех одновременно (согласно закону Кирхгофа).
Рисунок 4.10 – Электрическая принципиальная схема подключения пирометра Кельвин ИКС по протоколу передачи данных «токовая петля»
В простейшем случае датчик может быть подключен с помощью одного резистора и блока питания 9 .. 12 В к АЦП. В роли АЦП у нас выступает преобразовательный прибор NI 6000, который в свою очередь присоединяется к компьютеру посредством интерфейса full-speed USB и содержит семь каналов ввода аналоговых сигналов (AI). Каналы ввода аналоговых сигналов 0–7 служат для измерений напряжения в схеме с общим проводом; каждая линия предназначена для ввода одного сигнала.
Преобразовательный прибор NI 6000 подает поток данных к персональному компьютеру, который с свою очередь обрабатывает сигналы с помощью программного обеспечения на базе NI LabVIEW. Программное обеспечение обеспечивает сохранение данных с каждого датчика через заданные промежутки времени, а так же выведение графиков перегрева изоляции и подачу сигнала о перегреве.
На рисунке 4.11 приведена принципиальная схема аналогового ввода плат USB-6000.
Рисунок 4.11 – Принципиальная схема аналогового ввода плат USB-6000.
MUX (Мультиплексор). Устройство сбора данных USB 6000 содержит один аналого-цифровой преобразователь (АЦП – ADC). Мультиплексор осуществляет последовательное подключение каждого из каналов аналогового ввода к усилителю с программируемым коэффициентом усиления.
AMP (Усилитель). Усилитель с программируемым коэффициентом усиления обеспечивает усиление входного сигнала в 1, 2, 4, 5, 8, 10, 16 или 20 раз в дифференциальной схеме подключения, и 1 в схеме с общим проводом. Усиление вычисляется автоматически на основании диапазона входных напряжений, программируемого в приложении.
A/D Converter (Аналого-цифровой преобразователь). Аналого-цифровой преобразователь (ADC) выполняет дискретизацию аналогового сигнала, то есть переводит его в цифровой код.
AI FIFO (FIFO буфер операций аналогового ввода). Устройство USB-6000 может выполнять как однократное, так и многократное аналого-цифровое преобразование большого количества выборок. FIFO буфер служит для хранения получаемых данных во избежание их потери во время операции аналогового ввода.
Имеется возможность настроить каналы аналогового ввода платы USB-6000 для выполнения измерений сигналов с дифференциальной схемой подключения или же схемой с общим проводом.
Полная электрическая схема устройства представлена на рисунке 4.12 и представляет собой подключение тринадцати пирометров с интерфейсом токовая петля по схеме с общим проводом, с применением резисторов. Из-за ограниченного количества входов контроллера, потребовалось применить дополнительный контроллер, что бы контролировать в полной мере все датчики.
Котроллеры буду контролироваться и запитываться от персонального компьютера при помощи интерфейса USB.
Рисунок 4.12 – Принципиальная электрическая схема устройства контроля температуры изоляции ТЭД
5 ПРОГРАММНОЕ ОБЕСПЕЧЕНИЕ
В данном разделе показано программное обеспечение с помощью которого будет обрабатываться и сохранятся информация приходящая с датчиков.
5.1 Среда программирования LabVIEW
LabVIEW (англ. Laboratory Virtual Instrumentation Engineering Workbench) – это графическая среда разработки и платформа для выполнения программ, созданных на языке программирования «G» фирмы National Instruments. Программно-аппаратная платформа National Instruments, позволяет продуктивно сочетать различные подходы к программированию и объединять разные аппаратные платформы в единый комплекс.
Графический язык программирования «G», используемый в LabVIEW, основан на архитектуре потоков данных. Последовательность выполнения операторов в таких языках определяется не порядком их следования, а наличием данных на входах этих операторов. Операторы, не связанные по данным, выполняются параллельно в произвольном порядке.
Среда программирования NI LabVIEW предлагает обширную коллекцию элементов управления и индикаторов с поддержкой функции перетаскивания. Используя эти элементы, вы можете быстро и просто создавать пользовательский интерфейс для своих приложений, не утруждая себя разработкой элементов интерфейса или поиском инструментов сторонних разработчиков. Помимо функции перетаскивания элементов интерфейса продвинутые пользователи могут воспользоваться редактором элементов управления, который позволяет настраивать каждый из элементов интерфейса индивидуально.
Программы в LabVIEW называются виртуальными приборами или ВП (Virtual Instruments - VI), поскольку их внешний вид и поведение имитируют физические приборы. Каждый ВП использует функции, которые обрабатывают входные данные от пользовательского интерфейса или иных источников и отображают информацию либо перемещают ее в другие файлы или другие компьютеры.
ВП состоит из двух частей:
- блочной диаграммы, описывающей логику работы виртуального прибора;
- лицевой панели, описывающей внешний интерфейс виртуального прибора.
Лицевая панель виртуального прибора содержит средства ввода-вывода: кнопки, переключатели, светодиоды, верньеры, шкалы, информационные табло и т. п. Блочная диаграмма содержит функциональные узлы, являющиеся источниками, приемниками и средствами обработки данных.
5.2 Алгоритм работы программы
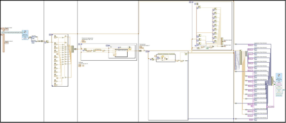
С использованием программного обеспечения NI LabVIEW была разработана программа (рисунок 5.1) для обработки данных с виртуальных датчиков температуры, сигнализации о перегреве, построения графиков перегрева изоляции и сохранения данных на персональном компьютере в формате Excel для последующей расшифровки данных ремонтным персоналом.
Рисунок 5.1 – Главная программа обработки данных с датчиков
Главная программа состоит с шести блочных подпрогрмамм, которые взаимодействуют последовательно. Начальная подпрограмма приведенная на рисунке 5.2 осуществляет чтение токов для дальнейшей генерации значений температуры виртуальных датчиков.
















