ПЗ (1230770), страница 2
Текст из файла (страница 2)
где A2 – амплитуда выходного сигнала;
A1 – амплитуда входного сигнала.
При N = 0 дБ, отношение амплитуд будет равно 1, соответственно входной и выходной сигнал равны, а значит фильтр пропускает данную гармонику без подавления.
По виду АЧХ выделяют следующие основные виды фильтров: фильтры низких частот, фильтры верхних частот, полосовые фильтры, режекторные фильтры.
Фильтр низких частот – это такой фильтр, который низкие частоты, ниже частоты среза ωс, пропускает без значительных изменений, а частоты выше частоты среза ωc подавляет. Полоса задерживания у этого фильтра начинается от ωз и продолжается до бесконечности. Простейший такой фильтр – это последовательно соединенные резистор и катушка индуктивности. При возрастании частоты тока, возрастает также возрастает и реактивное сопротивление схемы, а, следовательно, на высоких частотах амплитуда тока будет значительно подавляться. Данный фильтр часто используется при цифровой обработке сигнала, так как необходимо подавлять частоты выше половины частоты дискретизации, иначе происходит наложение спектров высокочастотных гармоник на спектры низких гармоник, что приводит к искажению сигнала. Примеры АЧХ фильтров низких частот представлены на рисунке 1.1 [3].
Рисунок 1.1 – АЧХ фильтра низких частот: а – АЧХ идеального фильтра, б – АЧХ реального фильтра
Из рисунка 1.1 видно, что в реальном фильтре имеется переходная полоса между полосой пропуская и полосой задерживания от ωс до ωз. Чем уже эта полоса, тем качественнее будет фильтр.
Фильтр верхних частот пропускает частоты выше частоты среза ωс, частоты ниже этой точки он подавляет. Простейший такой фильтр представляет из себя последовательно подключенные конденсатор и резистор. Принцип действия основан на том, что с повышением частоты тока, падает реактивное сопротивление схемы, а, из этого следует, что на высоких частотах будет происходить подавление амплитуды входного тока. Таким фильтром, например, можно избавиться от постоянной составляющий сигнала, для этого частоту задерживания подбирают на необходимом низком уровне. Но обычно его используют, для выделение высокочастотных гармоник из исходного сигнала. Примеры АЧХ фильтров верхних частот представлены на рисунке 1.2.
Рисунок 1.2 – АЧХ фильтра верхних частот: а – АЧХ идеального фильтра, б – АЧХ реального фильтра
Полосовой фильтр задерживает все частоты, кроме частот, попадающих в полосу пропускания. В данном фильтре выделяют две частоты среза ωс1 и ωс2, между которыми находится средняя частота ω0, этими частотами и ограничена полоса пропускания. Такой фильтр можно реализовать за счет последовательного соединения фильтров верхних и низких частот. Простейшая его схема – это последовательное соединение катушки, конденсатора и резистора. При определенной резонансной частоте, происходит падение сопротивление в цепи, а в следствии падение напряжение, амплитуда тока возрастает. На частотах, не совпадающих с резонансной, сопротивление в цепи достаточное большое, что приводит к подавлению амплитуды входного сигнала. Такой фильтр применяют для выделения из входного сигнала гармоники находящиеся только в определённом диапазоне частот. На рисунке 1.3 изображены примеры АЧХ полосовых фильтров [3].
Рисунок 1.3 – АЧХ полосового фильтра: а – АЧХ идеального фильтра, б – АЧХ реального фильтра
Режекторный фильтр пропускает все частоты, за исключением частот, находящихся в узкой полосе задерживания. Частота задерживания у этого фильтра находится между частотами среза ωс1 и ωс2. Для реализации такого фильтра можно использовать также, как и в полосовом фильтре, катушку, конденсатор и резистор, но катушку и конденсатор подключают параллельно друг другу. При определённой частоте происходит возрастание реактивного сопротивления цепи, и амплитуда тока подавляется. Применение такого фильтра позволяет избавиться от нежелательных частот. Так, например, можно его использовать для того, чтобы подавить частоту 50 Гц наводимой из сети питания переменного тока. При моделировании режекторного фильтра важной характеристикой качественной работы является его полоса задерживания. Добротность (D) – это отношение подавляемой частоты к полосе задерживания
В некоторых фильтрах величину добротности можно менять, к примеру, с помощью регулируемого резистора.
Пример АЧХ режекторного фильтра представлены на рисунке 1.4.
Рисунок 1.4 – АЧХ режекторного фильтра: а – АЧХ идеального фильтра, б – АЧХ реального фильтра
Нашей задачей является устранение сетевых наводок от сети питания, поэтому в дальнейшей работе будем рассматривать только режекторный фильтр.
1.3 Моделирование и анализ работы двойного Т-образного мостового фильтра
Для подавления сигналов определенной частоты часто используют Т-образный мостовой фильтр, он достаточно хорошо подавляет амплитуду входного сигнала, но обладает слабой избирательностью, так как подавляет не только заграждающие частоты, но и частично амплитуды «нужных» частот, находящиеся рядом с частотой подавления [11].
Реализация данного фильтра представляет собой мостовую схему из двух резистивно-емкостных плечей. Данный фильтр является пассивным, так как имеет в своей схеме элементов с собственным источником питания. Пассивные фильтры обычно имеют широкую полосу заграждения, поэтому редко используются. Схема фильтра представлена на рисунке 1.5.
Рисунок 1.5 – Схема двойного Т-образного мостового режекторного фильтра: X – входной сигнал, Y – выходной сигнал
Частота подавления (f) данного фильтра рассчитывается по формуле
где R – активное сопротивление резисторов, Ом;
С – реактивное сопротивление конденсаторов, Ф.
Для того чтобы подавить частоту 50 Гц были подобраны компоненты схемы со значениями: C = 0,1 мкФ, R = 31,8 кОм.
Проверим правильность выбранных компонентов подставив численные значение в формулу (1.1) и получим:
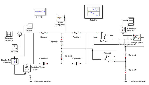
Для уменьшения полосы заграждения, в данном фильтре используются операционные усилители, а так как они имеет свой собственный источник питания, то фильтр становится активным. В программной среде Matlab был смоделирован двойной Т-образный мостовой режекторный фильтр. В качестве входного сигнала используется сигнал по форме схожий с ЭКГ сигналом, который задается элементом Repeating Sequence. На входной сигнал была наложена гармоника с частотой 50 Гц и амплитудой 0,1 В, которая моделирует наводимые помехи из сети питания (Sine Wave). Для построение АЧХ используется элемент Bode Plot, а для быстрого преобразования Фурье (FFT – анализа) используется элемент powergui. Схема данного фильтра, смоделированного в программной среде Matlab, представлена на рисунке 1.6.
Рисунок 1.6 – Схема двойного Т-образного режекторного фильтра собранная в программной среде Matlab
Значительным плюсом данной схемы является возможность регулирования добротности за счет изменения сопротивления резистора Resistor3. При уменьшении сопротивления добротность повышается, и, соответственно, при увеличении сопротивления добротность будет падать. То есть за счет уменьшения сопротивления резистора возможно получить очень узкую полосу заграждения, но при этом падает подавляющая способность фильтра и амплитуда подавляемой частоты гасится не полностью, что приводит к помехам на осциллограмме. Поэтому в данном случае необходимо найти компромиссное значение сопротивления, при котором выходная характеристика искажается как можно меньше.
Для получения осциллограмм фильтруемого сигнала используется элемент Scope. На Scope 2 подается входной сигнал, который состоит из ЭКГ сигнала и наложенной на него помехи 50 Гц, после этого сигнал проходит Т-образный двойной фильтр и подается на Scope1. Проходя через фильтр амплитуда гармоники с частотой 50 Гц значительно падает и на Scope1 мы получаем исходный сигнал, без помех. Полученные осциллограммы представлены на рисунке 1.7.
Рисунок 1.7 – Осциллограммы фильтруемого сигнала: а – входной сигнал, снятый с Scope2;
б – сигнал на выходе фильтра, снятый с Scope1
Для оценки того, как изменились амплитуды различных частот входного сигнала, после прохода через фильтр, проведем анализ Фурье входного и выходного сигнала с помощью элемента powergui, данный элемент считывает сохраненные с осциллографов сигналы и производит разложение их в ряд Фурье, по оси ординат откладывается амплитуда сигнала, по оси абсцисс частота. Разложение в ряд Фурье позволяет увидеть из каких гармоник состоит сигнал и значение их спектра (амплитуды). Результаты анализа Фурье сигналов снятых с фильтра представлены на рисунке 1.8.
Рисунок 1.8 – Анализ Фурье входного и выходного сигнала: а – входной сигнал, снятый с Scope2; б – сигнал на выходе фильтра, снятый с Scope1
Как видно из рисунка 1.8, все гармоники значительно не потерпели изменения амплитуды, а гармоника с частотой 50 Гц подавлена практически до нуля, что свидетельствует о хороших подавляющих свойствах данного фильтра.
Для анализа частотных характеристик необходимо построить АЧХ и ФЧХ фильтра, получить данные характеристики можно с помощью элемента Bode Plot. Результат приведен на рисунке 1.9.
Рисунок 1.9 – АЧХ и ФЧХ аналогово Т-образного мостового фильтра
На рисунке 1.9 сверху изображен АЧХ фильтра, снизу ФЧХ фильтра. Как видно из АЧХ подавление амплитуды фильтра составило 144 дБ, что является хорошим результатом. Но также происходит подавление других частот, что является нежелательным. Вид ФЧХ фильтра нелинейный, что говорит об искажении выходного сигнала, вследствие различной задержки у гармоник разных частот.
В результате моделирования видно, что аналоговый фильтр достаточно хорошо подавляет вредную частоту, но при этом форма выходного сигнала искажается в результате нелинейности ФЧХ и подавления амплитуд исследуемых гармоник в частотах близких к 50 Гц. Также необходимо учесть, что в результате старения элементов, а также в следствии влияния параметров окружающей среды, происходит изменение параметра фильтра, а это тоже приведет к искажению результата. На фоне всего этого, приходим к выводу, что цифровые фильтры более перспективны, при необходимости получения точных результатов.
2 АНАЛИЗ СПОСОБОВ РЕАЛИЗАЦИИ ЦИФРОВЫХ РЕЖЕКТОРНЫХ ФИЛЬТРОВ
Большинство сигналов являются аналоговыми, то есть непрерывными во времени. Но с такими сигналами работать компьютер не способен, поэтому необходимо производить дискретизацию аналогового сигнала. Дискретизация – это процесс замера амплитуды сигнала через определенные равные промежутки времени, эти промежутки называются периодом дискретизации.
На входе цифрового фильтра стоит АЦП, который и производит дискретизацию сигнала. Далее цифровые данные поступают на процессор, который согласно программе, производит необходимые вычисления, а после данные подаются на ЦАП, для того, чтобы преобразовать сигнал снова в аналоговый вид.
При выборе частоты дискретизации сигнала, необходимо учитывать теорему Котельникова. Теорема Котельникова: если сигнал таков, что его спектр ограничен частотой F, то после дискретизации сигнала с частотой не менее 2F можно восстановить исходный непрерывный сигнал по полученному цифровому сигналу абсолютно точно.
При разложении в интеграл Фурье, функция раскладывается в сумму синусоид, коэффициенты этих синусоид называются спектрами. Если после какой-то синусоиды с определенной частотой спектры становятся равны нулю, то говорят, что функция ограничена данной частотой F [9].
То есть согласно теоремы Котельникова, частота дискретизации должна быть в два раза больше, чем частота ограничения сигнала. В другом случае, высокочастотные сигналы будут накладываться в зону низких частот, что приведет к появлению помех.
















