Поясннительная записка (1230467), страница 3
Текст из файла (страница 3)
Рисунок 3.1 – Упрощенная силовая схема тягового привода.
Тиристоры ВИП открываются с помощью управляющих импульсов, вырабатываемых блоком управления А55.
На первой зоне регулирования тяговые двигатели питаются от выпрямительных мостов, образуемых плечами 3 – 6, подключенными на выводы секции II обмотки трансформатора.
Тиристоры плеч 3, 5 открываются импульсами с постоянной фазой α0, соответствующей минимальному углу открытия, а тиристоры плеч 4, 6 -импульсами с регулируемой фазой αр. Если в один из полупериодов нагрузку взяли тиристоры плеч 4, 5, то в следующий полупериод при открытии тиристоров плеча 3 в момент от происходит коммутация тока с тиристоров плеча 5 на тиристоры плеча 3, а энергия цепи выпрямленного тока разряжается по нулевому контуру: тиристоры плеч 4, 3, сглаживающий реактор, тяговый двигатель, При угле открытия αр, тиристоров плеча б происходит коммутация тока с тиристоров плеча 4 на тиристоры плеча 6 и далее ток нагрузки проходит через тиристоры плеч 3, 6.
В последующий полупериод при угле открытия щ тиристоров плеча 5 закрываются тиристоры плеча 3 и возникает нулевой контур разряда энергии по цепи: тиристоры плеч в, 5, сглаживающий реактор Таким образом, происходит чередование нулевых вентилей для различных полупериодов напряжения сети, что позволяет не усиливать по току плечи ВИП, работающие в первой зоне регулирования.
Чем большую часть проводящего полупериода проходит ток через тиристоры, тем больше среднее значение выпрямленного напряжения на тяговых двигателях.
Для реализации изложенных режимов работы ВИП в первой зоне необходимо на тиристоры плеча 5 в один и тот же полупериод напряжения сети подавать импульсы управления, регулируемые по фазе от π до α0 и импульсы управления с фазой α0.
Это объясняется тем, что тиристоры плеч 3 и 5, на которые подаются импульсы управления в начале полупериода, не удерживаются в открытом состоянии до прихода импульсов с фазой и, на тиристоры плеч 4, 5. Поэтому подачей дополнительных импульсов на тиристоры плечи 5 будет создана цепь тока через тиристоры плеч 4, 5, что позволит запасти электромагнитную энергию в реакторе. В дальнейшем тиристоры плеча 5, получая импульсы управления с фазой α0 будут удерживаться в открытом состоянии за счет разряда электромагнитной энергии реактора, и импульсы с фазой αр, с тиристоров плеча 5 могут быть сняты [1].
Во второй зоне плавным изменением фазы открытия тиристоров плеч 1, 2 осуществляется регулирование выпрямленного напряжения от 1/4Uном до 1/2Uном.
Протекание тока в течение полупериода будет происходить следующим образом в начале полупериода ток будет проходить от секции II обмотки трансформатора черт тиристоры плеча 3, цепи тяговых двигателей, плечо 6. В момент открытия тиристоров плеча 1 происходит коммутация тока с тиристоров плеча 3 на тиристоры плеча 1, С этого момента тяговые движители питаются от секций 1, II обмотки трансформатора.
Аналогично ток будет проходить и во второй полупериод, но в работе будут участвовать тиристоры плеч 2, 4 и 5.
Для дальнейшего увеличения выпрямленном напряжения, при полностью открытых тиристорах плеч 1 и 2, нагрузка переводится с секции I, II на секцию III обмотки трансформатора.
Перевод осуществляется без потери тяги и бросков тока и происходит следующим образом:
Нагрузка с тиристоров плеч 1› 2, 5, 6 переводится на тиристоры плеч 5, 6,7,8 без изменения тока якоря. Это достигается подачей на блок логики аппаратуры управления синхроимпульсов в момент времени
. Если синхроимпульс поступает при полностью открытых тиристорах плеч 1, 6, то за время
‚ должны быть выполнены логические операции, запрещающие подачу импульсов управления в следующий полупериод на тиристоры плеч 2 и 5 и разрешающие открытие тиристоров 6, 7. Тогда под действием э.д.с. всей вторичной обмотки трансформатора происходит коммутация тока с тиристоров плеча 1 на тиристоры плеча 7. Ток нагрузки проходит по цепи - тиристоры плеч 6, 7 секция III обмотки трансформатора, тиристоры плеча 6 при таком переходе нагружены током в течение периода. Это происходит один раз, и дальше тиристоры плеч 6, 7 чередуются с 5, 8, находясь под током половину периода. Если же синхроимпульс поступает при открытиях тиристорах плеч 2, 5, тогда тиристоры плеча 5 остаются в открытом состоянии еще на один полупериод, так как должны быть открыты тиристоры плеч 5 и 8.
Дальнейшее повышение напряжения осуществляется путем подачи импульсов на открытие тиристоров плеч 5, 8 и 6, 7 с углом во и плавным изменением угла открытия тиристоров плеч 3 и 4 от максимального значения до α0.
При этом выпрямленное напряжение будет плавно изменяться от 1/2Uном до 1/4Uном.
Ток по тиристорам указанных плеч в течение полупериода будет протекать следующим образом: если ток протекает в начале полупериода через тиристоры плеч 5, 8 (или 6, 7), то с момента подачи импульса на открытие тиристоров плеча 3(или 4) происходит коммутация тока с тиристоров плеча 5 (или 6) на тиристоры плеча 3 (или 4) [1].
На четвертой зоне регулирования к работающим тиристорам плеч 3, 8 и 4, 7 дополнительно подключаются тиристоры плеч 1 и 2 с углом открытия 05. Таким образом, к секциям III, II обмотки трансформатора прибавляется секция I.
В момент открытия тиристоров плеч 1 и 2 с углом открытия 04, выпрямленное напряжение будет иметь наибольшее значение.
Для уменьшения напряжения последовательность переходов обратная.
Выше рассматривался упрощенный алгоритм работы тиристоров преобразователя для режима тяги. Этот алгоритм позволяет рассмотреть основной принцип регулирования выпрямленного напряжения.
Теперь остановимся на некоторых особенностях работы преобразователя с параллельным соединением мостов. Так, например, на третьей зоне в режиме тяги тиристоры плеч 5, 3 и 6, 7 открываются в начале полупериода управляющим импульсом с фазой α0, с тиристоры плеч 3 и 4 с импульсом с фазой αр. Если в один из полупериодов ток тек по контуру: плечо 8, секции III и II, плечо 3, тяговые двигатели, то в начале следующего полупериода управляющие импульсы с фазой α0 подаются на тиристоры плеч 6, 7. При этом образуются два контура коммутации тока:
-
1 плечи 3, 7 — секции II, II;
-
2 плечи 6, 8 — секции III.
Первой начинается коммутация в контуре, где напряжение выше, то есть в контуре 1. Во время этой коммутации тиристоры плеча 7 открываются, а тиристоры плеча 3 закрываются. После завершения коммутации тока в контуре 1 (угол коммутации γ0) начинается коммутация в контуре 2 (угол коммутации
), при которой открываются тиристоры плеча 6 [1].
Поскольку коммутация тока происходит поочередно в контуре с большим напряжением и в контуре с меньшим напряжением, потенциальные условия для начала коммутации в плечах, находящихся в контуре с меньшим напряжением, могут создаваться позже воздействия на них управляющих импульсов с фазой α0.
В этом случае коммутация тока в контуре с меньшим напряжением может совсем не начаться, либо не все тиристоры плеча возьмут нагрузку, что приведет к нарушению параллельной работы тиристоров.
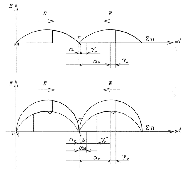
Чтобы исключить подобные режимы, осуществляется автоматическое слежение за окончанием коммутации тока в контуре с большим напряжением, и управляющий импульс на тиристоры малого контура подается в тот момент, когда напряжение на обмотке трансформатора восстановится и создадутся потенциальные условия для начала коммутации тока в меньшем контуре (фаза α03 на рисунке 3.2).
Форма напряжения ВИП при регулировании в режиме тяги приведена на рисунке 3.2.
Рисунок 3.2 – Форма напряжения ВИП при регулировании в режиме тяги
В конце второй, третьей и четвертой зон регулирования при подаче управляющих импульсов на тиристоры с углом открытия αр, во время коммутации тиристоров с углом открытия α0, может возникнуть режим с нарушением параллельной работы тиристоров, т.е. когда часть тиристоров плеча закрыта. Это возможно при снятии управляющих импульсов до окончания коммутации, когда ток через отдельные тиристоры может быть меньше тока удержания вследствие резкого снижения напряжения обмоток трансформатора и, следовательно, анодного напряжения тиристоров при коммутации. С целью исключения подобных режимов предусмотрено автоматическое ограничение фазы импульса - αр.
3.2 Цепи тяговых двигателей в режиме рекуперативного торможения
Тяговые двигатели в режиме рекуперативного торможения работают как генераторы постоянного тока с независимым возбуждением [1].
Рекуперативное торможение осуществляется путем инвертирования постоянного тока тяговых двигателей, работающих генераторами в переменный ток промышленной частоты.
Все переключения в силовой цепи при переходе из режима тяги в режим рекуперативного торможения и наоборот производится переключателями QT1 блоков А11, А12. При переходе в режим рекуперативного торможения якорь каждого тягового двигателя отключается от своей обмотки возбуждения и подключается к ВИП последовательно с диодами панели U1 и блоком резисторов R10
Блок резисторов R10 предназначен для обеспечения большей электрической устойчивости рекуперативного торможения, а также для улучшения распределения тока между параллельно включенными якорями тяговых двигателей.
Панель с диодами U11 предназначена для предотвращения появления контурных токов при переходе в режим рекуперативного торможения на высоких скоростях.
Для защиты резисторов от токовых перегрузок предусмотрена панель реле напряжения А6. При срабатывании реле контроля напряжения KV01, KV02 панели А6 разбирается схема электрического торможения.
При срабатывании реле контроля напряжения куш панели защиты тяговых двигателей от кругового огня А27 блоков А11, А12 отключается контактор К1, обесточивая обмотки возбуждения тяговых двигателей.
Обмотки тягового трансформатора с выводами а3 - х3 и выпрямительная установка возбуждении U3 образуют схему двухполупериодного выпрямления со средней нулевой точкой для питания обмоток возбуждения тяговых двигателей. Напряжение холостого хода между выводами а3 – х3 составляет 172В.
Тормозными переключателями QT1 блоков А11, А12 обмотки возбуждения тяговых двигателей каждой секции соединяются между собой последовательно.
Резисторы R1, R2 (выводы P0, РЗ) блоков А11, А12 остаются подключенными параллельно обмоткам возбуждения, как и в режиме тяги.
Сбор силовой схемы питания обмоток возбуждения завершается включением контактора К1.
Ток возбуждения измеряется амперметром РА2 ВОЗБУЖДЕНИЕ, установленным в кузове головной (хвостовой) секции.
Обратная связь по току с системой регулирования обеспечивается с помощью датчика топ Т15.
От тока перегрузки цепи возбуждения защищены с помощью реле КАЗ, от токов короткого замыкания при пробое плеч ВУВ - с помощью реле КА7. При срабатывании реле КА7 отключается контактор К1, при срабатывании реле КА8 отключается главный выключатель QF1.
Контроль замыкания цепей возбуждения на корпус осуществляет реле контроля “земли“ KV5, при включении которого на любой секции на блоке сигнализации А23 над пультом машиниста головной(хвостовой) секции загорается индикатор ВУВ.
Для снижения уровня радиопомех и коммутационных перенапряжении обмотка а3 - х3 тягового трансформатора соединена с корпусом секции через конденсаторы С15, С16.
3.3 Регулирование тормозной силы в режиме рекуперативного торможения
При работе электровоза в режиме рекуперативного торможения в зоне высоких скоростей тормозная сила регулируется плавным изменением тока возбуждения тяговых двигателей, а в зоне средних и малых скоростей – плавным изменением напряжения ВИП, работающих в инверторном режиме [1].
Изменение тока возбуждения осуществляется за счет изменения угля открытый тиристоров выпрямительной установки возбуждения U3.
Тиристоры открываются с помощью управляющих импульсов, вырабатываемых блоком управления А55 и подаваемых через выходные усилители импульсов выпрямительной установки возбуждения на управляющие электроды тиристоров.
Тормозная сила в четвертой зоне регулируется плавным изменением тока возбуждении, который по мере снижения скорости движения электровоза должен увеличиваться для поддержания заданной тормозной силы. При достижении наибольшего тока возбуждения дальнейшее поддержание заданной тормозной силы осуществляется плавным уменьшением напряжения ВИП.
Плавное регулирование напряжения ВИП производится с середины четвертой зоны (αр= 90°эл) до первой зоны. В четвертой зоне тиристоры плеч 1, 2, 7, 8 открываются с углом опережения β. Импульсы управления формируются системой авторегулирования инвертора, входящей в блок управления А55, обеспечивающий постоянство угла запаса δ=β-γ при токе якоря более 400 А. При меньших токах осуществляется регулирование инвертора с постоянным углом опережения β.
Информации об угле коммутации γ поступает от датчиков Т21 – Т24.
Регулирование в четвертой зоне осуществляется изменением фазы открытия тиристоров плеч 3 и 4, начиная с угла α=90°эл.
Ток двигателей в начале полупериода протекает через тиристоры плеч 1, 8 (или 2, 7). В момент подачи управляющего импульса на тиристоры плеч 3(или 4) происходит коммутация тока с тиристоров плеч 1 (или 2) на тиристоры плеч 3 (или 4). В дальнейшем так до конца полупериода будет протекать через тиристоры плеч 3, 8 или 4, 7.
Переход на регулирование в третьей зоне осуществляется подачей импульсов с углом опережения β на тиристоры плеч 3, 8 и 4, 7 и закрытием тиристоров плеч 1, 2. Регулирование осуществляется изменением фазы открытия тиристоров плеч 5, 6. По окончании регулирования в третьей зоне выполняется синхронный перевод нагрузки с тиристоров плеч 5, 6, 7, 8 в тиристоры плеч 1, 2, 5, 6. Последние открываются с углом опережения β, обеспечивая переход во вторую зону регулирования.















