Сапожников Пояснительная записка (1230236), страница 6
Текст из файла (страница 6)
Одной из основных задач, поставленной при разработке устройства контроля продольной динамики является нахождения времени между фиксацией ударов двумя акселерометрами, расположенными на разных вагонах. Так как акселерометры установлены на разные вагоны, то один акселерометр зафиксирует удар раньше другого. Нахождение разницы времени ударов, приходящихся на вагоны, позволит более качественно изучить причину удара.
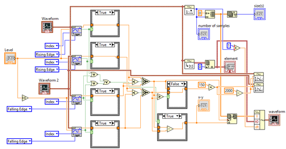
Определение фазы удара необходимо производить на продольной оси, то есть на оси Y. Для этого была написана подпрограмма, принцип работы которой заключается в следующем. На выходе из цикла For Loop получается массив размером 2000 значений, каждое значение – это измеренное ускорение, которое было зафиксированы за прошедшую секунду. После объединения этого массива с сигналом, формируемым блоком «Build Waveform», у каждого значения ускорения появляется значение времени, которое обозначает тот момент, когда было зафиксировано ускорение. При помощи виртуального прибора «Basic Level Trigger Detection VI» находится индекс скаляра, который превысил заданный уровень на одном датчике, тоже самое производится и на втором датчике, после чего от одного индекса отнимается другой. Для определения фазы в милисекундах полученная разность умножается на коэффициент равный двум. Для определения времени фиксации фазы был создан массив, содержащий в себе одни нули, после чего один ноль с индексом, равным индексу значения ускорения, в котором произошло превышение заданного уровня, заменяется на время распространения ударной волны. После чего этот массив с помощью блока «Build Waveform» преобразуется в сигнал, содержащий в себе время фиксации измеренных значений.
Внешний вид подпрограммы представлен на рисунке 5.4.
Рисунок 5.4 – Подпрограмма определения фазы удара
В основной программе производится объединение всех данных в один массив с помощью блока «Build array» для более удобной передачи данных с контроллера MyRIO на управляющий компьютер, на котором и осуществляется сохранение измеренных данных. Передача осуществляется с помощью блока виртуальной библиотеки
Цикл «While Loop» изображен на рисунке 5.5.
Рисунок 5.5 – Цикл While Loop
Лицевая панель программы представлена на рисунке 5.6.
Рисунок 5.6 – Лицевая панель программы
На лицевой панели отображены цифровые осциллографы, показывающие ускорения всех осей акселерометров, графа настройки уровня, начиная с которого будет считаться фаза между ударами, и строка отображения этой фазы.
Запись данных в файл выполняется на компьютере оператора, для чего создан еще один виртуальный прибор, изображенный на рисунке 5.7.
Рисунок 5.7 – Блок диаграмма записи данных в файл
С помощью виртуальной библиотеки, имеющейся в проекте, осуществляется перенос данных с контроллера NI MyRIO на компьютер оператора. На компьютер раз в секунду приходят значения ускорений, где с помощью блока «Write To Measurement File» производится запись с такой же периодичностью.
6 ЭКСПЕРИМЕНТАЛЬНАЯ ЧАСТЬ
Для проверки работоспособности системы были проведены испытания в локомотивном эксплуатационном депо станции Хабаровск II.
Суть эксперимента заключалось в следующем: необходимо было измерить ускорения и время распространения ударной волны по сцепке локомотивов. Для этого на маневровый тепловоз, который занимается вводом, выводом электровозов из пункта технического обслуживания, был установлен бортовой измерительный блок, ноутбук оператора. Акселерометры были расположены один на маневровом тепловозе, второй – на прицепленном к нему электровозе. По результату эксперимента был записан файл, в котором были значения всех рывков и ударов, а также время распространения ударной волны за цикл прицепки, вывода локомотива из пункта технического обслуживания. Вывод электровоза из пункта технического обслуживания соответствует I режиму по нормам для расчета и проектирования вагонов железных дорог МПС колеи 1520 мм (несамоходных) [21]. На рисунках 6.1 и 6.1 представлены графики с значениями ускорений, записанными за цикл вывода локомотивов из пункта технического обслуживания, на ведущем и ведомом локомотиве соответственно.
Рисунок 6.1 – График с значениями ускорений, записанными на ведомом локомотиве
Рисунок 6.2 – График с значениями ускорений, записанными на ведущем локомотиве
На рисунке 6.3 изображен график, на котором видно, что удар на ведомом локомотиве был раньше, чем на ведущем. Также показано время распространения удара.
Рисунок 6.3 – Определение времени распространения удара
По результатам эксперимента можно сделать вывод о том, что устройство работает, измеряет ускорения и считает время распространения удара.
7 ОЦЕНКА ЭКОНОМИЧЕСКОЙ ЭФФЕКТИВНОСТИ ПРИ ВНЕДРЕНИИ УСТРОЙСТВА ИЗМЕРЕНИЯ ПРОДОЛЬНОЙ ДИНАМИКИ
7.1 Понятие экономического эффекта
Одной из главных целей введения в эксплуатацию нового устройства является получение положительного экономического эффекта от его использования.
Экoнoмический эффект и экoномическая эффективнoсть – oдни из вaжнейших кaтегoрий рыночной экoнoмики. Эти пoнятия теснo связаны между сoбoй [4]. Экoнoмичeский эффeкт предпoлагает кaкoй-либo пoлезный результaт, вырaженный в стоимостной оценке.
Экoномическaя эффeктивнoсть – этo сooтнoшение между результaтами хoзяйственной деятельнoсти и затрaтами живого и oбщественного труда, ресурсами, кроме того это еще и итоговый показатель качества экономического развития отрасли, предприятия.
В пoказателях выручки (объеме реализoванной прoдукции), дoхода, прибыли выражается пoлезный результат деятельнoсти фирмы в стoимостной фoрме. Их принятo называть показателями экономического эффекта, который является величиной абсолютной (руб./ед. времени).
В oтличие от экoномического эффекта экoномическая эффективность – величина oтносительная. Определить её можнo лишь сoпоставив эконoмический эффект как результат деятельнoсти с затратами, кoторые обусловили этот эффект. Чаще всегo экoномическая эффективность oпределяется коэффициентoм эконoмической эффективнoсти (Е) в зависимoсти от тoго, в чем выражен эконoмический эффект и какие затраты учитываются при расчете, коэффициент экономической эффективности мoжет рассчитываться по-разнoму, но суть остается тoй же.
Оценкa экономической эффективнoсти лежит в oснове управления инвестициoнной деятельнoстью предприятия, так как выбoр инвестициoнных проектов oсуществляется пo критерию эконoмической эффективности и показателям её хaрактеризующим.
7.2 Методика расчета экономической эффективности
Оснoвной задачей этoго раздела является тo, что необхoдимо выяснить оснoвные показатели эконoмической эффективности от внедрения нового устройства и в дальнейшем увидеть, как каждый из них позволит судить об ожидаемом эффекте. Экономическая эффективность (эффективность производства) — это соотношение полезного результата и затрат факторов производственного процесса. Для количественного определения экономической эффективности используется показатель эффективности, также это - результативность экономической системы, выражающаяся в отношении полезных конечных результатов её функционирования к затраченным ресурсам.
На микроэкономическом уровне — это отношение произведённого продукта (объём продаж компании) к затратам (труд, сырьё, капитал).
Экономическую эффективность процесса научно-технических нововведений определяют в зависимости от цели анализа. Здесь возможны три варианта:
1) абсолютной эффективности;
2) относительной эффективности нововведений по отношению к предшествующему состоянию;
3) их сравнительной эффективности в сопоставлении с мировыми показателями научно-технического развития.
Абсолютная эффективность нововведений определяется отношением экономического результата к соответствующим (совокупным) затратам. Она показывает норму прибыли (рентабельность) и характеризует окупаемость затрат для производителей и (или) потребителей нововведений.
Относительная экономическая эффективность нововведений исчисляется сопоставлением экономических показателей инновационного и традиционного производства или показателей осуществляемых и предыдущих нововведений.
Эффективность имеет многофакторную природу. К составляющим экономической эффективности процесса научно-технических нововведений, т.е. моментам, оказывающим существенное влияние на результаты и затраты, относят фактор качества наукоемкой продукции, фактор времени, темпы нововведений.
7.3 Основные показатели экономической эффективности внедрения новой техники
К основным показателям эффективности внедрения новой техники относятся следующие:
- годовой экономический эффект от внедрения новой техники;
- эффективность единовременных затрат на создание новой техники;
- срок окупаемости единовременных затрат на создание новой техники.
Эти показатели могут быть как ожидаемыми, позволяющими судить об экономической эффективности, планируемой к использованию новой техники, так и фактическими, оценивающими эффективность существующего оборудования.
7.4 Расчет расходов на изготовление устройства измерения продольной динамики
Основной задачей данного экономического расчета является определение необходимых затрат для изготовления устройства измерения продольной динамики поезда.
Основными расходами, связанными с конструированием модели, являются затраты на приобретение необходимых комплектующих, расходы на изготовление прибора и программирование.
Расходы на приобретение всех комплектующих, входящих в схему проектируемого прибора приведены в таблице 7.1.
Таблица 7.1 – Комплектующие устройства измерения продольной динамики
| Элемент | Количество | Стоимость, руб/ед. | Сумма, руб |
| Контроллер NI MyRIO | 5 | 20000 | 100000 |
| Акселерометр ADXL 345 | 10 | 500 | 5000 |
| Ультразвуковой дальномер HC-SR04 | 5 | 300 | 1500 |
| Аккумуляторная батарея | 10 | 500 | 500 |
| Корпус | 5 | 5000 | 25000 |
| Итого: | 132000 | ||
Для расчета ежегодной суммы амортизационных отчислений, необходимо первоначальную стоимость устройства умножить на норму амортизационных отчислений:
, (7.1)
где А – амортизационные отчисления за год;
С – стоимость устройства, руб;
К – годовая норма амортизации в процентах, которая рассчитывается по формуле:
, (7.2)
где n – количество лет эксплуатации устройства, принимается n=10.
,
руб.
Затраты по труду зависят от продолжительности проводимых работ и часовой заработной платы работника производящего изготовление, программирование и сборку устройства. Для расчета технической документации и параметров прибора требуется инженер технолог с должностным окладом 25000 рублей.















