3. Диплом (1229795), страница 9
Текст из файла (страница 9)
Рисунок 3.2 - График реализуемых тормозных путей экстренного торможения поезда и одиночно следующего локомотива при различных вариантах действия тормозных систем
Анализ полученных результатов показывает, что использование ДЭПТ обеспечивает следующие сокращение тормозного пути при экстренных или автостопных торможениях:
-
при следовании с поездом 875,7 м на 4,1% , кривая 5 - совместное действие автоматических тормозов вагонов поезда, ограниченной мощности рекуперативного тормоза и пневматического тормоза электровоза с максимальным давлением в тормозных цилиндрах 0,4 МПа по сравнению с 912,9 м кривая 1 - действие автоматических тормозов вагонов поезда и пневматического тормоза электровоза с давлением в тормозных цилиндрах 0,4 МПа;
-
при следовании с поездом 822,5 м на 9,9%, кривая 3 - совместное действие автоматических тормозов вагонов поезда, максимальной мощности рекуперативного тормоза и пневматического тормоза электровоза с давлением в тормозных цилиндрах не выше 0,15 МПа по сравнению 912,9 м, кривая 1 - действие автоматических тормозов вагонов поезда и пневматического тормоза электровоза с давлением в тормозных цилиндрах 0,4 МПа;
-
при одиночном следовании электровоза 360,7 м на 39,1%, кривая 6 - совместное действие ограниченной мощности рекуперативного тормоза и пневматического тормоза с максимальным давлением в тормозных цилиндрах 0,4 МПа по сравнению 592,2 м кривая 2 - действие только пневматического тормоза электровоза с давлением в тормозных цилиндрах 0,4 МПа.
-
при одиночном следовании электровоза 233,8 м на 60,5%, кривая 4 - совместное действие максимальной мощности рекуперативного тормоза и пневматического тормоза с давлением в тормозных цилиндрах не выше 0,15 МПа по сравнению 592,2 м кривая 2 - действие только пневматического тормоза электровоза с давлением в тормозных цилиндрах 0,4 МПа.
3.4 Возможность реализация системы совместного действия электродинамического и пневматического тормозов локомотива
Реализация действия предлагаемой системы ДЭПТ, обеспечивающей столь существенное сокращение тормозных путей, на электровозах серии ЭС5К может быть достигнута следующим образом.
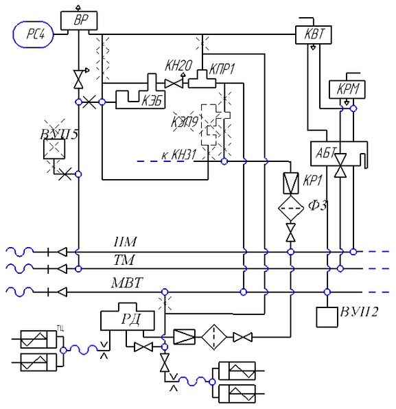
В пневмосхеме тормоза (рисунок 3.3) для исключения отключения электроблокировочного клапана КЭБ при снижении давления в ТМ ниже его уставки, осуществляется следующее:
-
питательный отросток электроблокировочного клапана КЭБ отсоединяется от выхода ВР и сообщается со своим управляющим отростком;
-
импульсный вход КВТ отсоединяется от выходного отростка переключательного клапана КПР1 и сообщается с выходом ВР;
-
воздухопровод к управляющему отростку электроблокировочного клапана КЭБ от ТМ отсоединяется, и штуцер на ней заглушается;
-
управляющий отросток электроблокировочного клапана КЭБ сообщается с воздухопроводом цепей управления (от выхода редуктора давления КР1);
-
клапан замещения рекуперативного тормоза КЭП9 и пневматический выключатель управления ВУП5 из пневмосхемы тормоза исключаются и штуцеры подходящих к ним воздухопроводов заглушаются;
-
входной отросток переключательного клапана КПР1 (от которого отсоединен исключенный КЭП9) сообщается с МВТ;
-
воздухопровод к управляющему входу реле давления РД и тормозным цилиндрам Ц3-Ц4 разобщается от МВТ и сообщается с выходным отростком переключательного клапана КПР1.
Рисунок 3.3 – Изменения в пневматической схеме тормоза
3.5 Принцип работы системы ДЭПТ
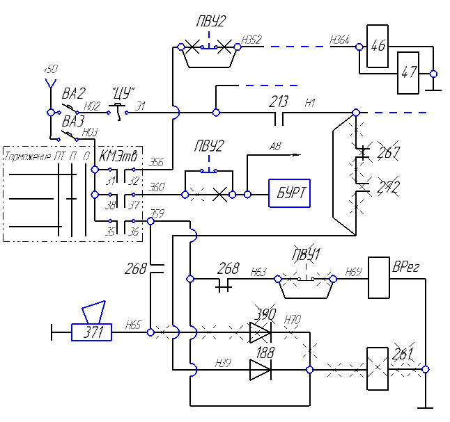
При введении в работу пульта управления кабины (замыкании замыкающих контактов автоматических выключателей ВА2 и ВА3, кнопки цепей управления «ЦУ» и устройства блокировки тормозов 213) от провода Н1 получает возбуждение катушка вентиля регенерации ВРег по цепи:
провод Н1 – перемычка к проводу Н39 – диод развязки паразитной цепи 188 –
- перемычка между проводами Н70 и Э59 – размыкающий контакт промежуточного реле 268 (размыкается при срыве рекуперативного тормоза) – перемычка между проводами Н63 и Н69 – катушка ВРег – корпус электровоза (минус аккумуляторной батареи). В результате, вне зависимости от режима работы электровоза («тяга» или «рекуперативное торможение») катушка вентиля регенерации ВРег (электроблокировочный клапан КЭБ по пневмосхеме) остается возбужденной и действие АТ и ВП электровоза осуществляется за счет работы КВТ (как повторителя или крана).
Включение и действие рекуперативного тормоза (перевод тормозного вала контроллера машиниста КМЭтв из нулевого положения на позиции торможения) не зависят от уровня давления в ТМ.
Полная мощность рекуперативного тормоза может реализовываться при условии непревышения избыточного давления сжатого воздуха в МВТ уровня 0,15 МПа.
В случае же превышения в МВТ упомянутого уровня давления размыкается размыкающий контакт пневматического выключателя управления ПВУ2 в проводе Э60 и блоком управления рекуперативным тормозом БУРТ тормозная мощность рекуперативного тормоза ограничивается величиной, соответствующей позиции ПТ (предварительное торможение) тормозного вала контроллера машиниста КМЭтв.
При срыве рекуперативного торможения – возбуждении промежуточного реле 268 его размыкающим контактом в цепи проводов Э59-Н63 прерывается цепь питания катушки вентиля регенерации ВРег (электроблокировочный клапан КЭБ по пневмосхеме). Это приводит к открытию электроблокировочного клапана КЭБ и наполнению тормозных цилиндров Ц3-Ц4 и управляющей камеры реле давления РД (а значит и тормозных цилиндров Ц5-Ц6 второй тележки) до уровня давления, определяемого редуктором давления КР1
(рисунок 3.4) по цепи:
КР1 – питательный входной отросток КЭБ – выходной отросток КЭБ –- КН20 – левый входной отросток КПР1 – выходной отросток КПР1 –тормозные цилиндры Ц3-Ц4 и одновременно управляющая камера РД.
В результате обеспечивается автоматическое замещение тормозной силы рекуперативного тормоза электровоза тормозной силой его пневматического тормоза. Одновременно, с замыканием замыкающего контакта 268 в цепи проводов Э59-Н65, традиционно включается звуковой сигнал ЗС, извещающий о факте срыва рекуперативного торможения.
Рисунок 3.4 – Изменения в электрической схеме цепей
В случае отказа системы ДЭДП возможность продолжения работы электровоза в тяговом режиме обеспечивается отключением крана КН20. При этом левый (по пневмосхеме) входной отросток КПР1 сообщается с атмосферой и действия АТ и ВТ осуществляется за счет работы КВТ (как повторителя или крана) по цепи:
КВТ – АБТ – МВТ – правый входной отросток КПР1 - выходной отросток КПР1 – тормозные цилиндры Ц3-Ц4 и одновременно управляющая камера РД.
Реализация предлагаемой подсистемы «СДЭДП» на тяговом подвижном составе других серий также возможна при соответствующих изменениях в их пневмосхеме тормоза и электрической схеме цепей управления.
3.6 Действия локомотивной бригады при пользовании системой ДЭДП
Система ДЭДП предназначена для обеспечения возможности совместного действия рекуперативного и пневматического тормозов электровоза в любой ситуации и последовательности без повышения вероятности возникновения юза колесных пар электровоза.
Рекуперативный тормоз может быть приведен в действие в любой момент времени и из любой кабины управления вне зависимости от величины давления сжатого воздуха в тормозной магистрали.
Величина реализуемой тормозной силы электродинамического тормоза зависит от величины давления сжатого воздуха в тормозных цилиндрах электровоза. При величине этого давления менее 0,15 МПа реализуемая тормозная сила электродинамического тормоза определяется работой блока БУРТ и может достигать предельных значений, ограничиваемых токами обмоток возбуждения и якорей тяговых электродвигателей или по сцеплению. В случае превышения указанного уровня давления в тормозных цилиндрах электровоза реализуемая тормозная сила электродинамического тормоза ограничивается величиной, соответствующей позиции ПТ тормозного вала контроллера машиниста.
Для возможности увеличения тормозной силы электродинамического тормоза электровоза при наличии давления в тормозных цилиндрах более 0,15 МПа необходимо:
-
вернуть рукоятку тормозного контроллера в положение ПТ (если электродинамический тормоз действовал), либо перевести ее в указанное положение существующим порядком при включении электродинамического тормоза;
-
снизить давление в тормозных цилиндрах ТЦ электровоза с помощью крана вспомогательного тормоза КВТ ниже 1,5 кгс/см2;
-
переводом рукоятки тормозного контроллера в сторону торможения установить необходимую силу электродинамического тормоза. Прекращение действия электродинамического тормоза осуществляется существующим порядком.
-
В случае отказа системы ДЭДП необходимо её отключить перекрытием разобщительного крана КН20.
Срыв пломбы на кожухе пневматического выключателя управления ПВУ-2 (ВУП2 по пневмосхеме) должен фиксироваться в Журнале формы ТУ -152.
4 БЕЗОПАСНОСТЬ И ЭКОЛОГИЧНОСТЬ РЕШЕНИЙ ПРОЕКТА
4.1 Общая характеристика и анализ потенциальных опасностей на локомотиве
В разделе “Охрана труда” предложены организационные и технические мероприятия по обеспечению здоровья и безопасности производственного персонала при ремонте локомотивов.
Под условиями труда понимается совокупность факторов производственной среды, оказывающих влияние на здоровье и работоспособность человека. Производственный фактор, воздействие которого на работающего приводит к травме, называют опасным фактором, а производственный фактор, воздействие которого на работающего приводит к заболеванию, — вредным фактором.
Опасные и вредные производственные факторы подразделяют по природе действия на физические, химические, биологические и психофизиологические. Каждая из этих групп содержит множество факторов. Так, к группе физически опасных и вредных производственных факторов относят движущиеся машины и механизмы (в том числе подвижной состав), не защищенные подвижные элементы производственного оборудования, электрический ток, повышенный уровень шума и др. Химические факторы подразделяют по характеру воздействия на организм человека и по пути их проникновения в организм. Биологические факторы делят на микро- и макроорганизмы. В группе психофизиологических факторов выделяют физические и нервно-психические перегрузки.
Одним из показателей охраны труда для локомотивного депо является освещенность рабочих мест. Хорошее освещение способствует уменьшению зрительного и общего утомления, повышению производительности труда и служит действенной мерой для предупреждения производственного травматизма. Условия зрительной работы зависят не только от уровня, но в значительной степени и от качества освещения слепящего действия и неравномерности распределения освещенности.
Воздействие электрического тока на работающих представляет собой особую опасность в локомотивном хозяйстве. В среднем ежегодно более 21 % всех несчастных случаев в локомотивных депо происходит из-за поражения электротоком. Поэтому технические средства защиты - от поражения электрическим током выполняют с таким расчетом, чтобы протекающие через человека в аварийном режиме электроустановки токи (напряжение прикосновения) не превышали уровней, установленных действующей нормативной инструкцией.
При эксплуатации, ремонте и техническом обслуживании подвижного состава и локомотивов работники испытывают следующие неблагоприятные факторы:
- необходимость работы в непосредственной близости или соприкосновении с сильно нагретыми деталями и узлами локомотива;
-
воздействие неблагоприятных метеоусловий;
-
агрессивная среда (испарения и жидкие вещества);
-
недостаточное освещение рабочих мест;
-
воздействие вибрации;
-
воздействие магнитных полей;
-
воздействие шума;
-
работа в зоне непосредственного загрязнения воздуха отработанными газами;
-
опасность поражения электрическим током;
-
опасность поражения слизистых и кожного покрова при работе с моющими средствами и молярных работах;
-
опасность выполнения работ с использованием механизированных приспособлений;
-
опасность при производстве сварочных работ;
-
круглосуточная работа.
В качестве защиты от воздействия неблагоприятных факторов предложены следующие официальные мероприятия:
-
медосмотр;
-
обучение персонала;
-
защита персонала от опасных факторов, соответствующих принятой технологии ремонта и обслуживании, а так же возникающих при нарушении технологического процесса;
- удаление опасных и вредных веществ и материалов из рабочих зон;
-
использование средств индивидуальной защиты работающих;
-
использование устройств автоматической сигнализации и предупредительных знаков.
Обеспечение безопасности труда предусматривается конституцией производственных процессов, архитектурно-планировочными решениями.
В производственных помещениях и на территории депо обеспечены противопожарные мероприятия в соответствии с ГОСТ 12.1.004-91.
Они включают в себя:
-
обучение обслуживающего персонала правилам пожарной безопасности;
-
обеспечение средствами пожаротушения;
-
организация быстрой эвакуации людей.
На участке находится исправное противопожарное оборудование в количестве, установленном специальными нормами. Для тушения возгорания электроприборов и электропроводки используются только углекислотные огнетушители и сухой песок.
При эксплуатации электроустановок человек может оказаться в сфере действия электромагнитного поля или в непосредственном соприкосновении с токоведущими частями, в результате чего по его телу будет протекать электрический ток. Это может привести к поражению человека. Опасность поражения зависит от величины тока, длительности воздействия, рода тока (постоянный или переменный), частоты, пути тока, окружающей среды и ряда других факторов. В соответствии с ГОСТ 12.1.019–79. рекомендуется проводить мероприятия повышающие электробезопасность.
К основным организационным мероприятиям, обеспечивающим безопасность работы в электроустановках относятся:
- оформление работы нарядом или распоряжением;
















