ПЗ (1229498), страница 5
Текст из файла (страница 5)
Производим расчет крепления пакета рельсов к устройству. Поскольку устройство имеет единую 25-метровую раму, при выборе удельных инерционных сил его можно рассматривать как одиночную платформу.
3.1.1 Продольная инерционная сила, тс
(3.1)
где апр - удельная продольная инерционная сила на 1 т массы груза, тс/т;
Qгр – масса груза, т.
(3.2)
где а22, а44 – значение удельной продольной инерционной силы в зависимости от типа крепления и условий размещения груза.
По таблице 17 [1] а22 = 1,2; а44 = 0,97
Тогда по формуле (3.2)
Масса одного ряда, т
(3.3)
Продольная инерционная сила по формуле (3.1), действующая:
на один ряд
на весь груз
3.1.2 Поперечная инерционная сила, тс
(3.4)
где ап - удельная поперечная инерционная сила на 1 т массы груза, тс/т.
(3.5)
где lв – база вагона, мм;
lгр – расстояние от центра тяжести груза до вертикальной плоскости, проходящей через поперечную ось вагона или платформы, мм.
Поскольку груз расположен симметрично относительно рамы устройства, lгр = 0
Тогда по формуле (3.5)
Поперечная инерционная сила по формуле (3.4), действующая:
на один ряд
на весь груз
3.1.3 Вертикальная инерционная сила, тс
(3.6)
где ав - удельная вертикальная инерционная сила на 1 т массы груза, тс/т.
(3.7)
При погрузке на один вагон принимают к = 5 ∙ 10-6
Тогда по формуле (3.7)
Вертикальная инерционная сила по формуле (6), действующая:
на один ряд
на весь груз
3.1.4 Ветровая нагрузка, тс
(3.8)
где Sп – площадь наветренной поверхности груза, м2;
50 – удельная ветровая нагрузка, кг/м2.
Ветровая нагрузка по формуле (8), действующая:
на один ряд
на весь груз
3.1.5 Определение сил трения
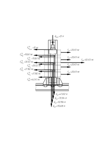
Четыре ряда рельсов разделены между собой деревянными прокладками, перемещение которых ограничено стойками из швеллеров. Таким образом, создаются силы трения, удерживающие нижележащие ряды вышележащими. Определим силы трения в продольном и поперечном направлении, действующие на каждый ряд и пакет в целом (рисунок 3.1).
Рисунок 3.1 - Силы трения в продольном и поперечном направлении, действующие на каждый ряд и пакет в целом
Сила трения в продольном направлении, тс
(3.9)
где µ = 0,4 – коэффициент трения между рельсами и деревянными подкладками и прокладками;
Qгр1 = 22,652 т – масса одного ряда;
Qгр2 = 45,304 т – масса двух рядов;
Qгр3 = 67,956 т – масса трех рядов;
QгрО = 90,608 т – масса всего груза.
Сила трения в продольном направлении по формуле (3.9) в соответствии с рисунком 3.1, действующая:
на верхний и второй сверху ряд
на второй и третий сверху ряд
на третий сверху и нижний ряд
на нижний ряд
Из рисунка 3.1 видно, что сумма нижней и верхней сил трения, действующих на каждый из трех нижних рядов, больше продольной инерционной силы, действующей на каждый ряд. Незакрепленным остается верхний ряд рельсов. Для его закрепления достаточно приложить усилие, равное массе одного ряда.
Принимаем усилие прижима Qприж = 25 т (по 5 т на каждую прижимную балку). Делаем перерасчет сил трения, суммируя усилие прижима с массой одного, двух, трех рядов и общей массой груза (рисунок 3.2).
Q’гр1 = 22,652 + 25 = 47,652 т
Q’гр2 = 45,304 + 25 = 70,304 т
Q’гр3 = 67,956 + 25 = 92,956 т
Q’грО = 90,608 + 25 = 115,608 т
Рисунок 3.1 - Силы трения в продольном и поперечном направлении, действующие на каждый ряд и пакет в целом и общей массой груза
Сила трения в продольном направлении по формуле (3.9) после приложения нагрузки в 25 т в соответствии с рисунком 3.2, действующая:
на верхний ряд от усилия прижима
на верхний и второй сверху ряд
на второй и третий сверху ряд
на третий сверху и нижний ряд
на нижний ряд
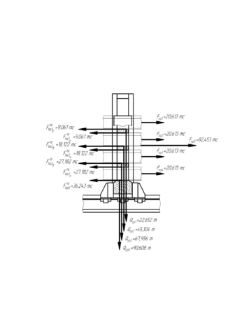
Сила трения в поперечном направлении (рисунок 3.3) , тс
(3.10)
Рисунок 3.3 - Силы трения в поперечном направлении
Сила трения в поперечном направлении по формуле (3.10) без учета усилия прижима в соответствии с рисунком 3.3, действующая:
на верхний и второй сверху ряд
на второй и третий сверху ряд
на третий сверху и нижний ряд
на нижний ряд
Сила трения в поперечном направлении по формуле (3.10) после приложения нагрузки в 25 т в соответствии с рисунком 3.4, действующая:
на верхний ряд от усилия прижима
на верхний и второй сверху ряд
на второй и третий сверху ряд
на третий сверху и нижний ряд
на нижний ряд
Рисунок 3.4 - Силы трения в поперечном направлении после
приложения нагрузки в 25 т
3.2 Расчет стойки ограничительной секции
3.2.1 Продольные силы, воспринимаемые стойками секций
Из рисунка 3.2 видно, что после зажатия пакета рельсов смещение отдельного ряда исключается, так как сумма верхней и нижней сил трения, действующей на любой ряд, всегда больше продольной инерционной силы, действующей на этот же ряд. Таким образом, расчет проводим на смещение всего пакета рельсов.
Расчетная схема продольных сил, воспринимаемых стойками секций с учетом силы прижатия, представлена на рисунке 3.5.
Продольное усилие ΔF’пр , тс, которое воспринимается десятью стойками ограничительных секций после приложения нагрузки в 25 тонн, определяется из разности продольной инерционной силы, действующей на весь пакет, и силами трения между верхом и низом пакета.
(3.11)
Распределенная нагрузка от продольного усилия действующая на одну стойку секции, кгс/см
(3.12)
где l = 95 см – длина поверхности стойки, на которую действует нагрузка;
n = 10 – количество стоек секций.
Продольный изгибающий момент в опасном сечении, кг∙см
(3.13)
Рисунок 3.5 - Расчетная схема продольных сил, воспринимаемых стойками секций с учетом силы прижатия
Допускаемый момент сопротивления в опасном сечении для одной стойки относительно оси У, см3
(3.14)
где [σиз] = 1650 кгс/см2 – допускаемое напряжение при изгибе для стали 3 по таблице 21 [1].
Момент сопротивления стойки относительно оси У, см3
(3.15)
где Wу шв = 13,8 см3 – момент сопротивления швеллера №16;
Wу реб = 14,3∙0,52/6 = 0,59 см3 – момент сопротивления ребра;
Wу пл = 0,8∙242/6 = 76,8 см3 – момент сопротивления боковой пластины.
Условие прочности выполняется.
3.2.2 Расчет прокладок на срез
В соответствии с рисунком 3.5, на 20 прокладок действует продольное усилие ΔF’пр = 26210 кгс, которое воспринимается десятью стойками ограничительных секций. Силы трения между рядами гасят изгибающий момент от распределенной нагрузки, действующий на прокладки в средней части, поэтому проводим расчет прокладок на срез в точках контакта прокладок со стойкой.
Усилие, действующее на 4 прокладки одной стойки, кгс
(3.16)
где n=10 – число стоек.
Площадь прокладок в опасном сечении, см2
(3.17)
где 4 – число плоскостей среза.
Напряжение среза, кгс/см2
(3.18)
где [σиз] = 55 кгс/см2 – допускаемое напряжение на срез древесины поперек волокон по таблице 23 [1].
Условие прочности выполняется.
Из рисунка 3.4 видно, что поперечное усилие ΔF’П имеет отрицательное значение, так как сумма сил трения между верхом и низом пакета рельсов больше поперечной инерционной силы, поэтому расчет на изгиб стоек от действия поперечных сил не требуется.
Проводим проверочный расчет стоек на изгиб в продольном и поперечном направлениях при возникновении внештатной (аварийной) ситуации. При этом на стойки действует распределенная нагрузка от продольной и поперечной инерционных сил, которым противодействует только сила трения между подкладками опорных балок и низом пакета, усилие прижима не учитываем.
3.2.3 Продольные силы, воспринимаемые стойками секций без учета усилия прижима
Расчетная схема продольных сил, воспринимаемых стойками секций без учета усилия прижима, представлена на рисунке 3.6.
Продольное усилие по формуле (3.11)
Рисунок 3.6 - Расчетная схема продольных сил, воспринимаемых стойками секций без учета усилия прижима
Распределенная нагрузка от продольного усилия, действующая на одну стойку секции по формуле (3.12)
где l = 72 см – длина поверхности стойки, на которую действует нагрузка;
n = 10 – количество стоек секций.
Продольный изгибающий момент в опасном сечении по формуле (3.13)
Допускаемый момент сопротивления в опасном сечении для одной стойки относительно оси У по формуле (3.14)
Момент сопротивления стойки относительно оси У по формуле (3.15)
Условие прочности выполняется.
3.2.4 Расчет прокладок на срез от продольного усилия без учета силы прижатия
В соответствии с рисунком 3.6, на 15 прокладок действует продольное усилие ΔFпр = 46210 кгс, которое воспринимается десятью стойками ограничительных секций.
Усилие, действующее на 3 прокладки одной стойки по формуле (3.16)
где n=10 – число стоек.
Площадь прокладок в опасном сечении по формуле (3.17)
где 3 – число плоскостей среза.
Напряжение среза по формуле (3.18)
Условие прочности выполняется.
3.2.5 Поперечные силы, воспринимаемые стойками секций без учета усилия прижима








