Диплом (1224958), страница 2
Текст из файла (страница 2)
За 2014 г неисправности КПД разделились по видам следующим образом, которые представлены в таблице 1.7.
Таблица 1.7 – Распределение неисправностей КПД по видам
| Вид неисправности | Год | |
| 2014 | 2013 | |
| 1 | 2 | 3 |
| Сбои в работе КПД | 18 | 61 |
| Отсутствие записи параметров на модуле памяти | 6 | 5 |
| Отсутствие записи параметров движения на ленте КПД | 22 | 15 |
| Неисправности КПД | 60 | 237 |
Окончание табл. 1.7
| 1 | 2 | 3 |
| Заброс стрелки скоростимера с возвратом при скорости <5 км/ч | 126 | 48 |
| Нарушения в регистрации записи давления | 0 | 2 |
| Малый ход писцов электромагнитов | 0 | 6 |
| Кратковременное отключение КПД | 11 | 1 |
| Запись величины давления в ТМ ниже установленного | 2 | 30 |
| Вибрация писца скорости свыше 4,5 км/ч | 7 | 22 |
| Нарушения в работе лентопротяжного механизма | 88 | 41 |
| Другие нарушения в работе ск-ра | 52 | 65 |
| Нарушения в регистрации параметров на ленте КПД | 200 | 18 |
| Следование по приказу | 3 | 0 |
| Итого | 593 | 551 |
Сбои в работе ТСКБМ.
На локомотивах приписки локомотивного эксплуатационного депо Магдагачи сбоев ТСКБМ 111 случай, за 2013 г 13 случаев. Увеличение на 88 % в связи с увеличением локомотивов оборудованных ТСКБМ.
Радиосвязь.
Неисправностей в работе радиостанций установленных на локомотивах приписки эксплуатационного локомотивного депо Магдагачи за 2014 г 106 случаев, за 2013 г 126 случаев.
1.2 Предложения и мероприятия по организации стабильной работы устройств КЛУБ-У
Организовать получение информации от ПЧ, ШЧ о предстоящих изменениях скоростного режима (ограничений), изменении местоположения светофоров и других объектов заблаговременно с целью своевременной корректировки ЭК аппаратуры КЛУБ-У.
Организовать централизованные поставки запасных частей для ремонта блоков приборов безопасности.
Обкатывать новые версии программного обеспечения на небольшом количестве локомотивов с целью выявления недостатков программного обеспечения, а не на всем парке.
Пересмотреть алгоритм работы КЛУБ-У в маневровом режиме (срабатывание ЭПК при скорости ниже контролируемой при работе в маневровом режиме).
Ввести в программу КЛУБ-У функцию переключения в аварийный режим, при сбоях в работе системы, что исключит отвлечение машиниста от управления локомотивом и повысит безопасность движения поездов и маневровой работы.
Заблокировать кнопку «F» на блоке БИЛ-В, для исключения случайного сбоя несущей частоты АЛСН.
Организовать более углубленное обучение локомотивных бригад и ремонтного персонала по вопросам эксплуатации и обслуживания систем безопасности движения КЛУБ-У.
Анализ нарушений нормальной работы приборов безопасности движения, показан на плакате ДП 190301.65.09-Л-301.01.
2 ОСОБЕННОСТИ КОНСТРУКЦИИ КЛУБ-У И ФОРМИРОВАНИЕ ЭЛЕКТРОННЫХ КАРТ
2.1 Функции КЛУБ-У
Комплексное локомотивное устройство безопасности (КЛУБ) предназначено для повышения безопасности движения в поездной и маневровой работе за счет приёма сигналов от путевых устройств АЛСН и АЛСЕН и отображения их машинисту [1, 2].
Аппаратура КЛУБ-У устанавливается на локомотиве и обеспечивает выполнение следующих основных функций:
- прием из рельсовых линий сигналов автоматической локомотивной сигнализации типа АЛСН и АЛС-ЕН, а также сигналов, переданных по цифровому радиоканалу, о показаниях путевых светофоров, местных ограничениях скорости, маршруте следования, сигналов принудительной остановки локомотива и разрешения проследования светофора с запрещающим показанием;
- определение скорости и местоположения локомотива по сигналам от осевых датчиков скорости и аппаратуры спутниковой навигационной системы GPS/ГЛОНАСС. Индикацию машинисту железнодорожной координаты локомотива и текущего астрономического времени;
- непрерывное формирование значения допустимой скорости движения поезда на каждом участке пути;
- формирование и индикацию машинисту расстояния до актуального препятствия с указанием скорости его проезда (целевой скорости);
- непрерывный контроль фактической скорости движения поезда, и в случае превышения допустимой скорости – включение экстренного торможения;
- исключение проезда светофоров с запрещающими сигналами;
- исключение несанкционированного движения локомотива (скатывания);
- индикация необходимой информации машинисту локомотива и его помощнику;
- контроль бдительности машиниста путем фиксации нажатий на рукоятку бдительности при световом сигнале «Внимание!» или звуковом сигнале ЭПК;
- регистрация параметров движения поезда и другой необходимой информации на съемную кассету регистрации для последующей автоматизированной расшифровки с помощью стационарного устройства дешифрации (СУД);
- контроль предварительного нажатия машиниста и его помощника на рукоятки РБ и РБ-ПОМ перед троганием поезда на запрещающий сигнал светофора;
- формирование кратковременного звукового сигнала при изменении следующих параметров:
- сигналов локомотивного светофора;
- количества свободных блок-участков по ходу движения;
- характера движения (прямо / с отклонением);
- режима работы: «Поездной», «Маневровый» и «Двойная тяга»;
- несущей частоты АЛСН;
- активности каналов АЛСН, АЛС-ЕН и радиоканала;
- при первоначальном появлении сигнала «Внимание!».
- формирование сигналов о движении поезда со скоростями – 2 км/ч и более, 10 км/ч и более, 20 км/ч и более, 60 км/ч и более (для управления работой устройством подачи песка);
- ввод и отображение на индикаторе локомотивных и поездных характеристик и их сохранение при выключении питания;
- приём и регистрацию сигналов от устройств локомотива:
- о включении / выключении тяги;
- о номере активной кабины локомотива, из которой осуществляется управление;
- о положении ключа ЭПК;
- о давлении в тормозных цилиндрах, тормозной магистрали и уравнительном резервуаре (каждое из этих давлений по желанию машиниста может индицироваться на БИЛ-У);
- о включении/выключении генераторов и компрессора;
- об использовании тифона и свистка, использовании сигналов ЭПТ («Перекрыша», «Контроль цепи» и «Торможение»);
- взаимодействие с системой автоматического управления тормозами (САУТ) и с телемеханической системой контроля бодрствования машиниста (ТСКБМ).
2.2 Структурная схема КЛУБ-У
Структурная схема КЛУБ-У (состав аппаратуры) определяется на стадии разработки проекта оборудования локомотива и зависит от его конструкции. На рисунке 2.1 и плакате ДП 190301.65.09-Л-301.02 приведена структурная схема аппаратуры КЛУБ-У для установки на локомотиве с одной кабиной.
Аппаратура КЛУБ-У состоит из ряда отдельных блоков, каждый из которых является законченным изделием, выполняющим определенный набор функций. Блоки КЛУБ-У связаны между собой через CAN-интерфейс. Использование этого интерфейса дает возможность сравнительно просто изменять общую структуру КЛУБ-У с соответствующим изменением выполняемых функций [1, 2].
Рисунок 2.1 – Структурная схема аппаратуры КЛУБ-У для локомотива с одной кабиной
Аппаратура, устанавливаемая на локомотиве, включает в себя:
- блок электроники локомотивный БЭЛ-У;
- блок индикации локомотивный (общее обозначение различных модификаций блока БИЛ);
- блок индикации помощника машиниста БИЛ-ПОМ;
- блок коммутации и регистрации информации БКР-У;
- блок ввода локомотивный БВЛ-У;
- блок регистрации информации на кассету с долговременной энергонезависимой электронной памятью БР-У;
- вызывной прибор ВП;
- рукоятки подтверждения бдительности машиниста (РБ, РБС) и помощника машиниста (РБП);
- приемные катушки КПУ сигналов AJICH (AJIC-EH) и коробку соединительную КС;
- датчики измерения пути и скорости ДПС 1 и ДПС 2;
- блок сопряжения датчиков ДПС с аппаратурой КЛУБ-У – БС-ДПС;
- датчики измерения давлений в тормозных устройствах локомотива (ДД);
- электропневматический клапан экстренного торможения (ЭПК);
- блок контроля несанкционированного отключения ЭПК ключом (КОН);
- антенно-усилительное устройство (АУУ) спутниковой навигационной системы (СНС) и антенну СНС (АСНС);
- антенну радиоканала (АРК);
- приемо-передающее устройство цифровой радиосвязи ППУ-РС (радиостанция «МОСТ») и антенну радиосвязи АРС;
- блок согласования интерфейсов (БСИ), который служит для взаимодействия КЛУБ-У с локомотивным оборудованием и обмена данными между КЛУБ-У и другими бортовыми устройствами автоматики при отсутствии возможности организации обмена данными через интеллектуальный интерфейс;
- источник питания локомотивный электрический ИПЛЭ;
- центральную клеммную рейку (ЦКР).
2.3 Блок электроники БЭЛ-У
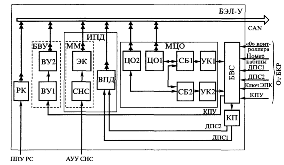
Блок электроники БЭЛ-У предназначен для приема сигналов от внешних устройств, контроля и обработки информации, циркулирующей между всеми блоками КЛУБ-У, передачи необходимой машинисту информации в блок индикации для отображения на табло и управления электропневматическим клапаном экстренного торможения (ЭПК). Блок БЭЛ-У выполнен на базе микропроцессорных компонентов и состоит из следующих логических модулей, представленных на рисунке 2.2 [1, 2]:
- модуля внешних устройств (БВУ);
- модуля радиоканала (РК);
- модуля маршрута (ММ);
- измерителя параметров движения (ИПД);
- модуля центрального обработчика (МЦО).
Рисунок 2.2 – Структурная схема БЭЛ-У
Обмен информацией между модулями БЭЛ-У производится через системный CAN-интерфейс. Модули КЛУБ-У конструктивно выполнены в виде отдельных ячеек. Количество ячеек, входящих в модуль, может изменяться от одной (модуль РК) до восьми (модуль МЦО). Информационная связь БЭЛ-У с блоком коммутации и регистрации (БКР-У) осуществляется как через CAN-интерфейс, так и по проводным линиям через блок внешних соединений (БВС). Для обеспечения связей между ячейками в БЭЛ-У используется объединительная плата. Управление электропневматическим клапаном (ЭПК) производится с помощью усилителей питания его катушки (УК1 и УК2), которые входят в состав модуля МЦО и расположены в ячейке УК. Комплектация блока БЭЛ-У приведена в таблице 2.1.
Таблица 2.1 – Комплектация БЭЛ-У
| Обозначение и код исполнения | Набор логического модуля | Набор ячейки | ||
| Наименование | Кол-во | Обозначение | Кол-во в модуле | |
| БЭЛ-У-01 | МЦО | 2 | Ячейка ЦО Ячейка СБ Ячейка КП Ячейка УК | 1 1 1 1 |
| ММ | 1 | Ячейка ЭК Ячейка СНС | 1 1 | |
| БВУ | 1 | Ячейка ВУ 1 Ячейка ВУ 2 | 1 1 | |
| ИПД | - | Ячейка ИПД Ячейка РК Блок внешних соединений БВС Плата объединительная | 1 1 1 1 | |
2.4 Блоки индикации локомотивные БИЛ
В кабине локомотива, как правило, устанавливаются два блока индикации [1, 2]:
- блок индикации машиниста БИЛ (БИЛ-В, БИЛ-УТ и др.);















