диплом для архива (1222348), страница 5
Текст из файла (страница 5)
2.3 Повышение эффективности сжигания мазута в виде водомазутных эмульсий
Компенсировать несовершенство мазутных хозяйств в условиях продолжающегося ухудшения эксплуатационных свойств топочного мазута и повысить эффективность использования жидкого топлива позволяет способ его сжигания в виде водомазутных эмульсий (ВМЭ), получающий все большее распространение в теплоэнергетике [3]. Он позволяет не только интенсифицировать процесс горения мазута за счет так называемого вторичного распыления (микровзрыва) капель эмульсии в топках и, тем самым, при определенных условиях повысить экономичность сжигания, но и улучшить экологические характеристики котельных: снизить выбросы вредных веществ (сажи, оксидов азота, канцерогенных углеводородов, в частности - бенз(а)пирена) с продуктами сгорания, использовать в качестве водной добавки к топливу загрязненные мазутом сточные воды котельных.
Кроме того, подготовка к сжиганию мазута в виде ВМЭ позволяет решать многие эксплуатационные проблемы мазутных хозяйств: сжигание обводненного мазута без предварительного обезвоживания, обеспечение устойчивого (без срывов) горения, повышение надежности и ресурса технологического оборудования (мазутных насосов, подогревателей, форсунок, котлов).
Технология подготовки и сжигания мазута в виде топливных эмульсий обеспечивает, таким образом, комплексный подход к улучшению экологических и экономических показателей котельных, использующих мазутное топливо.
К настоящему времени разработано и внедрено множество схем и устройств для приготовления и сжигания водомазутной эмульсии в котельных установках. Достаточно подробный обзор устройств для приготовления ВМЭ приведен в работе [4].
Суть технологии сводится к диспергированию мазутного топлива для качественного улучшения его структуры и повышению однородности с технической возможностью получения ВМЭ (в том числе, с дополнительной добавкой воды к топливу) с различными влажностно-дисперсными характеристиками.
На рисунке 2.4 показано изменение характеристик мазута, происходящее при диспергировании топлива в типовом мазутном хозяйстве котельных [5].
Характер изменения влажности и дисперсности мазутного топлива после диспергирования свидетельствует о значительном уменьшении пределов их колебаний, а также многократном снижении размеров капель воды в топливе.
Безусловно, диспергирование мазута стабилизирует влажностно-дисперсные характеристики, улучшает структуру и однородность исходного топлива, и, уже только этим, позволяет улучшить надежность работы котельных, особенно на обводненных мазутах.
Рисунок 2.4 Изменение характеристик мазута перед
сжиганием, происходящее при диспергировании
топлива в типовом мазутном хозяйстве котельных.
Эти данные показаны на микрофотографиях структуры мазута до и после диспергирования, которые приведены на рисунке 2.5
Рисунок 2.5 Микрофотографии структуры мазута до (а) и после
(б) диспергирования.
Следует отметить, что в первоначальный период активного внедрения и опытно-промышленных испытаний технологии подготовки и сжигания мазута в виде ВМЭ главным фактором, характеризующим свойства ВМЭ, называлась влажность эмульсии.
Многочисленные исследования были направлены на изучение влияния влажности сжигаемых ВМЭ на теплотехнические и экологические параметры различных топливосжигающих установок (от малых теплогенераторов, отопительных котлов, технологических печей, судовых энергоустановок до крупных энергетических котлов) [6].
В ходе опытно-промышленных испытаний одной из главных целей являлось нахождение значения «оптимальной влажности» ВМЭ.
Многие работы по сжиганию ВМЭ проводились на топливосжигающих установках с использованием разнообразных способов и устройств для приготовления водотопливных эмульсий. Но это не могло являться причиной достаточно большого расхождения значений «оптимальной влажности», тем более что цифровое значение полученных различными исследователями оптимальных влажностей, даже на одинаковых топливосжигающих установках и при близких режимах сжигания, существенно отличалось.
При более глубоком изучении вопросов сжигания ВМЭ и в ходе накопления опыта эксплуатации различных установок для получения и сжигания ВМЭ было обнаружено, что роль влажности в интенсификации процессов горения ВМЭ не является превалирующей.
В некоторых работах влияние влажности ВМЭ, обеспечивающей максимальную интенсификацию горения, оцениваемую по концентрации сажистых частиц в продуктах сгорания, и повышение экономичности топливосжигающей установки связывается с различными типами устройств для приготовления ВМЭ, и делаются выводы, по существу, об эффективности работы этих устройств.
Учитывая, что основной характеристикой любого способа или устройства для приготовления ВМЭ являются размеры дисперсной фазы (дисперсность) получаемой эмульсии, эффективность сжигания ВМЭ, наряду с влажностью, будет определяться их дисперсной характеристикой. Этот вывод подтверждается рядом исследований [24].
Известно, что главной причиной интенсификации горения мазута в виде ВМЭ является эффект микровзрыва распыленных капель топлива в топке. Рассматривая как необходимое условие микровзрыва капли ВМЭ обязательное расположение капель воды внутри капель топлива, следует предположить, что оптимальный размер дисперсной фазы будет зависеть от дисперсности распыла топлива форсунками горелки.
Действительно, с уменьшением размера капель воды в эмульсии увеличивается вероятность того, что массы воды в каплях не хватает для развития их взрывного вскипания и разрыва водяными парами топливной оболочки. При этом происходит лишь увеличение объема капель эмульсии, но микровзрыв отсутствует. С другой стороны, с увеличением размеров капель воды в ВМЭ, количество воды в капле становится избыточным для обеспечения микровзрыва. При этом возрастает число случаев, когда размеры капель распыливаемого топлива и капель воды будут соизмеримы. Следовательно, часть находящейся в топливе воды не будет участвовать во вторичном распылении топлива, а фактически будет лишь балластом, ухудшающим горение. Из вышесказанного следует практический вывод - выбор того или иного способа и устройства для приготовления и сжигания ВМЭ должен опираться на знание взаимосвязи влажностно-дисперсных характеристик получаемой топливной эмульсии и технических особенностей конкретных топливосжигающих устройств (тип котлов, форсунок, условия и режимы их работы, цель ввода в топливо дополнительного количества воды и т.п.).
Влажностно-дисперсные характеристики топливных эмульсий, получаемых тем или иным способом, фактически являются главным параметром, определяющим возможные пределы повышения экономичности и снижения вредных выбросов с продуктами сгорания конкретных котельных установок [4].
2.4 Разработка новых установок для приготовления водомазутной эмульсии к сжиганию в котлах
Существующие устройства в котельных обладают серьезным недостатком, заключающемся в увеличении энергозатрат и времени приготовления водотопливной эмульсии (ВТЭ) за счет увеличения циклов диспергирования топлива.
Это обусловлено тем, что при существующем расположении труб в накопительной цистерне образуется как минимум на 1/3 ее длины застойная зона. Поскольку площадь забора незначительна, так как она ограничена двумя площадями поперечного сечения труб приемных трубопроводов, это существенно увеличивает время забора объема смеси [24].
Кроме того из-за высокой вязкости и плотности мазута его течение осуществляется с объема, непосредственно примыкающему к торцу трубопровода, за торцами трубопровода также возникают застойные зоны. Чтобы уменьшить застойные зоны необходима многократная циркуляция топливной смеси, что приводит к увеличению времени приготовления ВТЭ.
Задача полезной модели заключается в создании устройства для приготовления ВТЭ позволяющей уменьшить время для приготовления ВТЭ и энергозатраты за счет сокращения цикла диспергирования топлива, а также снизить затраты на текущую эксплуатацию устройства путем исключения образования осадка в застойных зонах устройства.
Для решения поставленной задачи в устройстве для приготовления ВТЭ, содержащем топливную накопительную цистерну, снабженную патрубком спуска отстойной воды, эмульгатор, снабженный напорным патрубком и двумя приемными патрубками, два приемных трубопровода для забора топлива из накопительной цистерны, соединённые с применёнными патрубками эмульгатора, фильтры, установленные на линии приемных трубопроводов перед эмульгатором, трубопровод для подачи гомогенной ВТЭ в верхнюю часть топливной накопительной цистерны и трубопровод для подачи топлива в расходную цистерну, соединённые между собой, образуя приемный трубопровод в виде замкнутого контура, на поверхности которого попеременно сверху и снизу выполнены приемные отверстия диаметром 6-8 мм, суммарная площадь которых составляет не менее двух площадей поперечного сечения приемного трубопровода, при этом приемный трубопровод расположен горизонтально и установлен внутрь цистерны на 3/4 ее длины и на высоте h=100-200 мм от дна цистерны.
Признаками, отличающими предлагаемое решение от прототипа являются соединение приемных трубопроводов между собой, образуя приемный трубопровод в виде замкнутого контура, выполнение на поверхности приемного трубопровода попеременно сверху и снизу приемных отверстий диаметром 6-8 мм, суммарная площадь которых составляет не менее двух площадей поперечного сечения приемного трубопровода, расположение приемного трубопровода горизонтально и установка его внутрь цистерны на 3/4 ее длины и на h=100-200 мм от дна цистерны [24].
Благодаря отличительным признакам сокращается время приготовления ВТЭ и энергозатрвты на ее приготовление, а также снижаются затраты на текущую эксплуатацию устройства.
Это обусловлено тем, что забор топлива и находящейся в ней воды осуществляется со всей его толщи. Топливо и вода, проходя через множество перфорированных отверстий по всей длине приемного трубопровода, смешиваются в трубе в одно грубодисперсное состояние. Таким образом, достаточно однократной циркуляции смеси топлива, что значительно сокращает время и энергозатраты на диспергирование топлива и воды. Из-за малого диаметра отверстий линзы воды не смогут оказывать влияние на топочный процесс из-за отсутствия «залпового проскока». Поступление ВМЭ через напорный патрубок обеспечивает постоянное гравитационное давление топлива на приемные отверстия и равномерный забор обводненной смеси через них, что позволяет уже при однократной циркуляции по замкнутому кругу подготовить достаточно качественную стабильную гомогенную эмульсию, готовую к процессу сжигания.
Кроме того расположение приемного трубопровода в топливной накопительной цистерне на небольшой высоте от дна, и расположение приемных отверстий практически по всей площади низа цистерны исключает образование в ней застойных зон и выпадения в них осадка в виде примесей, что приводит к снижению затрат на текущую эксплуатацию устройства [24].
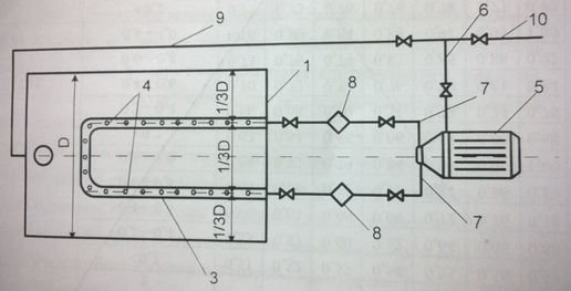
На рисунке 2.5 изображено устройство для приготовления ВТЭ, на рисунке 2.6 - расположения приемного трубопровода в цистерне.
Рис. 2.5 Устройство для приготовления ВТЭ
ДВГУПС (патент №149636)
Рисунок 2.6 Расположения приемного трубопровода в цистерне
Устройство включает топливную накопительную цистерну 1, снабженную патрубком спуска отстойной воды 2, приемный трубопровод 3 для забора топлива из цистерны 1, выполненный в виде замкнутого контура, эмульгатор 5 снабженный напорным патрубком 6 и двумя приемными патрубками 7, фильтры 8, трубопровод для подачи гомогенной ВМЭ в верхнюю часть цистерны 9, трубопровод для подачи топлива в расходную цистерну 10.
На поверхности приемного трубопровода 3 выполнены приемные отверстия 4 диаметром 6-8 мм, суммарная площадь которых составляет не менее двух площадей поперечного сечения приемных трубопровода 3. В качестве эмульгатора 5 принят роторный смеситель – диспергатор, например DRS [24].
Приемный трубопровод 3 соединен с приемными патрубками 7 эмульгатора 5. Фильтры 8 установлены на линии приемного трубопровода перед эмульгатором 5. Приемный трубопровод 3 расположен горизонтально и установлен внутрь цистерны 1 на 3/4 ее длины и на высоте h=100-200 мм от дна цистерны 1.















