ПЗ_конструкции_Ше Даниил_лестница фундаментная плита (1220709), страница 4
Текст из файла (страница 4)
Нормативное значение средней составляющей ветровой нагрузки
в зависимости от эквивалентной высоты
над поверхностью земли определяется согласно формуле:
, (2.9)
где
-нормативное значение ветрового давления;
коэффициент, учитывающий изменение ветрового давления для высоты
;
аэродинамический коэффициент лобового сопротивления.
Рисунок 2.16. Схема для определения ветровой нагрузки
Коэффициент надежности по ветровой нагрузке
. Коэффициент К принимает согласно типу местности В(городская застройка).
Тогда аэродинамический коэффициент с наветренной стороны
, с подветренной сe3=-0,5; на кровлю сe1=-0,5.
Расчетное значение средней составляющей ветровой нагрузки составляет:
W1=1,4 х 0,85 х 0,5 х (+0,8) х 5,15 м х 1,0 =+2,45 кН/м;
W2=1,4 х 0,85 х 0,65 х (+0,8) х 5,15 м х 1,0 =+3,19 кН/м;
W3=1,4 х 0,85 х 0,85 х (+0,8) х 5,15 м х 1,0 =+4,17 кН/м;
W4=1,4 х 0,85 х 1,1 х (+0,8) х 5,15 м х 1,0 =+5,39 кН/м;
W5=1,4 х 0,85 х 0,11 х (-0,5) х 5,15 м х 1,0 =-3,37 кН/м;
W6=1,4 х 0,85 х 0,85 х (-0,5) х 5,15 м х 1,0 =-2,60 кН/м.
W7=1,4 х 0,85 х 0,65 х (-0,5) х 5,15 м х 1,0 =-1,99 кН/м.
W8=1,4 х 0,85 х 0, 5 х (-0,5) х 5,15 м х 1,0 =-1,53 кН/м.
W8=1,4 х 0,85 х 1,1 х (-0,5) х 5,15 м х 1,0 =-3,37 кН/м.
2.6. Определение усилий в элементах кровли
Расчет конструкций выполняется при помощи программы SCAD office.
Расчетная схема стропильной конструкции загружена 4 видами нагрузок (постоянная, снеговая, ветровая, временная на перекрытие).
Выполнены следующие виды расчетных сочетаний загружений:
- сочетание №1(постоянная х1+временная х 0,9+ снеговая х 0,9);
- сочетание №3(постоянная х1+снеговая х0,9+временная х 0,9+ветровая х 0,9)
Расчетные усилия в элементах стропильной системы приведены в приложении А, таблица А1.
Схема с нумерацией элементов в расчетной схеме стропильной рамы приведена на рисунке 2.4.
Рисунок 2.17. Нумерация элементов в расчетной схеме SCAD
2.7. Определение расчетных усилий в фундаменте
Расчет фундамента сводиться к определению размеров его подошвы, подбору площади сечения рабочей арматуры. Фундамент возводится монолитным из бетона класса В25. Под фундамент устраивается бетонная подготовка толщиной 100 мм из бетона В10. Толщина защитного слоя бетона 50 мм.
Бетон фундамента - тяжелый, естественного твердения, класса В 25:
(коэффициент, принимаемый при длительном действии нагрузки);
МПа;
МПа;
МПа.
Прочностные характеристики арматуры класса А 400, Rs=355 МПа;
МПа.
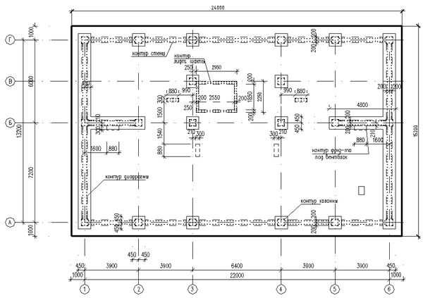
Схема расположения фундамента приведена на рисунке 2.18.
Рисунок 2.18. Схема расположения фундамента
Нагрузка от собственного веса плиты фундамента и подколонников составляет:
Суммарная нагрузка от всех нагрузок на фундамент из расчета рамы по оси 3,4 с грузовой ширины 5,15 м, составляет:
Суммарная нагрузка от всех нагрузок на фундамент из расчета рамы по оси 2,5 с грузовой ширины 3,9 м, составляет:
Суммарная нагрузка от всех нагрузок на фундамент из расчета рамы по оси 1,6 с грузовой ширины 1,95 м, составляет:
Суммарная нагрузка от всех рам и от собственного веса конструкций фундамента к уровню подошвы фундамента составляет:
Определяем среднее расчетное давление на уровне подошвы плиты по формуле:
, (2.10)
где
суммарная нагрузка, кН;
площадь подошвы фундамента,см2.
Среднее расчетное давление плиты под подошвой от всех нагрузок составляет:
Схема для расчета фундамента приведена на рисунке 2.5.
Расчетная схема фундамента представляет собой двух пролетную балку загруженную отпором грунта , принимается на 1 погонный метр фундамента, и защемленную на уровне сопряжения с колонной. Условными опорами являются колонны здания.
Рисунок 2.19. Расчетная схема фундамента
Максимальный момент в середине первого и второго пролета определяется по формуле:
(2.11)
Максимальный момент в середине первого составляет:
Максимальный момент в середине первого составляет:
Максимальный момент на уровне защемления колонной определяется по формуле:
(2.12)
Максимальный момент в середине первого составляет:
Максимальная поперечная сила на опоре по оси А определяется по формуле:
(2.13)
Максимальная поперечная сила на опоре по оси А составляет:
Максимальная поперечная сила на опоре по оси С составляет:
Максимальная поперечная сила на опоре по оси В определяется по формуле:
(2.14)
Максимальная поперечная сила на опоре по оси А составляет:
2.8. Расчет армирования фундамента
Расчет армирования верхней арматуры плиты фундамента выполняется на максимальный опорный изгибающий момент.
Максимальный изгибающий момент на опоре составляет:
Рабочая высота сечения плиты h0 определяется по формуле :
, (2.15)
где
толщина плиты, мм;
величина защитного слоя бетона, мм.
мм;
Вычисляем параметр
определяется по формуле :
, (2.16)
где
-расчетное сопротивление бетона;
-условная ширина расчета плиты, м;
M- изгибающий момент, кНхм.
рабочая высота сечения, м.
;
где
-расчетное сопротивление бетона;
-условная ширина расчета плиты, м;
M- изгибающий момент, кНхм.
рабочая высота сечения, м.
Определяем
по формуле:
, (2.17)
Определяем по формуле:
(2.18)
Требуемая площадь сечения арматуры
определяется по формуле:
(2.20)
где
-расчетное сопротивление арматуры растяжению, МПа.
мм2;
По сортаменту арматуры принимаем армирование 5Ø32 А400,
мм2 , шаг армирования 200 мм.
Высота сжатой зоны
определяется по формуле:
, (2.21)
Определяем
по формуле:
, (2.22)
где
относительная деформация растянутой арматуры, при напряжениях Rs;
,
где
- модуль упругости арматуры;
относительная деформация сжатого бетона, при напряжениях равных Rb;
,
Так как
фактический несущий момент определяется по формуле:
, (2.23)
.
Так как Mmax = 691,4 кНм < M = 707,02 кНм , следовательно принимаем 5Ø32 А400,
мм2 , шаг армирования 200 мм.
Расчет армирования нижней арматуры плиты фундамента выполняется на максимальный опорный изгибающий момент.
Максимальный изгибающий момент в пролете составляет:
Рабочая высота сечения плиты h0 определяется по формуле :
, (2.24)
где
толщина плиты, мм;
величина защитного слоя бетона, мм.
мм;
Вычисляем параметр
определяется по формуле :
, (2.25)
где
-расчетное сопротивление бетона;
-условная ширина расчета плиты, м;
M- изгибающий момент, кНхм.
рабочая высота сечения, м.
;
где
-расчетное сопротивление бетона;
-условная ширина расчета плиты, м;
M- изгибающий момент, кНхм.
рабочая высота сечения, м.
Определяем
по формуле:
, (2.26)
Определяем ŋ по формуле:
ŋ = 1 – 0,5·ξ , (2.27)
ŋ = 1 – 0,5·0,104=0,95 ,
Требуемая площадь сечения арматуры
определяется по формуле:
(2.28)
где
-расчетное сопротивление арматуры растяжению, МПа.
мм2;
По сортаменту арматуры принимаем армирование 5Ø25 А400,
мм2 , шаг армирования 200 мм.
Высота сжатой зоны
определяется по формуле:
, (2.29)
Определяем
по формуле:
, (2.30)
где
относительная деформация растянутой арматуры, при напряжениях Rs;
,
где
- модуль упругости арматуры;
относительная деформация сжатого бетона, при напряжениях равных Rb;
,
Так как
фактический несущий момент определяется по формуле:
, (2.31)
.
Так как
, следовательно принимаем 5Ø25 А400,
мм2 , шаг армирования 200 мм.
По унификации принимаем верхнюю и нижнюю арматуру диаметром 32 А 400.















