ПЗ_конструкции_Ше Даниил_лестница фундаментная плита (1220709), страница 2
Текст из файла (страница 2)
Требуемая площадь сечения арматуры
определяется по формуле:
(2.5)
где
-расчетное сопротивление арматуры растяжению, МПа.
мм2;
По сортаменту арматуры принимаем армирование 5Ø4 В500,
мм2 (шаг стержней 200 мм).
Высота сжатой зоны
определяется по формуле:
, (2.6)
Определяем
по формуле:
, (2.7)
где
относительная деформация растянутой арматуры, при напряжениях Rs;
,
где
- модуль упругости арматуры;
относительная деформация сжатого бетона, при напряжениях равных Rb;
,
Так как
фактический несущий момент определяется по формуле:
, (2.8)
.
Так как
,следовательно принимаем 5Ø4 В500,
мм2 (шаг стержней 200 мм).
2.2.4 Расчет по бетонной полосе между наклонными сечениями
Максимальная поперечная сила составляет:
Расчет предварительно напряженных элементов по бетонной полосе между наклонными сечениями выполняется по формуле:
(2.9)
где
поперечная сила в нормальном сечении, кН;
коэффициент, принимаемый равным 0,3.
Условие выполняется.
2.2.5 Расчет по бетонной полосе между наклонными сечениями
Поскольку допускает не устанавливать поперечную арматуру в многопустотных плитах, выполним проверку прочности сечения плиты на действие поперечной силы при отсутствии поперечной арматуры.
Поперечная сила составляет:
Расчет предварительно напряженных изгибаемых элементов по наклонному сечению выполняется из условия:
(2.10)
где
поперечная сила в наклонном сечении с длиной проекции с на поперечную ось, расположенных по одну сторону от рассматриваемого наклонного сечения; при этом учитывают наиболее опасное загружение в пределах наклонного сечения;
поперечная сила, воспринимаемая бетоном;
поперечная сила, воспринимаемая арматурой в наклонном сечении.
Поперечную силу
определяют по формуле:
(2.11)
где
коэффициент, принимаемый 1,5;
- длина проекции поперечной силы на продольную ось.
Подставляем значения в формулу:
2.3 Расчет косоуров
2.3.1 Исходные данные для проектирования для проектирования стальных конструкций. Сталь принята С245. При толщине проката 2-20 мм - Ry=23,0 кН/см2. При толщине проката 21-40 мм - Ry=22,0 кН/см2. Расчетная схема металлического косоура приведена на рисунке. Ширина марша 1,2 м.
Рисунок 2.3 - Расчетная схема металлического косоура
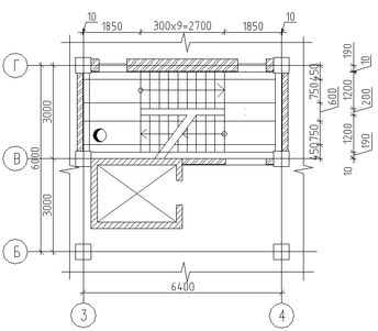
Рисунок 2.4 - Схема расположения элементов лестничной клетки
2.3.1 Сбор нагрузки на монолитную площадку
Сбор нагрузок на площадку приведен в таблице 2.3
Таблица 2.3- Нагрузки на 1 м2 площадки
| Вид нагрузки | Нормативная нагрузка, кН/м2 | Коэффициент надежности по нагрузке | Расчетная нагрузка, кН/м2 |
| Постоянная: | |||
| Вес жб площадки; (t=100 мм; γ=25 кН/м3); 0,10 м х 25кН/м3=2,5 кН/м2; | 2,5 | 1,1 | 2,75 |
| Керамогранитная плитка (t=10 мм; γ=21,7 кН/м3); 0,010 м х 21,7 кН/м3=0,22 кН/м2; | 0,22 | 1,2 | 0,26 |
| Вес металлоконструкций лестничной клетки | 0,17 | 1,05 | 0,18 |
| Итого постоянная: | 2,89 | 1,1 | 3,19 |
| Временная: | |||
| Нагрузка кратковременная на железобетонный марш | 3,0 | 1,2 | 3,6 |
| Итого временная: | 3,0 | - | 3,6 |
| Итого общее(постоянная, временная) : | 5,89 | - | 6,79 |
С учетом коэффициента надежности по назначению здания суммарная расчетная нагрузка для расчетов по первой группе предельных состояний на 1 косоур составляет:
-на площадку:
кН/м;
Максимальный расчетный изгибающий момент в косоуре составляет:
Сбор нагрузок на лестничный марш приведен в таблице 2.4.
Таблица 2.4- Нагрузки на 1 м2 лестничного марша
| Вид нагрузки | Нормативная нагрузка, кН/м2 | Коэффициент надежности по нагрузке | Расчетная нагрузка, кН/м2 |
| Постоянная: | |||
| Вес железобетонного марша | 3,6 | 1,1 | 3,96 |
| Керамогранитная плитка (t=10 мм; γ=21,7 кН/м3); 0,010 м х 21,7 кН/м3=0,22 кН/м2; | 0,22 | 1,2 | 0,26 |
| Вес металлоконструкций лестничной клетки | 0,17 | 1,05 | 0,18 |
| Итого постоянная: | 3,99 | 1,1 | 4,40 |
| Временная: | |||
| Нагрузка кратковременная на железобетонный марш | 3,0 | 1,2 | 3,6 |
| Итого временная: | 3,0 | - | 3,6 |
| Итого общее(постоянная, временная) : | 6,99 | - | 8,00 |
C учетом коэффициента надежности по назначению здания суммарная расчетная нагрузка для расчетов по первой группе предельных состояний на 1 косоур составляет:
-на лестничный марш:
кН/м;
Расчет косоура выполняется на два загружения:
-косоур загруженный постоянной и временной нагрузкой;
-косоур, загруженный сосредоточенный нагрузкой 1 кН в середине пролета.
Определение изгибающих моментов, продольный и поперечных сил, а также прогибы косоура лестницы произведены в программном комплексе SCAD office.
Схема приложения постоянной и временной нагрузки приведена на рисунке 2.5.
Рисунок 2.5- Схема загружения постоянной и временной нагрузкой косоуров
Рисунок 2.6-Изгибающий момент в косоуре, кНм
Рисунок 2.7- Продольная сила, кН
Рисунок 2.8- Поперечная сила, кН
Рисунок 2.9 - Прогиб от расчетных нагрузок, мм
Подбор сечения элемента осуществляется по формуле:
где N- продольная сила, кг;
А- площадь поперечного сечения элемента, см2;
φ- коэффициент продольного изгиба;
γс- коэффициент условия работы;
Ry- расчётное сопротивление стали.
Расчетная гибкость элемента, перпендикулярная оси х-х определяется по формуле:
(2.6)
где
расчётная, условная длина, см;
радиусы инерции сечения относительно осей соответственно х-х.
Проверяем балку сечением 2 шв. 20 по ГОСТ 8240-93, которое имеет следующие характеристики сечения: А=23,4 см2;
8,07 см;
2,2 см; Wx=152,0 см3; Wу=20,5 см3.
Расчетная гибкость элемента:
Напряжение в элементе сечением составляет:
Допустимый вертикальный прогиб балки определяется по формуле:
Допустимый вертикальный прогиб балки составляет:
Максимальный прогиб из расчета SCАD office от постоянной и временной нагрузке в косоуре составляет:
Необходимо выполнить расчет косоура по физиологическим требованиям. То есть прогиб от сосредоточенной нагрузки, весом в 100 кг приложенной в середине пролета косоура не должен превышать 0,7 мм и не должен превышать
.
Предельный прогиб косоуров исходя из физиологических требований следует определять по формуле:
g-ускорение свободного падения;
р-нормативное значение нагрузки от людей, возбуждающих колебания;
р1-пониженное нормативное значение нагрузки на перекрытие;
q-нормативное значение нагрузки от веса расчитываемого элемента и опирающихся на него конструкций;
n-частота приложения нагрузки при ходьбе человека;
b-коэффициент, определяемый по формуле:
Q-вес одного человека, принимаемый равным 0,8 кН;
а-шаг косоуров, м;
l-расчетный пролет элемента конструкции, м.
Рисунок 2.10- Загружение сосредоточенной нагрузкой 1 кН(физиологические требования) в середине пролета, кН
Рисунок 2.11- Прогиб от сосредоточенной нагрузки 1 кН (физиологические требования), мм
Коэффициент составляет:
Предельный прогиб косоуров исходя из физиологических требований следует определять по формуле:















