ПЗ_конструкции_Ше Даниил_лестница фундаментная плита (1220709), страница 3
Текст из файла (страница 3)
Прогиб от нагрузки 1,0 кН в середине пролета определяется при помощи программного комплекса SCAD office составляет:
Следовательно, требования по прочности, деформативности, а также физиологические требования к конструкции выполняются. Принимаем сечение косоура 2 шв. 20 по ГОСТ 8240-93.
Рисунок 2.12 –Армирование площадочной плиты
Рисунок 2.13 - Армирование марша
2.4. Расчетная схема здания и конструкции здания
2.4.1.Расчет монолитных плиты фундамента
Проектируемое жилое здание в г. Южно-Сахалинске, имеет прямоугольную форму в плане, в осях А-Г, 1-6 размерами 13,2 х 22,0 м.
Здание имеет монолитный железобетонный каркас. Шаг несущих конструкций в продольном направлении 3,9 м; 6,4 м. В поперечном направлении 7,2 м; 6,0 м.
Монолитный каркас представлен монолитными железобетонными колоннами сечением 400х400 мм, монолитными ригелями, монолитными железобетонными стенами лестничных клеток.
Плиты перекрытия и покрытия - монолитные ж/б толщиной 140 мм, класс бетона В25, арматура класс А400. Сопряжение колонн с фундаментами и плитами - жесткое. Перекрытия жестко связанны с железобетонным каркасом. Пространственная неизменяемость и устойчивость здания обеспечивается жесткостью поперечных и продольных рам, а так же системой горизонтального диска монолитного перекрытия. Монолитные железобетонные стены лестничных клеток создают дополнительное ядро жесткости.
Фундамент столбчатый под каждую колонну, объединённый железобетонной плитой, толщиной 600 мм в единый пространственный блок, из бетона класса В25 (W6; F150). Фундамент воспринимает нагрузку от железобетонных колонн и передает ее на основание.
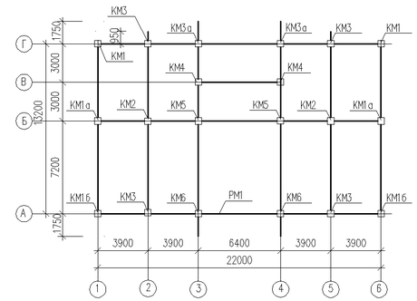
План несущих колонн каркаса приведен на рисунке 2.14.
Рисунок 2.14 План расположения колонн и балок каркаса
2.5. Сбор нагрузки на раму
Сбор нагрузок на перекрытие, согласно составу пола, приведен в таблице 2.5.
Таблица 2.5. Нагрузки на 1 м2 плиты перекрытия
| Вид нагрузки | Нормативная нагрузка, кН/м2 | Коэффициент надежности по нагрузке | Расчетная нагрузка, кН/м2 |
| Постоянная: | |||
| 1. Линолеум «Tarkett», Гранит (t=7,0 мм; γ=18 кН/м3); 0,0070 м х 18 кН/м3 =0,126кН/м2 | 0,126 | 1,2 | 0,152 |
| 2. Плиточный клей(t=5 мм); 0,005 м х 1,55 кН/м3=0,008 кН/м2; | 0,008 | 1,2 | 0,010 |
| 3. Цементно-песчанная стяжка (t=48 мм); 0,048 м х 19 кН/м3=0,91 кН/м2; | 0,91 | 1,3 | 1,19 |
| 4.Пеноплекс(звукоизоляция) (t=30 мм, γ =175 кг/м3). 0,03 м х1,75 кН/м3=0,05 кН/м2; | 0,05 | 1,2 | 0,06 |
| 5. Вес монолитной плиты; (t=0,14м ; γ=25 кН/м3); 0,14 м х 25кН/м3=3,5 кН/м2; | 3,5 | 1,1 | 3,85 |
| 6.Вес конструкций перегородок | 0,5 | 1,2 | 0,6 |
| Итого постоянная: | 5,1 | - | 5,86 |
Продолжение таблицы 2.5. Нагрузки на 1 м2 плиты перекрытия
| Вид нагрузки | Нормативная нагрузка, кН/м2 | Коэффициент надежности по нагрузке | Расчетная нагрузка, кН/м2 | |||
| Временная: | ||||||
| Нагрузка на плиту перекрытия | 1,5 | 1,3 | 1,95 | |||
| Итого временная: | 1,5 | - | 1,95 | |||
| Итого общее : | 6,60 | - | 7,812 | |||
Сбор нагрузки на кровлю в таблице 2.6.
Таблица 2.6. Нагрузки на 1 м2 плиты кровли
| Вид нагрузки | Нормативная нагрузка, кН/м2 | Коэффициент надежности по нагрузке | Расчетная нагрузка, кН/м2 |
| Постоянная: | |||
| 1.Гидроизоляционный материал «Технониколь», 2 слоя | 0,006 | 1,3 | 0,008 |
| 2. Цементно-песчанная стяжка р-ра М150, армированная сеткой из диаметром 5 ВpI, ячейкой 100х100 мм (t=40 мм); 0,040 м х19 кН/м3=0,76 кН/м2; | 0,76 | 1,3 | 0,99 |
| 3. Вес утеплителя- экструзионный пенополистирол «Пеноплекс-35» ; (t=140 мм, γ =175 кг/м3). 0,14 м х1,75 кН/м3=0,25 кН/м2; | 0,25 | 1,2 | 0,3 |
| 4. Керамзитовый песок по уклону; (t=20-150 мм, γ =600 кг/м3) 0,15 м х6,0 кН/м3=0,9 кН/м2; | 0,9 | 1,3 | 1,17 |
| 5. Вес пароизоляции (Рубероид РКМ-350Б) | 0,10 | 1,2 | 0,12 |
| 6. Вес монолитной плиты; (t=0,14м ; γ=25 кН/м3); 0,14 м х 25кН/м3=3,5 кН/м2; | 3,5 | 1,1 | 3,85 |
| Итого постоянная: | 5,53 | - | 6,44 |
| Временная: | |||
| Снеговая (II район) | 0,84 | - | 1,2 |
| Итого общее: постоянная+снеговая : | 6,37 | - | 7,64 |
Сбор нагрузок, согласно составу пола чердака, приведен в таблице 2.7.
Таблица 2.7 Нагрузки на 1 м2 плиты чердака
| Вид нагрузки | Нормативная нагрузка, кН/м2 | Коэффициент надежности по нагрузке | Расчетная нагрузка, кН/м2 |
| Постоянная: | |||
| 1. Цементно-песчанная стяжка р-ра М150, армированная сеткой из диаметром 5 ВpI, ячейкой 100х100 мм (t=30 мм); 0,030 м х 19 кН/м3=0,57 кН/м2; | 0,57 | 1,3 | 0,74 |
| 2.Утеплитель-плиты «Базалит ПТ-200» по ТУ 5767-017-00287220-2005 (t=50 мм, γ =175 кг/м3). 0,05 м х1,75 кН/м3=0,09 кН/м2; | 0,09 | 1,2 | 0,11 |
| 3. Вес монолитной плиты; (t=0,14м ; γ=25 кН/м3); 0,14 м х 25 кН/м3=3,5 кН/м2; | 3,5 | 1,1 | 3,85 |
| Итого постоянная: | 4,16 | - | 4,70 |
| Временная: | |||
| Нагрузка на плиту перекрытия | 0,7 | 1,3 | 0,91 |
| Итого временная: | 0,7 | - | 0,91 |
| Итого общее : | 4,86 | - | 5,61 |
Нагрузка типового этажа для рамы по оси 3,4 от веса наружной стены, за вычетом веса оконных проемов:
-керамзитобетонный камень t= 390 мм; γ=1200 кН/м3:
-утеплитель «Базалит Венти», t=100 мм; γ =125 кг/м3:
-навесной фасад (50 кг/м2):
Нагрузка от веса типового этажа стены для рамы по оси 3,4 приведенная к отметки перекрытия составляет:
Рисунок 2.15 Несущие конструкции каркаса:
а)поперечная рама по осям 3,4; б) продольная рама.
Собственный вес колонн на высоту одного этажа составляет:
Расчетная постоянная нагрузка на погонный метр определяется по формуле:
qп, вр= qп, вр*b
, (2.7)
где qп, вр* – расчетная постоянная нагрузка, кН/м2;
-коэффициент надежности по ответственности здания;
b- шаг рам каркаса, м.
Сбор постоянных и временных распределенных нагрузок на поперечную раму с грузовой длины 5,15 м:
- перекрытие этажа:
qпост=5,86 х 5,15 х 1,0=30,2 кН/м
qвр=1,95 х 5,15 х 1,0=10,04 кН/м
-чердачное перекрытие:
qпост=4,7 х 5,15 х 1,0=24,2 кН/м
qвр=0,91 х 5,15 х 1,0=4,68 кН/м
-кровля
qпост=6,44 х 5,15 х 1,0=33,2 кН/м
Нормативное значение снеговой нагрузки на горизонтальную проекцию покрытия определяется по формуле:
(2.8)
где
коэффициент, учитывающий снос снега с покрытия здания под действием ветра или иных факторов;
термический коэффициент;
коэффициент перехода от веса снегового покрова земли к снеговой нагрузки на 1 м2 проекции кровли;
вес снегового покрова на 1 м2 горизонтальной поверхности земли.
Расчетная снеговая нагрузка на кровлю при шаге рам 5,15 м определяется по формуле:
S1 = 4,0 х 5,15 х 1,0 х1,0 =6,18 кН/м















