ПЗ-Им (1220283), страница 4
Текст из файла (страница 4)
2,1
На этой позиции производится вышлифовка изношенного участка крестовины с помощью переносного шлифовального оборудования.
По окончании подготовительных работ производится включение привода конвейера стенда, и крестовина перемещается на участок наплавки, который включает в себя изготовленный предприятием ООО "Стандарт" наплавочный стенд 3.
Наплавочный стенд представляет собой рамную конструкцию, состоящую из рабочего стола и двух П-образных стоек. Рабочий стол оборудован двумя неприводными роликами, имеющими возможность подъема над поверхностью стола на 200 мм и опускания внутрь рамы стенда с помощью гидропривода. При подаче крестовины на стенд, ролики рабочего стола находятся в опущенном состоянии, в одном уровне с роликами конвейера.
По технологии наплавочных работ, перед наплавкой необходимо создать предварительное напряжение крестовины. Для этого между стойками стенда установлены два вертикальных гидроцилиндра. После подачи на стенд, крестовина на роликах приподнимается над поверхностью рабочего стола для установки под нее упорного валика 4. Далее, ролики стенда опускаются вниз, и двумя гидроцилиндрами, действующими на оба конца крестовины, создается необходимое изгибающее усилие. Упорный валик имеет в основании несколько сменных пластин, с помощью которых можно регулировать его высоту, изменяя, таким образом, стрелу прогиба крестовины.
После создания предварительного напряжения, производится предварительный нагрев крестовины в зоне наплавки до 400 °С. Затем, на крестовину устанавливается наплавочное оборудование 5 и производится наплавка изношенной поверхности. Каждый наплавленный слой освобождается от шлака и упрочняется аппаратом пневматической проковки.
По окончании наплавочных работ, производится остывание крестовины и ее уборка на участок чистовой обработки, включающий в себя приемный роликовый конвейер 6, являющийся копией подающего конвейера. Поскольку ролики наплавочного стенда не имеют привода вращения, перемещение крестовины на приемный конвейер осуществляется следующим образом: вначале производится подъем обоих роликов гидроприводом стенда, затем один из роликов, находящийся ближе к приемному конвейеру, опускается на несколько сантиметров, при этом крестовина, находясь под наклоном, самопроизвольно скатывается на первый ролик приемного конвейера. Далее ролики стенда опускаются, после чего включается привод приемного конвейера, и крестовина перемещается из зоны наплавки на последний участок, на котором производится чистовая шлифовка наплавленного слоя и дефектоскопия восстановленного участка. На этом работы по наплавке крестовины завершаются, восстановленная крестовина с помощью мостового крана убирается на платформу или дрезину для последующей доставки и укладки в путь.
Для облегчения установки на крестовины шлифовального оборудования 7, а также для возможности подвески шлифовальных станков и обработки боковых поверхностей рельсов крестовины, подающий и приемный участки стенда оборудованы консольными кранами 8 на колоннах. Стрела крана имеет угол поворота 270 градусов, поворот стрелы осуществляется вручную. Колонна изготовлена из толстостенной трубы и закреплена к полу анкерными болтами. Краны оборудованы тельферами грузоподъемностью 250 кг, имеющими электроприводы подъема груза и перемещения тельфера по стреле.
Для удобства при производстве работ, по всей длине и по обе стороны стенда, кроме участка наплавки, установлены помосты 9, закрытые рифленым листом. Пространство между роликами всех конвейеров также закрыто рифлеными листами, что позволяет рабочим безопасно перемещаться по всему стенду. Для подъема и спуска помосты оборудованы лестницами 10.
Полы в зоне наплавочного стенда закрыты настилом 11, выполненным из рифленого листа, для защиты пола от искр и удобства перемещения по нему сварщика.
Для свободного доступа к крестовине и установки наплавочного оборудования, на наплавочном стенде убраны горизонтальные верхние балки с раскосами, связывающие стойки стенда между собой. В связи с этим, для упрочнения конструкции, стойки усилены с обеих сторон швеллерами №30.
Таким образом, представленная модернизированная конструкция стенда позволяет вести поточный способ производства работ по восстановлению крестовин стрелочных переводов и производить работы одновременно на всех трех участках стенда, что существенно повышает их эффективность. Применение нового оборудования значительно повышает качество наплавочных работ, облегчает труд обслуживающего персонала и повышает безопасность при производстве работ.
3. РАСЧЕТНАЯ ЧАСТЬ
3.1 Конвейер роликовый
Рисунок 2.1 – Конвейер роликовый
Исходные данные:
Скорость перемещения крестовины v = 0,19 м/с;
Наружный диаметр роликов D2 = 114 мм;
Внутренний диаметр роликов D1 = 104 мм;
Масса ролика mр = 11 кг
Диаметр опорных цапф подшипников d=30 мм;
Диаметр звездочек Dк = 110 мм;
Максимальная масса крестовины mк = 1300 кг
3.1.1 Сила сопротивления качению, Н
, (3.1)
где g = 9,81 м/с2 - ускорение свободного падения;
µ = 0,005 - коэффициент трения в подшипниках;
f = 0,5 мм – плечо силы трения качения;
с = 0 – коэффициент трения обода и реборды колеса.
3.1.2 Общий КПД цепной передачи
, (3.2)
где η1 = 0,9 – КПД для одной цепной передачи;
n = 6 – общее количество цепей
3.1.3 Необходимая статическая мощность привода, кВт
, (3.3)
где ηG = 0,9 – КПД редуктора
3.1.4 Момент инерции крестовины, кг∙м2
, (3.4)
где nм = 1400 об/мин – частота вращения двигателя
кг∙м2
3.1.5 Момент инерции ролика, кг∙м2
, (3.5)
кг∙м2
3.1.6 Внешний момент инерции с учетом передаточного числа редуктора, кг∙м2
, (3.6)
где na – частота вращения выходного вала редуктора, об/мин.
3.1.6 Частота вращения выходного вала, об/мин
, (3.7)
об/мин
Таким образом, приведенный момент инерции одного ролика по (6)
кг∙м2
3.1.7 Общий внешний момент инерции, кгм2
, (3.8)
кг∙м2
3.1.8 Динамический момент на входе редуктора, необходимый для разгона нагрузки, Н∙м
, (3.9)
где ta = 0,2 c – время разгона.
Н∙м
3.1.8 Динамическая мощность, кВт
, (3.10)
кВт
3.1.9 Полная потребляемая мощность, кВт
, (3.11)
кВт
Выбираем цилиндрический мотор-редуктор Bauer BG40-11/D09SA4 со следующими характеристиками:
Мощность двигателя – 1,5 кВт;
Крутящий момент – 450 Н∙м;
Частота вращения выходного вала – 31,5 об/мин.
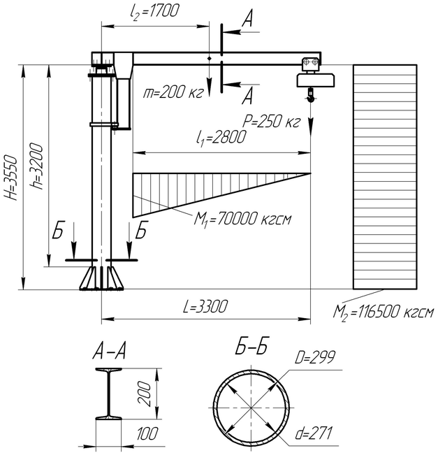
3.2 Кран консольный
Исходные данные (рисунок 3.2):
Грузоподъемность тельфера Р = 250 кг;
Масса стрелы с тельфером m = 200 кг;
Материал стрелы – двутавр №20 ГОСТ 8239-89;
Материал колонны – труба 299 х 14 ГОСТ 8732-78.
3.2.1 Изгибающий момент от действия груза в опасном сечении стрелы, кг∙см
, (3.12)
кг∙см
3.2.2 Условие прочности на изгиб
, (3.13)
где W = 184 см3 – осевой момент сопротивления двутавра №20 относительно оси Х;
[σиз] = 1100 кг/см2 – допускаемое напряжение при изгибе для стали 3
Рисунок 3.2 – Кран консольный
Условие прочности выполняется
3.2.3 Максимальный прогиб конца стрелы, см
, (3.14)
где Е = 2,0 - 2,1∙106 кг/см2 – модуль продольной упругости;
J = 1840 см4 – осевой момент инерции двутавра №20 относительно оси Х.
см
По требованиям при проектировании кранов, максимальный прогиб не должен превышать 1/400 длины пролета крана.
см (3.15)
Условие выполняется.
3.2.4 Изгибающий момент от действия груза и массы стрелы в опасном сечении колонны, кг∙см
, (3.16)
кг∙см
3.2.5. Осевой момент сопротивления колонны, см3
, (3.17)
см3
3.2.6 Условие прочности на изгиб по (3.13)
Условие прочности выполняется.
3.2.7 Осевой момент инерции колонны, см4
, (3.18)
см4
3.2.7 Максимальный прогиб конца колонны, см
, (3.19)
см
Условие выполняется.
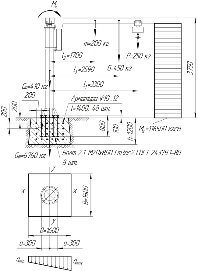
3.3 Расчет фундамента крана
Расчетная схема фундамента представлена на рисунке 2.3.
3.3.1 Удельное давление на подошве фундамента, кг/см2
, (3.20)
, (3.21)
где G = 450 кг – вес поворотной части крана вместе с грузом;
G0 = 410 кг – вес неподвижной части крана;
Gф = 6760 кг – вес фундамента (при объемной массе бетона 2200 кг/м2)
Mk = 116500 кг∙см – суммарный момент;
F = 25600 см2 – площадь фундамента;
Wmin– минимальный момент сопротивления площади фундамента, см3;
R = 2 - 3 кг/см2 – расчетное сопротивление грунта (глина, песок).
k = 1,25 – коэффициент запаса.
Рисунок 3.3 – Расчетная схема фундамента крана
При квадратной форме подошвы момент сопротивления Wmin, см3
см3 (3.22)
Условие выполняется.
3.3.2 Максимальное усилие в болте плиты, кг
, (3.23)
кг
3.3.3 Условие прочности болта
, (3.24)
где d1 = 1,75 см – внутренний диаметр резьбы болта;
[σр] = 900 кг/см2 – допускаемое напряжение при растяжении для Ст3.
Условие выполняется.
3.3.4 Нагрузка на кромку плиты, кг
, (3.25)
кг
3.4 Техническая характеристика стенда
















