ДП вариант гидропередачи одноковшового экскаватора (1219860), страница 8
Текст из файла (страница 8)
где
-скорость поворота поворотной платформы, принимается согласно технической характеристике,
=11,6 об/мин.=1,214 рад/с.
(2.7),
- угол поворота на выгрузку в транспорт, принимается
=2,09 рад.;
- время на разгон платформы до установившейся скорости, примем
=1 с.;
- время необходимое на торможение платформы с рабочим оборудованием, примем
=2 с.;
рад/с.
рад/с.
Нагрузка на валу гидромотора поворота при разгоне рабочего оборудования с поворотной платформой может быть определена,
(2.8),
где
-время разгона, 1 с.;
- коэффициент трения механизма поворота
=0,95;
1,2- момент инерции от движущихся деталей трансмиссии;
- массы вращающихся частей, стрелы, рукояти, ковша с грунтом соответственно, вес стрелы -
, вес рукояти -
, вес ковша с грунтом -
- расстояния до центров масс вращающихся частей, можно принять равными середине длины стрелы, рукояти и ковша соответственно. Длины стрелы, рукояти, ковша даны в технической характеристике.
Длина стрелы обратной лопаты
м.,
Длина рукояти обратной лопаты
м.,
Длина горизонтальной проекции ковша принимается для удобства расчётов 1 м.
Расстояние до оси вращения опорно-поворотного устройства указано в технической характеристике
Тогда
= 5,6 м.,
= 7,06 м.,
=7,52 м.
Схема расчётного положения к началу поворота показана на рисунке 16.
Рисунок 16. Расположение рабочего оборудования при повороте.
кВт
кДж.
Полученная работа не является полностью полезной, т.к. большая часть энергии была затрачена на разгон и торможение платформы. Ориентировочно полезная работа будет равна,
(2.9),
кДж.
Следовательно, 20…30 % энергии возможно рекуперировать, поставив на механизм поворота гидроаккумулятор, при этом в целях предотвращения его быстрой разрядки необходимо поставить дроссель. Также при установке подобного устройства необходимо обеспечить гарантированное торможение. Т.к. во время торможения гидромотор работает как гидронасос, и во избежание ускорения вала гидромотора в тот момент, когда инерция массы надстройки не может удержать вал от вращения, необходимо после гидромотора в напорной магистрали установить обратный клапан.
Работа
, совершённая при разгрузке ковша также является технологической необходимостью, и не может быть аккумулирована. Она может быть принята как 10…15 % от работы, потраченной на копание
,
(2.10),
кДж.
Работа
, затраченная на разворот в забой может быть аккумулирована и определится аналогично
, в целях упрощения расчётов можно принять эту работу меньше
на 15…20 % из того расчёта, что обратно рабочее оборудование с платформой поворачивается уже без грунта.
(2.11),
кДж
Соответственно аккумулируемая энергия будет составлять:
кДж.
Работа
, совершенная при установке рабочего оборудования в исходное положение может быть аккумулирована. Опускание стрелы может быть как безмоторным так и рекуперативным. В случае безмоторного опускания стрелы штоковая полость гидроцилиндров соединяется с напорной магистралью а поршневая соединяется со сливной, в этом случае устанавливаются дросселирующие устройства, которые не позволяют резко упасть стреле. В случае рекуперативного опускания стрелы стрела под собственным весом опускается, при этом штоковые полости гидроцилиндров соединены между собой а из поршневой полости жидкость идёт в напорную магистраль, и поступает в гидроаккумулятор.
Работа совершённая при опускании стрелы определяется аналогично определению работы, затраченной на подъём рабочего оборудования, и численно эту работу можно приравнять
.
кДж.
Полная полезная работа определится:
Общая затраченная работа может быть определена из выражения:
(2.12),
где
- общий коэффициент полезного действия, который равен:
(2.13),
где
- коэффициент потерь в трущихся частях стрелы и ковша, в осях и потери в механической трансмиссии, примем
=0,95;
- гидравлический кпд гидроаппаратов и распределителей, примем
=0,97;
- объёмный кпд гидросистемы, т.к. обычно внутренние утечки в гидросистеме пренебрежительно малы по сравнению с подачей насоса, то можно принять
=1;
Тогда обобщённый кпд будет равен:
Количество затраченной работы без использования аккумулирующих устройств будет равна:
Для того чтобы найти количество энергии, которую частично можно рекуперировать и аккумулировать нужно найти затраченную энергию в гидросистеме.
(2.14),
где
- мощность гидронасоса;
- время полного цикла, примем среднее значение,
=17 с.;
Мощность гидронасоса определится выражением:
(2.15),
где
- крутящий момент гидронасоса;
- частота вращения вала гидронасоса, можно принять среднюю, для наиболее используемых в экскаваторах поршневых гидронасосах, принимается для гидронасоса
=35 рад/с. ;
Крутящий момент гидронасоса определяется по зависимости:
(2.16),
где
- перепад давления, при давлении 25 МПа, и при давлении при сливе равном 1 МПа, перепад давления составит
;
- рабочий объём гидронасоса, для поршневых типов насосов, установленных на экскаваторах можно принять
;
- потери на трение и утечки в гидронасосе,
= 0,98;
тогда, мощность гидронасоса определится:
Затраченная работа будет равна:
Дж.
Гидроаккумуляторы обычно аккумулируют 10…20% от своего объёма, поэтому необходимо оценить количество возможной аккумулируемой энергии попутных нагрузок.
Энергию аккумулирования можно определить из выражения (2.17), где давление гидроаккумулятора можно принять 32 МПа, т.е. наиболее распространённое среди выпускаемых в производстве, и объём гидроаккумулятора примем обобщённо 100 л. и возьмём 10 % от этого объёма.
(2.17),
Оценить, изменился ли кпд экскаватора можно путём сравнения количества полезной работы к затраченной:
Т.к. у большинства гидравлических экскаваторов коэффициент полезного действия равен 0,65…0,7 то полезный эффект от применения гидроаккумуляторов существует и может достигать и больших значений, чем 3...5 %. Следовательно можно принять решение о установке гидроаккумуляторов на основные механизмы экскаватора: механизм поворота и механизм подъёма – опускания стрелы.
Таким образом существуют возможности применения гидроаккумуляторов, но необходимо поднимать их давление, т.к. применение гидравлических аккумулирующих устройств несёт большие возможности, и всё больше применяется, и по сравнению с электрическим аккумулированием, по мнению ведущих производителей строительной техники, а в частности экскаваторов, имеют больше преимуществ.
На сегодняшний день гидроаккумуляторы применяются очень широко и применяются на всех основных механизмах экскаваторов. Применение гидроаккумуляторов позволит уменьшить время рабочего цикла, вследствие чего может быть достигнут экономический эффект не только прямо но и косвенно за счёт уменьшения объёмов технического обслуживания, т.к. с введением аккумулирующих устройств создадутся условия для менее интенсивного износа рабочей жидкости.
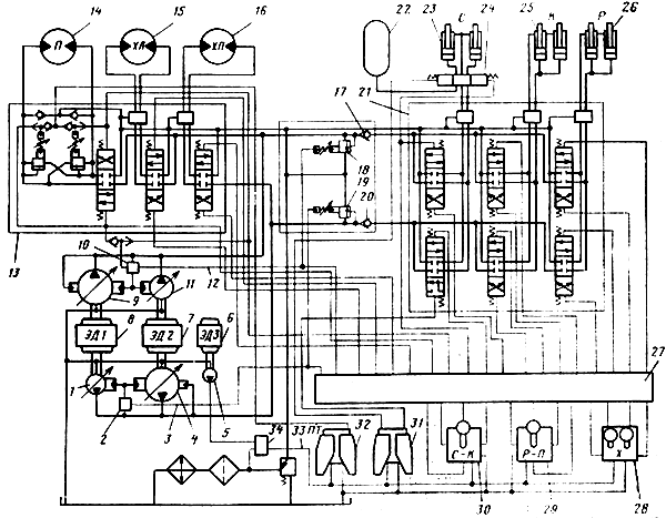
Примером рекуперативной системы может служить гидросистема одноковшового экскаватора ЭО-6123 /5/, изображённая на рисунке 17. На данном экскаваторе применена локальная рекуперация энергии при опускании стрелы машины. Это обеспечивает снижение расхода электроэнергии на холостом ходу и при рекуперировании во время работы, а также плавность и независимость регулирования от нагрузки. Введение локальной рекуперации энергии при опускании - подъеме рабочего оборудования позволило сократить продолжительность подъема стрелы и цикла в целом, потери энергии при опускании и уменьшило удельные энергозатраты.
1,11 и 4,9 – силовые насосы, обеспечивающие 2 потока жидкости; 7,8 – силовые электродвигатели; 3,12 – линии низкого давления; 2,10 – клапаны отсечки; 18,19 – предохранительные клапаны; 5 – насос управления; 6 – электродвигатель насоса управления; 34 – клапанный блок; 33 – напорная линия; 1,4 – напорные линии силовых насосов второго потока; 13 – трёхзолотниковый блок; 14,16 – управляющие гидромоторы; 17,30 – противопосадочные обратные клапаны; 21 – шестизолотниковый блок; 23 – управляющие гидроцилиндры стрелы; 26 – гидроцилиндры рукояти; 25 – гидроцилиндр ковша; 24 – трёхпозиционный золотник рекуперативного подъёма и опускания; 22 – гидроаккумулятор; 27 – комплект гидравлических логических элементов; 28,29,30 – управляемые командоаппараты; 31 – блок безнасосного и рекуперативного опускания стрелы; 32 – педальный блок; 14 – гидромотор поворота платформы.
Рисунок 5. Гидравлическая система экскаватора ЭО-6123.















