ПЗ (1219780), страница 5
Текст из файла (страница 5)
Длительная часть временной нагрузки, определяется по формуле:
(2.38)
Нагрузка от веса колонны, определяется по формуле:
, (2.39)
где ρ=25 кН/м3 – удельный вес железобетона
Снеговая нагрузка.
Нормативная снеговая нагрузка на 1 м2 горизонтальной поверхности, определяется по формуле:
(2.40)
где S0 – расчетное значение веса снегового покрова на 1 м2 горизонтальной поверхности, в зависимости от снегового района – Благовещенск, II снеговой район [1], принимаетмя равным 1,2 кН/м2.
μ – коэффициент конфигурации кровли, принимается равным 1.
Нагрузка от снега на колонну полная, определяется по формуле:
(2.41)
Длительная часть снеговой нагрузки, определяется по формуле:
(2.42)
3.6.5. Определение усилий в колонне
Полная нагрузка на колонну первого этажа, определяется по формуле:
(2.43)
Усилие от постоянной и длительной нагрузок, определяется по формуле:
(2.44)
Значение случайного эксцентриситета выбирается наибольшим из трех значений:
принимаем
Тогда моменты от случайных эксцентриситетов продольных сил относительно оси элемента будет равен:
2.2.3 Предварительный подбор сечения арматуры
Пренебрегая моментами, считаем колонну центрально-сжатой и определяем предварительное сечение арматуры.
Приняв среднее значение
, получим формулу:
(2.45)
Принимаем 836 A400 с
Должно выполняться условие:
, (2.46)
где
и
Условие удовлетворяется (3>2,85>0,4).
2.2.4 Расчет колонны как внецентренно сжатой стойки
Расчет производят из условия:
(2.47)
где e - расстояние от точки приложения продольной силы N до центра тяжести сечения менее растянутой арматуры;
N - продольная сила от внешней нагрузки.
, (2.48)
где
- коэффициент, учитывающий влияние продольного изгиба элемента на его несущую способность, определяется по формуле:
, (2.49)
где Ncr - условная критическая сила, определяемая по формуле:
(2.50)
где D – жесткость эл-та в предельной прочностной стадии;
l0 - расчетная длина элемента.
(2.51)
где Eb,Es - модули упругости бетона и арматуры;
I,Is – моменты инерции площадей сечения бетона и всей арматуры, относительно оси, проходящей через центр тяжести поперечного сечения элемента;
ks принимается равным 0,7.
(2.52)
(2.53)
Моменты Ml и M определяются относительно оси, проходящей через центр наименее сжатого стержня:
(2.54)
(2.55)
Относительное значение коэффициент
, принимается наибольшее из трёх условий:
Тогда, по формуле (2.52):
(2.56)
(2.57)
По формуле (2.51):
По формуле (2.50):
По формуле (2.49):
По формуле (2.48):
Относительная высота сжатой зоны сечения
определяется по формуле:
(2.58)
, (2.59)
где
- относительная деформация сжатого бетона при напряжениях Rb, принимаемая по [16], равняется равным 0,0035.
Относительная высота сечения при расчете внецентренно сжатых элементов с симметричной арматурой
при малых эксцентриситетах:
(2.60)
(2.61)
Условие
случай малых эксцентриситетов подтверждается.
Высота сжатой зоны сечения, определяется по формуле:
(2.61)
Несущая способность, проверяется по формуле:
(2.62)
Из условия (2.47):
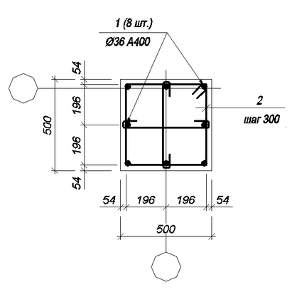
Таким образом условие выполняется (857,35<926,26) и несущая способность колонны обеспечена при продольной арматуре 836A400. Диаметр поперечной арматуры из условия сварки с диаметрами продольных стержней 36мм принят 8 мм A400.
Шаг поперечной арматуры принят 30 см, что 10d и 30 см [16, п.10.3.14].
Схема армирования колонны К1 показана на рис. 2.6.
Рисунок 3.8 Схема армирования колонны К1
Общие положения
В данном разделе разработан проект производства работ на строительство бизнес-центра с подземной автостоянкой в г. Благовещенске в состав которого входит: технологические карты на возведение монолитных железобетонных конструкций на отм. +0.000, на устройство подвесных потолков из плит типа «Акмигран», календарный план, графики в потребности материалах, машинах и оборудования, движения рабочей силы, строительный генеральный план на возведение надземной части здания.
3.1 Определение нормативного срока строительства
Нормативный срок строительства определяется согласно [1,ч.1,п.3].
Подготовительный период определяется в пределах 15-25% общей продолжительности строительства.
Пусконаладочные работы входят в расчетную продолжительность строительства.
Продолжительность строительства получаем:
(3.1)
где
- объем строительно-монтажных работ, млн. руб.;
- параметры уравнения, определенные по данным статистики [1,ч.1,п.3, табл.п.16].
Подготовительный период составляет:
3.2 Определение объёмов и трудоемкостей работ.
Объемы работ по их видам и конструктивным элементам определяются на основании архитектурных и конструктивных решений проектируемого здания. Подсчет объемов работ приведён в табл. 3.1.
Таблица 3.1 – Ведомость подсчета объёмов работ
| Наименование работ | Ед. изм. | Объем работ |
| Подземная часть | ||
| Рыхление грунта бульдозерами мощностью 132 (180) кВт (л.с.) | 1000м3 | 1,82 |
| Разработка грунта одноковшовым экскаватором с погрузкой на автомобили-самосвалы | 1000м3 | 10,67 |
| Ручная доработка грунта и устройство песчаного основания под фундаменты | 1000м2 | 3,02 |
| Устройство бетонной подготовки | 100м3 | 3,02 |
| Устройство монолитной плоской плиты фундаментов | 100м3 | 11,52 |
| Устройство монолитных наружных стен | 100м3 | 10,37 |
| Устройство монолитных внутренних стен | 100м3 | 0,75 |
| Устройство монолитных колонн в металлической опалубке 400 х 400 мм | 100м3 | 0,38 |
| Устройство монолитного безбалочного перекрытия над подвалом | 100м3 | 5,78 |
| Устройство гидроизоляции фундаментов и стен гидроизолом в 2 слоя на битумной мастике | 100м2 | 21,8 |
| Засыпка бульдозером пазух котлованов с уплотнением грунта | 1000м3 | 0,55 |
| Надземная часть | ||
| Устройство монолитных внутрених стен | 100м3 | 2,42 |
| Устройство монолитных колонн в металлической опалубке 400 х 400 мм | 100м3 | 1,7 |
| Устройство лестниц монолитных | 100м3 | 0,87 |
| Устройство монолитного безбалочного перекрытия | 100м3 | 15,68 |
| Кладка отдельных наружных стен толщиной 200 мм из я/бетонных блоков при высоте этажа до 4 м | 1м3 | 697 |
| Кладка перегородок из кирпича армированных толщиной 1/2 кирпича при высоте этажа до 4 м | 100 м2 | 16,32 |
| Устройство окон и дверей | ||
| Заполнение оконных проёмов | 100 м2 | 13,24 |
| Заполнение дверных проёмов | 100 м2 | 4,43 |
| Кровля | ||
| Устройство пароизоляции оклеечной в 1 слой | 100м2 | 8,72 |
| Утепление покрытий плитами из минеральной ваты | 100м2 | 8,72 |
| Установка пароизоляционного слоя из пленки полиэтиленовой | 100 м2 | 8,72 |
| Устройство выравнивающих стяжек цементно-песчаных толщиной 30мм | 100м2 | 8,72 |
Продолжение табл. 3.1
| Огрунтовка готовой эмульсией битумной | 100м2 | 8,72 |
| Гидроизоляция 3 слоя с защитным слоем из гравия на битумной мастике | 100м2 | 8,72 |
| Отелочные работы | ||
| Установка и разборка наружных инвентарных лесов | 100м2 | 44,62 |
| Установка пароизоляционного слоя из пленки полиэтиленовой | 100м2 | 35,02 |
| Утепление наружных стен здания плитами из минеральной ваты | 1м3 | 524,63 |
| Облицовка фасада металлическими листами | 100м2 | 34,98 |
| Устройство перегородок с метал. каракасом, обшитым 2-я слоями ГВЛ | 100м2 | 47,54 |
| Штукатурка поверхностей стен известковым раствором простая по камню и бетону улучшенная | 100м2 | 280,17 |
| Устройство покрытий из плиток керамических на растворе силикатном кислотоупорном | 100м2 | 17,25 |
| Высококачественная окраска масляными составами по штукатурке стен | 100м2 | 138,85 |
| Устройство потолков подвесных из акустической плитки типа «Акмигран» | 100м2 | 46,61 |
| Устройство полов из линолеума | 100м2 | 44,63 |
3.3 Выбор методов производства работ.
Планировку территории, обратную засыпку выполнить бульдозером New Holland D180. Характеристики бульдозера приведены в табл. 3.2.
Таблица 3.2 – Технические характеристики бульдозера New Holland D180
| Наименование показателя | Единица измерения | Характеристика |
| Тип рыхлителя | - | параллелограм |
| Длина отвала | мм | 3420 |
| Высота отвала | мм | 1425 |
| Емкость отвала | куб.м | 5,6 |
| Управление | - | гидравлическое |
| Мощность | кВт (л.с.) | 132 (180) |
| Масса с основным оборудованием | кг | 20050 |
Разработку грунта в котловане выполнить экскаватором CATERPILLAR М-318 с оборудованием «обратная лопата» с ёмкостью ковша 1,05м3 . Технические характеристики экскаватора приведены в табл. 3.3.















