ДП190301.65.К08-Л-499.ПЗ (1218708), страница 3
Текст из файла (страница 3)
рисунок 1.4. Из нее следует, что через открытые тиристоры преобразователя
и
в цепи нагрузки протекает ток
под действием напряжения секции I трансформатора. В момент
подается импульс управления
на тиристоры плеча
и начинается коммутация тока
с тиристоров
на
(интервал
), после чего в работе оказываются уже две секции трансформатора – I и II. Совместная работа двух обмоток продолжается на активном интервале
.
Рисунок 1.4 – Схемы замещения преобразователя на второй зоне регулирования
В начале следующего полупериода меняется полярность напряжения трансформатора. С задержкой от начала второго полупериода (
) импульсы управления 0 подаются на тиристоры плеча
и происходит коммутация тока с тиристоров
на
(интервал
), которому соответствует угол коммутации '0. После ее завершения и подачи задержанного по фазе импульса управления
на тиристорное плечо
происходит вторая коммутация "0 (интервал
). Таким образом, при работе на второй зоне регулирования на интервалах времени
и
последовательно протекают две коммутации: в большом и малом коммутирующем контурах. В большом контуре ток коммутации протекает под действием суммарного напряжения двух обмоток I и II, а в малом – за счет напряжения секции I, т. е. сетевая коммутация состоит из двух подынтервалов продолжительностью '0 и "0 рисунок 1.2, б.
Во втором полупериоде (напряжение трансформатора отмечено штриховой линией на рисунке 1.2, б и рисунке 1.4), после окончания сетевой коммутации '0 + "0 ток Id замыкается через вентили групп
и
(интервал
).
На нагрузку поступает положительная полуволна напряжения
, определяемая напряжением секции I трансформатора. Затем, после завершения фазной коммутации p (интервал
), к напряжению обмотки I добавляется напряжение секции II. Продолжительность их совместной работы на интервале
определяется углом регулирования
.
После сетевой коммутации = '0 + "0, происходящей на интервале
, конфигурация ВИП возвращается в состояние, соответствующее схеме замещения преобразователя на интервале
. Затем процессы в схеме повторяются.
| | Рисунок 1.5 – Процесс перехода со второй зоны регулирования в третью |
Переход на третью зону регулирования происходит автоматически за счет мгновенной замены обмоток секций трансформатора I, II, равной по напряжению секцией III. Переход со второй на третью зону регулирования показан на
рисунке 1.5. В конце интервала
второй зоны регулирования напряжение
трансформатора меняет знак и на участке
становится положительным рисунке 1.5, а, но ток нагрузки
протекает противоположно полярности напряжения
за счет энергии, накопленной в индуктивности нагрузки. При переходе на третью зону регулирования в момент
на тиристоры плеча
подаются импульсы управления
и происходит коммутация тока с тиристоров плеча
на тиристорное плечо
рисунке 1.5, а. Коммутация протекает под воздействием напряжения трех секций вторичных обмоток трансформатора, поэтому конфигурация схемы ВИП изменяется практически мгновенно.
После окончания коммутации ток в цепи тяговых двигателей протекает под действием напряжения секции III через тиристоры плеч
и
, что соответствует интервалу
работы преобразователя на третьей зоне регулирования. Таким образом, происходит замена двух секций I и II трансформатора на равную по напряжению секцию III.
Аналогично осуществляется переход во втором полупериоде
напряжения. Процесс изменения конфигурации схемы ВИП показан на рисунке 1.5, б. Отличие состоит в том, что импульсы управления
подаются на тиристорное плечо
. После завершения коммутации это приводит к образованию контура тока нагрузки через тиристоры плеч
и
под действием напряжения секции III (полярность напряжения показана штриховой линией). Это соответствует интервалу
работы преобразователя на третьей зоне регулирования.
Таким образом, переход на третью зону регулирования осуществляется в начале полупериода путем перевода импульсов управления
с тиристоров
на второй зоне на тиристоры
на третьей зоне регулирования.
Диаграмма выпрямленного напряжения
и мгновенные схемы замещения преобразователя на третьей зоне регулирования показаны на рисунке 1.2, в и 1.6. В данном случае имеются те же временные интервалы в кривой выпрямленного напряжения
, что и в кривой напряжения на второй зоне регулирования. Так, согласно алгоритму работы преобразователя рисунок 1.1, импульсы управления
подаются в соответствующие полупериоды на тиристоры плеч
. За счет этого к напряжению секции III трансформатора на интервалах
и
рисунке 1.2, б, добавляется напряжение секции II, увеличивая среднее значение выпрямленного напряжения
нагрузки. Аналогично второй зоне регулирования происходят процессы сетевой коммутации на интервалах
и
посредством последовательной подачи в соответствующие полупериоды импульсов управления
на тиристоры плеч
и задержанных по фазе импульсов
на тиристорные плечи
.
В конце третьей зоны регулирования при уменьшении угла регулирования
возрастает время совместной работы секций I и III трансформатора. Это увеличивает выпрямленное напряжение от
в начале до
в конце третьей зоны.
Работа преобразователя на четвертой зоне регулирования имеет тот же характер, что и работа ВИП на второй и третьей зоне. Мгновенные схемы замещения преобразователя на этой зоне регулирования представлены на рисунке 1.7. На рисунке 1.2, г приведена форма кривой выпрямленного напряжения
.
Рисунок 1.6 – Схемы замещения преобразователя на третьей зоне регулирования
Согласно алгоритму управления в соответствующие полупериоды на тиристоры плеч
подаются нулевые импульсы
, ана тиристорные плечи
– задержанные по фазе импульсы
. Сетевая коммутация = '0 + "0 протекает на интервалах
и
. Выпрямленное напряжение
регулируется за счет изменения фазы импульсов регулирования
тиристоров
. Из анализа кривой
следует, что при минимальном значении угла регулирования
продолжительность совместной работы всех трех вторичных обмоток трансформатора наибольшая, в этом случае среднее значение выпрямленного напряжения
достигает номинального значения 1400 В.
Выводы
1. Минимальный угол открытия тиристов0 и максимальное значение угла регулирования р мах определяются минимальным анодным напряжением на тиристорах, необходимым для их надежного открытия.
2. Минимальная фаза импульсов управления р мin ограничена процессами сетевой коммутации в выпрямительно-инверторном преобразователе.
1.3 Типичные неисправности ВИП
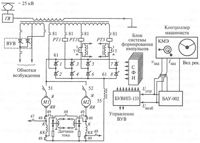
В силовой части ВИП наиболее часто встречающимся видом неисправности является выход из строя одиночного силового тиристора в любом плече рисунок 1.7, (неисправность 1). Одиночный отказ тиристора (пробой) приводит к повышению напряжения на других последовательно включенных тиристорах плеча ВИП. В этом случае у отказавшего тиристора несколько снижается прямое падение напряжения (до 0,5В, а в редких случаях до 0,25 В), и через параллельную ветвь плеча, в которой находится повреждённый тиристор протекает увеличенный ток. Полный выход из строя одиночного тиристора приводит к загоранию сигнальной лампы этого ВИП на пульте управления электровозом уже при нулевом положении контролёра машиниста, рисунок 1.8
Гораздо реже в практике эксплуатации электровозов с ВИП рисунок 1.7 встречаются случаи сквозного повреждения силовых тиристоров в одном или нескольких плечах ВИП (неисправность 2). При сквозном повреждении силовых тиристоров любого плеча возникает режим короткого замыкания всей вторичной обмотки тягового трансформатора или только некоторой его части (это зависит от зоны регулирования в момент возникновения сквозного повреждения) в течение одного полупериода напряжения сети. При этом развиваются токи КЗ, которые могут привести к повреждению вторичных обмоток тягового трансформатора, переключателей 81 и 82 рисунок 1.7 и силовых тиристоров в других плечах ВИП. Чтобы предотвратить подобные повреждения, на шинах вторичной обмотки трансформатора установлены реле тока РТ1-РТ6, имеющие уставку тока 3200 +\- 200 А. При срабатывании этих реле замыкаются их контакты, через которые на отключающую катушку главного выключателя электровоза подаётся питание от обмотки собственных нужд. В подавляющем большинстве случаев такая защита исключает повреждения силового электрооборудования. В тоже время при сквозном повреждении плеч ВИП, как правило, происходит приваривание силовых контактов переключателей 81 и 82, что требует их ремонта, рисунок 1.8
Наиболее тяжелые повреждения силового электрооборудования происходит в тех случаях, когда машинисты при возникновении сквозного повреждения плеча, не отключая поврежденный ВИП, пытаются повторно включить ГВ. В таких случаях машинисту рекомендуется после повторного срабатывания ГВ осмотреть реле тока, найти реле с выпавшими сигнальными блинкерами (указателями) и определить неисправный ВИП. При обнаружении повреждении элементов схемы на панелях силовых тиристоров необходимо отключить переключатель 81 (82) рисунок 1.7 данного ВИП кнопкой на щите параллельной работы, визуально убедиться, что силовые контакты переключателя разошлись, после чего поднять токоприёмник, включить ГВ и продолжать движение электровоза на шести тяговых двигателях. Если при осмотре не обнаружено реле с выпавшими сигнальными блинкерами, то машинисту необходимо продолжить поиск причины отключения ГВ. Отключать ВИП в этом случае нет необходимости.
Рисунок 1.7 – упрощённая силовая схема электровоза ВЛ85 для тяговых














