ДП190301.65.К08-Л-499.ПЗ (1218708), страница 4
Текст из файла (страница 4)
двигателей М1 и М2
Рисунок 1.8 – принципиальная схема пятого и шестого плеч ВИП:
(цифрами 1-4 в кружках указаны места характерных неисправностей)
Неоднократное повторное включение ГВ без отключения неисправного ВИП приводит, как правило, к тяжёлым последствиям, так как в подобных аварийных режимах наиболее слабой частью электрооборудования являются силовые тиристоры, В таких случаях характерны сквозные повреждения в нескольких плечах ВИП, число повреждённых тиристоров достигает 10- 25 шт., сгорают монтажные провода и резисторы связи на панелях силовых тиристоров, повреждаются и обугливаются текстолитовые панели с тиристорами и все панели монтажа, расположенные на этих панелях.
Из анализа сквозных повреждений плеч ВИП выявлены наиболее характерные закономерности повреждений.
Сквозные повреждения тиристоров чаще всего происходят в одном плече одного ВИП (около трёх четвертей всех случаев), реже возникают сквозные повреждения одновременно в двух и более плечах одного ВИП (примерно пятая часть всех случаев) и исключительно редко происходят сквозные повреждения плеч одновременно в нескольких ВИП. В подавляющем большинстве случаев при сквозных повреждениях выходят из строя силовые тиристоры одной параллельной ветви плеча, реже происходит одно временное повреждение силовых тиристоров двух и более параллельных ветвей плеча, крайне редко при сквозных повреждениях имеет место зигзагообразный выход из строя тиристоров плеча. При этом следует отметить, что самые нижние параллельные ветви тиристоров плеча повреждаются чаще, чем остальные ветви. Все указанные выше данные подтверждаются практикой эксплуатации электровозов ВЛ80Р и ВЛ85. Наблюдаемый при этом характер отказов позволяет сделать предположение что сквозные повреждения плеч ВИП чаще всего возникают в результате неравномерного распределения рабочего тока ВИП на одну или несколько параллельных ветвей силовых тиристоров плеча.
Сложно установить в условиях депо причины выхода из строя одиночных тиристоров. Специальных исследований в этом направлении не проводилось, но выполнялись проверки отказавших тиристоров со вскрытием таблетки и анализом кремниевой структуры. При этом не разделялись на группы тиристоры, вышедшие из строя при одиночных отказах и при сквозных повреждениях плеч. По внешнему виду повреждения структуры нескольких партий тиристоров (всего около 600 штук) подразделяются следующим образом. Выгорание значительной части структуры составляет около трети общего числа повреждённых тиристоров. Такую же долю составляют оплавление структуры диаметром 1-2 мм (точечный прожог), распределенные произвольно по площади катода. Прожог структуры в области управляющего электрода происходит примерно в четверти всех тиристоров. В случаях имеют место пробой структуры по фаске и дефекты монтажа при изготовлении тиристоров.
Очевидно, что выгорание значительной площади кремниевой структуры тиристора происходит при чрезмерно больших токах, которые возникают при сквозных повреждениях. Такие повреждения, как пробой структуры по её фаске и различные дефекты монтажа, могут быть отнесены к заводскому браку. В то же время точечный прожог катодной области и прожог в области управляющего электрода могут происходить в результате чрезмерного нагрева при протекании больших токов (например, в режиме неравномерного перераспределения рабочего тока ВИП на три или четыре параллельные ветви плеча), а также из-за внутренних дефектов кристаллической решетки структуры.
Кроме перечисленных неисправностей в практике эксплуатации электровозов отмечены случаи сгорания резисторов связи рисунок 1.7 которые были включены между параллельными ветвями (неисправность 3).
Наиболее вероятной причиной этой неисправности являются режимы перераспределения рабочего тока ВИП на несколько параллельных ветвей в двух смежных плечах, например в плечах
3 и 4. Сгорание одного резистора связи, расположенного на панели тиристора, нарушает цепь управления этого тиристора и приводит к тому, что данная параллельная ветвь тиристоров плеча вообще не принимает нагрузку. Такое положение не является критическим для ВИП, но накопление сгоревших резисторов связи в одном плече может привести к более серьезным повреждениям (например, отказу тиристоров) поэтому в эксплуатации необходимо периодически проверять омметром резисторы связи и одновременно заменять сгоревшие. Имеют место случаи выхода из строя резисторов типа ПЭВ вследствие внутреннего обрыва проволочной цепи (неисправность 4). Такое повреждение обязательно вызовет неравномерность в распределении напряжений на последовательно соединенных тиристорах, что должно привести к загоранию сигнальной лампы ВИП на пульте управления в кабине машиниста, хотя эта ситуация соответствует нормальному режиму.
Случаи загорания сигнальной лампы ВИП на пульте управления можно разделить на две группы. К первой группе неисправностей следует отнести случаи, когда сигнальная лампа ВИП горит постоянно при нулевом положении главного штурвала КМЭ. Причинами это явления могут быть:
-пробой силового тиристора в одном из плеч ВИП;
-обрыв цепи резистора R1-R4 рисунок 1.7;
-отсутствие переменного напряжения 380в на панели 101(102)
в следствии сгорания предохранителя или по другой причине:
-обрыв резисторов в других цепях защиты ВИП.
В этих случаях прежде всего следует путем поочередного отключения тумблеров на панели 101(102) электровоза ВЛ80Р определить плечо, из-за которого загорается сигнальная лампа ВИП, затем отыскать неисправный тиристор или резистор в блоке высокого напряжения ВИП или устранить неисправность на панели 101(102).
Ко второй группе неисправностей следует отнести все случаи загорания сигнальных ламп ВИП, которые проявляются во время движения электровоза при работе ВИП на определенной зоне и при определенном токе нагрузки. Причинами могут быть:
-разрегулировка мостов на панели101(102); в этом случае необходимо с помощью тумблеров определить плечо, которое даёт загоранте сигнальной лампы, и добиться равновесия моста в этом плече;
-потеря перво начальных свойств тиристора в одном из плеч ВИП; выявить такой тиристор с помощью тестера невозможно, поэтому рекомендуется с помощью тумблеров на панели 101 (102) определить плечо ВИП, в котором имеется такой тиристор, и поверить тестером все тиристоры этого плеча на класс по напряжению;
-ложное включение стлового тиристора в одном из плечВИП на определённой зоне и при определённом токе нагрузки.
В силовой части ВИП появляются различные механические дефекты. К ним относятся ослабленные крепления гибких шунтов на силовых тиристоров и шинах, касания шин в монтаже индуктивных делителей, направляющих прутков, по которым проложены провода управления, и т.п. При плановых ремонтах необходимо тщательно осматривать весь силовой монтаж ВИП и устранять подобные неисправности.
1.4 Поиск несправных тиристоров и их замена
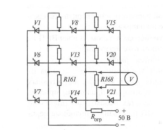
При выходе из строя силового тиристора в одном из плеч ВИП загорается сигнальная лампа данного ВИП на пульте управления в кабине машиниста. С помощью тумблеров на панели 101 и 102 (ВЛ80Р) можно достаточно быстро определить плечо, в котором появился повреждённый тиристор рисунок 1.8. Для этого следует отключить четыре верхних тумблера на панели 101 (102) и поднять токоприёмник. Если сигнальная лампа продолжает гореть, следует опустить токоприемник, отключить четыре нижних тумблера, а верхнии включить и поднять токоприёмник. Если сигнальная лампа погасла, поврежденный тиристор находится в тех плечах ВИП, которые контролируются четырьмя нижними тумблерами на панели 101(102). Затем эти четыре тумблера следует включать поочередно и каждый раз, поднима и опуская токо приёмник, проверять загорание сигнальной лампы. После обнаружения не исправного плеча следует <<прозвонить>> тестером последовательно включенные тиристоры этого плеча. Ряд параллельных тиристоров плеча, в котором находится пробитый тиристор, будет иметь сопротивление, близкое к нулю. Затем нужно отсоединить анодные или катодные выводы тиристоров данного ряда от остальной части плеча и определить тестером пробитый тиристор, рисунок 1.9
В некоторых случаях при этом не удается тестером определить пробитый тиристор в плече, так как он еще выдерживает напряжение порядка нескольки десятков вольт. Тогда для проверки рекомендуется использовать батарею электровоза, подключая ее через токоограничивающий резистор ПЭВ мощьностью 100 Вт, сопротивлением 50 Ом к каждому ряду тиристоров в данном ряду через резисторы связи R161 и R168 будет протекать постоянный ток. Это можно зафиксировать, подключая тестер поочередно ко всем резисторам связи тиристоров данного ряда, установив предварительно предел измерения напряжения 0,1-0,3 В.
Если класс тиристора Т2-320 снизился, например с 15-го до 12-го, обнаружить такой тиристор с помощью тестера или батареи электровоза трудно. В этом случае можно применить переносной прибор для проверки повторяющегося напряжения диодов и тиристоров (паспорт рибора 247М.00.00.00), разработанный заводом <<Электровыпрямитель>>. Переносной прибор выполнен на полупроводниковых элементах, поэтому имеет сравнительно небольшие габаритные размеры. Все тумблеры управления и выбора режима работы находятся на лицевой панели прибора. Лица, обслуживающие переносной прибор, должны иметь допуск к работе на установках напряжением свыше 1000 В.
После определения пробитого тиристора в плече ВИП необходимо вынуть неисправный блок тиристоров из ВИП. Для этого следует отсоединить гибкие шунты от анодных икатодных выводов тиристоров двойного блока, все провода, отходящие от блока тиристоров; отвинтить болты, крипящие блок к вертикальным несущим панелям; ослабить крепеж соседнего блока этого же ряда по вертикали; осторожно вытянуть за ручку на себя.
Новый тиристор, который необходимо установить в блок,должен иметь такие же прямые падения напряжения, как и другие тиристоры в блоке. Если тиристор точно с такими прямыми падениями подобрать не удается, следует выяснить сумму прямых падений напряжения для тиристоров всех параллельных ветвей данного плеча (она указана в формуляре ВИП) и подобрать в плечо такой тиристор, чтобы разброс по суммарному значению прямых падений напряжения во всех параллельных ветвях плеча не привышал значения 0,02 пВ, где п – число последовательновключенных тиристоров в плече. Охладители устанавливаемых тиристоров должны быть точно такими же, как у снятых.
Рисунок 1.9 схема определения пробитого тиристора в плече ВИП
2 МОДЕЛИРОВАНИЕ АВАРИЙНЫХ ПРОЦЕССОВ ВИП ЭЛЕКТРОВОЗА В РЕЖИМЕ ТЯГИ
2.1 Постановка задачи
Исследования аварийных процессов в ВИП электровоза удобно выполнять использывав программный пакет Multisim. Данное программное обеспечение позволяет реализовать математическую модель ВИП электровоза путем составления принципиальной электрической схемы ВИП эквивалентными элементами, представленными в среде Multisim(вентили, управляемые вентили, двигатель постоянного тока и т.д.). Изоображения компонентов схем соответствуют стандартным условным обозначениям, а изображение электроизмерительных приборов повторяют экраны и лицевые панели реальных устройств с функционирующими органами управления. Это позволяет повторить эксперимент в реальных условиях со стандартным набором оборудования и способствует получению измерительной информации схожей с реальными исследованиями.
2.2 Построение модели ВИП электровоза в режиме тяги
Для проектирования модели стенда выполним сопоставление реальных элементов схемы с элементами, представленными в среде Multisim и расчет параметров схемы.
Приняты следующие параметры источника переменного синусоидального напряжения:
- напряжение питания Uпит=120 В;
- частота питающего напряжения f=50 Гц;
Для управления тиристорами необходима система управления. Проектирование системы управления является трудоемкой задачей и в дипломном проектировании не рассматривается. Поэтому при моделировании работы стендов в качестве системы управления используются генераторы импульсов, настроеные таким образом, чтобы реализовать алгоритм работы ВИП в режиме тяги.
Для обеспечения работы ВИП в режиме тяги, необходимо управлять плечами тиристоров поочередно в пределах одного полупериода питающего напряжения. Длительность одного полупериода составляет Т/2, соответственно, приняты следующие параметры генераторов прямоугольных импульсов.















