ДИПЛОМИЩЕ (1217437), страница 8
Текст из файла (страница 8)
Таблица 4.9- Спецификация ШУ горелки 1
| Поз. обозначение | Наименование | Кол. | Примечание |
| QF 14 | Селективный автоматический выключатель 20 А 4P 380VAC | 1 | |
| QF 2..5,15..16 | Автоматический выключатель 2А 2Р | 8 | |
| QF 1 | Автоматический выключатель 2А 3Р | 1 | |
| KV 2..5,15 | Пускатель бесконтактный реверсивный ПБР-2 | 8 | |
| KV 1 | Пускатель бесконтактный реверсивный ПБР-3 | 1 | |
| G2 | Блок питания SE TSX PSY 2600 M | 1 | |
| A5 | Процессор SE TSX P57 3634 M | 1 | |
| A6 | Блок дискретного вывода SE TSX DSY 16T2 | 1 | |
| A7 | Блок дискретного ввода SE TSX DЕY 32D2 | 1 | |
| A8 | Блок аналогового ввода SE TSX AЕY 810 | 1 | |
| XS2 | Колодка SE ABE-07CPA02 | 1 | |
| BP5 | Датчик диф. давления ДМД 831 Д4 0..500 кПа в комплекте с диафрагмой камерной PN 100 ДКС-300-А/Б производителя АО «ХК «АМАКС» | 1 | РВ |
| BP6 | Датчик давления ДМ5002Вн-В 0..150 кПа | 1 | ДДГ-1 |
| BP7 | Датчик давления ДМ5002Вн-В 0..60 кПа | 1 | ДДГ-2 |
| BP8 | Датчик давления ДМ5002Вн-В -150..150 Па | 1 | ДР |
| BP9 | Датчик давления ДМ5002Вн-В 0..2,5 МПа | 1 | ДСВ-1 |
| BP10 | Датчик давления ДМ5002Вн-В 0..2,5 МПа | 1 | ДСВ-2 |
| КМ8..КМ11 | Контактор ESB 20-20 1 НО 1Р 220VAC, катушка питания 24VDC | 4 | |
| Т1..Т4 | Трансформатор ОС33 730 УХЛ2 220/7500В 30мА | 4 |
Отдельным вопросом, требующего особого рассмотрения, является построение регуляторов давления газа и воздуха в соотношении, необходимом для полного сгорания газа. Для выполнения этого условия требуется достаточное количество воздуха по отношению к используемому количеству газа. В [11] рекомендуется объёмное соотношение природного газа и воздуха, необходимое для осуществления полного сгорания газа – оно равно 1:10.
Задача регулятора, построенного в программной среде Unity Pro XL на базе процессора TSX P573436 SE Premium, состоит в одновременном регулировании объёмного расхода газа и воздуха при соблюдении их соотношения 1:10. Так как в ВКР рассматривается только тракт газа, то подразумевается, что регуляторы давления приточного воздуха ДВ-1..ДВ-4 управляются таким же образом.
Работа регуляторов газа РГД-1..РГД-4, 3ЗД осуществляется линейным образом, т.е. шибер регулятора перемещается вокруг своей оси с постоянной скоростью, увеличивая или уменьшая своё проходное сечение. Скорость открытия или закрытия шибера определяется скоростью движения приводного электродвигателя МЭО. Перемещение шибера регулятора соосно перемещению рабочего органа МЭО. Таким образом, шибер совершает путь из крайнего закрытого положения в крайнее закрытое положение за 63 секунды, причём в открытом положении шибер расположен вдоль движения газа, а в закрытом – поперёк. Суть проблемы заключается в том, что скорость отработки необходимого положения шибера значительно больше скорости изменения среды. Это влечёт за собой появление колебания движения шибера, когда значение давления близко к требуемому. Что избежать этих негативных последствий, придётся пожертвовать некоторой точностью отработки давления. Учитывая, что относительная приведённая погрешность датчика давления после регулятора составляет 0,5%, то для САР давления принимаем погрешность отработки давления равной ±1%. Удовлетворяющим этим требованиям, создадим структурную схему САР давления газа, на рисунке 4.9.
Напряжением задания UЗ устанавливается необходимое давление, которое измеряется в условных единицах соответственно давлению. Обратная связь датчика давления преобразует давление на выходе регулятора в условные единицы. Это значение вычитается из напряжения задания (на сравнивающем устройстве). Полученный результат, Uошибки, подаётся на триггер Шмидта. Он срабатывает лишь в том случае, если ошибка больше условной константы сравнения, которая в условных единицах соответствует 1% от рабочего давления газа горелки, т.е. 0,3кПа. Условные единицы в среде Unity Pro XL имеют выражение в INT. Более подробно этот момент освещён в следующей главе.
5 АЛГОРИТМ РАБОТЫ СИСТЕМЫ
Рассматривая принцип работы системы, её последовательность, необходимо выстроить систему частных элементов управления и регулирования, и уже после из полученных элементов составить единую взаимодействующую систему. Касаясь газового тракта горелок, необходимо составить подпрограмму регулирования давления газа перед горелками и, ей аналогичную, программу регулирования давления перед котлом.
Для создания несколько типовых подпрограмм регулирования давления газа создадим элемент DFB в программной среде UNITY PRO XL.
В программе, изображённой в приложении В, входные переменные блока – универсальные и к ним приходят реальные переменные, соответствующие тому или иному узлу.
Переменная GO позволяет приводить регулятор в действие. Переменная DAV_VH отражает значение выходного давления после регулятора. Переменая DAV_ZAD отражает требуемое значение регулируемой величины, в данном случае – давления газа. Выходные переменные OTKR и ZAKR означают сигналы открытия или закрытия шибера регулятора. Условимся, что ошибкой в данном случае называем разность между сигналом задания и сигналом выходного давления. Если ошибка составляет больше 75 INT, то значит, что выходное давление значительно меньше требуемого значения давления, шибер приоткрывается. Если ошибка становится менее -75 INT, то значит, что выходное давление значительно больше требуемого значения давления, и шибер закрывается. Это происходит до тех пор пока выходное давление не примет значение в диапазоне от DAV_ZAD-75 до DAV_ZAD+75. Далее следует описать программы блокировок ШУГ. Эти программы так же исполняются элементом DFB, так как их применение неоднократно. Программа блокировок при несрабатывании запорной арматуры и изменении давления газа перед горелкой в недопустимых пределах изображена на рис 5.1.
Здесь также переменная GO означает включение работы блокировок. Переменные с приставкой SIGN_ означают сигнал на открытие либо закрытие арматуры, переменные с приставкой SQ_ означают положение концевых выключателей арматуры, блок таймера TON с задержкой в 1 секунду – времени необходимым для срабатывания арматуры. выходные переменные с приставкой AVAR_ означают аварийный сигнал несрабатывания арматуры. Точное обозначение места аварии позволяет выявить проблему и быстро её решить. Переменная DAV_GORELKI – это сигнал с датчика ГДД (давление перед горелкой), которое переводится в условную единицу INT. Выходные переменные GOREL_DAVLENIE_NIZK и GOREL_DAVLENIE_VYSOK говорят о критически низком или высоком давлении газа перед горелками. В данном случае все выходные переменные являются логическими.
Также в список блокировок, закреплённых за ШУ горелок, входит проведение опрессовки, продувки газопровода БГ.
На рисунке 5.2 отображена подпрограмма продувки на языке LD.
Нормально замкнутый контакт AVAR_GAS размыкается, если с ШУКР приходит сигнал отрицательного результата с газоанализатора, в этом случае продувка прекращается. Нормально разомкнутый контакт GO запускает процесс продувки. Сигнал приходит с ШУКР. В этом случае открывается продувочный клапан ПР. Через 30 секунд после открытия ПР открывается клапан отбора пробы ОТ. Газоанализатор, имея собственный газовый компрессор, забирает газовую пробу и в течении 10 секунд проводит спектральный анализ состава газовой пробы, после чего, результат об удовлетворительном или неудовлетворительном составе газа по протоколу TCP/IP отправляется на ШУКР, и он даёт сигнал на прекращение продувки в рабочем принудительном режиме – GO=FALSE либо в принудительном аварийном режиме – AVAR_GAS=TRUE. В любом случае процесс продувки завершается. При удовлетворительном результате забора проб с газопроводов всех БГ, начинается процесс опрессовки – проверка арматуры и газопровода БГ на герметичность.
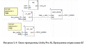
Процесс опрессовки БГ начинается с соответствующего сигнала ШУКР. Имеющиеся газовые блоки проходят опрессовку поочерёдно, начиная с первого. Очерёдность опрессовки так же определяется очерёдностью сигналов ШУКР. Программа опрессовки изображена на рисунках 5.3 и 5.4
Программы на рисунках 5.3 и 5.4 выполняются параллельно, т.е. одновременно. Программы написаны на языках LD и FBD, исходя из целесообразности отработки необходимых команд. Опрессовка начинается с сигнала start, который приходит с ШУКР. Чтобы принудительно прервать процесс опрессовки, ШУКР посылает команду stop. На рисунке 5.3 замыкается контакт sost_sist, ключ NORM_OPRESS замкнут, так как предыдущая опрессовки произошла успешно. Подаётся сигнал на открытие клапана безопасности, опрессовочным датчиком давления ОДД, на рис. 4.5 указан под цифрой 13, сравнивается давление, оно должно быть не более 0,03кгС/см2, что равно не более 3кПа. Давление должно выровняться до атмосферного. Если это произошло то формируется сигнал PZK1_NORM, закрывается клапан безопасности, на рис 4.5 он указан как КБ. Далее открывается КО – клапан опрессовки. Через 30 секунд давление в опрессовочном узле должно достигнуть давления в общем газопроводе, равным 60кПа. При выполнении этого условия замыкается ключ в программе на рисунке 5.4, подаётся сигнал в ШУКР GOTOV_K_ROZHIGU. На этом опрессовка первого газового блока окончена, ШУКР подаёт сигнал к опрессовке следующих БГ.
Далее выполняется последовательный розжиг всех горелок, начиная с первой. Закрываются клапана КБ, КО, ПЗК2. ШУКР подаёт 24 В на контакты реле КМ 3.5, которое замыкает клеммы 12 и 22 прибора контроля пламени (ПКП). В ответ ПКП замыкает контакты КМ3.1 в составе прибора Ф 34.2, на блок дискретного ввода А7 (DEY32D2K) на первый канал подаётся сигнал высокого уровня. Этот сигнал ШУКР перенаправляет на ШУ горелки 1, открываются клапаны ПЗК1, КЗ (клапан запальника), газ начинает поступать через запальник ЭИВ-01-И. ШУКР с устройства дискретного вывода А6, а именно с двенадцатого выхода, подаётся питание на соответствующую катушку, которая коммутирует питание на источник высокого напряжения – однофазный трансформатор Т1. Вторичные обмотки, подключённые к электрическому запальнику ЭИВ-01-И, создают зажигающую газ искру на нём. ПКП, регистрируя появления огня на запальнике, замыкает контакт КМ3.3, на пятый вход А7 подаётся напряжение +24В. Далее с выдержкой времени 5 секунд ПКП замыкает контакт 3.2, запрашивая подачу газа через горелку. ШУКР даёт сигнал на ШУ горелки к открытию ПЗК2, открытию регулятора РГД на 5%. Теперь газ проходит по каналу запальника и основному каналу горелки. Газ горелки воспламеняется от факела запальника, ПКП это регистрирует, и с выдержкой 10с, замыкает контакт КМ3.4, подавая 24В на 13 вход А7. По этому сигналу закрывается КЗ, подача газа на запальник прекращается. Горелка считается разожжённой, далее происходит розжиг других горелок. На рисунке 5.5 показана программа розжига горелки, заложенная в памяти ШУ горелки.
На ШУГ от ШУКР приходят сигналы rozhig_GO1, ETAP_2, ETAP_3, которые знаменуют различные этапы розжига. В первый этап перекрывается КВ, ПЗК2, КО, открывается КЗ, производится розжиг запальника. Второй этап включает в себя открытие ПЗК2, установка шибера РГД в положение открытия на 5%, появление факела горелки. В третий, завершающий этап входит перекрытие клапана запальника и создание сигнала окончания розжига первой горелки. Далее горелка управляется программой приложения В.
На рисунке 5.6 приведена программа ШУКР проведения розжига.
Не менее важный этап в работе системы ввода газа к котлу является подготовка газопровода к пуску – продувка газа. В первую очередь открывается клапан В1-1, в течении 15 секунд газ выходит через продувочную свечу, потом открывается клапан ОТ1-1, через который газоанализатор забирает пробу на спектральный анализ состава. Через пять секунд газоанализатор посылает сигнал о качественном составе. В случае, если результат анализа удовлетворительный, то закрываются клапана В1-1 и ОТ1-1, открывается задвижка 3Г 2, шибер 3ЗД открывается на 5%, выполняется подача газа на котёл. В случае получения неудовлетворительного результата, закрываются клапана В1-1, ОТ1-1, 3 ЗД, и выполняются ремонтные работы по устранению неполадок. Программа продувки вводного газа показана на рисунке 5.7. Сигналы с АРМ приходят на ШУКР как сигнал начала работы – это SIGN_K_PRODUV. После открытия ОТ1-1, ШУКР подаёт сигнал на забор пробы газоанализатора. Дале результат приходит в виде сигнала REZ_ANALIZE, который формирует дальнейшую опрессовку БГ и открытие 3 ЗД. В общем виде программа ШУКР по подготовке к работе котла выглядит следующим образом. Команды, вызываемые с ПК АРМ машиниста котла, направлены на ШУКР, который формирует управляющие команды-алгоритмы на подчиняемые устройства ШУ горелок с первой по вторую. Вначале выполняется программа продувки ввода газопровода (рис.5.7), проводится химический анализ состава природного газа, далее газ, при открытии 3ГЗ и шибера 3ЗД на 5%, достигает ПЗК1 каждого газового блока. Проводится продувка газопровода между вводом газа и БГ. Так же проводятся 4 забора проб газа. Отрицательный результат забора пробы говорит о повреждении участка газопровода перед БГ. Далее проводится последовательная опрессовка всех БГ (рис.5.3 и рис.5.4), начиная с первой по четвёртую, и далее по сигналу с АРМ машиниста даётся сигнал на последовательный розжиг каждой горелки (рис.5.5 и рис.5.6). После проведения этого этапа, котёл выходит в номинальный режим, в котором тепловая производительность котла задаётся сигналом задания DAV_ZAD. При остановке котла, закрываются шиберы РГД1..РГД4, 3ЗД, закрываются ПЗК1, ПЗК2 всех горелок, а также открывается клапан безопасности. ШУ горелок вырабатывают сигнал о разгерметизации БГ, что обязывает систему в дальнейшем снова проводить опрессовку и продувку газопровода.
ЗАКЛЮЧЕНИЕ
Разработка автоматизированной системы подачи газа к котлу типа ПТВМ-50 показала, что реализация данного проекта физически реализуема. Более того, при воплощении проекта в жизнь, значительно облегчается процесс ведения хозяйства центрального теплоснабжения, снижается средняя стоимость единицы выработанной тепловой энергии. Переход на использование в качестве топлива природного газа положительно скажется на экологичности производства теплоэнергии и снизит количество выбрасываемых в атмосферу вредных веществ. Оснастка системы котла спектрографическим газоанализатором позволит прослеживать в динамике состав отработанных котлом газов, и поможет оперативно реагировать на появление критической концентрации вредных веществ и регулировать технологические режимы производства. С другой стороны, процесс выработки теплоэнергии становится более безопасным для работников предприятия, снижает травмоопасность труда, причиной чему послужит проведение дистанционного либо автоматического управления.















