ДИПЛОМИЩЕ (1217437), страница 9
Текст из файла (страница 9)
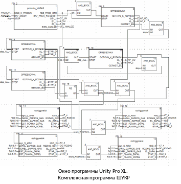
Система котлоагрегата имеет перспективу развития и расширения благодаря гибкой структуре программируемого логического контроллера Schneider Electric марки Premium. При дальнейшей реконструкции и расширении применения средств КИПиА есть возможность интегрировать последние в иерархию системы, не изменяя её коренным образом.
При дальнейшем развитии также целесообразно разработать ОС высшего уровня, позволяющую осуществлять человеко-машинный интерфейс, с графическим интуитивно понятным выводом информации на ПК высшего уровня. Это упростит взаимодействие машиниста котла с системой котлоагрегата. Для этого осуществления предлагается использовать программный продукт Citect одноименной компании. Выбор обусловлен совместимостью программного обеспечения промышленных логических контроллеров и данного программного продукта. С его применением появляется возможность архивации данных производственного процесса, с последующими вычислениями и анализом.
СПИСОК ОБОЗНАЧЕНИЙ И СОКРАЩЕНИЙ
САУ – Система Автоматического Управления
БГ – Блок Газовый
ШУКР – Шкаф Управления и Контроля Работы
ТП – Технологический Процесс
ШУГ – Шкаф Управления Горелкой
САР – Система Автоматического Регулирования
ИВН – Источник Высокого Напряжения
ХЦТС – Хозяйство Центрального Теплового Снабжения
КИПиА – Контрольные Измерительные Приборы и Автоматика
МЭО – Механизм Электрифицированный Однооборотный
АРМ – Автоматизированное Рабочее Место
ПК – Персональный Компьютер
ПКП – Прибор Контроля Пламени
ФДЧ – Фото Детекторы Частотные
ОС – Операционная Система
СПИСОК ИСПОЛЬЗУЕМЫХ ИСТОЧНИКОВ
-
Вавилов, А . В. Большая советская энциклопедия [Текст] М.:
Советская энциклопедия.1978.- 635 с.
-
ГОСТ Р 54983-2012 Системы газораспределительные. Общие требования к эксплуатации [Текст].
-
СП 89.13330.2012 Строительные нормы и правила. Котельные установки [Текст].
-
ПБ 12-529-03 Системы газораспределения и газопотребления [Текст].
-
РД 34.11.321-96 Нормы точности измерений технологических параметров на тепловых электростанциях [Текст].
-
РД 34.26.506. Типовая инструкция по эксплуатации газомазутных водогрейных котлов типа ПТВМ [Текст].
-
Дж. Фрайден, Современные датчики. Справочник., [Текст] под ред. Е.Л. Свинцова,– Техносфера 2005г.
-
К.А. Григорьев., Технология сжигания органических топлив [Текст], Санкт-Петербург. 2006 г.
-
ГОСТ 21204-97 Горелки газовые промышленные. Общие технические требования [Текст].
-
М. А. Булдаков СКР-ГАЗОАНАЛИЗАТОР СОСТАВА ПРИРОДНОГО ГАЗА [Текст]– Журнал прикладной спектроскопии. 2012 г.
-
Глинка Н.Л. Общая химия [Текст] – Л.: Химия, 1979. – 720 с.
-
Руководство по эксплуатации. Котёл водогрейный типа КВ-ГМ-58 (ПТВМ-50) [Текст] А-7851 РЭ, 1978г.
-
Каталог электроприводов АО «АБС ЗЭИМ Автоматизация» [Текст] http://www.zeim.ru/production/cat/
-
Каталог газовой арматуры ГК АМАКС [Текст] http://www.amaks.ru/production/gas-equipment/stop-control-and-shut-off-valves-for-gas-service/
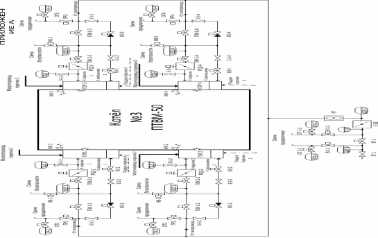
Схема технологического процесса котла
Характеристики горелки ГМ-15-01
ПРИЛОЖЕНИЕ В
ПРИЛОЖЕНИЕ Г















