Дудко Д.С осн (1217177), страница 3
Текст из файла (страница 3)
Указанные выше требования должны выполняться при самых неблагоприятных условиях (будут приведены ниже), в которых может оказаться рельсовая цепь, хотя бы даже на короткое время.
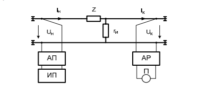
При передаче энергии в РЦ от источника питания к путевому приемнику часть ее теряется в промежуточной аппаратуре питающего АП и релейного АР концов. Значительная часть потерь происходит в рельсовой линии за счет падения напряжения на сопротивлении рельсовых нитей Z и утечек сигнального тока между рельсовыми нитями через сопротивление изоляции (рис.4.2)
.
Рис. 4.2. Структурная схема рельсовой цепи с учетом параметров рельсовой линии
4.3 Особенности влияния тягового электроснабжения на рельсовые цепи
Как следует из статистики отказов, предоставленной для ЭЧ-2, основной причиной задержки поездов является асимметрии рельсовой цепи.
Согласно [7], существует два вида асимметрии рельсовой цепи – продольная и поперечная. Рельсовые нити при продольной асимметрии имеют разное сопротивление относительно друг друга, а при поперечной – неодинаковое сопротивление относительно земли. Продольная асимметрия получается при отсутствии или плохом состоянии стыковых соединителей и изменении сопротивления стыков из-за ослабления болтов, загрязнения накладок, а также из-за плохого контакта одной из перемычек дроссель трансформатора с его выводом и рельсом. Поперечная асимметрия получается при низком сопротивлении изоляции опор, подсоединенных к одной рельсовой нити (правый рельс по ходу движения).
Асимметрия приводит к неравномерному распределению тягового тока IТ, показанного на рисунке 4.3, по рельсовым нитям и в результате по полуобмоткам дросселя-трансформатора протекают токи разной величины. Создаваемые ими потоки имеют встречное направление, полностью не компенсируются, и образуется результирующий магнитный поток, который подвергает сердечник дроссель-трансформатора подмагничиванию. Это снижает напряжение сигнального тока IС, указанного на рисунке 4.3, вследствие чего светофор блок участка может переключиться на запрещающее показание т.е. показывать ложную занятость.
Принцип протекания обратного тягового тока через обмотки дроссель‑трансформаторов приведен на рисунке 4.4.
Рисунок 4.4 – Протекание тяговых токов по обмоткам
дроссель-трансформаторов
В соответствии с [7] и как показано на рисунке 4.4, коэффициент асимметрии рассчитывается по формуле:
, (4.4)
где I1 и I2 - токи в первом и втором рельсах.
Для электрической тяги переменного тока допустимое значение k = 12%. Обычно мешающее воздействие из-за большого уровня помех проявляется при приближении электровоза к проходному светофору, когда разрешающий желтый или зеленый свет вначале меняется на красный, а после отключения машинистом тягового тока разрешающий свет появляется вновь.
Снижение поперечной асимметрии достигается путем включения в заземляющий трос, соединяющий опору с рельсом, искрового промежутка. Искровой промежуток предназначен для защиты арматуры фундаментов и опор контактной сети от протекания по ним блуждающих токов, а также для пропуска тока в рельсовую цепь при пробое изоляции контактной сети или высоковольтной линии продольного электроснабжения, проходящей по опоре контактной сети. Напряжение пробоя его должно быть 800-1200 В. На участке переменного тока искровые промежутки устанавливают на всех опорах при сопротивлении рельс-консоль менее 100 Ом. Также улучшению работы устройств СЦБ способствует включение силовых вентилей в заземление опор, постов секционирования, искусственных сооружений и т.д., препятствующих прохождению токов из рельса в землю, через указанные заземлители.
Снижение продольной асимметрии достигается путем ужесточения регламента по содержанию стыков, стыковых соединителей и балласта пути.
4.5 Аспекты влияния системы нетягового электроснабжения на рельсовые цепи
Устройства СЦБ являются структурно сложными системами, состоящими из ряда функциональных узлов, работоспособность которых определяется изменениями напряжения
в различной степени. Для анализа степени влияния напряжения
рассмотрим обобщенную схему сигнальной точки СЦБ, которая приведена на рисунке 4.5.
Рисунок 4.5 – Структурная схема сигнальной точки.
Здесь обозначения соответствуют : ПК и РК – аппаратура питающего и релейного концов рельсовой цепи соответственно; Пр. инф. – аппаратура сигнальной точки, осуществляющая преобразование соответствующей информации, полученной от РК или других объектов, что необходимо для функционирования сигнальной точки СЦБ; Св. – светофор сигнальной точки; TV – линейный трансформатор, преобразующий переменное напряжение ВЛ СЦБ в напряжение
электропитания сигнальной точки, где
а напряжение ВЛ СЦБ равно 6 или 10 кВ. Направление движения поездов по рассматриваемому участку пути показано стрелкой.
Существует три режима работы рельсовых цепей.
Нормальный режим – это такое состояние рельсовой цепи, когда она свободна от подвижной единицы, исправна и в устройства автоматики и телемеханики выдается информация о свободности. Ток от источника питания протекает по рельсовым нитям, попадает на путевой приемник, в котором замыкается цепь между общим и фронтовым.
Шунтовой режим – такое состояние рельсовой цепи, при котором на контролируемом участке находится хотя бы одна колесная пара.
Контрольный режим – такое состояние рельсовой цепи, когда электрическая целостность рельсовых нитей повреждена (поврежден или изъят рельс) на контролируемом участке.
Для оценки влияния асимметрии обратного тягового тока достаточно рассматреть только нормальный и шунтовой режимы. В нормальном режиме наихудший случай влияния снижения напряжения
на функционирование рельсовой цепи имеет место при минимальном сопротивлении балластной призмы.
Таким образом, может произойти утечка сигнального тока, вследствие чего сигнальный светофор может показывать ложную занятость. При повышении питающего напряжения в нормальном режиме опасности для работы РЦ не возникает.
В шунтовом режиме, напротив – увеличение питающего напряжения приводит к увеличению напряжения на путевом реле, что может вызвать ложную свободность рельсовой цепи. Тогда как понижение питающего напряжения не влияет на работу рельсовой цепи.
Таким образом требуется одновременное выполнение двух условий: не допускать понижение питающего напряжения в нормальном режиме и не допускать повышение питающего напряжения в шунтовом режиме. Как видно, эти два условия носят противоречивый характер. Это создает трудности в обслуживании рельсовых цепей. Требуется сезонная настройка рельсовых цепей несколько раз в год, что, однако, не всегда обеспечивает надежную работу рельсовых цепей. Малые электрические сопротивления балластной призмы, которые имеют место на участках с интенсивной перевозкой химически активных грузов, вызывают необходимость экономически нерационального сокращения длин рельсовых цепей.
Рисунок 4.6 – Условное изображение области работоспособности
рельсовых цепей при изменении питающего напряжения
На рисунке 4.6 показано представление областей работоспособности рельсовой цепи. Где
это обобщенная функция рельсовой цепи, в которую входит все многообразие параметров рельсовой цепи. Заштрихованная площадь графика отображает область надежного функционирования рельсовой цепи в шунтовом и нормальном режимах.
Исходя из вышеизложенного, можно сделать вывод о том. Что невыполнение норм изменения питающего напряжения вносит негативный характер в работоспособность рельсовых цепей [8].
Таким образом нами произведен анализ особенностей работы рельсовой цепи. Также выбраны расчетные режимы РЦ для оценки влияния асимметрии обратного тягового тока.
5 РАЗРАБОТКА МЕРОПРИЯТИЙ ПО УВЕЛИЧЕНИЮ ЭФФЕКТИВНОСТИ РАБОТЫ РЕЛЬСОВОЙ ЦЕПИ ПРИ ВЛИЯНИИ АСИММЕТРИИ ОБРАТНОГО ТЯГОВОГО ТОКА
В данном разделе будет адаптирована имитационная модель участка тяговой сети, учитывающая распределенные параметры рельсовых нитей и параметры контактной сети. С помощью имитационной модели мы воспроизведем электрические процессы, возникающие в рельсовой цепи, тем самым получим данные для анализа асимметрии обратного тягового тока.
5.1 Адаптация имитационной модели совместной работы СТЭ и РЦ для Хабаровской ЭЧ-2 ДВЖД
Создание имитационной модели во многом облегчает проверку теоретических идей. Явным преимуществом имитационной модели является реализация процессов протекающих во времени. В нашем случае, имитационная модель должна отображать токи и напряжения, которые отображают совместную работу системы тягового электроснабжения и СЦБ. Токи и напряжения должны быть соразмерны реальным величинам. Также она должна позволять вносить изменения в схему, которые в реальности осуществить не представляется возможным. Способ создания имитационной модели был заимствован из [9]. Построение имитационной модели происходит в среде Simulink, программного комплекса Multisim. Подробнее рассмотрим фрагмент схемы модели, представленный в [9], на рисунке 5.1.
Рисунок 5.1 – Фрагмент имитационной модели участка тяговой сети
Схема на рисунке 5.1 состоит из релейного конца рельсовой цепи, двух рельсовых нитей и контактной подвески. Конец рельсовой цепи представляет собой дроссель-трансформатор, присоединенный первичной обмоткой к двум рельсовым нитям, а вторичной к первичной обмотке изолирующего трансформатора, который вторичной обмоткой присоединен к последовательно соединенным сопротивлению и катушке индуктивности. Сопротивление и катушка индуктивности заменяют аппаратуру рельсового конца, параллельно с ними подключен осциллограф.
Рельсовые нити представлены активным и реактивным сопротивлениями, соединенными последовательно, такими же параметрами представлена контактная подвеска. Активное и реактивной сопротивления зависят от материала, из которого изготовлены рельсовые нити и подвеска, иными словами сопротивления зависят от марки подвески и марки рельса.
Каждая рельсовая нить соединена с контактной подвеской через резистор и конденсатор. Резистор и конденсатор это активная и реактивная проводимости воздуха [10]. Рельсовые нити заземлены через переходное сопротивление рельс-земля, а также соединены между собой резистором и конденсатором и являются активной и реактивной проводимостью балластной призмы.
Рисунок 5.2 – Питающий конец рельсовой цепи
На рисунке 5.2 представлена схема питающего конца рельсовой цепи. Питающий конец рельсовой цепи состоит из тех же элементов что и релейный конец, за исключением того, что вместо сопротивления релейной аппаратуры к изолирующему трансформатору подключен источник питания рельсовой цепи.
На схеме между питающим и релейным концами рельсовой цепи подсоединены элементы, отражающие распределенные параметры тяговой сети рассмотренные выше. Однако стоит отметить, что согласно номиналам этих элементов, а также справочника [11], распределенные параметры тяговой сети разбиты на 4 блока. Для полного пояснения рассмотрим рисунки 5.3 и 5.4.















