Дудко Д.С осн (1217177), страница 2
Текст из файла (страница 2)
n – максимально возможное число поездов, которое может разместиться на данном пути,
для парал. схемы -
;
– минимальный межпоездной интервал,
,
– полное время хода поезда по МПЗ по нечетному (1) и четному (2) направлению движения поездов (для левого плеча ТП Кругликово),
;
;
– максимальный размер движения по формуле (3.1),
=144 пар поездов в сутки;
,
- время хода
поезда под током по данному пути,
;
;
- коэффициент прерывистости тока.
Для параллельной схемы соединения контактных подвесок:
;
;
Суточные потери энергии, кВА∙ч:
Удельные годовые потери электроэнергии на один км контактной подвески при ее удельном сопротивлении в один Ом, кВА∙ч/Ом
км:
Сечение в медном эквиваленте, мм2:
Расчет экономического сечения проводов КС для правого плеча ТП Кругликово выполняется аналогично. Результаты расчетов представлены в таблице 4.1
Таблица 4.1 – Результаты расчета экономических сечений проводов КС
| Фидерная зона |
|
|
|
| Хабаровск 2 - Кругликово | 9030,00 | 1645607,84 | 126,13 |
На участке Хабаровск 2 - Кругликово используется контактная подвеска типа ПБСМ-95+МФ-100. При замене или модернизации контактной сети следует иметь ввиду, что подвеска в каждом варианте должна быть одинаковой на всех фидерных зонах.
Расчет показывает, что имеющаяся подвеска типа ПБСМ-95+МФ-100 обладает необходимым сечением в медном эквиваленте. Однако, стоит отметить, что повышение масс поездов, а соответственно и грузооборота на данном участке повлечет за собой увеличение потребления электроэнергии за счет возросших токов тяжеловесных поездов. Это потребует и соответствующей контактной подвески с большим сечением. Также следует провести проверку существующей подвески по температуре нагрева.
3.2 Проверка сечения проводов контактной сети по нагреванию
Проверка проводов КС по нагреванию заключается в сравнении расчетных температур нагрева с их допустимыми, которые определены правилами ПУСТЭ-97 [1]. Допускается производить проверку проводов по нагреванию путем сравнения наибольших значений эффективных токов подвесок с допустимыми значениями токов проводов при температуре окружающего воздуха +40˚С и скорости ветра 1 м/сек.
Время, за которое температура нагрева проводов КС достигает установившегося значения, составляет 18-20 мин, поэтому наибольшее значение расчетного эффективного тока необходимо находить за те же 18-20 минут.
Для указанного расчетного режима необходимо перестроить график движения поездов с учетом межпоездного интервала
мин. Эффективный максимальный ток фидера определяется за время 18-20 мин, но поскольку расчетный график движения параллельный, то практически эффективный ток за двадцать минут будет очень близок к значению эффективного тока за время
, поэтому при проверке параметров контактной сети исследуемого участка определяется расчетный эффективный ток за период
мин.
Построение суммарных кривых эффективных токов фидеров, питающих четный путь, тяговой подстанции Кругликово для расчетного режима движения поездов за период времени
представлено на чертеже ДП 190401 000 003.
Расчет выполняется для контактной подвески четного пути между подстанциями Хабаровск 2 - Кругликово. Для построения графика движения поездов с учетом межпоездного интервала
мин, находим расстояние
, которое поезд проходит за время
по формуле (4.4) , км.
Расстояние, которое поезд проходит за время Q0, км:
, (3.4)
где
– скорость для четного направления движения,
;
- время минимального межпоездного интервала,
.
По графику из чертежа ДП 190401 000 003 составим табл. 4.2.
Таблица 4.2 – Данные для расчета эффективного тока
| № участка | Iн, А | Iк, А | Δt, мин |
| Четное направление (Хабаровск 2 - Кругликово) | |||
| I-II | 1047,06 | 1020,76 | 0,12 |
| II-III | 1020,76 | 1159,17 | 0,71 |
| III-IV | 1159,17 | 958,48 | 0,55 |
| IV-V | 958,48 | 1079,58 | 0,22 |
| V-VI | 1079,58 | 826,99 | 0,63 |
| VI-VII | 826,99 | 1474,05 | 0,37 |
| VII-VIII | 1474,05 | 190,31 | 1,40 |
| VIII-IX | 190,31 | 910,03 | 1,35 |
| IX-X | 910,03 | 124,57 | 0,34 |
| X-XI | 124,57 | 124,57 | 0,21 |
| XI-XII | 124,57 | 1173,01 | 0,44 |
| XII-XIII | 1173,01 | 1000,00 | 0,59 |
| XIII-XIV | 1000,00 | 1273,36 | 0,45 |
| XIV-XV | 1273,36 | 1276,82 | 0,32 |
| XV-XVI | 1276,82 | 1049,83 | 1,10 |
| XVI-XVII | 1049,83 | 1391,00 | 0,32 |
| XVII-XVIII | 1391,00 | 1046,23 | 0,89 |
Эффективное значение тока, А:
, (3.5)
где
- время для определения эффективного тока, мин [1];
- значение тока в начале i-го участка, А;
- значение тока в конце i-го участка, А;
- время изменения тока фидера на том же участке, мин;
– количество участков с неизменным наклоном.
Рассчитаем эффективный ток для 10 минут,
=10 мин:
Рассчитаем эффективный ток для 3 минут,
=3 мин:
Сравниваем рассчитанные значения эффективных токов с допустимыми нагрузками для подвесок ПБСМ95+МФ100 и ПБСМ95+МФ100+А-185 из приложения 11 [7].
, (3.6)
Длительно-допустимый ток для ПБСМ95+МФ100:
.
Длительно-допустимый 3-х минутный ток для ПБСМ95+МФ100:
.
Длительно-допустимый ток для ПБСМ95+МФ100+А-185:
.
Длительно-допустимый 3-х минутный ток для ПБСМ95+МФ100+А-185:
.
По результатам расчета видно, что из двух вариантов контактных подвесок, установленных на расчетном участке, только подвеска ПБСМ95+МФ100+А-185 удовлетворяет необходимым условиям. Следует иметь ввиду, что подвеска в каждом варианте должна быть одинаковой на всех фидерных зонах. [2]. Следовательно, необходимо дополнить подвеску ПБСМ95+МФ100, установленную на остальном протяжении участка Хабаровск 2 - Кругликово усиливающим проводом марки А-185.
4. НАЗНАЧЕНИЕ, ОСНОВНЫЕ ЭЛЕМЕНТЫ, РЕЖИМЫ РАБОТЫ РЕЛЬСОВЫХ ЦЕПЕЙ
4.1 Основные элементы рельсовых цепей
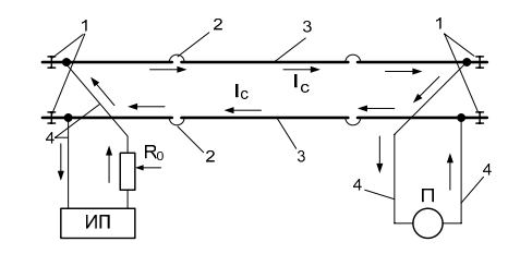
Рельсовая цепь представляет собой электрическую цепь (рис. 4.1), в ко- торой имеются источник питания (ИП), путевой приемник (П) и рельсовая линия. Рельсовая линия – это две рельсовые нити, составленные из отдельных рельсовых звеньев, соединенных накладками. Рельсовые нити закреплены на шпалах, уложенных на балласт. При отсутствии подвижной единицы на рельсовой линии от источника питания к путевому приемнику течет сигнальный ток (IС). Для стабилизации сопротивления рельсовых нитей, состоящих из отдельных звеньев, скрепленных накладками, в токопроводящих стыках устанавливают стыковые соединители 2
Рис. 4.1Схема рельсовой цепи
В настоящее время на сети железных дорог широко применяются цельно- сварные рельсовые нити, в которых стыковые соединители отсутствуют. Для гальванической развязки смежных рельсовых цепей на границах контролируемых участков пути устанавливаются изолирующие стыки 1. Сопротивление R0 ограничивает ток источника питания от короткого замыкания при нахождении поезда на питающем конце РЦ. Аппаратура питающего и релейного конца рельсовой цепи соединяется с рельсами специальными соединительными проводниками 4 (стальные или медные многожильные провода).
В качестве путевого приемника в рельсовых цепях используются электромагнитные реле, электронные и микропроцессорные приемники. В большинстве типовых РЦ в качестве путевых приемников применяются электро- магнитные реле.
Свойства реле замыкать фронтовые контакты – при наличии на его об- мотках напряжения срабатывания (РЦ свободна от подвижного состава) и тыловые контакты – при снижении напряжения (РЦ занята или поврежден рельс) до значения напряжения отпадания (непритяжения) якоря реле используются для контроля состояния участков пути и целости рельсовых нитей. Параметр “напряжение отпадания” якоря применяется для характеристики реле в РЦ с непрерывным питанием, а “непритяжения” – для реле в РЦ с импульсным, или кодовым питанием.
4.2. Требования, предъявляемые к рельсовым цепям
К рельсовым цепям предъявляются следующие основные требования:
– при отсутствии подвижного состава на рельсовой линии путевым приемником должна подаваться информация о свободном состоянии контролируемого участка пути;
– при наличии на рельсовой линии хотя бы одной колесной пары подвижного состава, или при повреждении рельсовой нити, должна по- даваться информация о занятости контролируемого участка пути;
– при повреждении (сходе) изолирующих стыков, с целью исключения влияния источника питания одной рельсовой цепи на путевой приёмник смежной рельсовой цепи, оба путевых приемника должны надёжно отпустить свои якоря (фиксировать ложную занятость).
, кВАч
,
, мм2














