ПЗ (1213790), страница 6
Текст из файла (страница 6)
Рисунок 3.3.2.1. Интервалы скрещения грузовых (пассажирских) поездов при: а – остановке прибывающего поезда; б – проследовании прибывающего поезда без остановки.
Рисунок 3.3.2.2. Схема расположения поездов при расчете интервалов скрещения для станции Дюанка поперечного типа на однопутной линии
Рисунок 3.3.2.3 График расчета интервала скрещения поездов τс
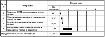
Если встречным поездом является пассажирский, который отправляют с пути у пассажирского здания, расположенного на ближней оси, то интервал скрещения поездов τс по этой оси определяют по графику (рис. 3.3.2.3).
3.3.3. Интервал неодновременного прибытия и попутного отправления
поездов τпо.
Интервалом τпо называют минимальный промежуток времени от момента прибытия на раздельный пункт грузового или пассажирского поезда до момента отправления с него грузового или пассажирского поезда, следующего в том же направлении движения. Интервал τпо определяют для раздельных пунктов, на которых одновременный прием и отправление поездов одного и того же направления движения запрещены, в том числе когда маршруты этих поездов не изолированы друг от друга и поезд прибывает с затяжного спуска.
При достаточной длине приемо-отправочных путей, на раздельном пункте поперечного типа на однопутной линии (рис. 3.3.3.1) продолжительность интервала τпо (рис. 3.3.3.2) включает время выполнения технологических операций по контролю прибытия поезда и отправлению другого поезда того же направления движения.
Рисунок 3.3.3.1. Схемы расположения поездов при расчете τпо для станции Дюанка поперечного типа на однопутной линии;
Рис. 3.3.3.2. График расчета интервала τпо
3.3.4. Интервал неодновременного отправления и попутного прибытия
поездов τоп
Интервалом τоп называется минимальный промежуток времени от момента отправления с раздельного пункта грузового либо пассажирского поезда до момента прибытия на этот же раздельный пункт грузового либо пассажирского поезда того же направления движения (рис. 3.3.4.1.). При достаточной длине приемо-отправочных путей, на раздельном пункте поперечного типа (рис. 3.3.4.2) продолжительность интервала τоп включает определяемое тяговыми расчетами время прохода отправляемым поездом расчетного расстояния Lот до освобождения им последней выходной стрелки в маршруте отправления или изолирующего стыка (операция № 1), выполнение технологических операций по отправлению и приему поездов одного и того же направления движения t (операции №№ 2 – 4), а также определяемое тяговыми расчетами время прохода принимаемым поездом расчетного расстояния Lпр (операция № 5).
Рисунок 3.3.4.1. Интервал одновременного отправления и попутного прибытия поездов τоп: Lот – расстояние от расчетной оси раздельного пункта А до положения центра отправляемого поезда № 2001 (№ 15) в момент освобождения последней выходной стрелки (второе положение поезда № 2001 либо № 15); t – время выполнения технологических операций по отправлению и приему поездов расчетного ряда; Lот – расстояние от центра принимаемого поезда № 2003 (№ 17) в момент подхода его к предупредительному светофору (первое положение поезда № 2003 либо № 17) до расчетной оси раздельного пункта А;
Рисунок 3.3.4.2. Схема расположения поездов при расчете интервала τоп для раздельного пункта поперечного типа.
Рисунок 4.3.4.3. График расчета интервала τоп
|
| (4.3.4.1) |
| | (4.3.4.2) |
3.3.5 Интервал попутного прибытия поездов Iпр
Интервалом Iпр называют минимальное время от момента прибытия на раздельный пункт (проследования через раздельный пункт) одного поезда до момента прибытия на этот же раздельный пункт (проследования через раздельный пункт) другого поезда того же направления движения. Интервал Iпр определяют для однопутных линий при частично-пакетном графике. При достаточной длине приемо-отправочных путей (рис. 3.3.5.1) продолжительность интервала Iпр устанавливают по графику рис. 3.3.5.2; расчетное расстояние Lпр определяют по формуле (3.3.1.1).
Рисунок 3.3.5.1. Интервалы попутного прибытия поездов Iпр : a – прием с остановкой первого поезда (пассажирского или грузового) и проследование без остановки второго поезда (пассажирского или грузового); б – проследование первого поезда без остановки и прием с остановкой второго поезда; в– прием первого и второго поездов с остановкой; t – время выполнения технологических операций по приему поездов; Lпр – расстояние от центра принимаемого поезда № 2003 (№ 17) в момент прохода его к предупредительному сигналу до расчетной оси раздельного пункта приема или пропуска этого поезда.
Рисунок 3.3.5.2 График расчета интервала Iпр (автоматическая блокировка).
3.3.6 Интервал попутного отправления поездов Iот
Интервалом Iот называют минимальное время от момента отправления с раздельного пункта (проследования через раздельный пункт) одного поезда до момента отправления (проследования через раздельный пункт) другого поезда того же направления движения. Интервал Iот определяют для однопутных линий при частично-пакетном графике. При РП поперечного типа (рис. 3.3.6.1,а) расчетное расстояние Lвых при отправлении грузового поезда за грузовым или за пассажирским равно
Lвых = 0,5 lпол + lбл.1 + 0,5 lп.о.1, (3.3.6.1)
где lпол – полезная длина приемо-отправочного пути отправления поезда, м; lбл.1 – длина блок-участка между выходным и следующим за ним светофором, м; lп.о.1 – длина поезда, отправляемого первым, м.
Рисунок 3.3.6.1. Интервалы попутного отправления поездов Iот: а – отправление после остановки первого поезда (пассажирского или грузового) и проследование без остановки второго поезда (пассажирского или грузового); б – проследование без остановки первого поезда и отправление после остановки второго поезда; в– отправление после остановки первого и второго поездов; t– время выполнения части технологических операций по отправлению второго поезда; Lвых (Lвыхп ) – расстояние от оси раздельного пункта (расчетной, ближней или дальней) до положения центра первого поезда после освобождения им одного блок-участка (при отправлении грузового поезда за грузовым или за пассажирским – Lвых ) или двух блок-участков (при отправлении пассажирского за грузовым или за пассажирским – Lвыхп).
Рисунок 3.3.6.2 График расчета интервала Iот (автоматическая блокировка).
Расстояние Lот, проходимое отправленным поездом до освобождения им последней выходной стрелки в маршруте отправления или до изолирующего стыка, определяют по формуле (3.3.6.2).
3.3.7 Интервал между поездами на перегонах I
Интервалом I называют минимальное время, которым разграничивают поезда при следовании по перегонам так, чтобы поезд, идущий вторым в расчетной паре, не снижал скорость движения из-за несвоевременного освобождения блок-участков первым поездом, идущим впереди. Для этого необходимо, чтобы машинист второго поезда при подходе к сигналу, разрешающему вход на блок-участок, видел его на расстоянии не менее длины тормозного пути в положении, не требующем снижение скорости.
Нормальным является разграничение двух попутно следующих в пакете поездов расчетной пары тремя смежными блок-участками с ездой под зеленый на зеленый огни проходных светофоров. При этом расстояние между центрами поездов расчетной пары равно:
|
| (3.3.7.1) |
где l 'п, l "п – длина соответственно первого и второго поездов расчетной пары, м;
lбл.I, lбл.II, lбл.III – длина последовательных блок-участков в порядке их занятия вторым поездом расчетной пары, м.
3.3.8 Интервал безостановочного скрещения поездов на двухпутной
вставке τбс.
Безостановочное скрещение поездов осуществляется, как правило, при наличии двухпутных вставок.
Рисунок 3.3.8.1. Схема расположения поездов при расчете интервала τбс, min на двухпутной вставке
Минимально возможным интервалом безостановочного скрещения поездов τбс.min называют минимальный промежуток времени от момента проследования ближней расчетной оси двухпутной вставки первым поездом, прибывшим с однопутного перегона, до момента проследования той же оси встречным поездом, отправляющимся на однопутный перегон.
Продолжительность интервала τбс.min включает затраты времени на выполнение технологических операций по обеспечению безостановочного отправления встречного поезда № 2002 после освобождения первым поездом
№ 2001 входной горловины вставки и время прохода встречным поездом № 2002 расчетного расстояния Lбс.
Расчетное расстояние Lбс равно:
|
| (3.3.8.1) |
где
– длина встречного поезда № 2002, м;
lв – расстояние, проходимое встречным поездом № 2002 за время восприятия машинистом показания светофора перед первым блок-участком lбл.1 с момента его открытия, м;
lбл.1и lбл.2 - длина блок-участка соответственно первого и второго в последовательности их занятия встречным поездом № 2002, м;
- длина первого поезда № 2001, м.
Рисунок 3.3.8.2. График расчета интервала τбс.min
Аналогичным образом вычислялись станционные интервалы для всех остальных станций. Результаты вычислений были сведены в таблицу 3.3.1
| Таблица 3.3.1 Станционные интервалы | |||||||||
| Раздельные пункты | Интервалы для встречных поездов, мин | Интервалы для попутных поездов | |||||||
| Наименование | Код | Интервалы неодновременного прибытия | Скрещения | Неодновременного отправления и попутного прибытия поездов | Интервал неодновременного прибытия и попутного отправления поездов | ||||
| С остановкой обоих встречных поездов | С остановкой и проследованием без остановок встречного поезда | Скрещение | Б/ост. скрещение | ||||||
| Высокогорная | 966504 | 4 | 4 | 2 | - | 6 | 2 | ||
| Дакка | 966538 | 4 | 4 | 2 | - | 6 | 2 | ||
| Датта | 966523 | 4 | 4 | 2 | - | 6 | 2 | ||
| Хокайти | 966519 | 3 | 3 | 2 | - | 6 | 2 | ||
| Кенада | 966608 | 3 | 3 | 2 | - | 6 | 2 | ||
| Джигдаси | 966612 | 3 | 3 | 2 | - | 6 | 2 | ||
| Кото | 966701 | 3 | 3 | 2 | - | 6 | 2 | ||
| Инау | 96716 | 3 | 3 | 2 | - | 6 | 2 | ||
| Тулучи | 966805 | 3 | 3 | 2 | - | 6 | 2 | ||
| Акур | 966909 | 3 | 3 | 2 | - | 6 | 2 | ||
| Разъезд 323 км | 966913 | 4 | 4 | 2 | - | 6 | 2 | ||
| Людю | 966928 | 3 | 3 | 2 | - | 6 | 2 | ||
| Тумнин | 967009 | 4 | 4 | 2 | - | 6 | 2 | ||
| Дайчи | 967028 | 4 | 4 | 2 | - | 6 | 2 | ||
| Хуту | 967121 | 4 | 4 | 2 | - | 6 | 2 | ||
| Имбо | 967117 | 4 | 4 | 2 | 4 | 6 | 2 | ||
| Окончание таблицы 3.3.1 | |||||||||
| Раздельные пункты | Интервалы для встречных поездов, мин | Интервалы для попутных поездов | |||||||
| Наименование | Код | Интервалы неодновременного прибытия | Наименование | Неодновременного отправления и попутного прибытия поездов | Интервал неодновременного прибытия и попутного отправления поездов | ||||
| С остановкой обоих встречных поездов | С остановкой и проследованием без остановок встречного поезда | Скрещение | Б/ост. скрещение | ||||||
| Усть-Орочи | 967206 | - | - | - | - | - | 2 | ||
| Чепсары | 967329 | 4 | 4 | 2 | - | 6 | 2 | ||
| Монгохто | 967314 | 3 | 3 | 2 | 4 | 6 | 2 | ||
| Ландыши | 967403 | 4 | 4 | 2 | - | 6 | 2 | ||
| Дюанка | 967418 | 3 | 3 | 2 | - | 6 | 2 | ||
| Токи | 967526 | 3 | 3 | 2 | - | 6 | 2 | ||
| Ванино ПОП Чудин | 967596 | 3 | 3 | 2 | - | 6 | 2 | ||
| Ванино | 967600 | 4 | 4 | 2 | - | 6 | 2 | ||














