диплом записать на диск (1210761), страница 8
Текст из файла (страница 8)
При разработке конструкции клиньев из серого чугуна марок Сч25, Сч35 конструкторы не учли двух факторов, влияющих на эксплуатационное содержание – геометрические размеры клиньев из чугуна повторяют геометрические размеры стального клина, что приводит к большому количеству трещин и изломов в наклонной поверхности чугунных клиньев (материалы представлены в статистических данных ОАО «РЖД» по текущему отцепочному ремонту) и применены такие же углы наклона чугунного клина, как и стального, что не может гарантировать требуемые параметры коэффициента относительного трения.
Свариваемость стали
Свариваемость – способность металлов образовывать качественное сварное соединение, удовлетворяющее эксплуатационным требованиям.
Свариваемость металлов можно оценить предварительно расчетным путем, используя сведения о химическом составе, характеристики подлежащих сварке соединений и параметры технологических условий сварки. Стали, у которых Сэкв ≤ 0,45 %, считаются не склонными к образованию холодных трещин при сварке. При Сэкв > 0,45 % стали становятся склонными к трещинам.
| Группа свариваемости | Марка сталей | ||
| Углеродистые | Легированные | ||
| I Хорошая | До 0,25 включительно | ВСт1; ВСт2; ВСт3; ВСт4; Стали 08; 10; 15; 20;25 | 15Г; 20Г; 15Х; 15ХА20Х; 15ХМ; 20ХГСА; 10ХСНД; 10ХГСНД; 15ХСНД |
| II Удовлетворительная | Свыше 0,25 до 0,35 включительно | ВСт5; Стали 30; 35 | 12Х2Н; 12ХН3А; 20ХН3А; 20ХН; 20ХГСА; 30Х; 30ХМ; 25ХГСА |
| III Ограниченная | Свыше 0,35 до 0,45 включительно | ВСт6; Стали 40; 45 | 35Г; 40Г; 45Г; 40Г2; 35Х; 4 0Х; 45Х; 40ХМФА; 40ХН; 30ХГС; 30ХГСА; 35ХМ; 20Х2Н4МА |
| IV Плохая | Свыше 0,45 | Стали 50; 55; 60; 65; 70;75; 80;85 | 50Г; 50Г2; 50Х; 50ХН; 45ХН3МФА; 6ХС; 7Х3 |
Как следует из таблицы 2.1.1 наиболее существенное влияние на свариваемость оказывает углерод, способствующий образованию закалочных структур, и легирующие элементы (хром, вольфрам, молибден), образующие карбиды
Свариваемость чугуна
Чугуны относятся к плохосвариваемым металлам, так как содержание углерода в чугунах значительно выше, чем у стали.
Чугунами называются железоуглеродистые сплавы с содержанием углерода от 2 до 7%.
Обычный чугун представляет собой железоуглеродистокремниевый сплав, содержащий углерода от 2,5 до 4 %, кремния от 1 до 5 % в сочетании с различными количествами марганца, серы и фосфора; иногда при этом имеются один или несколько специальных легирующих элементов типа никеля, хрома, молибдена, ванадия, титана и пр.
Чугун является дешевым, обладающим хорошими литейными свойствами, сплавом, который благодаря еще ряду особых свойств нашел широкое применение в народном хозяйстве, особенно в машиностроении.
В зависимости от состояния углерода в сплаве различают два основных вида чугуна: белый и серый чугун.
Серые чугуны получили большое распространение; с их сваркой приходится встречаться главным образом при исправлении брака чугунного литья и при ремонте.
Причины, обусловливающие затруднения в получении качественных сварных соединений, следующие.
-
Высокие скорости охлаждения металла шва и зоны термического влияния, соответствующие термическому циклу сварки, приводят к отбеливанию чугуна, т. е. появлению участков с выделениями цементита той или иной формы в различном количестве. Из-за высокой твердости отбеленных участков практически исключена обработка чугунов режущим инструментом.
-
Вследствие местного неравномерного нагрева металла возникают сварочные напряжения, которые в силу очень незначительной пластичности чугуна приводят к образованию трещин в шве и околошовной зоне. Наличие отбеленных участков, имеющих большую плотность (7,4—7,7 г/см3), чем серый чугун (6,9—7,3 г/см3), создает дополнительные структурные напряжения, способствующие трещинообразованию.
-
Интенсивное газовыделение из сварочной ванны, которое продолжается и на стадии кристаллизации, может приводить к образованию пор в металле шва.
-
Повышенная жидко текучесть чугуна затрудняет удержание расплавленного металла от вытекания и формирование шва.
-
Наличие кремния, а иногда и других элементов в металле сварочной ванны способствует образованию на ее поверхности тугоплавких окислов, приводящих к образованию непроваров.
Чугунные детали, работающие длительное время при высоких температурах, почти не поддаются сварке. Это происходит в результате того, что под действием высоких температур (300 – 400 °С и выше) углерод и кремний окисляются и чугун становится очень хрупким. Чугун с окисленным углеродом и кремнием называют горелым.
Также плохо свариваются чугунные детали, работающие длительное время в соприкосновении с маслом и керосином. В таких случаях поверхность чугуна как бы пропитывается маслом и керосином, которые при сварке сгорают и образуют газы, способствующие появлению сплошной пористости в сварном шве.
Различают два способа сварки чугуна. Холодная сварка чугуна — это сварка без предварительного нагрева изделия. Горячая сварка чугуна — это такой способ, при котором осуществляется предварительный и сопутствующий нагрев изделия до 600 – 700 °С с последующим медленным охлаждением. Такой процесс уменьшает скорость охлаждения металла сварочной ванны и околошовной зоны, что обеспечивает полную графитизацию металла шва и отсутствие отбела в околошовной зоне, а также исключает возможность появления сварочных напряжений.
Подогрев чугунного изделия до 250—400 °С для уменьшения сварочных напряжений и скорости охлаждения, с целью получения более пластичной структуры металлической основы чугуна, часто называют полугорячей сваркой.
Способ холодной сварки требует меньших затрат. Кроме того, при нем имеется возможность варьировать в больших пределах химический состав металла шва. Но при наложении валика на холодную поверхность чугуна вследствие быстрого отвода теплоты в околошовной зоне образуются отбеленные участки, а металл шва также может получиться твердым и хрупким. Превращения в околошовной зоне при холодной сварке чугуна определяются химическим составом, исходной структурой свариваемого чугуна и распределением температур в поперечном сечении соединения.
2.1.6 Требования при ремонте узла «клин-фрикционная планка»
При плановых видах ремонта во фрикционный узел устанавливается клин из чугуна марки СЧ 25 по чертежу М 1698.00.002 ПКБ ЦВ или из чугуна марки СЧ 35 по чертежу М 1698.00.003 ПКБ ЦВ.
Фрикционный клин по проекту С 03.04 устанавливается только в паре с фрикционной планкой по проекту С 03.04.
Трещины в ребрах жесткости клина не допускаются. При капитальном ремонте устанавливаются новые чугунные клинья, при деповском ремонте разрешается установка чугунного клина, а суммарным износом наклонной и вертикальной плоскостей клина до 3 мм, но не более 2 мм одной из сторон.
При деповском ремонте допускается установка чугунного клина с износом вертикальной плоскости до 2 мм, не имеющего трещин, отколов или других дефектов.
Параметры суммарного износа фрикционных клиньев заносить в журнал формы ВУ-32. Запрещается установка стальных клиньев. Для контроля размеров и профиля рабочих поверхностей клина применяется шаблон по чертежу Т914-09 ПКБ ЦВ или шаблон Т914.20 ПКБ ЦВ.
При капитальном ремонте фрикционные планки заменяются новыми составными по проекту М 1698 ПКБ ЦВ Рисунок (2.10 и 2.11), состоящие из неподвижной планки толщиной 10 мм (по проекту М 1698.02.001) и планки подвижной толщиной 6 мм (по проекту М 1698.02.003 или М 1698.02.004)
При деповском ремонте фрикционные планки с трещинами, отколами и износами заменяются новыми по проекту М 1698 ПКБ ЦВ или по проекту С 03.04.
Смешанная установка износостойких элементов не допускается.
Допускается постановка неподвижной фрикционной планки по проекту М 1698 толщиной 10 мм с износом 1,5 мм поверхности, взаимодействующей с подвижной планкой.
При всех видах ремонта разрешается на неподвижных фрикционных планках:
- наплавка изношенных стенок или заварка отверстий под заклепки с последующей рассверловкой до диаметра 20 мм;
- наплавки изношенной рабочей поверхности при износе не более 8 мм. Допускается постановка подвижной фрикционной планки с суммарным износом по толщине 2 мм, но не более 1,5 мм с одной стороны. Неремонтопригодными считаются подвижные фрикционные планки, номинальной толщиной 6 мм, имеющие следующие дефекты:
-
трещины;
-
отколы;
-
с суммарным износом по толщине более 3 мм или более 2 мм на сторону.
Неремонтопригодными считаются неподвижные фрикционные планки, номинальной толщиной 10 мм, имеющие следующие дефекты:
-
трещины;
-
отколы ушек под установку заклепок;
-
неравномерный износ более 2 мм.
Фрикционные планки толщиной 16 мм независимо от их технического состояния заменяются на составные, по проекту М 1698.ПКБ ЦВ, состоящие из неподвижной планки толщиной 10 мм (по проекту М 1698.02.001) и планки подвижной толщиной 6 мм. Неподвижные фрикционные планки должны быть не параллельны, расстояние между планками к низу должно увеличиваться на 4 ... 10 мм.
Неподвижные фрикционные планки в вертикальной плоскости должны быть не параллельны, расстояние между планками к низу должно увеличиваться, при чем каждая фрикционная планка должна иметь отклонение к низу в пределах от 2 до 5 мм. Фрикционные планки, приклепанные к площадкам, должны плотно прилегать к ним, при этом допускается:
- между сопрягаемыми поверхностями (в промежутках между заклепками) местные не плотности не более 1 мм;
- в зоне головок заклепок местный зазор на 1/3 окружности головки заклепки, при проверке которого щуп 1 мм не должен доходить до стержня заклепки;
- западание головки заклепки относительно плоскости планки не более 2 мм.
Заклепки не должны выступать за рабочую поверхность планки. При наличии выступа его следует зачистить заподлицо с поверхностью планки.
Не параллельность фрикционных планок в горизонтальной плоскости не более 3 мм.
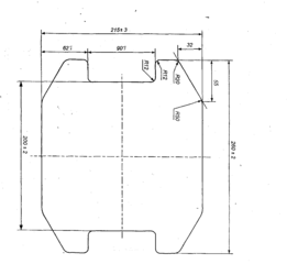
Рисунок 2.1.10 ‒ Неподвижная фрикционная планка Ст 30ХГСА проект М1698.02.001
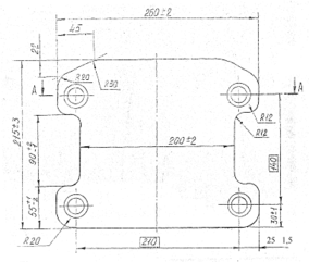
Рисунок 2.1.11 – Подвижная фрикционная планка Ст 30ХГСА М1698.02.004
2.2 Технологии механизированных способов сварки, наплавки
2.2.1 Сварка под флюсом
Сущность способа. При этом способе сварки электрическая дуга горит под зернистым сыпучим материалом, называемым сварочным флюсом (рисунок 2.2.1).
Рисунок 2.2.1 ‒ Схема сварки под флюсом
Под действием тепла дуги расплавляются электродная проволока и основной металл, а также часть флюса. В зоне сварки образуется полость, заполненная парами металла, флюса и газами. Газовая полость ограничена в верхней части оболочкой расплавленного флюса. Расплавленный флюс, окружая газовую полость, защищает дугу и расплавленный металл в зоне сварки от вредного воздействия окружающей среды, осуществляет металлургическую обработку металла в сварочной ванне. По мере удаления сварочной дуги расплавленный флюс, прореагировавший с расплавленным металлом, затвердевает, образуя на шве шлаковую корку. После прекращения процесса сварки и охлаждения металла шлаковая корка легко отделяется от металла шва. Не израсходованная часть флюса специальным пневматическим устройством собирается во флюсоаппарат и используется в дальнейшем при сварке.
Сварочное оборудование. Для выполнения сварки под флюсом необходим
комплекс оборудования, включающий источник питания, сварочный аппарат, механическое оборудование и приспособления, обеспечивающие необходимую точность сборки изделия и получение качественного сварного соединения (рисунок 2.2.2).
















