ПЗ (1210391), страница 5
Текст из файла (страница 5)
Модуль коммуникационный 1756-ENBT/A
Для программирования контроллера и его связи со scada-системой используется модуль 1756-ENBT , технические характеристики которого приведены в таблице 2.8.
Сети EtherNet/IP – это сети обмена данными, которые предлагают широкий набор сообщений и сервисов для многих применений в автоматизации.
Внешний вид приведен в рисунке 2.8.
Вот примеры применения сетей EtherNet/IP:
Рисунок 2.8-Внешний вид модуля 1756-ENBT/A
• Управление в реальном времени;
• Синхронизация по времени;
Этот открытый сетевой стандарт использует готовые коммуникационные устройства Ethernet для поддержки обмена сообщениями ввода-вывода, обмена информацией и обмена сообщениями общего характера в реальном времени. Сети EtherNet/IP также поддерживают протокол CIP Safety делая возможной одновременную передачу данных безопасности и стандартных управляющих данных и диагностической информации через общую сеть. Коммуникационные модули EtherNet/IP в системе управления В зависимости от типа коммуникационные модули EtherNet/IP от Rockwell Automation обеспечивают некоторые из следующих функций:
• поддерживают обмен сообщениями, производимые/потребляемые теги и распределённый ввод/вывод;
• инкапсулируют сообщения в стандартный протокол TCP/UDP/IP;
• делят общий прикладной уровень с сетевыми протоколами ControlNet и DeviceNet;
• обеспечивают интерфейс через кабельные разъёмы RJ45 (витая пара, категория 5, неэкранированная)
• обеспечивают оптоволоконные соединения
• поддерживают полу-/полнодуплексную связь со скоростью 10 Мбит/с или 100 Мбит/с
• не требуют планирования сети или таблиц маршрутизации
Таблица 2.8 – Характеристики модуля 1756-ENBT
| Местоположение модуля | Любой слот в шасси ControlLogix |
| Ток задней шины (мА) при 5.1 В постоянного тока | 700 мА |
| Ток задней шины (мА) при 24 В | 3 мА |
| Напряжение изоляции | Тестирование проводилось от 30 В до 707 В постоянного тока на протяжении 60 секунд |
| Рассеивание мощности, максимальное | 3,65 Вт |
Модуль аналогового входа
Рисунок 2.9 – Модуль аналогового входа.
Аналоговый модуль входа 1756-IF16, внешний вид представлен на рисунке 2.9
Аналоговые модули ввода/вывода ControlLogix представляют собой интерфейсные модули, которые преобразуют аналоговые сигналы в цифровые значения для входов и цифровые значения в аналоговые сигналы для выходов. Контроллеры могут использовать эти сигналы в целях управления. Схемы монтажа в дифференциальном режиме приведены на рисунке 2.10, в однополярном 2.11.
Рисунок 2.10 - схема монтажа модуля 1756-IF16 в дифференциальном режиме по току.
Рисунок 2.11 - схема монтажа модуля 1756-IF16 в однополярном режиме по току.
2.4.3 Функциональная схема соединения полевых сигналов с модулями ввода-вывода
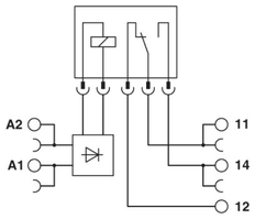
Для подключения полевых сигналов с задвижек к модулям ввода-вывода используются реле Phoenix Contact PLC 24V . Схема реле приведена на рисунке 2.12.
Рисунок 2.12 - Схема PhoenixContact PLC 24V
Из рисунка 2.12 видно, что при подаче питания 24В на A1, A2 замыкаются 11 и 14 контакты.
2.2.3 Организация электропитания для шкафа управления
Для запитки шасси используется блок питания 1756-PA72. На рисунке 2.13 представлен внешний вид.
Рисунок 2.13 – Внешний вид блока питания 1756-PA72, установленного на шасси.
Из рисунка 2.13 видно, что стандартный блок питания 1756-PA72 крепится на левом конце корпуса, где он подключается непосредственно к шине. Питание определяет, какие шасси можно использовать. 1756-PA72 можно использовать с шасси ControlLogix серии A и B. Его основные характеристики приведены в таблице 2.9.
Таблица 2.9 – Основные характеристики блока питания 1756-PA72
| Входное напряжение, nom | 120 В/220 В переменного тока |
| Входная частота | 47-63 Гц |
| Входная мощность, max | 100VA/ 100 Вт |
| Выходная мощность, max | 75 Вт при 0-60 °C |
| Пусковой ток, max | 20 A |
| Напряжение изоляции | 250 В, постоянное |
Для подачи управляющих сигналов используются два блока питания QUINT POWER QUINT-PS/1AC/24DC/20. Внешний вид представлен на рисунке 2.14.
Рисунок 2.14 – Внешний вид блока питания QUINT POWER
На рисунке 2.14 видно, что блок питания имеет входные и выходные клеммные колодки для подключения, а также индикацию и о наличии входного и выходного напряжения.
Так как используются два блока питания, для организации их параллельной работы (резервирования) используется диодный модуль QUINT-DIODE/12-24DC/2X20/.
Резервный модуль может эксплуатироваться во взрывоопасных зонах. На рисунке 2.15 представлен его внешний вид.
Рисунок 2.15 – Диодный модуль QUINT-DIODE
На рисунке 2.15 видно, что диодный модуль имеет входные и выходные клеммные колодки для подключения, а также схему подключения.
В таблице 2.10 приведены основные характеристики диодного модуля.
Таблица 2.10 – Основные характеристики диодного модуля QUINT-DIODE
| Номинальное входное напряжение | 12-24 В DC |
| Диапазон входного напряжения | 10-30 В DC |
| Номинальный входной ток | 2x 20 A (-25 °C ... 60 °C) 1x 40 A (-25 °C ... 60 °C) |
| Номинальный выходной ток | 40 A (Увеличение мощности) 20 A (Резервирование) |
| КПД | > 97 % |
Из таблицы видно, что резервный модуль имеет достаточной большой КПД и имеет нужный диапазон напряжения.
На рисунке 2.16 представлена функциональная схема организации питания в шкафу управления.
Рисунок 2.16 – Организация питания в шкафу управления
Из рисунка 2.16 видно, что на блоки питания QUINT POWER через автоматические выключатели подается 220 В. Выходное напряжение 24 В подключается к QUINT DIODE для организации параллельной работы двух блоков питания. На блок питания контроллера, который находится в шасси подается через автоматические выключатели подается 220 В.
2.4.4 Вид готового шкафа управления.
Н
а рисунке 2.16 представлена схема питания шасси контроллера управления, выполненная при помощи 2 независимых вводов питания 220В, резервированных блоков питания и переключателю нагрузки.
Рисунок 2.16- Вид выполненного шкафа управления.
Шасси контроллера с установленными модулями ввода вывода, сетевым модемом и кроссировкой полевых сигналов.
3 РАЗРАБОТКА ПРОГРАММНОГО ОБЕСПЕЧЕНИЯ
3.1 Наладка связей контроллер-сервер
Программное обеспечение RSLogix истпользует собственные средства коммуникаций и OPC сервер, настраиваемые в среде RSLinx. RSLinx Classic для сетей и устройств Rockwell Automation – это комплексное программное обеспечение по обеспечению связи на производстве. Это решение обеспечивает доступ программируемого контроллера Allen-Bradley к широкому набору приложений Rockwell Software и Allen-Bradley. Для обеспечения связи между узлами системы необходимо настроить драйвера RSLinx.
Шаг 1 - Конфигурирование драйвера.
Драйвер - это интерфейс программного продукта с аппаратным устройством, который будет использоваться для обмена информацей между RSLinx Classic и вашим процессором. Чтобы настроить конфигурацию драйвера в RSLinx Classic, выберите в меню программы пункты Communications > Configure Drivers (Связи> Конфигурирование драйверов) . На экране появится диалоговое окно Configure Drivers, которое используется для добавления, редактирования, или удаления драйверов. Выберите драйвер, чтобы настроить его конфигурацию из списка Available Driver Types (доступные типы драйверов), затем щелкните кнопку Add New. Внешний вид окна приведен на рисунке 3.1
Рисунок 3.1 – Окно конфигурирования драйвера
Шаг 2 - Конфигурирование раздела.
В RSLinx Classic проект является контейнером для хранения одного или нескольких разделов, и каждый раздел представляет собой конкретный путь к процессору. Группируя разделы в рамках одного проекта, пользователь может создавать несколько разделов, доступных одновременно. Проекты могут быть созданы и отредактированы в RSLinx Classic с помощью окна Open Project (Открыть проект), а разделы могут быть созданы и отредактированы посредством окна DDE/OPC Topic Configuration.
Рисунок 3.2 – Дерево подключенных устройств
















