Проектирование комплексной инфокоммуникационной сети гостиницы Времена года (1208001)
Текст из файла
Министерство транспорта Российской Федерации
Федеральное агентство железнодорожного транспорта
ФЕДЕРАЛЬНОЕ ГОСУДАРСТВЕННОЕ БЮДЖЕТНОЕ ОБРАЗОВАТЕЛЬНОЕ УЧРЕЖДЕНИЕ ВЫСШЕГО ОБРАЗОВАНИЯ
«ДАЛЬНЕВОСТОЧНЫЙ ГОСУДАРСТВЕННЫЙ
УНИВЕРСИТЕТ ПУТЕЙ СООБЩЕНИЯ»
Кафедра «Автоматика, телемеханика и связь»
К ЗАЩИТЕ ДОПУСТИТЬ
Заведующий кафедрой
__________А.И. Годяев
«____»________20___г.
ПРОЕКТИРОВАНИЕ КОМПЛЕКСНОЙ ИНФОКОММУНИКАЦИОННОЙ СЕТИ ГОСТИНИЦЫ «ВРЕМЕНА ГОДА»
Пояснительная записка к выпускной квалификационной работе бакалавра
ВКР 11.03.02. ПЗ – 24C
Студент гр.24C Горбунов С.В.
Руководитель Гончарова П.С.
(доцент, к.ф.-м.н.)
Консультант
(к.ф.-м.н., профессор) Прокопович М.Р.
Нормоконтроль
(ст. преподаватель) Попова А.В.
Хабаровск, 2016
Задание
Отзыв руководителя
Аннотация
СОДЕРЖАНИЕ
Введение 7
1 Структурированные кабельные системы 8
1.1 Общие сведения о СКС 8
1.2 Топология СКС 9
1.3 Подсистемы СКС 11
1.4 Технические помещения 12
1.5 Кабели СКС 13
1.6 Принципы администрирования СКС 17
2 Обзор проектируемых систем 18
2.1 Исходные данные для проектирования 18
2.2 Система пожарной безопасности 18
2.3 Система видеонаблюдения 21
2.4 WiFi сеть 24
2.5 Система контроля и управления доступом 26
3 Проектирование СКС 28
3.1 Выбор необходимого оборудования 28
3.2 Архитектурная стадия проектирования 37
3.3 Телекоммуникационная стадия проектирования 39
3.3.1 Расчет длины кабелей 43
3.3.2 Расчет количества кабель-каналов 45
4 Расчет дополнительного оборудования 46
4.1 Расчет потребляемой электроэнергии и выбор ИБП 46
4.2 Расчет размера видеоархива 47
5 Расчет надежности системы 50
5.1 Основные определения 50
5.2 Расчет параметров надёжности используемого оборудования 52
Заключение 56
Библиографический список 57
Приложение А. Расположение оборудования. Общий план 58
Приложение Б. Расположение оборудования. Второй этаж 59
Приложение В1. Спецификация оборудования, кабелей и вспомогательных элементов 60
Приложение В2. Спецификация оборудования, кабелей и вспомогательных элементов 61
Введение
В наши дни предприниматель, собирающийся заняться гостиничным бизнесом, должен понимать, что приезжий турист захочет пользоваться всеми современными технологиями, представленными на рынке, и быть уверенным в своей безопасности и сохранности привезённых вещей.
Даже путешествуя мы хотим оставаться всегда на связи. В решении этой проблемы поможет организация беспроводного доступа в интернет. Владельцу гостиницы необходимо будет озаботиться выбором WiFi маршрутизаторов и их грамотным размещением, определиться с необходимой скоростью для комфортного пользования интернетом.
Также немаловажно обеспечить пожарную безопасность на всей территории гостиницы. Система пожарной безопасности должна включать в себя как датчики обнаружения пожара, так и системы его тушения.
Чтобы осуществить безопасность отдыхающих необходимо спроектировать систему видеонаблюдения. Видеофиксация должна вестись на прилежащей территории, парковке, в коридорах гостевого дома. При выборе оборудования нужно учитывать, что будет предметом видеосъёмки и в каких условиях она будет вестись.
Внедрение системы контроля управления доступом автоматически делает гостиницу более современной. Использование такой системы позволяет исключить доступ посторонних людей в помещение, что добавляет посетителям дополнительную уверенность в сохранности своего имущества.
Целью данной выпускной квалификационной работы является проектирование комплексной инфокоммуникационной сети гостиницы «Времена года», а именно организация системы пожарной безопасности, беспроводного доступа в интернет, реализация системы видеонаблюдения и создание системы контроля и управления доступом. Исходными данными для выполнения работы являются технические требования заказчика, технический паспорт здания.
1 Структурированные кабельные системы
1.1 Общие сведения о СКС
Структурированная кабельная система (СКС) – это кабельная система, которая имеет определённую архитектуру, состоит из подсистем и стандартизованных пассивных элементов, обеспечивает технические параметры кабельной линии на заданном уровне. Она спроектирована и смонтирована согласно действующим стандартам и нормам.
Основными признаками СКС являются: структурированность, универсальность и избыточность.
Структурированность подразумевает разбиение кабельной проводки на отдельные подсистемы, каждая из которых выполняет определённые функции и снабжена стандартизированным интерфейсом для связи с другими подсистемами и сетевым оборудованием. При организации системы используется обобщённый подход без привязки к определённому виду кабеля или коммутационного оборудования. Также кабельная система имеет определённую архитектуру и топологию.
Универсальность кабельной системы выражается в том, что кабельная система при продуманной организации может стать единой средой локальной вычислительной сети, телефонной сети, сети передачи видеоинформации, а также охранных систем.
Под избыточностью понимается закладывание при проектировании СКС количества кабеля с запасом для развития сети, а также введение в состав СКС дополнительных информационных розеток, количество и расположение которых определяется площадью рабочих помещений и топологией. Использование принципа избыточности даёт возможность очень быстрой адаптации кабельной системы под конкретные производственные нужды и позволяет не останавливать работу организации или её части при каких-либо организационных или технических изменениях. Продолжительность эксплуатации СКС составляет от 10 до 15 лет [2].
1.2 Топология СКС
Существует три основных топологии: шина, кольцо и звезда. Каждая из них обладает своими преимуществами и недостатками. Ознакомимся с ними подробней.
Шина использует один передающий кабель, называемый шиной. Все пользователи присоединяются к шине. На концах устанавливаются заглушки для поглощения сигнала. К её преимуществам можно отнести то, что отказ одного из узлов не влияет на работу всей сети и сеть легко настраивать и конфигурировать. Недостатки: разрыв кабеля может повлиять на работу всей сети, ограничена длина кабеля и количество узлов в сети, трудно определить дефекты соединений, данные, передаваемые по кабелю, доступны всем узлам.
Рисунок 1.1 – Топология шина
В топологии звезда все узлы соединены через специальное устройство, которое выполняет функцию распределения данных. В качестве центрального устройства используется коммутатор или сетевой концентратор. Прямое соединение двух узлов сети отсутствует. Преимущества: нет общедоступности данных, устойчивость сети к повреждениям, легко подключить новых пользователей, существует централизованное управление. Недостатки: если сетевой концентратор или коммутатор вышел из строя, то сеть перестаёт работать, большой расход кабеля.
Рисунок 1.2 – Топология звезда
При использовании топологии кольцо характерно отсутствие конечных точек соединения. Каждый элемент сети соединён линиями связи только с двумя другими. На каждой линии связи, как и в случае звезды, используется только один передатчик и один приёмник. Все устройства сети ретранслируют сигнал, то есть выступают в роли повторителя, а значит затухание сигнала во всём кольце не имеет значения, важно затухание только между соседними элементами кольца. Также к преимуществам относится возможность сети работать в двух направлениях. Недостатками являются неустойчивость к повреждениям и то, что данные передаются от одного пользователя к другому, пока не достигнут получателя, что приводит к перегрузке трафика.
Рисунок 1.3 – Топология кольцо
В основу любой структурированной кабельной системы положена древовидная топология, которую ещё называют структурированной иерархической звездой. Функции узлов структуры выполняет коммутационное оборудование различного вида: информационные розетки для пользователей сети и коммутационные панели для обслуживающего персонала. Коммутационные панели располагаются в специальных технических помещениях: аппаратных и кроссовых [2].
1.3 Подсистемы СКС
В общем случае СКС включает в себя 3 подсистемы: внешней магистрали, внутренней магистрали и горизонтальную.
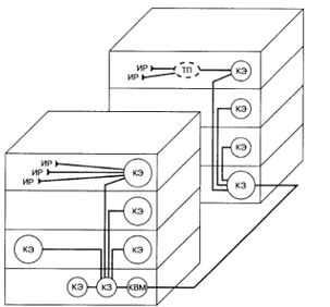
Подсистема внешней магистрали соединяет в единую сеть отдельно расположенные на одной территории здания. Часто имеет физическую кольцевую топологию. Если СКС организуется в одном здании, то подсистема внешней магистрали отсутствует. Если здание имеет большие размеры, то подсистема может существовать при длине кабеля более 500 м. Состоит из: внешнего магистрального кабеля между кроссовой внешней магистрали (КВМ) и кроссовой здания (КЗ), коммутационного оборудования, к которому подключен внешний магистральный кабель, коммутационных шнуров и перемычек в кроссовой внешней магистрали. КВМ может объединяться с КЗ в одном здании.
Подсистема внутренней магистрали (вторичная, вертикальная подсистема) связывает между собой отдельные этажи здания или пространственно разнесённые помещения в пределах одного здания. Если СКС обслуживает одноэтажное здание, по подсистема внутренней магистрали отсутствует. Состоит из: внутреннего магистрального кабеля между КЗ и кроссовой этажа (КЭ), коммутационного оборудования в КЗ и КЭ, коммутационных шнуров и перемычек в КЗ.
Горизонтальная подсистема образована горизонтальным кабелем между кроссовой этажа и информационными розетками (ИР) рабочих мест. При построении горизонтальной проводки допускается использование одной точки перехода, в которой происходит изменение типа прокладываемого кабеля. Состоит из: коммутационного оборудования КЭ, коммутационных шнуров и перемычек в КЭ, информационных розеток, точки перехода.
Отдельно выделяют подсистемы рабочего места, но она не относится к СКС. Эта подсистема обеспечивает подключение сетевого оборудования на рабочих местах.
Рассмотренное разделение СКС на отдельно взятые подсистемы всегда остаётся принципиально одинаковым, как для офисного здания, так и для производственного комплекса [1].
1.4 Технические помещения
Аппаратная является ключевым объектом инфокоммуникационной структуры. В ней располагается коммутационное оборудование линейных кабелей, сетевые устройства коллективного доступа. Оборудуется системой пожаротушения, кондиционирования и контроля доступа. Размещать аппаратную желательно в центре обслуживаемой территории. Она должно быть максимально приближена или совмещена с кроссовой для уменьшения соединительных кабелей. Размеры помещения должны быть не меньше 14 м2.
Кроссовая – помещение, в котором размещается коммутационное оборудование СКС, сетевое и другое вспомогательное оборудование, обслуживающее ограниченную группу пользователей. В кроссовой нельзя размещать оборудование, которое не имеет отношения к тем функциям, для которых организовано данное помещение. Уровень технического оснащения кроссовой сетевым оборудованием является более низким, по сравнению с аппаратной. Размеры помещения должны быть не меньше 6 м2.
Аппаратная может быть совмещена с кроссовой здания (КЗ). В этом случае его сетевое оборудование может подключаться непосредственно к коммутационному оборудованию СКС. Если аппаратная расположена отдельно, то ее сетевое оборудование подключается к локально расположенному коммутационному оборудованию или к обычным информационным розеткам (ИР) рабочих мест. В кроссовую внешних магистралей (КВМ) сходятся кабели внешней магистрали, подключающие к ней другие КЗ. В КЗ заводятся внутренние магистральные кабели, подключающие к ним кроссовые этажей (КЭ). К КЭ, в свою очередь, горизонтальными кабелями подключены информационные розетки рабочих мест.
Во всей СКС может быть только одна КВМ, а в каждом здании может присутствовать не более одной КЗ. Допускается объединение КВМ с КЗ, если они расположены в одном здании. Аналогично КЗ может быть совмещена с КЭ, если они расположены на одном этаже. Если плотность рабочих мест на этаже или его части мала, то в качестве исключения допускается подключение к КЭ горизонтальных кабелей смежных этажей [1].
Рисунок 1.4 – Пример структуры СКС с привязкой к зданиям
1.5 Кабели СКС
Наиболее эффективным способом повышения технико-экономической эффективности проектируемых кабельных систем является использование как можно меньшего числа типов кабелей, используемых для их построения.
Характеристики
Тип файла документ
Документы такого типа открываются такими программами, как Microsoft Office Word на компьютерах Windows, Apple Pages на компьютерах Mac, Open Office - бесплатная альтернатива на различных платформах, в том числе Linux. Наиболее простым и современным решением будут Google документы, так как открываются онлайн без скачивания прямо в браузере на любой платформе. Существуют российские качественные аналоги, например от Яндекса.
Будьте внимательны на мобильных устройствах, так как там используются упрощённый функционал даже в официальном приложении от Microsoft, поэтому для просмотра скачивайте PDF-версию. А если нужно редактировать файл, то используйте оригинальный файл.
Файлы такого типа обычно разбиты на страницы, а текст может быть форматированным (жирный, курсив, выбор шрифта, таблицы и т.п.), а также в него можно добавлять изображения. Формат идеально подходит для рефератов, докладов и РПЗ курсовых проектов, которые необходимо распечатать. Кстати перед печатью также сохраняйте файл в PDF, так как принтер может начудить со шрифтами.














