ПЗ (1203601), страница 6
Текст из файла (страница 6)
Расчет баланса перспективных порожних вагонов для 2025 года, при объеме перевозок до 8,5 млн тонн
| Погрузка (прием) | Выгрузка (сдача) | Избыток | Недостаток | ||||||||||||||||||||||||
| крытые | полувагоны | платформы | цистерны | прочие | Итого | крытые | полувагоны | платформы | цистерны | прочие | Итого | крытые | полувагоны | платформы | цистерны | прочие | Итого | крытые | полувагоны | платформы | цистерны | прочие | Итого | ||||
| ДВЖД | 119 | 147 | 99 | 83 | 49 | 497 | 116 | 223 | 99 | 93 | 28 | 559 | 76 | 10 | 86 | 3 | 21 | 24 | |||||||||
| 1 | 41 | 64 | 35 | 36 | 20 | 196 | 45 | 83 | 47 | 44 | 24 | 243 | 4 | 19 | 12 | 8 | 4 | 47 | 0 | ||||||||
| 2 | 111 | 111 | 41 | 41 | 0 | 70 | 70 | ||||||||||||||||||||
| 3 | 62 | 62 | 37 | 37 | 0 | 25 | 25 | ||||||||||||||||||||
| 4 | 97 | 82 | 73 | 80 | 23 | 355 | 83 | 61 | 55 | 64 | 29 | 292 | 6 | 6 | 14 | 21 | 18 | 16 | 69 | ||||||||
| 5 | 0 | 0 | 0 | 0 | |||||||||||||||||||||||
| 6 | 35 | 23 | 18 | 28 | 6 | 110 | 64 | 41 | 38 | 55 | 19 | 217 | 29 | 18 | 20 | 27 | 13 | 107 | 0 | ||||||||
| 7 | 0 | 0 | 0 | 0 | |||||||||||||||||||||||
| 8 | 0 | 0 | 0 | 0 | |||||||||||||||||||||||
| 9 | 0 | 0 | 0 | 0 | |||||||||||||||||||||||
| 10 | 29 | 35 | 19 | 14 | 7 | 104 | 16 | 22 | 10 | 4 | 4 | 56 | 0 | 13 | 13 | 9 | 10 | 3 | 48 | ||||||||
| 11 | 47 | 32 | 41 | 38 | 8 | 166 | 44 | 48 | 36 | 19 | 9 | 156 | 16 | 1 | 17 | 3 | 5 | 19 | 27 | ||||||||
| Всего | 368 | 556 | 285 | 279 | 113 | 1601 | 368 | 556 | 285 | 279 | 113 | 1601 | 33 | 129 | 32 | 45 | 24 | 263 | 33 | 129 | 32 | 45 | 24 | 263 | |||
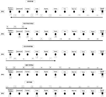
Схемы движений порожних вагонов в 2017 году по роду подвижного состава представлены на рисунке 3.4, а при планируемом объеме перевозок 4 млнтонн/год в 2025год 3.5.
Рисунок 3.4. Схемы движений порожних вагонов для 4 млн тонн
Рисунок 3.5. Схемы движений порожних вагонов для 8,5 млн тонн
4 Расчетная масса, длины состава грузовых поездов ОАО АК «Железные дороги Якутии»
На участке Нерюнгри Грузовая – Томмот тяговое обслуживание производится тепловозами ТЭ10GE с руководящим уклоном
. Вождение поездов осуществляется одиночными локомотивами. По участку проследуют четырехосные вагоны. Масса грузовых поездов на одну секцию в нечетном направлении летом 1100 кг, зимой 950 кг, а с Чульмана до станции Нерюнгри Грузовая зимой и летом 1700 кг. В четном направлении летом 1100 кг, зимой 950 кг, а с Чульмана до станции Нерюнгри Грузовая зимой и летом 1700 кг. Длина поездов в условных вагонах составяет 60 вагонов.
5 Определение пропускной способности участков
5.1 Расчет станционных и межпоездных интервалов
Станционные интервалы – минимальные промежутки времени, необходимые для выполнения станционных операций по приему, отправлению и пропуску поездов, обеспечивающие безопасность движения поездов и наилучшее использование пропускной способности перегонов и станций.
5.1.1 Интервал неодновременного прибытия
Интервал неодновременного прибытия поездов – минимальное время от момента прибытия на станцию однопутного участка поезда одного направления до момента прибытия на эту станцию или пропуска через нее поезда встречного направления.
Величина интервала неодновременного прибытия складывается из времени на выполнение необходимых операций на станции по проверке прибытия первого поезда и приготовления маршрута встречному поезду и времени проследования этим поездом расчетного расстояния
, которое определяется тяговыми расчетами или опытными поездками.
2001(15)
н
а) Ст. А
2002
2001(15)
н
б) Ст. А
16
Рисунок 5.1.1. Интервалы неодновременного прибытия с остановкой встречных поездов:а – грузового (или пассажирского) и грузового;б – грузового и пассажирского
Рисунок 5.1.2. Схема расположения поездов при расчете интервалов τн и τнп для раздельного пункта поперечного типа на однопутной линии
Станционный интервал неодновременного прибытия складывается из времени операций на станции и времени проследования поездом расчетного расстояния tр, которое определено по формуле:
(5.1)
(5.2)
где
–длина поезда, м;
–длина блок-участка торможения, м;
–длина горловины, м;
–время восприятия сигнала машинистом, 0,05 мин;
– средняя скорость входа.
Длина грузового поезда рассчитывается по формуле:
(5.3)
Расчетное время для грузового (или пассажирского) и грузового поезда при электрожезловой системе связи:
,
τнп =0,3+0,4+0,1+6,4=7,2~8мин
Расчетное время для грузового (или пассажирского) и пассажирского поезда при электрожезловой системе связи:















