ПЗ (1201532), страница 2
Текст из файла (страница 2)
ДСП несёт ответственность за организацию обработки составов по прибытию.
Обработка поезда при приёме состоит из следующих операций:
1.Закрепление поезда;
По прибытию поезда по команде дежурного по железнодорожной станции составитель поездов производит закрепление подвижного состава согласно ТРА железнодорожной станции.
2.Прием документов от машиниста поездного локомотива или главного кондуктора, проверка наличия перевозочных документов и их соответствия ТГНЛ;
Прием документов от машиниста осуществляет ДСП или, по его указанию, оператор СТЦ. После этого приемосдатчик груза и багажа или ДСП начинает натурную проверку состава, сверяясь с натурным листом и производя его корректировку.
3.Отцепка поездного локомотива;
Отцепку локомотива от состава поезда производит локомотивная бригада только после доклада ДСП о закреплении подвижного состава.
4.Технический осмотр;
Технический осмотр поезда производят работник ПТО, после ограждения прибывшего поезда. По окончании осмотра работник ПТО делает запись в книге ВУ-14 о техническом состоянии прибывших вагонов.
5.Коммерческий осмотр вагонов;
В коммерческом отношении прибывший поезд осматривает приемосдатчик груза и багажа и оформляет результаты осмотра в книге ГУ-98.
6.Проверка соответствия натурного листа поезда с фактически прибывшим;
После получения перевозочных документов оператор сверяет номера вагонов с натурным листом и корректирует его в случае необходимости на АРМ ТК. Натурный лист поезда сохраняется в делах железнодорожной станции.
7.Обработка перевозочных документов.
По окончании проверки натурного листа оператор СТЦ в грузовых документах ставит календарный штемпель, сдаёт их под роспись в книге ГУ-48 приемосдатчику груза и багажа 5-го разряда. Приемосдатчик записывает содержание документов в книгу прибытия груза.
На ПТО для осмотрщика-ремонтника оборудовано помещение для обогрева, приема пищи. В помещении осмотрщика-ремонтника хранится комплект инструмента и принадлежностей общего пользования и сумка с инструментом и принадлежностями осмотрщика-ремонтника.
Для обеспечения потребностей в необходимых деталях для ремонта вагонов оборудован стеллаж для хранения запасных частей вагонов. Начальник ПТО Южно-Сахалинск организует доставку в ремонт неисправных деталей и пополнение кладовой запасными частями по заявке осмотрщика–ремонтника вагонов.
Для ограждения составов предусмотрены сигналы:
- дневные сигналы (красные щиты) – 2 шт;
- ночные сигналы (фонари с красным огнем) – 2 шт.
Дневные сигналы ограждения хранятся в южной горловине парка. Ночные и хвостовые (в количестве 10 шт.) сигналы хранятся в помещении ПТО.
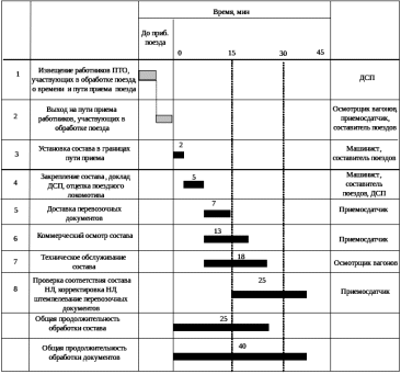
В горловине железнодорожной станции на входных путях оборудовано рабочее место осмотрщика вагонов, принимающего пассажирские и грузовые поезда «сходу». Рабочее место имеет твердое покрытие, оборудовано прожектором. График обработки поезда по прибытии приведён на рисунке 3.1.
Рисунок 3.1.Обработка поезда, поступившего в переработку по прибытию
3.2 Расформирование и формирование поездов
Операции расформирования и формирования составов поездов в основном совмещаются. Маневровой работой на железнодорожной станции Южно-Сахалинск распоряжается дежурный по железнодорожной станции Южно-Сахалинск (далее ДСП). Занятие приемоотправочных путей и заезд на них при маневрах допускается только с разрешения ДСП. Расформирования составов производится с учетом одновременного формирования. В расформировании составов может участвовать несколько локомотивов.
При производстве маневровой работы должны соблюдаться меры предосторожности, исключающие столкновение и уход вагонов, путем укладывания тормозных башмаков.
Маневры с вагонами занятыми людьми, грузами отдельных категорий и с подвижным составом, требующим особой осторожности, производится с соблюдением Правил, предусмотренных приложением №8 ПТЭ.
Операции по окончании формирования отдельных составов (соединение групп вагонов, накапливающихся на разных путях, постановка вагонов прикрытия, перестановка отдельных групп вагонов с целью пополнения или уменьшения веса и т.д.) выполняется локомотивом по указанию дежурного по железнодорожной станции, передаваемому непосредственно составителю поездов.
3.3 Обработка составов по отправлению
Получив распоряжение от поездного диспетчера о плане формирования поезда и времени его отправления ДСП дает указание составительской бригаде приступить к формированию поезда на приемоотправочных путях железнодорожной станции.
Обработка поезда при отправлении состоит из следующих операций:
1.Формирование поезда;
Производит составительская бригада по команде ДСП. План формирования поезда ДСП получает от диспетчера поездного.
2.Технический осмотр;
Технический осмотр поезда производят работники ПТО Южно-Сахалинск, после формирования и ограждения поезда. По окончании осмотра работник делает запись в книге ВУ-14 о техническом состоянии вагогов.
3.Коммерческий осмотр вагонов;
В коммерческом отношении отправляемый поезд осматривает приемосдатчик груза и багажа 6-го разряда. Оформляет результаты осмотра в книге ГУ-98.
4.Прицепка поездного локомотива и полное опробование автотормозов с выдачей машинисту справки о тормозах формы ВУ-45.
Прицепку локомотива к поезду производит локомотивная бригада. Опробование тормозов с выдачей справки ф. ВУ-45 осуществляют работники ПТО.
5.Сдача документов локомотивной бригаде;
Дежурный по железнодорожной станции вручает документы на сформированный поезд локомотивной бригаде под роспись в книге ГУ-48.
По окончании формирования поезда дежурный по железнодорожной станции предъявляет состав к техническому и коммерческому осмотру работникам ПТО, приемосдатчикам груза и багажа, о чем делает запись в книге предъявления поездов к техническому осмотру формы ВУ-14. Запись заверяется подписями ДСП и работника ПТО с указанием времени предъявления поезда к осмотру. О времени начала коммерческого осмотра поезда приемосдатчик груза и багажа делает запись в книге ГУ-98. Приемосдатчик и работники ПТО осматривают поезд в полном составе. После составления натурного листа поезда дежурный по железнодорожной станции убеждается в правильности формирования поезда.
Ответственность за правильное сцепление локомотива, соединение воздушных рукавов и открытие концевых кранов с первым вагоном несет машинист локомотива.
По окончании осмотра поезда работники ПТО производят навешивание на последний вагон красного диска, полное опробование автотормозов и оформляют справку о тормозах формы ВУ-45, один экземпляр которой вручается машинисту. Справка о тормозах формы ВУ-45 является документом, подтверждающим обеспечение поезда автотормозами и исправность их действия.
Временем начала осмотра считается время предъявления состава к осмотру в журнале ВУ-14 и ГУ-98, временем окончания – доклад и роспись в журнале ВУ-14 осмотрщика вагонов о готовности поезда к отправлению и записи приемосдатчика груза и багажа в журнале ГУ-98 об отсутствии коммерческих неисправностей. График обработки поезда по отправлении приведён на рисунке 3.2.
Рисунок 3.2.Обработка поезда своего формирования по отправлению
3.4 Техническое обслуживание вагонов прицепленных групп и поездов
своего формирования
Техническое обслуживание поездов своего формирования и прицепных групп производится в процессе накопления вагонов и после окончания формирования состава.
Техническое обслуживание составов в процессе накопления производится с целью уменьшения времени обслуживания состава после его формирования.
Группы вагонов, предназначенные для формирования поезда, предъявляются дежурным по железнодорожной станции по двухсторонней парковой связи с последующей записью в книге предъявления вагонов грузового парка к техническому обслуживанию формы ВУ-14.
Руководитель смены, получив сообщение о предъявлении состава к осмотру, дает указание по парковой связи или лично осмотрщикам-ремонтникам о порядке его обработки.
Осмотрщики, на которых возложена обязанность ограждения составов, ограждают его с головной и хвостовой части сигналами остановки.
Ограждение состава производится с головной и хвостовой части днем красными щитами, а ночью фонарями с красным огнем, установленным порядком.
Контроль технического состояния групп вагонов производится с пролазкой с двух сторон для проверки всех доступных для осмотра узлов и деталей вагонов (аналогично схемы техобслуживания по прибытию поезда).
Техническое обслуживание предъявленных вагонов производится по следующей схеме: осмотрщик-ремонтник проверяет действие автосцепного устройства на саморасцеп, записывает в блокнот номера головного и хвостового вагонов и производят осмотр с пролазкой с хвоста состава.
Осмотрщик-ремонтник выявляет все неисправности колесных пар, роликовых букс, рессорного подвешивания, тележек, автосцепного устройства, тормозного оборудования, рам, кузовов, дверей, правильность включения авторежимов воздухораспределителя по положению ручки режимного переключателя. Исправность буксового узла проверяется визуально, на ощупь и остукиванием крышек. Для своевременного выявления трещин в колесах, осмотрщик вагонов обстукивает молотком поверхность катания колес. При выявлении неисправностей осмотрщик наносит на вагоне четкие меловые разметки.
После осмотра состава и перестановки его на 3 путь осмотрщик-ремонтник возвращаются в хвост и устраняет неисправности вагонов по меловым разметкам.
Перед прицепкой группы вагонов к поезду осмотрщик-ремонтник обязан проверить автосцепки сцепляемых вагонов шаблоном № 873, а после прицепки правильность сцепления и действие автосцепок на саморасцеп в месте соединения прицепляемой группы вагонов к поезду или сцепления групп вагонов.
Производится контрольный осмотр групп вагонов, прицепляемых к поезду, или поезда, сформированного из ранее осмотренных групп вагонов, по предъявлении их дежурным по железнодорожной станции перед отправлением, в процессе опробования автотормозов от локомотива.
В сформированном поезде от маневрового локомотива производится полное опробование автотормозов осмотрщиками-ремонтниками и выписывается справка формы ВУ-45. После прицепки поездного локомотива производится сокращенное опробование автотормозов с проверкой их действия у двух хвостовых вагонов.
При техническом обслуживании поездов, после прицепки поездного локомотива выполняется полное опробование автотормозов. При этом дополнительно должно быть проверено:
- правильность сцепления вагонов;
- соединение рукавов и открытие концевых кранов;
- исправность ходовых частей;
- наличие люков и дверей полувагонов, бортов платформ, дверей крытых вагонов и надежность их крепления;
- автотормозное оборудование.
Если к составу, в котором ранее было произведено полное опробование автотормозов, прицепляется вагон или группа вагонов, то в сформированном составе производится сокращенное опробование автотормозов с проверкой действия тормозов во всех вагонах прицепляемой группы.
Если поезд сформирован из групп вагонов без предварительного технического обслуживания, то они должны быть предъявлены к техническому осмотру по технологии техобслуживания поездов своего формирования (с пролазкой).
3.5 Пассажирская работа на станции Южно-Сахалинск
Приём, отправление пассажирских поездов производится по указанию и под руководством дежурного по станции (ДСП). Маневровая работа с пассажирскими поездами производится составительской бригадой по указанию и под руководством ДСП.
Пассажирские поезда принимаются и отправляются со специализированных путей в соответствии с действующим графиком движения и ведомостью занятия путей железнодорожной станции Южно-Сахалинск.
Обслуживающие пассажирских поездов производится локомотивами всеми сериями локомотивов, обращающихся на Сахалинском регионе Дальневосточной железной дороги.
Информацию о подходе пассажирских поездов ДСП периодически получает от диспетчера поездного и из системы ГИД-Урал.
Закрепление пассажирских поездов производит дежурный по парку (ДСПП), при необходимости по указанию ДСП производится закрепление пассажирских поездов и групп вагонов работником станции в соответствии ТРА.
Технический осмотр осуществляется осмотрщиками - ремонтниками в количестве не менее 2х человек.
Книга формы ВУ-14 о предъявлении составов и прицепляемых вагонов к техническому осмотру находится и оформляется ДСП.
Временем предъявления состава к техническому осмотру является время ограждения состава и предъявления его ДСП к техническому осмотру работникам ВЧДЭ-12. Время предъявления к техническому обслуживанию и время получения технической готовности состава ДСП фиксирует в книге формы ВУ-14.
Техническая готовность подтверждается личной росписью старшего осмотрщика ВЧДЭ-12 в книге ВУ-14 не позднее одного часа после отправления поезда, но с указанием времени фактической дачи готовности.















