Организация и технология аварийно-восстановительного ремонта на участке газопровода ГРС-1 - ТЭЦ-1 (г.Хабаровск) (1199118), страница 7
Текст из файла (страница 7)
l – длина участка газопровода, м.
Сумму всех баллонов на всех участках рассчитаем по формуле:
(2.27)
После перекрытия подачи газа все промышленные предприятия, которые обслуживает ГРС-1 переходят на резервное топливо. Оставшийся газ идет на газификацию населения. Согласно технологической схеме поставка газа должна производиться на: ГРП №2 – Q=370 м3/ч, ГРП №5, ГРП №74 – Q=1016,5 м3/ч, ГРП №75 – Q=1016,5 м3/ч, ГРП №79 – Q=1370,5 м3/ч, ГРПБ №1 – Q=1241 м3/ч, ГРП №6 – Q=208,9 м3/ч, ГРПШ №2, ГРПШ №2, ГРПШ №4, ГРПШ №5 – Q=630 м3/ч, ГРП №4 – Q=900 м3/ч, ГРПШ №1 – Q=455 м3/ч.
Сумма всех расходов равна Qобщ=10114, 9 м3/ч.
Рассчитаем максимальное количество времени производства ремонтных работ с полным обеспечением населения газом по формуле:
(2.28)
2.6 Расчет объема земельных работ
Данные для расчета объема земельных работ:
-
диаметр газопровода – 630 мм;
-
вид грунта – суглинок полутвердый
-
время ремонтных работ – лето
-
материалы труб – сталь 17 ГС
-
длина вскрываемого трубопровода 1650 мм
-
глубина заложения газопровода – 1,2 м
Согласно РД 153-39.4-130-2002 принимаем размеры котлована [17]:
-
Длину ремонтного котлована определим по формуле:
(2.29)
где: L – длина ремонтного котлована, м;
– длина ремонтируемого участка, м.
-
Ширину ремонтного котлована по дну определим по формуле:
(2.30)
-
Глубину котлована определим по формуле:
(2.31)
где: H – глубина котлована, м;
– глубина заложения газопровода, м;
– диаметр газопровода, м.
-
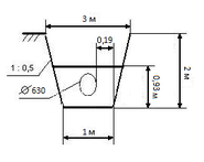
Ширину котлована по верху определим исходя из крутизны откосов.
, при крутизне откосов 1:0,5
Эскиз котлована показан на рисунке 2.8.
Рис.2.8 - Эскиз котлована
Определим площадь срезки растительного слоя по формуле:
(2.32)
где: Sср – площадь срезки растительного слоя, м2;
A – ширина срезки, м. Согласно ГОСТ 17.5.3.06-85 ширина, с которой снимается растительный слой – это ширина котлована по верху плюс 0,5 м с каждой стороны;
L – длина котлована, м.
Вычислим объем срезки растительного слоя по формуле:
(2.33)
где: Vср – объем срезки растительного слоя, м3;
– глубина срезаемого слоя, принимаем 0,2 м;
Расчет объема котлована проводится по следующей формуле:
(2.34)
где:Vк – объем котлована, м3;
– объём грунта приямок для сварки, м3;
– объем трубы.
(2.35)
Согласно СНиП 3.02.01-87 примем следующие размеры приямок для сварки:
-
Длина –
-
Ширина –
-
Глубина –
-
Число приямок для сварки n=2
(2.36)
Тогда объем котлована равен:
Объем грунта по ручной доработке (подчистке) дна котлована определяется по формуле:
(2.37)
где:Vподч – объем грунта по ручной доработке дна котлована, м3;
- глубина слоя по ручной доработке траншеи, м. Принимаем равной
0,02 м;
объем грунта приямок для сварки, выкопанных вручную, м.
(2.38)
где:
– величина недобора грунта экскаватором, м;
n – количество приямок для сварки.
Объем обратной засыпки
равен объему котлована:
(2.39)
Площадь уплотняемой поверхности S, м2 определяется по формуле:
(2.40)
Объем рекультивации земли определим по формуле:
(2.41)
2.7 Сводная ведомость объема трудозатрат
На все виды работ по монтажу и ремонту систем газоснабжения, а также на испытание и диагностику составляется калькуляция с целью определения трудозатрат. Калькуляция составляется на основании сводной ведомости объемов работ и действующих норм и расценок по ЕНиР – единые нормы и расценки на производство работ.
Калькуляция составляется для определения ставки работающих, ставки работ, расчета численного и квалификационного состава бригад.
На основании калькуляции определяется общая трудоемкость монтажа или ремонтных работ и заработной платы (таблица 2.7).
При составлении калькуляции используются:
-ЕНиР-1 погрузочно-разгрузочные работы;
-ЕНиР-2-1 земляные работы;
-ЕНиР-9-1 внутреннее газоснабжение;
-ЕНиР-9-2 наружное газоснабжение;
-ЕНиР-22-2 сварочные работы.
Таблица 2.7
Калькуляция объема трудозатрат
| № п/п | Наименование работ | Состав бригады | Ед. изм. | Объем работ | Норма за единицу | Трудозатраты, чел./ч | Кол. дней | |
| Профессия, разряд | Кол. | |||||||
| 1 | 2 | 3 | 4 | 5 | 6 | 7 | 8 | 9 |
| 1 | Срезка растительного слоя | Машинист 5 разряд | 1 | На 1000 м3 | 10,658 | 0,84 | 0,01 | 0,0125 |
| 2 | Разработка котлована | Машинист 5 разряда | 1 | На 100 м3 грунта | 9,387 | 8,1 | 0,76 | 0,095 |
| 3 | Ручная доработка грунта | Землекоп 2 разряда | 2 | На 1 м3 грунта | 6,193 | 0,85 | 2,63 | 0,33 |
| 4 | Сварка неповоротных стыков | Сварщик 6 разряда | 2 | На 1 стык | 2 | 1,5 | 1,5 | 0,19 |
| 5 | Изоляция стыков газопровода | Изоляровщик 5 разряд | 2 | На 1 стык | 2 | 1 | 1 | 0,125 |
| 6 | Засыпка котлована | Машинист 6 разряда | 1 | На 1 м3 грунта | 15,58 | 0,35 | 5,432 | 0,679 |
| 7 | Испытание газопровода на герметичность | Монтажник трубопроводов 6 разряд | 1 | На 1 м трубопровода | 60 | 0,066 | 4 | 0,5 |
Согласно сводной ведомости, время производства ремонтных работ составит 2 рабочих дня, что в пересчете на часы 15,5 ч.
3 БЕЗОПАСНОСТЬ И ЭКОЛОГИЧНОСТЬ
3.1 Охрана труда при проведении аварийно-восстановительных работ
Ремонт газопроводов предусматривает соблюдение правил техники безопасности, которая регламентируется нормативными документами – ГОСТами, ОСТами и системами стандартов безопасности труда (ССБТ)
Можно выделить следующие причины производственной опасности и вредности деятельности при ремонте газопровода [4]:
-
работы проводятся в относительно стесненных условиях, что приводит к большому сосредоточению техники и механизмов, которые выполняют производственные операции рядом с людьми;
-
опасность при укладочных работах;
-
опасность отравления парами вредных газов при производстве сварочных и изоляционных работ;
-
электрический ток как поражающий фактор при проведении сварочных работ;
-
недостаточное освещение при работе в темное время суток
Основными вредными веществами при производстве ремонтных работ на газопроводах являются: газ, метанол, этилмеркаптан (C2H2SH).
Эти газы могут оказывать вредное воздействие на человека при определенных концентрациях, ПДК которых регламентируется. Поэтому работники действующих объектов должны знать состав газа и свойства его соединений.
Сведения об опасных веществах приведены в таблице 3.1.
Таблица 3.1
Сведения об опасных веществах
| Наименование опасного вещества | Класс опасности | Характер воздействия на человека |
| Природный газ (91,6% -метан) | 4 | Природный газ относится к воспламеняющимся газам (приложение 2 к ФЗ-116 от 21.07.97) Основными поражающими факторами являются: утечка газа с возможным воспламенением, разрыв газопровода с осколочным поражением людей, удушье. |
| Одорант природного газа, поступающего в систему коммунального распределения после ГРС (этилмеркаптан) | 2 | Одорант относится к токсичным веществам (приложение 2 к ФЗ-116 от 21.07.97). Последствия воздействия: головная боль, тошнота, судороги, паралич, остановка дыхания, смерть |
| Метанол (средство предотвращения гидратообразования) | 3 | Метанол относится к токсичным веществам (приложение 2 к ФЗ-116 от 21.07.97). 5-10 гр. приема метанола внутрь вызывает тяжелое отравление, сопровождающееся головной болью, головокружением, тошнотой, болью в желудке, общей слабостью, мельканием в глазах или потерей зрения в тяжелых случаях. 30 г является смертельной дозой |
Природный газ- смесь легких углеводородов. Предел взрываемости 5,0... 15,0 %. Газ не обладает запахом, бесцветный. Температура самовоспламенения 650°С. Объемное ПДК равна 0,7%.
Этилмеркаптан (одорант) – придает запах природному газу. ПДК в воздухе равна 1 мг/м3. Пределы взрываемости 2,8 - 18,2%.
Метан - в чистом виде не токсичен, но при содержании его в воздухе 20% и более наблюдается явление удушья, потеря сознания и смерть. ПДК равна 300 мг/м3.











