Arhipov_Artem_Jur'evich_2017 (1198742), страница 4
Текст из файла (страница 4)
Оценочные расчетные критерии прочности пути меньше допускаемых для электровоза к <200 МПа, ш <1,6 МПа, б <0,42 МПа. Таким образом, на данном участке по условиям прочности максимальная скорость может быть установлена 100 км/ч.
График напряжения в кромках подошвы рельса показан на рисунке 2.1
Рисунок 2.1 Напряжения в кромках подошвы рельса при рельсовом скреплении ЖБР-65Ш при проходе локомотива ВЛ80.
Результаты расчета напряжений для электровоза ВЛ80 при реконструкции пути Р65 2000 (ЖБ) Щ ЖБР-65 приведены в таблице 2.4
Таблица 2.4
| Скорость движения Км/ч | Напряжения, МПа | |||
| в подошве рельса от его изгиба под действием момента, | в кромках подошвы рельса, | в шпале на смятие и в прокладке, | в балласте под шпалой, | |
| 80 | 69.82 | 100.55 | 1.083 | 0.1815 |
| 90 | 72.09 | 103.81 | 1.119 | 0.1875 |
| 100 | 74.49 | 107.27 | 1.157 | 0.1939 |
| 110 | 77.04 | 110.94 | 1.197 | 0.2001 |
| 120 | 79.72 | 114.81 | 1.239 | 0.2076 |
Оценочные расчетные критерии прочности пути меньше допускаемых для электровоза к <200 МПа, ш <1,6 МПа, б <0,42 МПа. Таким образом, на данном участке по условиям прочности можем использовать максимальную
конструктивную скорость
График напряжения в кромках подошвы рельса показан на рисунке 2.2
Рисунок 2.2 Напряжения в кромках подошвы рельса при рельсовом скреплении АРС-4 при проходе локомотива ВЛ80.
Результаты расчета напряжений для 4ос ЦНИИ-Х3 при конструкции пути Р65 2000 (ЖБ) Щ ЖБР-65 приведены в таблице 2.5
Таблица 2.5
| Скорость движения Км/ч | Напряжения, МПа | |||
| в подошве рельса от его изгиба под действием момента, | в кромках подошвы рельса, | в шпале на смятие и в прокладке, | в балласте под шпалой, | |
| 80 | 61.82 | 100.16 | 1.058 | 0.1773 |
| 90 | 64.64 | 104.72 | 1.105 | 0.1852 |
| 100 | 67.75 | 109.77 | 1.157 | 0.1939 |
| 110 | 71.18 | 115.31 | 1.214 | 0.2034 |
| 120 | 74.91 | 121.36 | 1.276 | 0.2139 |
Оценочные расчетные критерии прочности пути меньше допускаемых для вагона к <160 МПа, ш <1,5 кг/см2, б <0,30 МПа. Таким образом, на данном участке по условиям прочности можем использовать максимально допустимую конструкционную скорость.
График напряжения в кромках подошвы рельса показан на рисунке 2.3
Рисунок 2.3 Напряжения в кромках подошвы рельса при конструкции пути Р65 2000 (ЖБ) Щ ЖБР-65 при проходе вагона 4ос ЦНИИ-Х3.
Результаты расчета напряжений для 4ос ЦНИИ-Х3 при конструкции пути Р65 2000 (ЖБ) Щ ЖБР-65 приведены в таблице 2.6
Таблица 2.6
| Скорость движения Км/ч | Напряжения, МПа | |||
| в подошве рельса от его изгиба под действием момента, | в кромках подошвы рельса, | в шпале на смятие и в прокладке, | в балласте под шпалой, | |
| 80 | 82.51 | 133.67 | 1.196 | 0.2367 |
| 90 | 88.50 | 143.38 | 1.279 | 0.2531 |
| 100 | 95.01 | 153.92 | 1.369 | 0.2710 |
| 110 | 102.07 | 165.35 | 1.467 | 0.2904 |
| 120 | 109.71 | 177.74 | 1.573 | 0.3114 |
Оценочные расчетные критерии прочности пути меньше допускаемых для вагона к <160 МПа, ш <1,5 кг/см2, б <0,30 МПа. Таким образом, на данном участке по условиям прочности максимальная скорость может быть установлена 100 км/ч
График напряжения в кромках подошвы рельса показан на рисунке 2.4
Рисунок 2.4 Напряжения в кромках подошвы рельса при конструкции пути Р65 1840 (ЖБ) Щ ЖБР-65 при проходе вагона 4ос ЦНИИ-Х3.
2.3 Расчет коэффициента устойчивости против вкатывания гребня колеса на рельс.
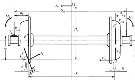
При набегании колеса на рельс оно не должно накатываться своим гребнем на него, т. е. необходимо предотвратить вползание колеса на головку рельса. А если колесо окажется по некоторым причинам приподнятым, то необходимо, чтобы оно опустилось вниз по плоскости С-с, наклоненной под углом к горизонту (рисунок 2.5) [1].
Рисунок 2.5 Расчетная схема определения устойчивости колеса на рельсе:
Р1-ш и Р2-ш – нагрузка от кузова на шейки оси колесной пары;
и
–
нагрузка от колес на рельсы; М1 и М2, – моменты, действующие на шейки оси; а1 и а2 – расчетные консоли шеек оси; Yр – рамная сила; lр – расстояние от головки рельса до приложения рамной силы; Jн – центробежная сила; Нц – расстояние от головки рельса до места приложения центробежной силы; F1 и F2 – силы трения гребня и поверхности катания колес по рельсам; N1 и N2 – реакции рельсов; S1 – расстояние между точками контакта колес с рельсами; Sш – расстояние между точками приложения сил к шейкам оси.[3]
Коэффициентом устойчивости назовем отношение всех сил, препятствующих подъему колеса, к силам, вызывающим этот подъем. Силы сопротивления действуют в плоскости С-с и направлены вниз, в сторону соскальзывания гребня по рабочей грани головки. Силы подъема колеса действуют в этой же плоскости, но направлены вверх, в сторону, обратную соскальзыванию гребня. [3]
Исходные данные нужные для расчета коэффициента устойчивости против вкатывания гребня колеса на рельс представлены в таблицу 2.7
Таблица 2.7
| R, м | V, км/ч | Qкуз, т | kд |
| 630 | 80 | 73,7 | 0,43 |
Величина возвышения наружного рельса определяется по формуле:
. (2.21)
Для грузовых поездов оптимальным считается поперечное непогашенное ускорение 0,3 м/с2 (согласно указаниям ЦПТ-52/14 МПС РФ) Если рассчитанное по формуле (2.1.5.1) значение превышает рекомендуемое (оптимальное) значение, то необходимо откорректировать величину возвышения наружного рельса или ограничивать скорость движения по участку [3].
мм
Для определения расчетного значения отношения сил следует рассчитать непогашенное ускорение, возникающего в кривой при проходе вагона. Величина непогашенного ускорения при движении в кривой равна:
, (2.22)
где V – скорость движения грузового поезда, км/ч; R – радиус кривой, м;
g – ускорение свободного падения (g = 9,81 м/с); h – возвышение наружного рельса в кривой, мм; S – ширина колеи по осям рельсов (S = 1600 мм).
м/с2.
ΔРц – дополнительная догрузка одного колеса и разгрузка другого под действием центробежной силы, кН, определяется по формуле:
, (2.23)
где Qкуз – масса кузова с грузом, т; Нц – расстояние от головки рельса до места приложения центробежной силы (Нц = 2 м); lр – расстояние от головки рельса до приложения рамной силы (для грузового вагона lр = 0,55 м);
g – ускорение свободного падения (g = 9,81 м/с); n – число осей экипажа (для грузового вагона n = 2); Sш – расстояние между точками приложения сил к шейкам оси (для грузового вагона Sш = 2,036 м) [3].
кH
Р1-ш и Р2-ш – расчетные нагрузки на шейки колесной пары в кривой определяются по формулам:
, (2.24)
, (2.25)
где Рст – статическая нагрузка от колеса на рельс, (для груженого вагона Рст = 115 кН); qк – необрессоренный вес, приходящийся на одно колесо (qк = 9,95 кН); kд – коэффициент динамики.
кН;
кН.
и
– полные расчетные нагрузки на рельсы определяются по формулам:
, (2.26)
. (2.27)
кН;
кН.
М1 и М2, – величины моментов, действующих на шейки оси определяются по формулам:
, (2.28)
, (2.29)
где а1 и а2 – расчетные консоли шеек оси.
. (2.21)
, (2.22)
, (2.23)
, (2.24)
, (2.25)
, (2.26)
. (2.27)
, (2.28)
, (2.29)















