Диплом (1196796), страница 4
Текст из файла (страница 4)
При наличии в городе совмещенной охранно-пожарной сигнализации ЦППС и ПЧ имеют связь по прямым линиям связи и по линиям АТС с пунктами централизованной охраны (ПЦО). Сигналы, принятые на ПЦО от совмещенных объектовых устройств тревожной сигнализации, передаются на ЦППС или в пожарную часть.
Далее рассмотрим технические средства связи, применяемые в ГПО.
2.4 Технические средства связи, применяемые для обеспечения связи и управления в ГПО
Система связи охватывает все подразделения пожарной охраны гарнизона и строится на базе стационарных и передвижных узлов связи с учётом комплексного использования технических средств связи, обеспечивающих управление силами и средствами. Перечень технических средств связи указаны в таблице 2.1.
Таблица 2.1
Перечень технических средств связи
| Оборудование | Кол-во, шт. | Примечание |
| Станция оперативной связи типа Регион | 1 | Имеет 5 линий связи "01", связь с прямыми телефонами (Для организации функционирования оперативно-диспетчерской связи гарнизона ПО) |
| Станция оперативной связи типа Commax (в пожарных частях) | Имеет 1 пульт и 30 прямых линий. (Для организации оперативно-диспетчерской связи с ЦУС) | |
| Телефонный аппарат типа Cisco | 4 | |
| Телефонный аппарат типа Telrad | 1 | Имеет кнопочный номеронабиратель |
Продолжение таблицы 2.1
| Оборудование | Кол-во, шт. | Примечание |
| Радиостанция стационарная типа "Motorola" | 2 | Мощность излучения передатчика Рпер=10 Вт |
| Радиостанция возимая типа "Motorola" | Разнос частот между соседними каналами 25 кГц | |
| Пульт тревожной сигнализации и оповещения "Стрелец мониторинг" | 1 | |
| Аппаратура факсимильной связи "Panasonic" KX-FT 902 | 2 | Передатчик типа "Формат-Д" Приёмник типа "Формат-ПА" |
Для организации системы оперативной связи гарнизона пожарной охраны
могут быть использованы технические средства проводной и радиосвязи.
Технические средства проводной связи
К техническим средствам проводной связи относятся:
- пульт оперативной связи;
- станции оперативной связи типа "Регион" (пульты и станции оперативной связи предназначены для организации оперативной телефонной и громкоговорящей связи);
- телефонные аппараты:
Cisco (центральная батарея) - для включения в абонентские линии станций оперативной связи;
Cisco, Telrad АТС - для включения в абонентские линии АТС любой системы.
Технические средства диспетчерской оперативной связи.
Диспетчерская оперативная связь предназначена для оперативного управления силами и средствами тушения пожаров. Она обеспечивает оперативное установление избирательной и циркулярной связи между руководителем или ответственным дежурным по подразделению (диспетчером) и исполнителями.
В диспетчерскую связь входят: центральный пульт, групповые пульты, оконечные абонентские устройства, подключенные к групповым пультам посредством абонентских линий.
Технические средства радиосвязи.
Радиосвязь предназначена для обмена сообщениями между абонентами с помощью электрических сигналов, переносимых через пространство радиоволнами.
К техническим средствам радиосвязи относятся радиостанции:
- стационарные: центральная "Motorola";
- возимые: автомобильная "Motorola" и для установки на пожарном автомобиле "Motorola";
Технические средства факсимильной связи.
Факсимильная связь предназначена для передачи и приема документальных сообщений, представленных в виде буквенно-цифровых и графических изображений. Связь осуществляется по проводным и радиоканалам.
При использовании факсимильной аппаратуры для осуществления связи по радиоканалу применяются радиостанции УКВ диапазона, которые устанавливаются на подвижных объектах. Факсимильная аппаратура состоит из факсимильного передатчика "Формат-Д" и факсимильного приемника "Формат-ПА".
Технические средства распорядительно-поисковой связи.
Распорядительно-поисковая связь (РПС) предназначена для передачи информации оперативного характера с приемом ее непосредственно на акустические средства ЦППС (местное оповещение), а также через проводные линии связи руководителям и спецслужбам города (общее оповещение), и распоряжений в пределах ЦППС.
Распорядительно-поисковая связь состоит из центрального усилителя мощностью от 100 до 1000 Вт, устройств коммутации, линейных сооружений и громкоговорителей. РПС организуется по схеме одностороннего действия.
Технические средства радиопоисковой связи
Радиопоисковая связь предназначена для организации поисковой связи работников ЦППС пожарной охраны. Используемая при этом система персонального радиовызова "Поиск-1" служит для передачи условного сигнала абоненту, имеющему персональный приемник.
2.5 Назначение и принцип действия автоматизированных систем связи и оперативного управления
При одновременном (или с незначительным смещением во времени) возникновении более двух пожаров в городе, быстром усложнении оперативной обстановки без наличия средств автоматизации диспетчеры не в состоянии оптимально управлять силами и средствами гарнизона пожарной охраны. Потери во времени образуются за счёт выбора имеющейся в наличии техники, установления связи, выдачи приказов, контроля за их исполнением.
Теряется время на регистрацию основных управленческих решений, приказов по использованию сил и средств, текущему учёту. В экстремальных условиях, создающихся при сложной оперативной обстановке, возрастает вероятность ошибки как диспетчера, так и руководителей, организующих тушение пожара.
Для управления силами и средствами тушения пожара создаётся автоматизированная система оперативного управления в пожарной охране, структура которой определяется сложностью решаемых задач, а эффективность степенью автоматизации решения этих задач. [10]
Основные задачи оперативного управления силами и средствами тушения пожаров в гарнизонах пожарной охраны, решаемые АСОУПО, следующие:
- машинное хранение информации о состоянии всех видов пожарной техники в гарнизоне, а так же типовых программ тушения пожаров различных рангов (номеров);
- приём и автоматическая регистрация всех видов информации;
- автоматизация анализа поступающей информации и выработки оптимального управленческого решения;
- автоматизация передачи приказов пожарным частям;
- автоматизация отображения на плане города маршрута движения к месту пожара пожарной техники в реальной топографии и масштабе времени;
- автоматизация прогнозирования развития пожаров для наиболее важных объектов;
- автоматизация выработки упреждающих управленческих решений.
Решение этих задач возможно только с помощью средств автоматизации, объединённых в общую систему оптимального управления силами и средствами тушения пожаров. В основу построения АСОУПО закладываются типовые решения с учётом того, что у каждого конкретного гарнизона пожарной охраны есть свои особенности. Одной из них является фактическая интенсивность вызовов, поступающая в сеть связи гарнизона, так как интенсивность вызовов является основой для оптимизации пропускной способности отдельных подсистем АСОУПО и системы в целом.
Кроме того, при внедрении типовой АСОУПО необходимо сделать привязку её технического комплекса к реальному размещению в конкретном помещении, обеспечить соответствующим электропитанием.
Сообщения о пожаре поступают в подсистему приёма и автоматической регистрации информации и анализируются подсистемой анализа информации , которая с помощью имеющихся сведений в подсистеме информационно-справочного фонда и типовых программ подсистемы расписаний выдаёт соответствующие возникшей оперативной ситуации данные подсистеме управленческого решения.
Управленческое решение – это приказ на выезд соответствующим пожарным подразделениям, который передаётся автоматически подсистемой передачи приказов по команде диспетчера пожарным частям. Исполнение приказа (выезд пожарных автомобилей) автоматически контролируется на диспетчерском пункте подсистемы контроля и исполнения приказов при поступлении сигналов от датчиков, установленных в местах стоянок автомобилей в пожарных частях. При наличии подсистемы прогнозирования развития пожара и выработки упреждающих решений приказы формируются с учётом выданных указанной подсистемой прогнозов.
Назначение системы оперативной связи в пожарной охране: призвана обеспечивать своевременное получение первичной информации о возникновении пожара, управление оперативными действиями пожарных подразделений при тушении пожара, а также решение других задач противопожарной защиты. Организация оптимальной системы связи должна обеспечить взаимный обмен оперативной информацией между всеми подразделениями гарнизона пожарной охраны при высоком качестве и надежности связи.
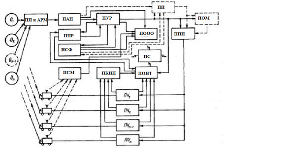
Структурная схема АСОУПО представлена на рисунке 2.2. Сообщения о пожаре поступают в подсистему приёма и автоматической регистрации информации и анализируются подсистемой анализа информации, которая с помощью имеющихся сведений в подсистеме информационно-справочного фонда и типовых программ подсистемы расписаний (ППР) выдаёт соответствующие возникшей оперативной ситуации данные подсистеме управленческого решения.
Управленческое решение – это приказ на выезд соответствующим пожарным подразделениям, который передаётся автоматически подсистемой передачи приказов по команде диспетчера пожарным частям. Исполнение приказа (выезд пожарных автомобилей) автоматически контролируется на диспетчерском пункте подсистемы контроля и исполнения приказов (ПКИП) при поступлении сигналов от датчиков, установленных в местах стоянок автомобилей в пожарных частях. При наличии подсистемы прогнозирования (ПП) развития пожара и выработки упреждающих решений приказы формируются с учётом выданных указанной подсистемой прогнозов. Структурная схема АСОУПО представлена на рисунке 2.2.
Рисунок 2.2 Структурная схема АСОУПО
Подсистема оптимизации маршрута на основании полученного адреса пожара выдаёт оптимальный маршрут следования каждой пожарной части с целью сокращения времени прибытия на место пожара. Подсистема слежения маршрута обеспечивает автоматическое слежение за движением пожарных автомобилей по городу с выдачей подтверждающего сигнала на диспетчерский пункт о времени прибытия каждой машины на место пожара.
Вся информация о наличии техники в пожарных частях гарнизона, об убытии и прибытии её отображается на световом табло (подсистема отображения оперативной обстановки – ПООО) с указанием текущего времени.
С помощью подсистемы отображения наличия техники диспетчер в любое время имеет сведения о наличии техники в боевой готовности в пожарных частях.
Как только пожар ликвидирован РТП сообщает диспетчеру в ЦППС для фиксации времени работ по тушению.
3 Расчёт основных характеристик и оптимизации системы связи и оперативного управления гарнизона пожарной охраны
3.1 Анализ работы систем оперативной связи
Связь абонентов с диспетчером пожарной охраны осуществляется набором двухзначного номера "01". При наборе цифры "0" осуществляется соединение с узлом спецсвязи городской телефонной сети, а при наборе цифры "1" устанавливается связь с диспетчером центрального пункта пожарной связи по одной из спецлиний "01".
В небольших городах узел спецсвязи устанавливается на одной из районных АТС, а в более крупных городах выделяется в самостоятельный узел. По специальным линиям следует вызов справочно-информационного (05-09) и экстренного (01-04) характера. Узел спецсвязи соединяется с ЦППС пучком соединительных линий.
Процесс обслуживания вызова на участке "УСС-Д" формируется в виде системы массового обслуживания с ограниченным числом мест ожидания. Зная поток поступающих вызовов и время обслуживания вызова, можно с помощью математических расчётов определить оптимальную структуру системы обслуживания.
Система спецсвязи характеризуется нагрузкой и показателями качества обслуживания вызова. На ЦППС поступают не только поток сообщений о пожаре, но и большое число вызовов - помех, которые создают значительную дополнительную нагрузку на диспетчеров. В результате занятия линии на участках IГИ-IIГИспец и IIГИспец - ЦППС существует вероятность потери вызова Рв1 и Рв2 соответственно. Потери Рв2 зависят от числа линий "01", числа диспетчеров и способа обслуживания на ЦППС.















