Тип проект_3_11 ПСЧ (1195237), страница 2
Текст из файла (страница 2)
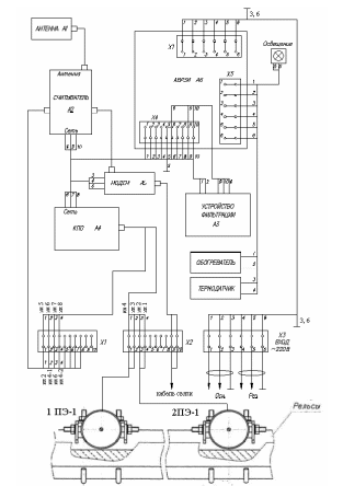
В состав ПСЧ входят: облучающая и считывающая аппаратура (ОСА), состоящая из считывателя 1 и антенны 2, контроллер подсчёта осей колёсных пар (КПО) 3, холодостойкий модем AnCom ST 4, два устройства фиксации колёсных пар (ПЭ-1) 5, 6, двухканальная система сетевого питания 7, обогреватель шкаф а( автоматический) 8 и кодовый бортовой датчик (КБД-2М) 9 .
Рис. 3.1 Структурная схема типового пункта считывания
Рис. 3.2 Электрическая схема ПСЧ
Аппаратура ПСЧ представляет собой двухканальную систему опроса параметров проходящего мимо него подвижного состава (Рис. 3.1): высокочастотный канал опроса установленных на локомотивах и вагонах датчиков КБД-2М 9, состоящий из антенны 2 , высокочастотного тракта считывателя и его узла формирования конечной информации от датчика; низкочастотный канал фиксации моментов прохождения колёсных пар над ПЭ-1 , включающий в себя две педали ПЭ-1 5, 6, КПО 3, и узел считывателя формирования конечного сообщения о моментах прохождения колёсных пар.
При наезде первой колесной пары состава на ближайшую по движению ПЭ-1 в низкочастотном канале формируется импульс, по заднему фронту которого в считывателе включается СВЧ излучение. В датчике КБД-2М, устанавливаемым, как правило, за вторым колесом первой тележки, при попадании его в зону облучения антенны, формируется напряжение питания
Часть генерируемой считывателем мощности СВЧ ответвляется направленным ответвителем (циркулятором) в канал гетеродина (фазовый детектор с фазовращателем) считывателя, в котором на смесителе, выделяется кодовая последовательность датчика. В цифровом тракте считывателя формируется двоичное сообщение датчика и время его поступления, относительно возникновения первого импульса от ПЭ и загружается в буфер обмена.
В процессе прохождения колёсных пар локомотива и вагонов над ПЭ-1 формируются сообщения, содержащее номер датчика ПЭ-1 и время поступления импульса от этого датчика в в цифровой тракт считывателя. Эти сообщения поступают в тот же буфер обмена.
Информацию буфера обмена о прохождении колёс и сообщения о датчиках КБД-2М Считыватель по запросам концентратора передаёт через интерфейс RS-232C по линии связи модема 4 в концентратор. Концентратор формирует файл первичных сообщений (файл с расширением.bin),
№ ПЭ-1 Отсчет таймера
1 0
2 4334
1 13883
2 18075
1 33430
2 37497
1 46278
2 50163
1 68598
2 72254
1 80218
2 83852
1 96394
2 99772
1 107042
2 110289
13843 40892012022802C100000000000401C0
22706 40892012022802C100000000000401C0
который обрабатывается программой распознавания, формирующей 266 сообщение
4Схема сбора и передачи информации с ПСЧ.
Места установки пунктов считывания определяются согласно «Технологическим требованиям к местам установки ПСЧ с учетом существующих форм отчетности», утвержденным ЦЗ А.В.Храпатым 19.08.2002 г. В зависимости от решаемой технологической задачи ПСЧ САИ ПС может располагаться в следующих местах:
-
На входах станций – между входным светофором и первой стрелкой, ограничивающей путевое развитие станции;
-
На выходах станций – между последней стрелкой и знаком «Граница станции»;
-
На контрольных постах локомотивных депо.
Схема сбора и передачи информации для ПСЧ, локализованных в пределах одной станции, имеет следующий вид (Рис. 4 .3). Информация с каждого ПСЧ через каналы связи передается на концентратор информации системы автоматической идентификации, расположенный на станции (как правило, в Доме связи, посту ЭЦ и т.п.). Концентратор информации формирует стандартное «266» сообщение и передает его в другие информационные системы через систему передачи данных СПД.
Рис. 4.3 Схема сбора и обработки информации с пунктов считывания
5Типовые решения по строительно-монтажным
и пуско-наладочным работам по ПСЧ
В состав ПСЧ входит (Рис. 5 .4): шкаф ПСЧ с обрабатывающей и считывающей аппаратурой и устройства фиксации прохождения колесных пар. При этом для обеспечения нормального функционирования всего комплекса аппаратуры САИ должны быть решены вопросы, связанные с проектированием, монтажом и обслуживанием всех элементов напольного оборудования. Эти вопросы включают в себя:
-
разработку технических требований по установке и монтажу датчиков и шкафа с учетом особенностей функционирования системы при автономной и электрической тяге;
-
обеспечения электромагнитной совместимости (ЭМС), защитных мер электробезопасности обслуживающего персонала и работников других служб;
-
разработку цепей заземления и защиты от перенапряжений;
-
особые требования по обеспечению надежного электроснабжения аппаратуры ПСЧ и основные правила обслуживания в условиях реальной эксплуатации.
Рис. 5.4 Состав ПСЧ
В основу этих требований должны быть положены действующие нормативные документы, относящиеся к разработке и эксплуатации устройств СЦБ, связи, а также регламентирующие методы испытаний и способы защиты от перенапряжений, обеспечение электромагнитной совместимости на железных дорогах с автономной и электрической тягой.
Как правило, ПСЧ должны располагаться на станциях в районе первого изолированного или стрелочного участка с таким условием, чтобы весь подвижной состав, входящий на станцию, проследовал зону контроля. Места установки ПСЧ должны обеспечивать оптимальные условия идентификации подвижного состава. Выбор места установки ПСЧ производится с учетом местных условий: топографических, геологических, удобного подключения электроснабжения, прокладки кабелей СЦБ, связи и электропитания, а также с учетом обеспечения сохранности и удобства текущего обслуживания и ремонта.
Установка пункта считывания производятся в соответствии с рабочим проектом. При разработке рабочего проекта и установке пункта считывания необходимо руководствоваться следующими документами:
-
«Правила по монтажу устройств СЦБ» ПР 32ЦШ о10.02.96;
-
«Базовые технические решения системы автоматической идентификации. Пункт считывания», утвержденные Департаментом информации и связи МПС РФ.
-
ГОСТ 92.38.83 «Габариты приближения строений и подвижного состава»;
-
«Инструкция по заземлению устройств электроснабжения на электрифицированных железных дорогах», ЦЭ-4173;
-
ГОСТ 21.603-80 «Система проектной документации для строительства»;
-
ГОСТ 21.406-88 «Обозначения условные графические на схемах и планах».
-
Методические указания по проектированию устройств автоматики, телемеханики и связи на железнодорожном транспорте И-183-89, Гипротранссигналсвязь, МПС, Ленинград, 1989.
-
Средства связи для последней мили, ЭКО-ТРЕНЗ-НТЦ НАТЕКС, М, 2000.
-
Указания по строительству междугородних кабельных линий связи, «Связь», М, 1972.
-
Электрические кабели, провода и шнуры. Справочник. «Энергоиздат», М, 1988.
-
ПР 32ЦШ 10.02.96 – Правила по монтажу СЦБ электосвязи на железнодорожном транспорте;
-
ГОСТ 92.38.83 – Габариты приближения строений и подвижного состава;
-
НТП ЦТКС-ФЖТ-2002 - Нормы технологического проектирования цифровых телекоммуникационных сетей на федеральном железнодорожном транспорте;
-
Решение ГКРЧ №20/6 от 19.08.2002 г. «Об условиях использования системы автоматической идентификации подвижных транспортных средств «Пальма» вдоль железнодорожных магистралей Российской Федерации;
-
Разрешение РосСвязи на использование радиочастот или радиочастотных каналов №05-024914 от 25.12.2005
-
Руководство по эксплуатации ПСЧ. КНГМ 466452.001-03РЭ
-
Паспорт КНГМ 466452.001ПС
Установка и пуско-наладка пунктов считывания включает следующие типовые работы:
-
Установка фундамента, устройства основания под фундаменты;
-
Разработка грунта в траншеях для укладки связевого и силового кабелей, засыпка траншеи;
-
Разработка грунта в траншеях для укладки связевого и силового кабелей на действующей железной дороге, установка защитных труб асбоцементных для кабелей, устройство постели в траншее, засыпка траншеи;
-
Установка железобетонных опор;
-
Организация каналов связи;
-
Установка КТП;
-
Установка муфты;
-
Прокладка кабеля связи и электропитания в готовых траншеях без покрытия;
-
Прокладка кабеля связи и электропитания в готовых траншеях в трубах;
-
Установка шкафа ПСЧ;
-
Установка заземления;
-
Заделка концевая для кабелей;
-
Ввод связевого и силового кабелей в шкафу, установка фундамента основания шкафа;
-
Проверка и регулировка амортизаторов рамы для аппаратурных блоков;
-
Установка обогревателя;
-
Установка светильника
-
Установка оборудования в шкаф ПСЧ (антенны, считывателя, КПО, модемов и др.);
-
Установка DIN-рельс шкафа;
-
Разделка кабелей;
-
Сборка креплений кронштейнов датчиков ПЭ;
-
Разработка грунта в траншеи для кабеля датчика ПЭ;
-
Засыпка траншеи для кабеля датчика ПЭ;
-
Установка кронштейнов для датчика ПЭ на рельс;
-
Установка датчиков ПЭ на кронштейн;
-
Прокладка кабеля датчиков ПЭ в траншею с установкой муфт;
-
Подключение ПСЧ к линиям электропитания -2 линии;
-
Подключение ПСЧ к линиям связи
-
Настройка параметров (программирование) модемов: для шкафа ПСЧ, КИ;
-
Установка модема в шкаф КИ;
-
Проверка работоспособности модем на линии связи
-
Монтаж кабелей в шкаф -11 шт.
-
Входной контроль и тестирование всех аппаратурных блоков ПСЧ;
-
Проверка подключения электропитания и линии связи в шкафу ПСЧ;
-
Измерение диаграммы излучения антенны ПСЧ и корректировка крепления антенны по результатам измерения диаграммы;
-
Измерение зон считывания тестового датчика КБД;
36. Оценки параметров линии связи по результатам передачи данных от ПСЧ к КИ в тестовом режиме;
37. Оценки параметров линии связи по результатам передачи данных от ПСЧ к КИ в тестовом режиме;
38. Выбор скорости передачи данных по результатам проверки линии связи и программирование модемов для установки оптимального режима их работы;
39.Проверка работы ПСЧ с КИ в режиме обмена информации;
40. Настройка параметров программного обеспечения;
41. Анализ работы ПСЧ на соответствие ТУ.
42. Оценка электромагнитной совместимости на предмет мешающих
излучений (в том числе и от соседних ПСЧ с совпадающей частотой, если кол-во ПСЧ более 3)и установка дополнительного оборудования (экраны, аттенюаторы,)при необходимости.
43. Проверка работоспособности ПСЧ при переключении основного и
резервного электропитания.
44. Контрольные и приемо-сдаточные испытания пункта считывания
Дополнительные работы
45. Установка антивирусной программы на КИ
46.Подключение КИ к сети передачи данных ОАО РЖД;
47.Настройка параметров программного обеспечения передачи данных от КИ линейного уровня к КИ дорожного уровня (отладка программы транспортера);
48. Проверка системы (ПСЧ - КИ линейного уровня - КИ дорожного уровня) в рабочем режиме;
49.Стыковка (информационная) КИ с сервером АСУ-Т в локомотивных депо (работа производится приблизительно в 30% от всех ПСЧ);















