Кузенцов Д.И (1190198), страница 2
Текст из файла (страница 2)
1 АНАЛИЗ ПРОБЛЕМЫ УСТОЙЧИВОЙ РАБОТЫ РЕЛЬСОВЫХ ЦЕПЕЙ В УСЛОВИЯХ ТЯЖЕЛОВЕСНОГО ДВИЖЕНИЯ
Задача увеличения пропускной и провозной способностей участков железных дорог Российской Федерации является одним из принципиально важных и актуальных вопросов холдинга ОАО «Российские железные дороги» [1]. Вариантом решения поставленной задачи является организация тяжеловесного движения по действующей сети дорог, т.е. обращение поездов повышенной массы (от 6,5 тыс. тонн и более) и длины.
Внедрение тяжеловесного движения позволяет не только повысить провозную способность участков сети железных дорог, но и обеспечить относительное снижение эксплуатационных расходов на обеспечение перевозочного процесса за счет сокращения числа пар поездов, расходов топлива и электроэнергии на тягу подвижного состава, однако по мере повышения интенсивности движения и роста веса поездов значительно увеличивается нагрузка на все элементы инфраструктуры, в том числе, и на рельсовые цепи, что осложняет их эксплуатацию и увеличивает количество отказов [1].
1.1 Назначение, состав и классификация рельсовых цепей
Рельсовые цепи являются наиболее ответственным элементом систем безопасности движения поездов. На основании получаемой от них информации функционируют системы электрической сигнализации, централизации и блокировки (СЦБ). Дальнейшее совершенствование качества работы систем СЦБ и, как следствие, усиление безопасности движения поездов неразрывно связаны с повышением надежности работы рельсовых цепей. В то же время, именно на долю РЦ приходится большое количество отказов [2].
Структурная схема рельсовых цепей представлена на рисунке 1.1,
Рисунок 1.1 Схема рельсовой цепи
Как следует из рисунка 1.1, рельсовая цепь представляет собой электрическую цепь, в которой имеются три основных элемента [3]:
-
источник питания (ИП);
-
путевой приемник (П);
-
рельсовая линия.
Ка показано на рисунке 1.1 рельсовая линия – это две рельсовые нити 3, составленные из отдельных рельсовых звеньев, соединенных накладками. Рельсовые нити закреплены на шпалах, уложенных на балласт. При отсутствии подвижной единицы на рельсовой линии от источника питания к путевому приемнику течет сигнальный ток (Ic). Для стабилизации сопротивления рельсовых нитей, состоящих из отдельных звеньев, скрепленных накладками, в токопроводящих стыках устанавливают стыковые соединители 2 [3].
Разнообразие условий работы и широкие возможности использования РЦ в системах железнодорожной автоматики и телемеханики привели к тому, что в настоящее время, как на отечественных железных дорогах, так и в ближнем и дальнем зарубежье, применяется очень большое количество их различных видов. Условно рельсовые цепи можно разделить на наиболее характерные группы показанные на рисунке 1.2, которые представлены на рисунке 1.2 [3].
13
Рисунок 1.2 – Классификация рельсовых цепей
Рельсовые цепи выполняют следующие функции [3]: автоматически контролируют свободное или занятое состояние участков пути на перегонах и станциях, а также целостность рельсовых нитей; исключают возможность перевода стрелок под составом; передают кодовые сигналы с пути на локомотив и от одной сигнальной установки к другой; обеспечивают автоматический контроль приближения поездов к переездам, станциям и др.
К рельсовым цепям предъявляются следующие основные требования [3]:
– при отсутствии подвижного состава на рельсовой линии путевым приемником должна подаваться информация о свободном состоянии контролируемого участка пути;
– при наличии на рельсовой линии хотя бы одной колесной пары подвижного состава, или при повреждении рельсовой нити, должна подаваться информация о занятости контролируемого участка пути;
– при повреждении (сходе) изолирующих стыков, с целью исключения влияния источника питания одной рельсовой цепи на путевой приёмник смежной рельсовой цепи, оба путевых приемника должны надёжно отпустить свои якоря (фиксировать ложную занятость).
Указанные выше требования должны выполняться при самых неблагоприятных условиях, в которых может оказаться рельсовая цепь, хотя бы даже на короткое время.
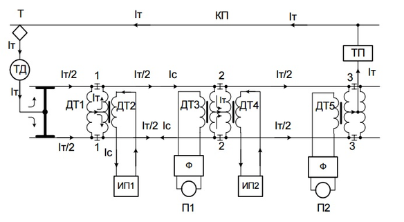
На работу рельсовых цепей существенное влияние оказывает наличие или отсутствие обратного тягового тока в рельсовых нитях. Тяговый ток может оказывать не только мешающее, но и опасное воздействие на работу РЦ. Степень влияния тягового тока на работу рельсовых цепей во многом зависит от способа канализации (пропуска) тягового тока по рельсовым нитям. На практике применяется два способа пропуска тягового тока: 1) по одной рельсовой нити рельсовой линии; 2) по двум рельсовым нитям рельсовой линии. Наибольшее распространение нашел второй способ, который обеспечивает лучшие условия для работы рельсовых цепей и протекания обратного тягового тока. Схема пропуска тягового тока в двухниточных РЦ представлена на рисунке 1.3.
Рисунок 1.3 – Схема пропуска тягового тока в двухниточных
рельсовых цепях
Для канализации обратного тягового тока (Iт на рисунке 1.3) изолированные путевые участки, оборудованные рельсовыми цепями, соединяются между собой стыковыми дроссель-трансформаторами(ДТ на рисунке 1.3), (двухниточные рельсовые цепи) и тяговыми соединителями (однониточные рельсовые цепи) [2].
Для обеспечения сквозного пропуска обратного тягового тока на главных путях и примыкающих к ним участках применяются рельсовые цепи с двумя дроссель - трансформаторами. По условиям канализации тягового тока на станциях разветвленные рельсовые цепи могут иметь на более трех дроссель-трансформаторов. Но для обеспечения шунтового режима (такое состояние рельсовой цепи, когда на рельсовой линии находится хотя бы одна колесная пара) такую рельсовую цепь проектируют с двумя путевыми реле [2].
На боковых путях используются, как правило, однодроссельные рельсовые цепи. Применение однониточных рельсовых цепей допускается на некодируемых станционных путях и в горловинах станций при длине рельсовой цепи до 500 м. В однониточных рельсовых цепях тяговый ток должен проходить, как правило, по крестовинам стрелочных переводов и по наружным рельсам крайних боковых путей [2].
Тяговые нити рельсовых цепей должны быть соединены между собой таким образом, чтобы одно нарушение целостности любой тяговой нити или любого тягового рельсового соединителя не нарушало бы прохождение обратного тягового тока [2].
Для эффективной организации тяжеловесного движения с весовыми нормами поездов 7,1 тысяч тонн и более необходимо решение актуальной задачи оценки готовности тяговой сети (ТС) к пропуску тяжеловесных поездов, а именно: устойчивости ТС к увеличенным токовым нагрузкам, в том числе обеспечение условий канализации подведенной к локомотиву энергии через инфраструктуру обратной тяговой сети (ОТС) [1].
Следует отметить, что при электротяге переменного тока характерно появление в электрических цепях ОТС токов утечки, протекающих через землю. Это обстоятельство затрудняет процесс анализа текущего состояния элементов ОТС на предмет их готовности к пропуску поездов повышенной массы и длины [1]. Далее рассмотрим работу РЦ в условиях тяжеловесного движения поездов на примере конкретного участка железной дороги.
1.2 Характеристика объекта исследования
Объектом исследования ВКР является участок Хабаровск 2 - Бикин Хабаровской дистанции электроснабжения ДВЖД.
Участок железной дороги электрифицированной на переменном роде тока, напряжением 27.5 кВ и частотой тока 50 Гц. Хабаровск-Бикин обслуживается Хабаровской дистанцией электроснабжения, которая в свою очередь является филиалом ОАО «РЖД». Как следует из рисунка 1.4 состав ЭЧ-2 входят:
Рисунок 1.4 – Структурное подразделение ДВЖД
-
10 районов контактной сети (ЭЧК), находящихся на ст. Биробиджан, Ин, Волочаевка, Хабаровск-1, Хабаровск-2, Корфовская, Хор, Вяземская, Розенгартовка, Бикин - обслуживают устройства контактной сети.
-
9 тяговых подстанций (ЭЧЭ), находящихся на ст. Икура, Ин, Волочаевка, Хабаровск-2, Кругликово, Дормидонтовка, Аван, Розенгартовка, Бикин - обеспечивают устойчивое и бесперебойное электроснабжение контактной сети и устройств СЦБ.
-
4 района электроснабжения (ЭЧС), находящихся на ст.Амур, Хабаровск-2 – обеспечивает устойчивое энергоснабжение железнодорожных потребителей (ТЧ, ВЧД, ШЧ и др.) наружное освещение станций, не железнодорожных предприятий, бытовых потребителей находящихся в зоне железной дороги и устройств СЦБ.
Специализированные бригады в границах ЭЧ-2 обеспечивают оперативное обслуживание, капитальные ремонты устройств, наладка защит, обслуживание приборов учета электрической энергии, ремонт автотранспорта, материальное обеспечение и т.д.
Рассмотрим далее, какие элементы РЦ на рассматриваемом участке наиболее подвержены отказам.
1.3 Анализ статистики отказов технических устройств рельсовых цепей на примере Хабаровской дистанции электроснабжения
Анализ проводится с целью оценки текущего состояния дел в системах рельсовых цепей, выявления часто отказывающих элементов и наиболее проблемных участков на Дальневосточной железной дороге.
Данная статистика приведена на основании данных, предоставленных в ЭЧ-2 (дистанция электроснабжения Хабаровск-2) с помощью таких программа как: АСУ-КАСАНТ и ГИД с 2010 по январь 2017 года. Из общей базы данных по отказам технических средств всех элементов железнодорожного пути выбирались только те события, которые имеют непосредственное отношение к рельсовым цепям.
С помощью полученных данных проведем анализ событий произошедших за период с 2010 по 2017 годы. Сведем анализируемую информацию в таблицу 1.1.
Таблица 1.1 – Отказы элементов РЦ по Хабаровской ЭЧ-2 ДВЖД
| Дата, место | Что отказало | Причина | Время задержки | Категория КАСАНТ | Примечания |
| 1 | 2 | 3 | 4 | 5 | 6 |
| 15.03.2010 г. (ЭЧК-16) Бикин -Бойцово | Перекрытие сигнальной точки №8 | Утечка тока через низкоомные опоры №480, 488 | 0,06часа. | 3 | |
| 01.02.2011 г. (ЭЧК-16) Бикин - Бойцово | Перекрытие сигнальной точки №12 | Утечкой тягового и сигнального тока через Неиспраный ИПМ | 0,1 часа. | 2 | Проходили два грузовых поезда повышенного веса |
| 08.02.2013г (ЭЧК-13) пер.Дормидонтовка-Красицкий | Перекрытие сигнальной точки №4 | Утечки тока через спуски заземления опор КС | 5 поездов 0,6 час. | 2 |
Продолжение таблицы 1
| 1 | 2 | 3 | 4 | 5 | 6 |
| 21.12.2013г (ЭЧК-14) пер.Красицкий-Вяземская | Перекрылась сигнальная точка №12 | Сработавшие ГРПЗ на17ти заземлениях опор КС блок участка10-12 | 1,1 часа. | 2 | Масса поезда которому перекрылось С.т -2092т |
| 18.04.2014г (ЭЧК-7) пер. Икура-Аур | Сбой кодов на перегоне | Понижения изоляции опор КС №61, 51, 47, 29. | 0,38 часа. | 2 | Ток асимметрии составлял 5А |
| 14.12.2014 (ЭЧК-14) Аван-Вяземская | Перекрытие сигнальной точки №4 | Ток утечки на заземлении опоры№222 | 2 | ||
| 18.12.2014 (ЭЧК-8) Ин-Ольгохта | Перекрытие сигнальной точки на 8429 км ПК 3 | Ток утечки на заземлении опоры №123 | 3 | ток утечки 2,3 А | |
| 11.03.2016 (ЭЧК-16) Бикин - Бурлит. | Перекрытие выходного сигнала (ложная занятость) | Перекрытие ИПМ прутком заземления на опоре №803 | 0,38 часа | 2 | Ослабления крепления из-за плохой протяжки болтов на зажиме |
| 25.11.2016 (ЭЧК-8) Ольгохта-Ин | В 3.04 потухла сигнальная точка №4 | Повреждены ГРПЗ-1У с средняя точка 2ДТ-1МГ2-300 | 3 | Не выполненный переход на защиту от перенапряжений t °=-23 | |
| 28.11.2016 (ЭЧК-14) Красицкий-Вяземская | Перекрытие сигнальной точки №7 | Неисправный ИПМ на опоре контактной сети №265 | 3 | Ток утечки составил 45А, асимметрия более 6% | |
| 07.12.2016 (ЭЧК-8) Ольгохта-Ин | Перекрытие сигнальной точки №11 8437 км ПК 5 | Утечка тягового тока на опорах КС №347,341,337,335,333,323,325 | 3 | t °=-23 | |
| 11.12.2016 (ЭЧК-15) Розенгартовка-Бойцово | Перекрытие сигнальной точки №13 | Пробой двух ГРПЗ на опорах №607,669 | 3 | Асимметрия тягового тока более 6% |
Окончание таблицы 1
| 1 | 2 | 3 | 4 | 5 | 6 |
| 12.12.2016 (ЭЧК-14) Красицкий-Вяземская | Перекрылась сигнальная точка №12 | Ток утечки через неисправный ИПМ, опоры КС №132 | 3 | Ток утечки 15А, асимметрия на ДТ 4% | |
| 06.01.2017 (ЭЧК-16) Бикин - Бойцово | Пробой ИПМ-3 на опоре №158 | Увеличения потенциала в обратной тяговой сети, свыше 700 В | 1. 56часа | 2 | Пакет поездов 12220т, 7016 т, 11706 т Утечка тока 30А, асимметрия более 6% |
На основании таблицы 1.1 представим на диаграммы рисунка 1.5, изменение количества отказов технических средств, начиная с 2010 года и заканчивая январем 2017 года.
Рисунок 1.5 – Количество отказов технических средств рельсовых
цепей по годам (2017*- за 3 месяца)
Как следует из рисунка 1.5, количество отказов технических средств рельсовых цепей за 7 лет неизменно увеличивается, что подтверждает актуальность рассматриваемой проблемы.
На рисунке 1.6 представлена круговая диаграмма причин отказов технических средств рельсовых цепей, на ней изображены события, вызванные утечкой тягового и сигнального токов, а также случаи, вызванные другими причинами.
















